Fórum témák
» Több friss téma |
Fórum » Transzformátor készítés, méretezés
Ha kérdésed van, az alábbiak segítenek a hatékony választ megadni:
Mag típusa: M, EI, UU/LL esetleg I-kből összerakott, tekercselt, toroid. Lehetőség szerint képpel.
Méretek: magkeresztmetszet a*b (amit a tekercs körbeölel) ablakméret, lánc és toroidnál, belső-külső méretek.
Primer-szekunder feszültség(ek), teljesítmény igény.
Akkor 1 vagy 2 menetet leszedhetsz - az első után teszt az 1,8 amperrel, vagy amennyit le akarsz venni mindegyikről! Terhelve 6.4 volt elég - tizedekre úgysem lehet korrigálni.
Baj van gyerekek. Ez már jobb lett.
Nem mondod, hogy az élő hálózat ott figyel a kopasz vezeték végén szigeteletlen.
Még nem tartok itt. A távtartót ezután lesz időm levágni.
Nincs ebben semmi, így legalább jól látja, hogy elengedett.e a forrasztás, vagy nem.
Megcibálni meg nem fogja azt, mivel elszakadna a vékony prímérdrót...
Sziasztok!
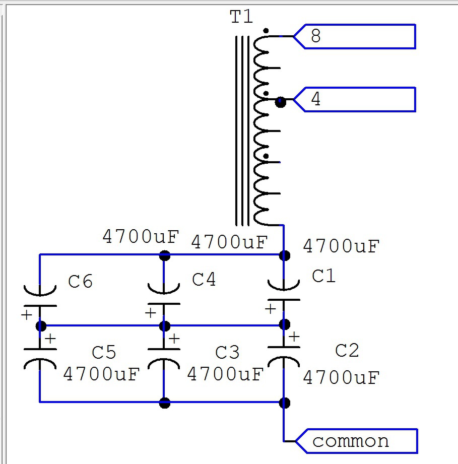
Felmerült az igény hangsugárzó impedanciaváltó transzformátor beszerzésére. Természetesen magad uram.... Zenekari félvezetős erősítőknél előfordul, hogy nem a megfelelő impedanciájú a hangsugárzó, így nem ideális a kapcsolat erősítő és láda között. Jelen esetben van egy basszus erősítő, amire az ajánlott minimális terhelő impedancia 4 Ohm. Van két láda, egyik 8, a másik 4 Ohmos. Bár mind a két láda önmagában jó, de együtt nagyon kicsi lenne az impedancia a biztonságos üzemeltetéshez. Arra gondoltam, készítek egy 4/8 Ohmos transzformátort. Viszont tranzisztoros erősítő nem szereti a kis DC ellenállású terhelést, mert mindössze néhány tized Ohm lenne a transzformátor primere. Ezenkívül egy autotranszformátor olcsóbb lenne, mert kalkulációm szerint harmad annyi rézre van szükségem. 200W esetén egy normál trafó 8 Ohmos tekercse 5A, a 4 Ohmos pedig 7.1A terhelést kap. Autotrafó esetén a 8 Ohm és a 4 Ohm közötti szakasz 5A, a 4 Ohm és a common közötti szakasz 2,1A terhelést. Idézet: „mert mindössze néhány tized Ohm lenne a transzformátor primere” Lesz az nagyobb is (több menet), mert a trafó impedanciájának (induktivitásának) jóval nagyobbnak kell lenni az alsó határfrekvenciáján, mint a terhelésnek. Az autotrafó jó választás, kevesebb réz.
Természetesen a trafó impedanciája az jóval nagyobb, de a DC ellenállás fél Ohm alatti. Ez csak akkor nem gond, ha az erősítő kimenetén valóban 0V az egyenfesz. 200mV esetén (találkoztam ilyen erősítővel) már közel fél Amper folyna az egyik féltápfesz felé. Ezért jött képbe a kondenzátor mint DC elválasztó.
Sziasztok!
Transzformátort szokott impregnálni valaki Debrecen környékén (vagy akár messzebb is)? Csak mert van egy EI magos trafóm ami elég hangosan búg, azt tanácsolták hogy próbáljam meg lakkba mártani első körben. De nem csináltam még ilyet és az eszközeim sincsenek igazán meg hozzá perpill, így jól jönne egy kis segítség. Akár jó tanácsok formájában is.
Ne mártsd lakkba, már csak azért sem, mert korántsem biztos hogy meg fog szűnni a búgás. Első körben azt kellene kideríteni, hogy elég-e ha csak körben összehúzod a lemezeket, ehhez valami nem hajlékony anyagból ki kell vágni 2db négyzetet és 4db csavarral összehúzni a lemezeket. Ha ez nem segít is ugyanúgy búg, akkor a lemezek közepe zörög azon a részen ahol bent vannak a csévében. Azt régi trafóknál ki szokták ékelni, azaz tesznek még be 1-2 lemezt vagy valami vékony dolgot beütnek oda ami belefér, és összeszorítja annyira a lemezeket hogy nem zúgnak tovább.
Ha lakkba mártod egy élmény lesz utána szétszedni, ha netán arra kerül a sor. A mártás helyett lehet kapni spray alakban is lakkot, szorítás után rá tudod fújni a lemezekre, valamennyi befolyik közéjük, száradás után tart.
A csavarokkal való összehúzást már próbáltam, igaz még csak keret nélkül simán csak a 4 furat helyén, de semmit nem segített. Végig vannak egyébként hegesztve 2 oldalt a lemezek, a csavarokat én raktam bele, hátha. Kiékelve viszont még nem volt, az még bejöhet, köszi a tippet! Fújni esetleg csak a közepét tudom majd, mert körben van az egész magon egy lemez burkolat is ami szintén rá van hegesztve 2 ponton. Fújós lakkot tudsz esetleg ajánlani ami megfelel erre a célra? Milyet keressek?
Milyen trafó ez? Lehet, hogy csak túl van gerjesztve.
EI magos, nem toroid. Egy erősítőé, nem barkács, gyári az egész, több évig halkan üzemelt. És terheletlenül 230V-ra kötve is búg bekapcsoláskor, aztán elhalkul. Gondolom ha terhelném egyre jobban búgna.
Feszültségeket rendben adja? Nem melegszik?
Vagy az impregnálása adta meg magát, vagy menetzárlat.
Igen, megmértem, a feszültségek jónak tűnnek, a tekercsek ellenállása is, zárlat sincs a tekercsek között stb. A hőmérséklete viszont felmegy vagy 45 fokig a burkolatnak egy idő után ha be van kapcsolva az erősítő nyugalmi állapotban, terhelés nélkül - ez nem tudom mennyire normális. De találtam egyébként egy I lemezt ami a két csavar között középen laza és vibrál, nem véletlenül javasolta Ge Lee a leszorítókeretet. Ha lesz időm leszedem a burkolatot és rendbe hozom azt a részt lakkal + kiékelem, remélem úgy már elfogadható lesz a búgása. Köszönöm a tippeket!
A középső oszlop mellé ékszerűen elvékonyított bakelit lemezt szoktak beütni. Az üvegszálas poliészter (nyáklap csupaszon) masszívabb és vékonyabbat is be lehet verni ha befér.
Menetzárlatot nem két tekercs között, hanem egyazon tekercs két menete között kell érteni. Gyakran csak az indokolatlanul magas terheletlen primer áramfelvétel utal rá. De a vasmag is lehet ludas, mert ha a lemezek közti átvezetés megnő, az örvényáramokat kelt a magban. Ez felfogható részlegesen rövidre zárt menetnek. Ez is oka lehet a melegedésnek. Vagy egyszerűen 220V-ra van méretezve, és a 230-235V már túlgerjeszti. Később megmelegszik, kiolvad az impregnáló lakk, és elkezd zizegni.
Azért érdekes a dolog, mert ha ez már az újabb konstukciójú trafó amiket egy irányból lemezelnek, impregnálnak, párba köszörülnek, majd szerelés után összehegesztenek akkor ezeknek nem kellene búgni, lévén hogy elvileg sehol nem tud megmozdulni a lemez.
A 45 fokra melegedés nem vészes, és ez is lehet az oka annak hogy ha egy idő után elhallgat, mert felmelegszik a lemez, tágul, és megszűnik a hézag amiben zúgni tud. El kellene távolítani róla a burkolatot és megnézni alatta a lemezek egységét, lehet hogy itt ott elengedte már az impregnálás.
Üdv! Transzformátor tekercselést esetleg vállal valaki? Egy 50wattos 230/70-90 voltos kellene osztott csévetestű tekercseléssel (biztonsági,földfüggetlen.
Üdv!
Kapcsolóüzemű tápegység nagyfrekvenciás trafójának az újratekercselésébe fogtam bele (mert az egyik tekercse szakadt), felmelegítés után elkezdem széthúzni a ferrit magot (EE) de sajnos az egyik "E" szára letörött. A magnak sajnos elég speciális méretei vannak (19,5x13,5*5mm), nem tálátam ilyen méretűt, hogy pótoljam, arra gondoltam, hogy fémragasztóval visszaragasztanám a letörött szárat. Lehetséges-e, hogy működne egy ilyen maggal is a trafó, vagy nagyon befolyásolja?
Szia!
Sokkal több méretet is meg kell adnod, mert ez egy flyback vas és a légrés se mindegy - a bal oldali középső része rövidebb, láthatod.. Tized mm is számít, főleg a csévében és a szárak között is. Ragasztani csak úgy szabad, ha a felületek közé nem kerül ragasztó- amikor már készen vagy, akkor kell spécien illeszteni és rögzíteni. Csere vasnál a minőség is számíthat, mert elképzelhető, hogy akár 130 kHz környékén is megy ez a táp ( IC adatlapon megvan ). A hozzászólás módosítva: Feb 3, 2021
Te hogyan ragasztanád meg illetve rögzítenéd aztán a csévetestbe? Akkor járható út ez is?
100 kHz el megy ez a trafó (FSDH0165 ös ICvel, stand-by kör). A cserét Én is bonyolultabnak tartom pontosan a vas minősége végett azért is lenne jobb valahogy megragasztani.
Ha a törésbe ragasztót kensz, akármilyet, attól megnő ott a légrés. Hogy ez megengedhető-e vagy sem, senki meg nem mondja, lehet hogy jó lesz lehet hogy nem. Légrés nélkül csak úgy tudod összerakni, hogy veszel valami jó minőségű 2 komponensű ragasztót vagy műgyantát, összeilleszted precízen a 2 törött darabot, majd kívülről teszel rá pár pöttyöt olyan helyekre ahol nem lesz útban a ragasztó a csévének. Amikor megszáradt összerakod, majd öntapadós poliészter szalaggal (hasonló a cellux-hoz) kétszer körbetekered a magot. Nem jöhet szét. Mondjuk itt annyival rosszabb a helyzet mint egy légrés nélküli magnál, hogy a középső szárak nem fekszenek össze, ott nincs támasztása a szárnak.
Ahogy én látom a csatolt képeden, nem a csévetestben kell ragasztanod, hanem miután kész a trafó, alul egy vékony lemez ragasztóval megkenve, rá a törött darab, illesztve és utána felülről ugyanez a művelet jön. Ha megkötött, kétkomponensű ragasztóval kiöntöd azt a "könyököt, beleértve a csévénél a hézagokat..
A légrést hézagold ki összerakáskor. A hozzászólás módosítva: Feb 3, 2021
A kartonon, a textil bakeliten és nyák panelen kívül mi mindent lehet cséve test készítésre használni?
Bármit, ami lapos és hajlítható és fűrészelhető. Kivéve fémeket.
![]() Pl. polikarbonát lemez v. fólia, prespán, de jó akár a papírbakelit is. ![]() Ha elég ügyes és türelmes vagy, sablonra készíthetsz üvegszálerősítésű műgyantából, mint a jobb ruszki búvárok tekercstestjei.
Ez egy légréses trafó, ahol a légrés a mm-es tartományban van. Ha egyszerűen összeragasztod pillanatragasztóval, akkor annyi történik, hogy az egyik oszlopon ( ahol ragasztottad ) megnő egy kicsit a mágneses ellenállás, tehát a két oldal fluxusa különböző lesz. Ez a légrésnek és a ragasztó vastagságának arányában lesz. Vagyis, ez olyan keveset fog számítani, hogy még méréssel sem lehet könnyen észrevenni. Tehát, a ragasztó megnöveli a légrést, mondjuk 0,05 mm-rel. Feltéve, hogy csak két darabra tört, nem pedig még hiányoznak belőle szilánkok.
Nagyobb problémát jelent, hogy a pillanatragasztó, - ha jól tudom, - 80 fok felett elenged. De talán van ilyen jellegű ragacs, ami ugyanilyen híg és magasabb hőfokot bír. |
Bejelentkezés
Hirdetés |










