Fórum témák
» Több friss téma |
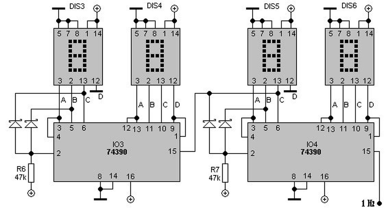
A 74390 számláló, LOW impulzusra lép egyet, 1-2----8-9-0, a 9 után automatikusan 0-ára lép.
Az 5 után, hogy ne 6 legyen, hanem 0, „reszeteltetni” kell, a MR lábát HIGH-ra kel tenni, (ezt a B és a C kimenet közösen elvégzik, ehez kel az AND). (és még akarok egy „össz reszetet”)
Kicsit összetettebb a végkifejlet.
Két kijelző lenne. Egyik műszerdobozban lenne, kb. 0,5’ méretű kijelző (más áramkörökkel együtt), és a másik egy kb. 2-3 méteres kábelen, egy nagy méretű kijelző, ami ledszalagból lenne elkészítve. A kábelen a 4 digit BCD-je menne át.
Idézet: „A kábelen a 4 digit BCD-je menne át.” Még egy indok a kontrollerek alkalmazására. A két egységben egy-egy kis kontroller. A 0,5’ méretű kijelző kezeléséhez nem is kell más áramkör. A beépített UART segítségével egy kéterű kábelen is át tudja köldeni az adatokat a másiknak. A nagy kijelzőnél az anódok és a katódok vezérlésénél is kell tranzisztor (összesen 4 + 7 = 11). A táp a nagy kijelzős egységben van, akkor egy 3 eres kábellel lehet a táplálást és a kommunikációt is megoldani a két egység között. A hozzászólás módosítva: Dec 1, 2015
Mi van ha a 7490-ben lévő 5-ig számlálót használod a tízes perc számolására? A 1. láb CBD bemenetre az órajel.
Az egyszerűségre és a minél kevesebb alkatrészre (ic-re) törekedek. A kapcsolás egyszerű és működik is, bár én, 7 szegmenses kijelzőt használok, („duplán”, mint írtam is).
A 2-es és a 14-es lábak HIGH-ab rakásával tudom 0-ázni a kijelzőket. Ezt akarom megoldani egyetlen egy nyomógombbal, (záró-nyitó mindegy). Csak a 2-es láb eleve használatban van.
Nagyon jó lenne megtanulni a kontrollerek megfelelő alkalmazását, programozását. Sajnos ám nem egyszerű. És kel hozzá még egy plusz felprogramozó eszköz is.
Egyszer egy hideg-sötét téli napon majd lehet, hogy nekikezdek. De most egyébként pont egy kínai után gyártott Arduino-t rendeltem, ezzel akarok egy kicsit foglalkozni. Ahoz véletlen nem értesz, azzal megvalósítható lenne egy stopper kijelzése, (ledszalagos megvalósításra gondolok)?
Sziasztok!
Keresek olyan embert, aki ismeri a TTL kapcsolások rejtelmeit, és tudna segíteni. Van 8 darab 7szegmenses elektromechanikus kijelzőm, és azokat szeretném felhasználni egy naptár kijelzőnek. Ez így könnyűnek látszik, sima osztólánc, csak van benne egy kis csavar. A szegmensek tekercseinek polarításának váltásával láhet a szegmenset be, és kikapcsolt állapotba hozni, és ezt sem folyamatos jellel, hanem impulzussal. Az impulzus után a kijelző a megfelelő állapotban marad a következő impulzusig. Tehát a gondom az lenne, hogy egy órajelből, vagy 7 szegmenses dekódolt kimenetből hogy tudok olyan jelet előállítani, ami a szükséges szegmensek tekercseit egy normál polarítású impulzussal látja el, a nem aktív szegmenseket pedíg egy fordított polarításúval. Arduino kilőve, szeretném ttl/cmos áramkörökkel megoldani. Minden megoldás érdekel. Az egész kijelző bemenete egy órajel impulzus lenne minden nap végén. Köszi, -Máté. |
Bejelentkezés
Hirdetés |






