Fórum témák

» Több friss téma
Fórum » Túláramvédelem
Lapozás: OK   1 / 5
(#) dugabácsi hozzászólása Máj 5, 2009 /
 
üdv
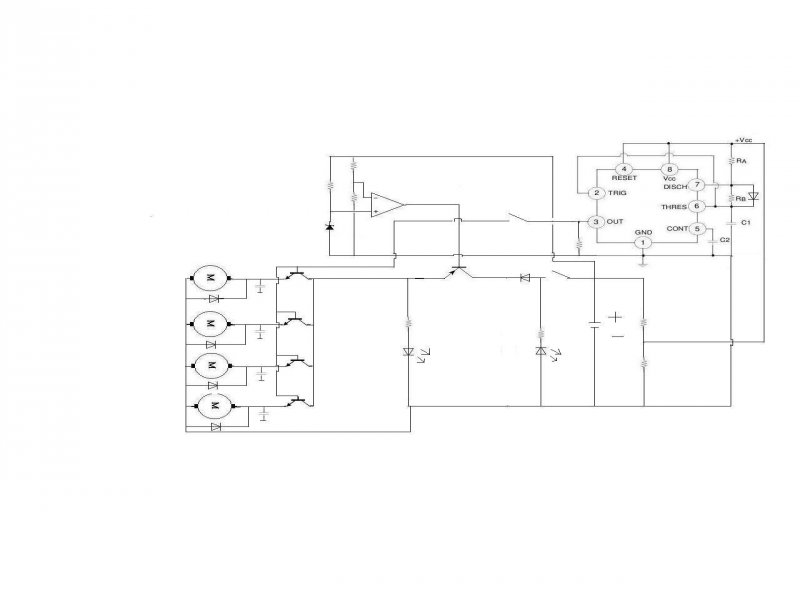
összeraktam egy kapcsolást. A lényeg h egy NE555-össel vezérlek 4 db villanymotort a kitöltési tényező változtatásával a tarnzisztorok ki be kapcsolgatnak. kitöltési tényező kb 10-90% között tudom változtatni. Van benne mélykisülés védelem és ellentétespolaritás védelem. A motorok 18V-osak és kb 20A tudnak felmenni max terhelésnél viszont így a főágba akár 80A is folyhat szerintetek foglya bírni a tranzisztor vagy kell neki valami illesztés illetve mi a legegszerübb túláram védelem amit be lehetne tenni
segítséget előre is köszönöm

névtelen.JPG
    
(#) bladika válasza dugabácsi hozzászólására (») Máj 5, 2009 /
 
Amit eltudnék képzelni mondjuk, hogy beraksz Soros áramfigyelő ellenállást és annak a feszültségét feldolgozni, mondjuk komparátorral, és ha az áram átlép egy megengedett értéket, akkor resetelni a PWMet. Vagy biztosíték! Nem tudom milyen áramvédelemre gondoltál!
(#) proba válasza dugabácsi hozzászólására (») Máj 6, 2009 /
 
Egy tranzisztorral szerintem nem tudsz 10-15 A-nál többet kapcsolni elfogadható veszteségek mellett.
A bázisáramod már ekkor is minimum 1-1,5 A .Ezt semmi műveleit erősítő nem fogja produkálni,valamint a műv erősítők kimenete nem megy el tápig tehát lezárni sem fogja rendesen a tranzisztort.
Az 555 kimenetét ha így használod, a motorra nem jut csak az 555 táp-1V ,a többi a tranzisztorokon elfűtődik.
Én FET-et használnék ,és a negatív ágban.valamint áramkorlátként a vezérlő jelet venném el ,nem egy központi tranzisztort alkalmaznék.Egyébbként egy csomó PWM téma van ajánlom tanulmányozásra őket.
Áramkorlátnak egy komparátorként alkalmazott műv erősítő,az osztó valamely tagjával sorbakötött kis ellenállással.Az ezen eső feszültség eltolja az egyik osztáspontot ezáltal le/fel billenti a műv erősítő kimenetét.

áram.jpg
    
(#) (Felhasználó 1947) válasza dugabácsi hozzászólására (») Máj 6, 2009 /
 
Szia !

A helyesírásodon lenne mit javítani, de végül is nem ez volt a kérdés.
Használj Fet-et,mint előttem javasolták, vagy IGBT-t.
A félvezetők low side driverként üzemeljenek.
Áramfigyelést megfelelő teljesitményű és értékű(ez esetben pár század ohm)ellenállással és áramfigyelő áramkörrel tudod megoldani(AD8202,AD8206 stb.)

Üdv! Luki
(#) watt válasza (Felhasználó 1947) hozzászólására (») Máj 7, 2009 /
 
Idézet:
„A helyesírásodon lenne mit javítani”

Olyannyira, hogy én nem is válaszolok neki érdemben. Ez már nem is helyesírási hiba, hanem trehányság...
(#) cloud9 hozzászólása Máj 24, 2009 /
 
Üdv
Elektromos ablakemelőhöz kellene nekem egy túláramvédelem. Müködés közben 6 A -et vesz föl a motor, amikor le vagy felér az ablak akkor fölmegy 14 A-ig. Kellene egy kapcsolásirajz ami ilyenkor lekapcsolja a relét. Ha valaki tudna segíteni.
kössz
(#) bankimajki válasza cloud9 hozzászólására (») Máj 24, 2009 /
 
szerintem akkor egy sönt ellenállás is kell, azt meg tudod oldani? ha igen akkor egy sima komparátorral beállíthatod az értéket amikor le kell hogy oldjon, csak késleltetni is kell, mert ha nincs késl. akkor ki-be fogja kapcsolgatni rövid idő alatt, és tönkremegy a relé.
(#) cloud9 hozzászólása Máj 24, 2009 /
 
Hát, jobb lenne valamilyen kész kapcsolás. Neten kerestem de nem találtam semmit...
(#) proba válasza cloud9 hozzászólására (») Máj 25, 2009 /
 
Egy időzítő (pl izzító gyertya késleltető) ,meg egy égő sorba a motorral.(esetleg egy végállás kapcsoló mégiscsak egyszerűbb.) Vagy az utánfutó visszjelentő reedcsöves valami átalakítva ,néhány jelfogóval kiegészítve. Ha maszek az emelő elég reménytelen kész alkalmazást találni hozzá.Ha meg gyári akkor be kell szerezni a hozzávalót.(vagy hozzáértés+tervezés)
(#) cloud9 válasza proba hozzászólására (») Máj 25, 2009 /
 
Ablakemelő modult lehet kapni ami tudja ezt a funkciót. Gondoltam megprobálom itt hátha valaki épitett már ilyet...
(#) cloud9 hozzászólása Jún 26, 2009 /
 
Megcsináltam a komparátoros cuccot és csináltam egy 2 mp-es iddözitőt hozzá. Az lenne a problémám hogy amikor eléri a beállitott áramerösséget akkor olyan gyorsan kapcsol ki-be hogy az idözitó nem indul újra. Hogy lehet megoldani hogy a feszültség mindjárt lecsökkenjen 0 -ra ?
Vagy valamilyen ötlet?
(#) Sebi válasza cloud9 hozzászólására (») Jún 27, 2009 /
 
Rajz?
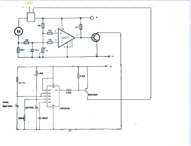
(#) cloud9 válasza Sebi hozzászólására (») Jún 28, 2009 /
 
Valami ilyesmi...

kapcs.jpg
    
(#) proba válasza cloud9 hozzászólására (») Jún 28, 2009 /
 
Szerintem az 555 nek nem célszerű a tápját kapcsolgatni .Erre a különböző gyártók példányai eltérő módon reagálnak. Használd inkább az újraindítható monostabil módját.
(#) cloud9 válasza proba hozzászólására (») Jún 29, 2009 /
 
Kicseréltem a relét egy nagyobb teljesitményűre igy már tökéletesen müködik. Lassabban mozog a relé van ideje ujraindulni az időzitőnek.
(#) hagymásbab hozzászólása Szept 23, 2009 /
 
Üdv!

Én egy IGBT-t szeretnék megvédeni, mégpedig úgy, hogy mérem az áramot, és a feszültséget. Amikor az áramérték elér egy bizonyos szintet valamilyen hiba miatt, akkor az áramkör kikapcsol. Majd a hiba kijavítása után újra be lehet kapcsolni.
Eddig nem sikerült megfelelő megoldást találnom, ezért szeretném kérni a segítségeteket!
(#) kadarist válasza hagymásbab hozzászólására (») Szept 23, 2009 /
 
Szia!

Van olyan IGBT driver IC, amiben van túláramfigyelő funkció. Az IGBT emitterébe kell kötni egy áramfigyelő ellenállást. A sarkain mérhető feszültség arányos lesz az átfolyó árammal. Ha elér egy küszöbszintet, akkot az IC megfelelő lábán kiad egy hibafeszültséget, ami letiltja a vezérlést. Az IR cégnek vannak ilyen gate-meghajtó áramkörei.

Durvább túláramra kismegszakító (gyors)
(#) hagymásbab válasza kadarist hozzászólására (») Szept 23, 2009 /
 
Köszönöm a gyors választ!
(#) hagymásbab hozzászólása Szept 28, 2009 /
 
Üdv!
Ismét van egy kérdésem. Mégpedig az, hogy ha mivel lenne a legcélszerűbb mérni az IGBT áramát. (50 A - ig).
Csak simán mérni és kijelezni. (Eddig csak olyan kapcsolást láttam ami csak kisebb tartomány mérésére képes.)
(#) kadarist válasza hagymásbab hozzászólására (») Szept 28, 2009 /
 
Szia!

Milyen kapcsolásban szerepel ez az IGBT? Egyenáramot kapcsol, vagy kapcsolóüzemben van?
(#) hagymásbab válasza kadarist hozzászólására (») Szept 29, 2009 /
 
Szia!

H-hídban van. (Én csak az egyiket szeretném mérni.)
(#) kadarist válasza hagymásbab hozzászólására (») Szept 29, 2009 /
 
Szia!

Mondjuk a tápfesz negatív ágába beépítesz egy kis értékű ellenállást, és az azon mérhető feszültség arányos lesz az átfolyó árammal. Az ellenállás nagysága függ az átfolyó áramtól, érdemes minél kissebb ohmost választani, a mérsékelt hőfejlődés miatt.

Mire használod a H-hidat?
(#) hagymásbab válasza kadarist hozzászólására (») Szept 29, 2009 /
 
Szia!

Köszönöm a választ!
A feladatom szinkron inverter fejlesztéséhez szükséges modulok tervezése.
Egyik rész a H-híd. Annak része az IGBT. Mivel ez egy fejlesztői környezet, elég gyakran előfordulhat, hogy tönkremegy, ezért kell neki védelem.
(#) kadarist válasza hagymásbab hozzászólására (») Szept 29, 2009 /
 
Az én feladatom viszont IGBT-modulok gyártás utáni tesztelése üzemi körülmények között.
Sok sikert!
(#) hagymásbab válasza kadarist hozzászólására (») Szept 30, 2009 /
 
Neked is!
(#) szerdzso hozzászólása Okt 1, 2009 /
 
Sziasztok,

Nekem egy olyan áramfigyelő kapcsolás kéne, ami 7 amper fölött lép müködésbe. Nem kritikus, hogy pont 7 legyen, csak ott körül. Régesrég emlékszem, hogy ASZ15-el volt megoldva és egy 12 voltos izzó világítani kezdett, ha túláram, vagy rövidzár keletkezett.

Köszi,
L
(#) kadarist válasza szerdzso hozzászólására (») Okt 1, 2009 /
 
Szia!

Üvegcsöves reed relével lehet a legkönnyebben áramfigyelést készíteni. Rá kell tekerni azt a vezetéket, amelyen az áramod folyik. Bizonyos áram felett (menetszámmal beállíthatod) behúz a relé és kapcsol egy lámpát.
(#) szerdzso hozzászólása Okt 1, 2009 /
 
Köszönöm az ötletet. Olyan variáció érdekelne, ami "csak" korlátozza az áramot és nem szakítja meg az áramkört.

L
(#) szerdzso hozzászólása Okt 1, 2009 /
 
ja és bocsi, hogy pongyolán fogalmaztam, így félreérthető voltam...
(#) szerdzso hozzászólása Okt 1, 2009 /
 
Szóval a konkrét probléma: Van egy szovjet állítható akkutöltő, aminek a töltését 7 ampernél kellene maximálni, egyszerű módszerrel.
Következő: »»   1 / 5
Bejelentkezés

Belépés

Hirdetés
XDT.hu
Az oldalon sütiket használunk a helyes működéshez. Bővebb információt az adatvédelmi szabályzatban olvashatsz. Megértettem