Fórum témák

» Több friss téma
Fórum » Túláramvédelem
Lapozás: OK   5 / 5
(#) proli007 válasza BLUER hozzászólására (») Júl 9, 2017 / 1
 
Hello! Egy 620ohm/1W ellenállás és egy BZX55C6V8 bőven megteszi.
(#) morgo hozzászólása Feb 29, 2024 /
 
Sziasztok!
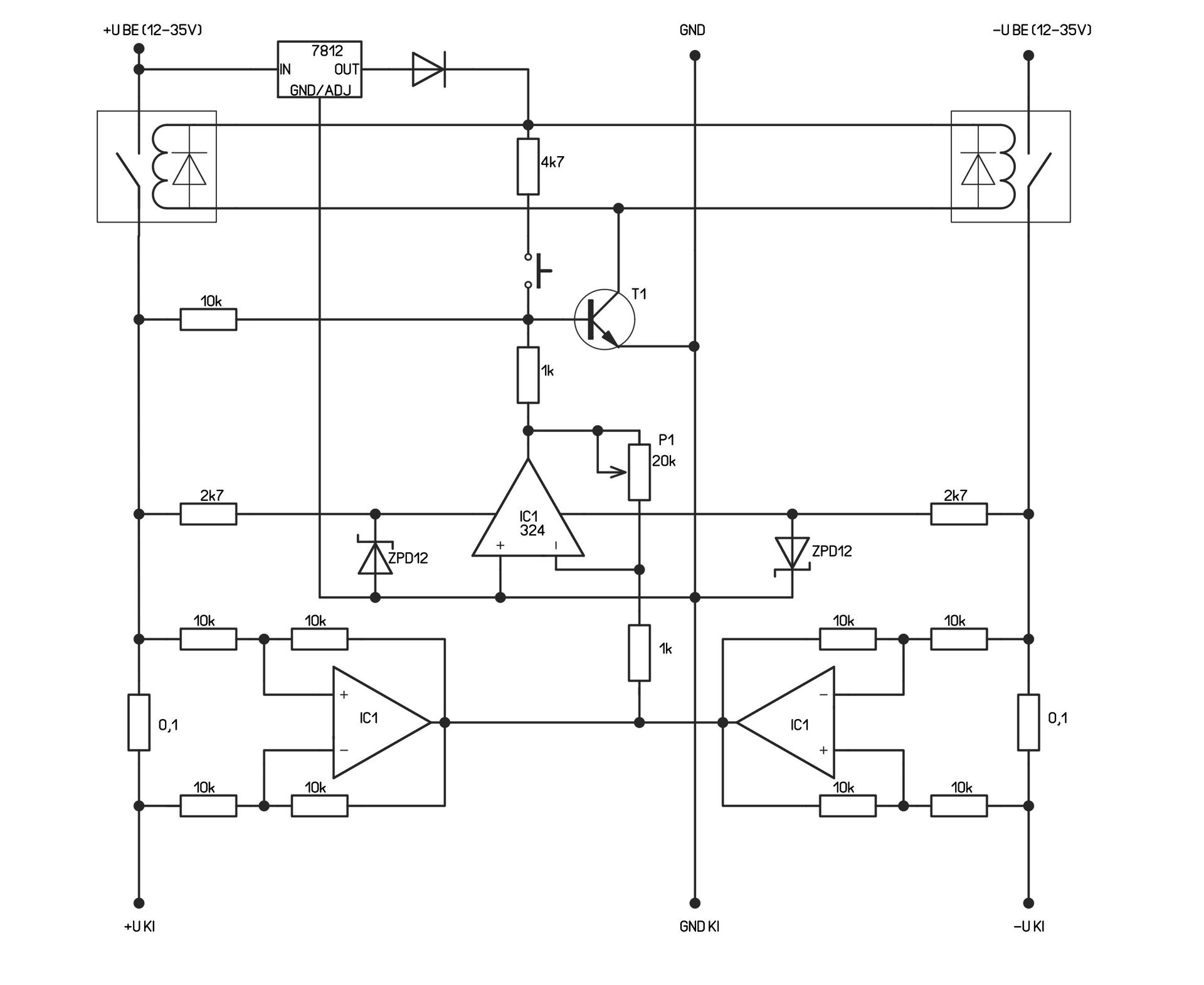
Ma reggel ezt álmodtam. Az lenne a cél, hogy fixen lekapcsoljam a reléket ha megugrik a kimeneti áram. A lekapcsolási áramot a potival lehetne beállítani, kb. 100mA és 5A között. A két relé helyett valószínűleg csak egy lesz, a 7812 helyett ellenállás - zener kombó, tehát azt nem kell figyelembe venni, hogy pl. a stab ic mellől hiányoznak a kondik. Működhet ez ebben a formában, vagy valamit nagyon benéztem? Ha valaki tud más, viszonylag egyszerű megoldást, ne tartsa magában.
(#) morgo válasza morgo hozzászólására (») Feb 29, 2024 /
 
Rossz rajzot raktam fel, javítom.
(#) proli007 válasza morgo hozzászólására (») Feb 29, 2024 /
 
Hello! Az nem korrekt, hogy a két OPA kimenetét összekötötted. És ha már ott az OPA, miért a tranyó bázisára bízod a komparálást?
(#) morgo válasza proli007 hozzászólására (») Feb 29, 2024 /
 
Szia! A tranyó csak a reléket kapcsolná. A kép opa kimeneten én is gondolkoztam, hogy el kéne választani egy-egy ellenállással. Viszont közben beugrott, hogy az opa bemenetei túl nagy feszültséget kapnának a tápjához képest, aminek valószínűleg nem örülnének. Ugyanis 38,5 - 39 V is előfordulna a bemeneten. Valami más megoldást kell kiagyalni.
(#) proli007 válasza morgo hozzászólására (») Feb 29, 2024 /
 
Attól még megoldható így a dolog, csak "gyengíteni" kell a különbségképzőnek. (pld. 47k/10k)
Az elválasztás megoldható. Ha nem összekötöd a két kimenetet, hanem egy-egy 1k-val kötöd az OPA bemenetére. (Összegző lesz belőle.)
(#) morgo válasza proli007 hozzászólására (») Márc 1, 2024 /
 
Köszi! Így gondoltad? Ha ez működőképes, nekiállok nyákot tervezni.
(#) proli007 válasza morgo hozzászólására (») Márc 1, 2024 /
 
Igen, de nem kell három 1k. Ami a csomópont és az invertáló bemenet között van, az nem kell és akkor a két 1k klasszikus összegző (invertáló) erősítőt alkot. Persze azzal hogy így lecsökken az erősítés 1/4,7-re ront a kapcsolás érzékenységén.
Következő: »»   5 / 5
Bejelentkezés

Belépés

Hirdetés
XDT.hu
Az oldalon sütiket használunk a helyes működéshez. Bővebb információt az adatvédelmi szabályzatban olvashatsz. Megértettem