Fórum témák
» Több friss téma |
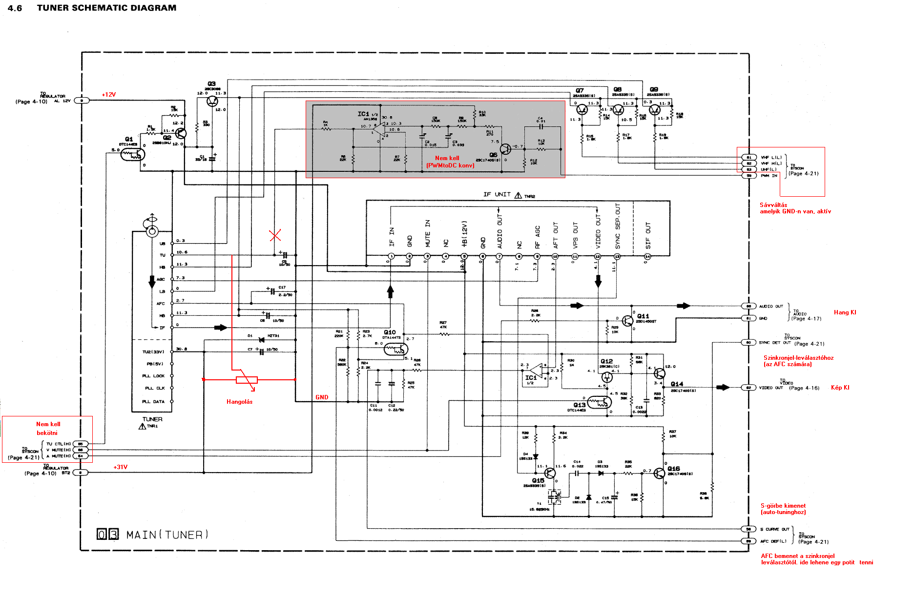
Van JVC HR-J1200A tipusú videóm(nem jó). Meg van a kapcsolási rajza(mellékelve). Rajta van a tuner rész. Csak azt nem tudom hogyan lehet hangolni. Csinálni akarok egy ulyan tunnert belőle ami három csatornát fog. Egy váltókapcsolóval lehetne csatornát váltani. Meg valósítható valahogy lehetőleg a videó alkatrészeiből?
Idézet: „Meg van a kapcsolási rajza(mellékelve).” Jó, de hol? Mert a hozzászólásodban nem!
Bocs de feltöltés közben bedöglött a modemem és lemaradt. Innen http://archive.espec.ws/files/JVC%20HR-J1200A.rar le lehet tölteni de melléklem.(biztonság kedvéért adok linket)
Nézd meg ezt és gondolkozz el rajta, hogy mennyire akarod elbonyolítani.
Vannak még kérdéseim(zöldel a kepen) de egy csatorna elég lesz.
Kösszönettel: Lac
Balról fent: igen
Bal közép: ez összefügg a bal alsó négyszögben lévő kérdéssel. Az AGC, Automatic gain control - automata erősítésszabályzás. A venni kívánt adók térereje függvényében változtatja a tuner és a KF-erősítő érzékenységét/erősítését, de ezt a feszültséget a videojelből leválsztott sorszinkronjel segítségével állítja elő (kapuzott AGC). Mivel a video nem tartalmaz soreltérítést (nincs képcső, mint a TV-kben) ahonnan normál esetben ezt az impulzust vesszük, egy külön szinkronjel-leválasztás szükséges. Erre van benne valahol (nem néztem át mindent, de a régebbiekben valami BAxxx SIL-tokos cucc volt) egy IC, de lehet hogy a proci végzi. Ha nem építed meg, (sehova nem megy ez a kimenet) akkor is működik, pláne ha csak 1 csatornát veszel. Itt jön a Bal alsó négyszögben az AGC bemenet, amire egy feszültség kell, ez nincs feltüntetve sehol, de valahol 0,5...5V között lehet, erre írtam, hogy tégy oda egy potit, amivel kézzel beállítható a megfelelő erősítés: a már nem mákos és a túlvezérelt állapot között. (A növekvő fesz általában csökkenő erősítést jelent, de ez nem kőbe vésett, lehet fordítva is, jelen esetben irreleváns.) Az S-görbe kimenetet sem kell sehova kötni, ha nincs automata keresés.
Kössz a segítséget Sebi
Mettől meddik álítható poti kell hogy tudja fogni az összes csatornát(48,25MHz-től 855,25MHz-ig tehát az összes Tv-s frekit)? Kösszönettel: Lac
Mivel 32V körül van a hangolófesz, ami a poti két végén van ez így nem értelmezhető kérdés, de tudom mire gondolsz...
100k-s potik szoktak lenni a potmétereket váltogató megoldásokban, ide is elegendő. De bármilyen értékű van ott az mindig 0-32V-ig szabályozza a hangolófeszt, ez átfogja a teljes tartományt (sávonként). Ha kisebbet raksz oda, az jobban terheli a tápot, de ha bírja, akkor lehet 10k-s is akár.
Végre volt időm hogy elekezgyem építeni, és erre felmerult az első probléma. A videó tápjával szerettem volna ellátni árammal a tunnert. A kapcsrajz egyik oldalán -28V van írva a másik oldalán -30V van írva megmérni még nem tudtam bedöglött a feszmérőm
És ha -30V akkor leht belőle +30V-ot csinálni (ic nélkül!)? (A nyákon van átalakító de az ment tonkre. Szénné éget!!! Szó szerint )Mellékelem a két kifotozott csatit. Utóirat: egy "nagyokos" szerint a videó videounit nevű paneljével lehet váltani két videójel között.?????? Szerintem jó egy váltókapcsoló de szerinte nem jó.
Szereztem egy multimétert és megmértem a feszt.
-0.25V Talán rossz a táp ? (másik multméterrel is ugyanezt mértem ). És ha rossz menthető még?.Kérm segtsetek 3Lac
Nem -30V a hangolófesz! Az a BT2-es pontról jön, +32V.
Milyen videojelek közt kell váltani, itt csak egy jön. Egyébként kapcsoló is jó. Tápja nincs túllihegve, ezeknek nem kell műterhelés, hiszen készenlétben sincs nagy fogyasztás rajtuk. Ha nem indul, akkor - 3...4 évesnél régebbi daraboknál - már egy-két elkó biztosan száraz, kapacitásszegény. Ha már ki van bontva, célszerű az összes elkót cserélni, mert a benne lévők általában silányabbak, mint amiket a boltban kapsz. Mindenképpen 105fokos, lehetőség szerint kis ESR értékű típusokat végy a hosszú élettartam eléréséhez.
Kicseréltem az összes elkot és műkszik!
Azért írtam -30V mert nem tudtam mekkora a fesz a BT2-őn. (nem tudtam megmérni )Kössz segítséget Sebi! Megj.: A kapcsoló azért kell mert a tunner videojele és egy másik bemenő videojel váltogatásához kell. ( Körülményes még egy RF modulátor legyártani ).
Sziasztok,
Van egy Pioneer FM/AM Digital Synthesizer Tuner F-401L tipusú Rádió Tunerem, amelynek a hátán (lásd csatolt kép) van egy Control In/Out Jack csatlakozó. Azt szeretném megtuni, hogy ez mire való?! (ezen keresztül kapcsolodott volna a többi ketyeréhez, erősítő vezérlés ez-az) Előre-is köszi a válaszokat,
Helló! Itt van egy szervíz doksi a tuneredhez, hátha segít
Link
Sok esetben ez csak arra szolgál, hogy a Hi-Fi torony elemeit ezen keresztül "látja" a "központi" (erősítő) egység, és ha pl. szól a rádió, de play-t nyomsz a magnónak, akkor átváltja az erősítőbemenetet tape állásba. Ezt mindegyik alegységnél így teszi, megtakarítva egy gombnyomást.
S-akkor én azt valamire tudom használni, vagy elégedjek meg a minőségi Rádió műsorral,..
Topi, köszönöm! (s Árpy nevében is)
Köszönöm a pontodat Valve, Topinak pedig a közremüködést!
Sziasztok!
Tunerek terén még kezdő vagyok és remélem valaki tud segíteni a helyes útra terelni van egy Thomson VCR-ből egy tunerem (csatolva), a panelon rajta van a lábkiosztás, elsősorban érdekelne az hogy mik ezek a rövidítések, és ha csak az RF vételt szeretném használni analóg hangolással akkor egy alternatív kapcsoláshoz kérnék segítséget A feltűntetett lábkiosztás a következő(képen balról jobbra) 1. BB 2. A.IN 3. SDA 4. MB 5. SCL 6. V.IN 7. TU 8. AGC 9. GND 10. ARS 11. SCL 12. SDA 13. BM 14. BP 15. (semmi) 16. BT 17. TP 18. IF OUT 19. (semmi) 20. (semmi) 21. A.OUT 22. SIF 23. AFT 24. V.OUT A segítő válaszokat természetesen előre köszönöm! üdv! Zsuscsinyo
Szia! Hát csak néhány kifejezést tudok biztosan. A rövidítések egy része lehet a gyár saját rövidítési kodjai is, ami nem biztos olyan, mint a többi gyáré. De elöljáróban az biztos, hogy nem igazán tudod használni a tunert, mivel szintézeres hangolású. Így egy mikrovezérlős áramkört kéne hozzá építeni, ami működteti. Próbálkozz inkább "hagyományos" tunerrel, aminek csak 12V-ket kell adni, na meg 0-30V-ig hangolófeszt. És már jön is ki belőle a KF jel. (ha nincs ilyen tunered tudok bontottat adni) Szóval a rövidítések:IF OUT=kf kimenet, SDA, SCL,ARS = ide kapja a verérlést a procitól hangolás ügyben I2C-n, AGC=autómatikus erősítés szabályzás, BB, BM, BP=valszeg a tápok A "V.out" valószínüleg video kimenet, "A.out" valszeg audió kimenet.[/b] [/b]GNG[b]= test. Üdv tibi
Ez a tuneres dolog engem érdekelne.Szóval egyes tunereknek csak tápfesz meg hangolás kell és beindulnak?Akkor forrasztanék a video outra meg a gndre egy csatlakozót és bedugnám a rossz tunerű tv kártyámba adná a képet?Megyek is a pincébe tunereket keresni!
Találtam egy tunert a jelölése bt 316 h de a lábak nincsenek feltünitetve.Valahogy igy állnak a lábai
II IIIII I I I Nem tudja valaki ennek a tunernek lábkiosztását?Hába kerestem nem találtam.Valami orion tv-ből szedtem ki vagy egy éve.
Szia! Mellékelten csatolon a régi orion tunerek bekötési rajzát. Ebbő a tunerből nem video jel, hanem 38Mhz-s kf jel jön ki. Ahhoz, hogy videó jeled legyen, még kell a tv-ből a kf panel is (másik fém doboz, a tuner mellett) A tuner bekötése: "miX" lábra állandó +12V-t kötsz. A "var2" lábra kötöd a hangolófeszt 0-30V. A sávokat meg úgy választod ki, hogy a sávhoz tartozó lábak "VHF1", "VHF2", és "UHF" valamelyikér +12V-t kötsz. Az "AGC" vezérést a kf panelról kapja a tuner. Ha az "AGC" lábra +8V-t kötsz akkor lessz a legérzékenyebb, ha +2V-t akkor a legérzéketlenebb. Tulajdonképp még ha antennát is kötsz rá, máris működik. Ha kérdésed van, ne titkold. (annó több száz ilyen tv-t javítottam) üdv tibi
Köszönöm szépen megpróbálok valami tv vevőt készíteni.
Szia! Ezekkel az ORION modulokkal egyszerű lessz. Ha írsz egy e-mail címet (személyes üziben) akkor küldöm a teljes rajzot, meg a modulok összekötési rajzát. Üdv tibi
Azok a tűk az alkatrész oldalon mire jók?Feléjük Írva :mp,ap,masse .Ez szerintem nem olyan régi mert tele a fólia oldal smd-vel.De hát nem tudom.Lehet régen is használtak smd ket.
Jól látod, Bocs, hogy belebeszélek, de szerintem sem egyről beszéltek, Elektromoska a régi magyar TV-t említi, (FET-1-es tunerrel) de Neked egy jóval későbbi gyátmányod van.
Nekem is furcsa volt de szerintem elekrtomoska ismeri ezt a tunert is.
Sziasztok,
a hétvégén építettem egy vevőt, UV816-os tuner segítségével. Működik is nagyon szépen, AM/FM módban is. Viszont én úgy terveztem, hogy repülőket hallgatok majd vele. Ami részben sikerült is. Rengeteg adást sikerül vennem, nagyon szépen tisztán, érthetően. Viszont iszonyatosan nagy a sávszélesség. Egyszerre akár 3-4 adást is vesz a tuner. Ezen nem lehetne valahogy segíteni? Vagy kis sávszélességű 38,9 MHz-es KF szűrőt nem lehet kapni valahol? |
Bejelentkezés
Hirdetés |






Szó szerint
)

? (másik multméterrel is ugyanezt mértem



