Fórum témák
» Több friss téma |
Fórum » TV hiba, mi a megoldás?
Köszi a gyors választ oké. mi a teendőm mit keressek vagy hogy javítható?! Kicsit kínai nekem
Helló hozzáértők!
Van egy Digi TV antenna+LNB /-beltéri nincs-/és egy Strong SRT5250 készűlékem.Teljesen járatlan vagyok ez ügyben, ezért kérdezem hogy az általatok /remélem/ megadott antennabeállítással tudok-e fogni valamilyen kódolatlan műholdas adást, és ha igen, hová csatlakoztassam a kábeleket? Továbbá tudni szeretném hogy másik alternatívaként a Digi anennát a tokaji adóra irányítva /-Miskolc környékén lakok-/ foghatok-e adást? Másik kérdésem, hogy egy most elkészített, de még fel nem szerelt szélessávú pillangóantennát a padlásra felrakva (palatetős ház) tudok e a Strongon keresztűl műsorokat fogni, vagy ki kell raknom a tetőre, ami számomra eléggé körűlményes lenne mivel a ház magas, és akkora létrám nincs. Harmadik kérdés: Grundig CUC 7303 TV. A kép elment, a panelon átforrasztgattam a forrpontokat, kép és hang van, csak éppen minden zöld színben pompázik. Vajon mi lehet az oka? Negyedik kérdés: Kisképernyős Orion TV. Bekapcsolás után a készenléti LED világít, de ha a csatornaváltót megnyomom, -távirányítóm nincs, vagy legalább is nem találom,- akkor néhányszor ki-bekapcsol, közben kattog, végül teljesen kikapcsol. A forrasztásokat már átnéztem, látszólag minden OK. fogalmam sincs hogy mit és hol nézzek még meg. Régi jószág már ez, annak idején amikor még rendszeresen használtam, egyszer már produkálta ezt a jelenséget, akkor a hálózati bekapcsológombot kiiktattam és egy darabig működött is, aztán kezdte elölről. Na itt mi lehet a prücök? A válaszokat előre is köszönöm. Üdv:mazsola
Szia!
A Strong SRT5250 nem működik Magyarországon, mert nem képes az MPEG4-es dekódolásra. Műholdas vételre sem alkalmas, tehát ez is felejtős.
Max a szlovák adókat tudod vele nézni,ha eléggé északon laksz.Nekik jó az mpeg2.
István
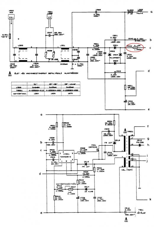
Sziasztok!
A héten a tv tápom felmondta a szolgálatot, de hamar sikerült orvosolni a problémát. A képen látható bekarikázott ellenállás szakadt meg, azt kicserélve ismét működött a a tv. Viszont azóta többször történt olyan, hogy nem kapcsolt be. Arra a 100k-os ellenállásra gyanakodtam, de az jó volt, végigellenőriztem minden ellenállást, félvezetőt (kivétel FET, IC). Összeraktam, és ismét működik. Másnap reggel a probléma megint ugyanaz, nem kapcsol be, szétszedem, nem találok semmit, összerakva megint jó, és ezt csinálja már egy jó ideje. Hol keressem a hibát? Vagy egyáltalán miért csinálja ezt?
De nem a digi antennával!
Üdv!
LG pe-48a82t crt projektoros TV bekapcsolom megjelenik a kép de az OSD függölegesen fut. Majd ezt követően kikapcsol. A video kép maga hibátlan. Mi a teendő? MP 015A a tipusa a Main board nak!
Üdv!
Tudnátok-e segiteni,fogalmam sincs mi lehet a baja a hyundai tv-mnek??? Köszönöm a gyors válasz előre is.....
Szia,
valószínüleg PTC-t kell cserélni .PTC
Köszi a gyors választ ,ez tuti vagy tippeled???
Köszönöm a segitségeteket....
Sziasztok!
Van egy Vestel 2051 TX E tipusú tévém. Szépen ment és kikapcsoltuk este és azóta nem indul el,készenlét az van próbál indulni de tilt is szinte rögtön, a táp úgy csinál mint mikor a sormeghajtó tranzisztor zárlatos de azt méréskor jónak találtam és nem találtam más zárlatos alkatrészt se. Az volna a kérdésem merre induljak és hol keressem a hibát? Köszönöm a segítségeteket előre is!
Kérlek benneteket hogy segítsetek a fenti kérdésemben.
Köszönök minden segítséget!
Első körben indulj egy szervíz felé.
Ha nem zárlatos a sor, akkor táp a bajos. De ennek egy alap ismerettel is mennie kéne.
üdv segitségre lenne szükségem van egy grundig T 55-830 multimegasis tipusú 55 cm tv-nk melyen valamilyen gomb megnyomásával vagy menü ??
át lett állitva hotel módba és sehogyan sem tudjuk visszaálliani a fökapcsoló és i gomb nyomását már ki probáltuk de sajnos nem engedi minden funkció üzemel rajta de a menüjét és az av átváltást nem engedi hogy tudom visszaállitani hogy a menüjét elöcsaljam elöre is köszönöm aki segit nagyon fontos köszönöm
Szia!
Ha ez a CUC7303-as sasszi, akkor a szervízmenübe való belépéshez nyomva kell tartani at "i" gombot, mialatt a hálózati kapcsolóval bekapcsolod a készüléket. Ezzel belépsz a szervízmenübe. Rajz: Bővebben: Link
A rajz nem az övé, amit a kolega linkelt. A sasszi ennek a tipusnak CUC2003.
A hotel kikapcsolása: TV kikapcs hálózatival, i gomb nyomvatartásával egyidőben TV bekapcs a hálózatival, ekkor belép a szervíz menübe ahol hotel mode OFF. Menüből kilép és kész.
köszönöm a válaszotokat de mint irtam elsö kérésemben ezt a lehetöséget már többször kiprobáltam és semmi reakciót nem csinál esetleg más ötlet ??? köszönöm
Akkor a hagyományos grundigos belépő kóddal kell belemenni és úgy kikapcsolni.
Szia!
Egy kicsit konyítok hozzá csak nem túl sokat! a Tápban mire gondolsz? Az elkókat nézzem meg? Zárlatos alkatrészeket nem találtam a tápjában se.
üdv köszönöm szépen de sajnos azt a kodót nem ismerem
(
Ebben az esetben keress egy közelben lévő szervízt, ott ismerik a kódot!
Sziasztok!
Van egy kis 37 cm-es színes Videoton tv-m, ma összeugrott a képe és égett szag jött belőle. Mire utalhatnak a tünetek? Köszönöm.
Valami elromlott benne...
Egy típusszám jó lenne a beazonosításhoz.Ha szaga volt,annak nyoma is kell,hogy legyen,vedd le a hátulját,porold ki,és vedd szemügyre a panelt fölülről és alulról is.Ha szerencséd van meglátod az égett alkatrészt vagy forrszemet. Látatlanban kb ennyit lehet mondani.Ja ,és csak óvatosan! István
A Válaszom van összefüggés!A légköri túlfeszültség az egyik diódát,vagy kondenzátort kinyírta a nagyfesz sokszorozóban,ezért a belső ellenállása lecsökkent,aminek egyenes következménye,hogy beterhelt a tápegységnek.Az szerencsére bizonyos határon belül bolond biztos,azaz van egy max.I áram kimenetenként amit figyel és letiltott.Ez volt a szerencséd,mert más nem ment tönkre.De ha leveszed a tápot a sorvégfokról nem szabad sokáig terhelés nélkül járatni a tápot mert elszaladhat és van még egy hibád,de szerencsére a nagyfesz sokszorozó csere után meggyógyult a beteg. Ügyes vagy! Nekem 4 év középiskola kellett az alapok elsajátításához.
Arra utal.hogy a TV nek szerencsétlen volt a csillagok állása és vagy a függőleges eltérítő egységben vagy a vízszintesben???Nem írtad milyen irányban ugrott össze a kép? Ja és jó segítség lenne,ha pontos típust írnál.
Egyébként a "büdös"szag arra utal,hogy a zárlatos alkatrész környékén a megnövekedett üzemi áram miatt ég egy ellenállás...De annak a cseréje nem feltétlen oldja meg a hiba elhárítását,lesz ott mit gyomlálni... Ird meg a típust és táv segítek.Üdv Gábor RTV műszerész.
Mér, nem mindegy, hogy előről hátra vagy hátulról előre olvas?
Úgy gondolom, ha a konkrét esetre valószínűleg már nem is aktuális a hozzászólás, de egy alaposan kivesézett sikeres tapasztalatot osztott meg velünk, ami hasonló szituációban még sokak számára hasznos lehet.
Sziasztok.
Lenne egy olyan problémám,hogy van egy 72" GOLDSSTAR TV aminek gyönyörű képe van de hangja nincs, se a hangszórókon se a fejhallgató kimenetén mi lehet a probléma? TA8200 típusú végfok ic van benne lehet,hogy az szált el,vagy manapság létezik még az a probléma,hogy nyugati vagy keleti normás, igaz kábelen jön az adás így szerintem ez nem jelenthet gondot. Válaszokat köszönöm. |
Bejelentkezés
Hirdetés |







át lett állitva hotel módba és sehogyan sem tudjuk visszaálliani a fökapcsoló és i gomb nyomását már ki probáltuk de sajnos nem engedi minden funkció üzemel rajta de a menüjét és az av átváltást nem engedi hogy tudom visszaállitani hogy a menüjét elöcsaljam elöre is köszönöm aki segit nagyon fontos köszönöm
(
