Fórum témák
» Több friss téma |
ez igy elég tág fogalom..ac vagydc?gondolom ac...ezt egyenirányítani kell meg pufferelni...
neem ez ilyen direkt "kókányolásra" való szal egyen és lehet állítani egy pöcökkel hogy 9, 7,5, 12V stb....
csak hogy ugye nem olyan a kapcsolás mint mikor a tápból 3 kimenet van?mert nekem csak a + és- van
tehát akkor ez egy állítható áramerősségű adapter?
jaa dehogy csak tod még kezdő vok és építgetek mindenfélét minél olcsóbban, szal tápra se akarok költeni.
és ha már elég gyakorlatom van benne nekilátok egy olyan végfoknak amit használni is fogok ahoz már nem az lesz
#59575) isamisa válasza qssty hozzászólására
Idézet: „35VDC hez tartozik 22Watt 4 Ohmon. 8 ohmon a fele. Kissebb feszel kisseb a teljesítménye. Ez a hasznos teljesítménye. Szerinted miért kell hűteni? Mert van neki hatásfoka. Amivel elfüt kb ugyan annyit úgy látszik neked is el kell magyarázni hogy a TDA 2030A-nak max 44V tápfeszt adhat az ember. Ez simpla tápra vonatkozik. Szimetrikus tápon a fele. Vagyis +-22V a max. De az a kapcsi amit akar csinálni szimpla táphoz van.” Olvasni olvasni olvasni.Keresni! Elsőnek az adatlapot nézd mielőtt kérdezel sokkal hasznosabb.Ha ott nem értessz vmit akkor kérdezz.szivesen segít mindenki... ennek a szakmának nem az a lényege hogy minél olcsóbban gyere ki belőle hanem az hogy minél nagyobb legyen a sikerélmény...egy olcsobb alkatrész sokszor tud fejfájást okozni
jójó de ezt például van egy elképzelésem hogy mihez használhatnám de azt nem sűrön fogom.Szal ha majd olyat építek amit télleg fogok használni akár napmint nap azon már nemfogok spórolni
nyugodttan próbáld ki egy adapterről.
Én is arról próbáltam ki elsőnek. Szólt róla! Idézet: „Szal ha majd olyat építek amit télleg fogok használni akár napmint nap azon már nemfogok spórolni” én szerintem ez se rossz kis végfok..pl.számítógép mellé nagyon megfelel...bár te tudod mire akarod csinálni...próbáld ki adapterröl is csak szerintem hamarabb el kezd mejd torzitani mint egy normális táprol
Hát a számítógéphez egy 200Wattos Pioneer erősítő és a hozzávaló hangfalak szolgálják az audio élményt szal azt nemigen akarom mostanság sajátkészítésű hifire lecserélni.....
De van egy Cd-s magnóm aminek szürnyű rossz hangja van ha esetleg használni akarom max arra jó lesz...
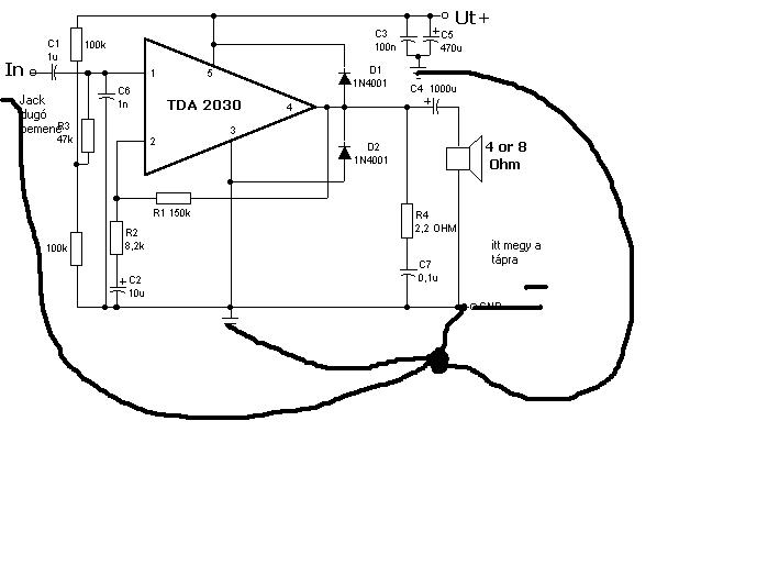
Nah megépítettem azt a 14W TDA2030-as erősítőt.
Viszont ha áramot adok neki zúg a hangszóró és ha elinditok valami zenét csak recseg. Nem tudjátok hogy mi lehet a baj vagy hol keressem?
még segitségül annyit hogy 12V ról megy, próbáltam 8 és 4 ohmon is.
Kipróbáltam gépen cd-s magnón de mindig züg(mégha nincs bedugva akkor is)
szerintem földhurok lessz..
csillagponti elágazást megcsináltad?
nemtom arra gondolsz-e de olyat csináltam hogy a panelböl kijövő összes minuszt egy helyre összeforrasztottam majd onan a tápba
Nekem is zúgott nagyon sokáig és úgy értem el hogy ne zúgjon hogy hűtőbordára tettem az IC-t áramvezető szilikonnal. Nem értem én se miért lett jó de működik most is .
Nah majd mingyárt kipróbálom
(amúgy már hűtő nélkül is próbáltam meg minden...Az előzőhöz meg melékelek egy képet hogy hogyan kötöttem össze:
Fura kicsit megmozgattam az IC-t és most mikor bekapcsolom pukan eggyet aztán se zugás se hang...
Első dolog az lett volna hogy átnézd forrasztásokat meg a kapcsolási rajz szerint sorbamenni hogy nem kötöttél e be rosszul valamit. Vagy valamelyik kondit fordítva.
Szerintem már el is szált a TDA-d Ha zug akkor gyorsan ki az áramot és ellenőrzés. És csak nyugi. Olvass vissza. Másnak is volt ilyen problémája...
És azt honnan tom megállapítani hogy nem mükszik az IC?(kivülröl nézve semmi baja)
ha füstölt akkor ez már elég indok...
de ezt hogy érted hogy borda nélkül is próbáltad?mennyi ideig"próbáltad" borda nélkül?
csak pár másodpercig hogy szól-e v vmi de közbe az ujjam mindig rajta volt hogy ha esetleg meleg lenne egyböl kikapcs
hi!
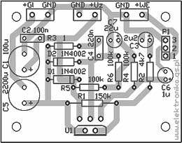
ezt a kapcsolási rajzot ebből a topicból szedtem de az a baj h nem értem a kivezetéseket (vagy bevezetések)! +G1 = bemenet? +Uz = áram bemenet +We = kimenet így??? valaki segítsen!! PLS
és még1 a jobb oldalon a potméter az mekkora??
Légyszi segítsetek!
Megépítettem újra a tda2030 14wattos hobbielektronikás végfokot.MOst csináltam hozzá egy NYÁKot meg minden tök sok pénzt ráköltöttem és sztem egész jó lett de még mostis zúg!!! Mellékelem a végfok és a Nyákrajzot hátha vmit tudtok rajta javítani! Amúgy sztem valahol rövidre zár vagy lehet hogy valahova naggyobb ellenállás kéne mert a tápon amire rákötöm van egy LED.Ha rövidre zárom a tápot akkor a LED elhalványul és mikor bekapcsolom ugyanezt csinálja.... Válaszotokat előre is köszz |
Bejelentkezés
Hirdetés |




(amúgy már hűtő nélkül is próbáltam meg minden...
)








