Fórum témák
» Több friss téma |
a tda2030 max +- 18V ot bir el
EGy jó tipp: Bővebben: Link
Itt fent van milliónyi alkatrész adatlapja. Ha beleolvasol logikusan kiderül a maximálisan megengedhető feszültség. Most belinkelem az adatlapot is: TDA2030V A maximális feszültség +-18VDC, azaz +36VDC. Sokat lehet tanulni az adatlap nézegetésből.
Neked is ajánlom az adatlapot! Ott van jópár kapcsolás. Szimmetrikus, aszimmetrikus tápellátással.
Első ízben kéne tisztázni, hogy van-e trafód hozzá? Ha szimmetrikus kivezetésű (általában 3 kivezetés a szekunder oldalon) akkor egy szimmetrikus kapcsolás kell neked (csatolva). Ha csak két kivezetésed van, akkor egy aszimmetrikus kapcsolás kell (szintén csatolva).
Köszi. Az adatlapot nézeggetm énis. De nemvolt tiszta a maximális tápfesz. Mostmár okés.
Akkor az utóbbira lesz szükségem,kösz a segítséget!
Elhatároztam, hogy megpróbálom az NE078-as erősítőmet amit igazából egy tda 2030 hajt egy tda 2050-el és a feszt pedig +/- 24V-ra emelem. Körülbelül így hány wattos lenne az erősítőm?
Sziasztok!
El vagyok átkozva. Építettem egy TDA7000-es ic-vel egy rádióvevőt. Működik is ezzel nincs semmi baj. Mivel hangszórót is meg akarok hajtani így gondoltam építek hozzá erősítőt. Csináltam is egyet TDA2003-as ic-vel. Hangszóró és bemenet nélkül kb. 30mA-t vett fel. Rákötöttem egy 8ohm, 20 wattos hangszórót és a rádiót. Az áramfelvétele 44mA-re ugrott és a hangszóró csak halkan szól. Gondoltam rossz a TDA2003 így építettem egy másik erősítőt TDA2030-as ic-vel. Üresjáratban kb. 20mA-t vett fel. Rákötöttem a hangszórót + a rádiót. Az áramfelvétele 35mA és a hangszóróból semmit nem lehet hallani. A bemenetet rákötöttem közvetlen a discman line in kimenetére így 160mA-re ugrott fel az áramfelvétel viszont torzított de piszkosul. Egy 2,2k potit beiktatok a discman az erősítő közé, addíg állítom a potmétert amég el nem kezd torzítani akkor kb. 66mA-t vesz fel. A TDA2003 is ugyan ezt csinálja. Lehet hogy azért mert mind a kettőt egy 9,6V-os aksiról hajtom? Ha bárkinek is van ötlete, kérem ossza meg velem. Előre is köszönöm.
De én ebbe a kapcsolásba szeretném tenni (melléklet)
Üdv!
Az nagyon is lehet, hogy a 9.6VDC nem elég. Adatlapon 12VDC van feltüntetve minimális feszültségnek, nem sok watt mellett. Próbáld magasabb feszültségről! Gyurix: Ebbe a kapcsolásba nem tudom, hogy be lehet-e rakni a TDA-t. Csatoltam a két IC szimpla meghajtású változatát. Már ott is vannak eltérések, gyakorlatilag egyik alaktrész sem megegyező értékű. Ez logikus is, mert pl, az erősítés mértékét is be kell állítani: az egyiknél 14W, a másiknál meg 32W. A másik gond a feszültség emelésénél jelentkezhet, mert a kondenzátorok lehet hogy nem fogják elviselni a magasabb feszültséget. Mondjuk kicseréléssel megoldható e probléma. Talán a TDA2050 adatlapjában találsz egy hasonló kapcsolást mint amid van és elég lesz, csak kicserélgetned az alkatrészeket.
A hangszóró 8Ω ,ez is volt benne,először csak belerecsegett kb3/4 hangerőnél,kissebb hangerőnél nem volt semmi baj.Később már kezdett elhalkulni,ki be kapcsolásnál erőssen reccsen egyet,de a mostanitól jóval hosszabb ideig bÍrta.Az ic tda2030A.Nem lett túlhajtva.
Üdv!
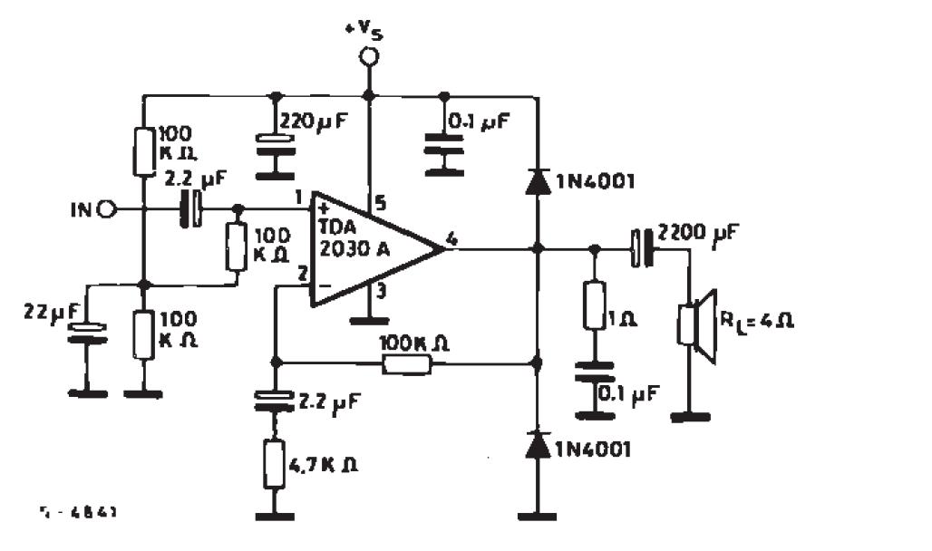
Szerintem elírtad: nem TDA230, hanem TDA2030 Megint csak az adatlapot tudom ajánlani. Csatoltam. A 6. oldalon a FIGURE12 egy nagyobb teljesítményű végfok, ez 35 Wattos 39VDC mellett. A 8. oldalon pedig a FIGURE 16 egy hídba kötött végfok. Ez +-16VDC-vel műxik. Ezzel 34W érhető el. Van még mondjuk a TDA2050, ami 32W-os elméletileg. Mondjuk ha már 2x40W kell, akkor lehetne egy komolyabbat is építeni pl. VF3, ami nem is bonyolult, de nem is TDA. Bár az is max 30W-os, bár átalakításokkal lehet hogy elérné a 40Wot is.
32V-os HP tápról 1,4A az áramfelvétel. Ennek szerintem lőttek.
Én ezt szoktam használni. Ezen az oldalon is nagyon sok adatlap fent van.
Akkor nagy valószínűséggel a TDA halt meg. Hasonló tüneteket produkált nekem egy TBA810es is. A 2. IC csere után jöttem rá, hogy a dugasztáp 12Vos nyugalmi feszültsége 18,5V, ami sok volt... Próbáld meg kicserélni az IC-ket, ha úgy menni fog, akkor már csak arra kéne rájönni, hogy mi döglesztette meg az IC-ket
Nem valószínű, hogy nőni fog a teljesítménye, mert a külső alkatrészek határozzák meg az erősítés mértékét ergó a kimenő teljesítmény. A másik ok: lehet, hogy magasabb feszről kell járatni. A két IC-nek eltér a kapcsolási rajza. De erről már írtam előbb! (csatoltam is a két IC rajzát!)
Nekem van egy 2050-en bekötve ,de nem birt +/- 20 voltnál többet melegedés nélkül. Lehet hamisitvány az Ic-m
de nekem melegedett
Hali.
Megcsináltam ezt a TDA2030-as erősítőt,de a szemétje nem akar működni,alkatrészeket ellenőríztem,kondik jól vannak bekötve. Mi lehet a baj?
Nyákterv.
//Akkor gondolom ez is ismerős//
Igen,tudom hogy ez fordított nézet,és alulról van.
Kondikról a 100 és a 220nanós az fólia,a többi elkó,50v-osdak.
Mérj nyugalmi áramot! Bekötsz egy ampermérőt sorosan a + tápágba és leolvasod az értéket. Ennek 100mA alatt kell lennie. Előtte a bemenetet kösd rá a földelésre! Csak rövid ideig kapcsold be, nehogy baja legyen! Ajánlatos a trafóval sorosan bekötni egy 40-60W-os izzót, ez megvédi bármilyen túlterheléstől a végfokot.
Ha nincs nyugalmi áram, akkor nem kap áramot. Logikus nem? Miről járatod? Ha rendes tápról, akkor mérd le, hogy ad-e le feszültséget. Ha igen, akkor fogd a nyáklapot és minden vezetősávot mérj le szakadásjelzővel. Pontosabban ha nem sípol akkor van szakadás. Egyszerű: minden vezetősáv elejére rákapcsolod az egyik pólust, a másik végére meg a másikat. Valószínű, hogy valamelyik sáv megszakadt. Forrasztással kijavítható. Nekem bezzeg sose a tápfesz sávja szakad meg, hanem valami más és füstbe megy a terv, ha nincs az izzó békötve a trafó elé...
A táp az egy 16v DC 1200mAH-es trafó.
Szerintem elégnek kell lennie.
Megmérted, hogy van-e fesz a tápon? Mérd meg!
Ha nincs nyugalmi áram, akkor az azt jelenti, hogy a vagy a tápfeszágban, vagy a GND ágban van a probléma. Lehet pl. hogy az IC-d lába eltört valahol és nem látod. Haveromnak volt olyan, hogy a tokozáson belül volt eltörve a láb
Sziasztok!
Vettem egy NE078N típusú végfok kitet, de sajnos a NE078 dokumentációját adták hozzá, amiben egy csomó alkatrész máshol van, szóval nem passzol a dolog. Tudna valaki esetleg egy szkennelt NE078N beültetési rajzot, vagy alkatrész listát küldeni, amin az alkatrészek is fel vannak tüntetve? Nagyon-nagyon fontos lenne, kérem aki tud, segítsen!!! Köszönöm előre is! flathead
Szia beszkennelni nem tudom de az alkatrészeket, hogy hová kell beültetni azt le tudom írni.Leírom és elküldöm mellékletben.
Szia!!
Óóó, azt nagyon-nagyon szépen megköszönném! Elakadtam emiatt a *** régi doksi miatt. Amúgy melyik cégtől vetted a te N-es változatodat? Moderálva. -- kobold
Én a Hestorban vettem NE078-nak volt kiírva de NE078N-et adtak és amit adtak hozzá doksit az alapján raktam össze és jól működik vele.
|
Bejelentkezés
Hirdetés |






A bemenetet rákötöttem közvetlen a discman line in kimenetére így 160mA-re ugrott fel az áramfelvétel viszont torzított de piszkosul. Egy 2,2k potit beiktatok a discman az erősítő közé, addíg állítom a potmétert amég el nem kezd torzítani akkor kb. 66mA-t vesz fel. A 









