Fórum témák

» Több friss téma
Fórum » Végfokozat TDA2030-40-50-el
 
Témaindító: sasorr, idő: Jan 16, 2006
Témakörök:
Lapozás: OK   90 / 274
(#) istvanpal16 válasza Robi85 hozzászólására (») Jan 18, 2009 /
 
a tda2030 max +- 18V ot bir el
(#) punkkazy válasza Robi85 hozzászólására (») Jan 18, 2009 /
 
EGy jó tipp: Bővebben: Link
Itt fent van milliónyi alkatrész adatlapja. Ha beleolvasol logikusan kiderül a maximálisan megengedhető feszültség. Most belinkelem az adatlapot is: TDA2030V
A maximális feszültség +-18VDC, azaz +36VDC. Sokat lehet tanulni az adatlap nézegetésből.
(#) punkkazy válasza bitorlo hozzászólására (») Jan 18, 2009 /
 
Neked is ajánlom az adatlapot! Ott van jópár kapcsolás. Szimmetrikus, aszimmetrikus tápellátással.
Első ízben kéne tisztázni, hogy van-e trafód hozzá? Ha szimmetrikus kivezetésű (általában 3 kivezetés a szekunder oldalon) akkor egy szimmetrikus kapcsolás kell neked (csatolva).
Ha csak két kivezetésed van, akkor egy aszimmetrikus kapcsolás kell (szintén csatolva).
(#) Robi85 válasza punkkazy hozzászólására (») Jan 18, 2009 /
 
Köszi. Az adatlapot nézeggetm énis. De nemvolt tiszta a maximális tápfesz. Mostmár okés.
(#) bitorlo válasza punkkazy hozzászólására (») Jan 18, 2009 /
 
Akkor az utóbbira lesz szükségem,kösz a segítséget!
(#) Gyurix hozzászólása Jan 19, 2009 /
 
Elhatároztam, hogy megpróbálom az NE078-as erősítőmet amit igazából egy tda 2030 hajt egy tda 2050-el és a feszt pedig +/- 24V-ra emelem. Körülbelül így hány wattos lenne az erősítőm?
(#) AMD hozzászólása Jan 19, 2009 /
 
Sziasztok!
El vagyok átkozva. Építettem egy TDA7000-es ic-vel egy rádióvevőt. Működik is ezzel nincs semmi baj. Mivel hangszórót is meg akarok hajtani így gondoltam építek hozzá erősítőt. Csináltam is egyet TDA2003-as ic-vel. Hangszóró és bemenet nélkül kb. 30mA-t vett fel. Rákötöttem egy 8ohm, 20 wattos hangszórót és a rádiót. Az áramfelvétele 44mA-re ugrott és a hangszóró csak halkan szól. Gondoltam rossz a TDA2003 így építettem egy másik erősítőt TDA2030-as ic-vel. Üresjáratban kb. 20mA-t vett fel. Rákötöttem a hangszórót + a rádiót. Az áramfelvétele 35mA és a hangszóróból semmit nem lehet hallani. A bemenetet rákötöttem közvetlen a discman line in kimenetére így 160mA-re ugrott fel az áramfelvétel viszont torzított de piszkosul. Egy 2,2k potit beiktatok a discman az erősítő közé, addíg állítom a potmétert amég el nem kezd torzítani akkor kb. 66mA-t vesz fel. A TDA2003 is ugyan ezt csinálja. Lehet hogy azért mert mind a kettőt egy 9,6V-os aksiról hajtom?
Ha bárkinek is van ötlete, kérem ossza meg velem.
Előre is köszönöm.
(#) Gyurix válasza (Felhasználó 13571) hozzászólására (») Jan 19, 2009 /
 
De én ebbe a kapcsolásba szeretném tenni (melléklet)

kapcsolas.gif
    
(#) punkkazy válasza AMD hozzászólására (») Jan 19, 2009 /
 
Üdv!
Az nagyon is lehet, hogy a 9.6VDC nem elég. Adatlapon 12VDC van feltüntetve minimális feszültségnek, nem sok watt mellett. Próbáld magasabb feszültségről!

Gyurix:
Ebbe a kapcsolásba nem tudom, hogy be lehet-e rakni a TDA-t. Csatoltam a két IC szimpla meghajtású változatát. Már ott is vannak eltérések, gyakorlatilag egyik alaktrész sem megegyező értékű. Ez logikus is, mert pl, az erősítés mértékét is be kell állítani: az egyiknél 14W, a másiknál meg 32W.
A másik gond a feszültség emelésénél jelentkezhet, mert a kondenzátorok lehet hogy nem fogják elviselni a magasabb feszültséget. Mondjuk kicseréléssel megoldható e probléma. Talán a TDA2050 adatlapjában találsz egy hasonló kapcsolást mint amid van és elég lesz, csak kicserélgetned az alkatrészeket.
(#) floo72 válasza pixels hozzászólására (») Jan 19, 2009 /
 
A hangszóró 8Ω ,ez is volt benne,először csak belerecsegett kb3/4 hangerőnél,kissebb hangerőnél nem volt semmi baj.Később már kezdett elhalkulni,ki be kapcsolásnál erőssen reccsen egyet,de a mostanitól jóval hosszabb ideig bÍrta.Az ic tda2030A.Nem lett túlhajtva.
(#) Gyurix hozzászólása Jan 19, 2009 /
 
Sziasztok tudnátok nekem TDA230-as 2x40W-os erősítőt?
(#) punkkazy válasza Gyurix hozzászólására (») Jan 20, 2009 /
 
Üdv!
Szerintem elírtad: nem TDA230, hanem TDA2030
Megint csak az adatlapot tudom ajánlani. Csatoltam. A 6. oldalon a FIGURE12 egy nagyobb teljesítményű végfok, ez 35 Wattos 39VDC mellett.
A 8. oldalon pedig a FIGURE 16 egy hídba kötött végfok. Ez +-16VDC-vel műxik. Ezzel 34W érhető el.
Van még mondjuk a TDA2050, ami 32W-os elméletileg. Mondjuk ha már 2x40W kell, akkor lehetne egy komolyabbat is építeni pl. VF3, ami nem is bonyolult, de nem is TDA. Bár az is max 30W-os, bár átalakításokkal lehet hogy elérné a 40Wot is.

tda2030.pdf
    
(#) AMD válasza punkkazy hozzászólására (») Jan 20, 2009 /
 
32V-os HP tápról 1,4A az áramfelvétel. Ennek szerintem lőttek.
(#) Gyimate válasza tar.sandor9 hozzászólására (») Jan 20, 2009 /
 
Én ezt szoktam használni. Ezen az oldalon is nagyon sok adatlap fent van.
(#) pixels válasza floo72 hozzászólására (») Jan 21, 2009 /
 
Akkor nagy valószínűséggel a TDA halt meg. Hasonló tüneteket produkált nekem egy TBA810es is. A 2. IC csere után jöttem rá, hogy a dugasztáp 12Vos nyugalmi feszültsége 18,5V, ami sok volt... Próbáld meg kicserélni az IC-ket, ha úgy menni fog, akkor már csak arra kéne rájönni, hogy mi döglesztette meg az IC-ket
(#) Gyurix hozzászólása Jan 21, 2009 /
 
Ez a kapcsolás amit betallóztam TDA 2030-al 60w-ot tud mennyit tudna TDA 2050-el és mekkora feszen? Ennek az IC-nek több mint a duplája a teljesítménye mint a TDA2030-nak. TDA2030 14W. TDA2050 32W. Akkor az erősítő is több mint a duplája teljesítményt adja le?
(#) punkkazy válasza Gyurix hozzászólására (») Jan 21, 2009 /
 
Nem valószínű, hogy nőni fog a teljesítménye, mert a külső alkatrészek határozzák meg az erősítés mértékét ergó a kimenő teljesítmény. A másik ok: lehet, hogy magasabb feszről kell járatni. A két IC-nek eltér a kapcsolási rajza. De erről már írtam előbb! (csatoltam is a két IC rajzát!)
(#) Szegedi Sándor válasza Gyurix hozzászólására (») Jan 21, 2009 /
 
Nekem van egy 2050-en bekötve ,de nem birt +/- 20 voltnál többet melegedés nélkül. Lehet hamisitvány az Ic-m
de nekem melegedett
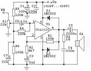
(#) bitorlo hozzászólása Jan 21, 2009 /
 
Hali.

Megcsináltam ezt a TDA2030-as erősítőt,de a szemétje nem akar működni,alkatrészeket ellenőríztem,kondik jól vannak bekötve.
Mi lehet a baj?

TDA_2030.jpg
    
(#) bitorlo válasza (Felhasználó 13571) hozzászólására (») Jan 21, 2009 /
 
Nyákterv.
//Akkor gondolom ez is ismerős//
(#) bitorlo válasza (Felhasználó 13571) hozzászólására (») Jan 21, 2009 /
 
Igen,tudom hogy ez fordított nézet,és alulról van.

Kondikról
a 100 és a 220nanós az fólia,a többi elkó,50v-osdak.
(#) punkkazy válasza bitorlo hozzászólására (») Jan 21, 2009 /
 
Mérj nyugalmi áramot! Bekötsz egy ampermérőt sorosan a + tápágba és leolvasod az értéket. Ennek 100mA alatt kell lennie. Előtte a bemenetet kösd rá a földelésre! Csak rövid ideig kapcsold be, nehogy baja legyen! Ajánlatos a trafóval sorosan bekötni egy 40-60W-os izzót, ez megvédi bármilyen túlterheléstől a végfokot.
(#) bitorlo válasza punkkazy hozzászólására (») Jan 21, 2009 /
 
Multiméterrel mértem,de semmi.
(#) punkkazy válasza bitorlo hozzászólására (») Jan 22, 2009 /
 
Ha nincs nyugalmi áram, akkor nem kap áramot. Logikus nem? Miről járatod? Ha rendes tápról, akkor mérd le, hogy ad-e le feszültséget. Ha igen, akkor fogd a nyáklapot és minden vezetősávot mérj le szakadásjelzővel. Pontosabban ha nem sípol akkor van szakadás. Egyszerű: minden vezetősáv elejére rákapcsolod az egyik pólust, a másik végére meg a másikat. Valószínű, hogy valamelyik sáv megszakadt. Forrasztással kijavítható. Nekem bezzeg sose a tápfesz sávja szakad meg, hanem valami más és füstbe megy a terv, ha nincs az izzó békötve a trafó elé...
(#) bitorlo válasza punkkazy hozzászólására (») Jan 22, 2009 /
 
A táp az egy 16v DC 1200mAH-es trafó.
Szerintem elégnek kell lennie.
(#) punkkazy válasza bitorlo hozzászólására (») Jan 22, 2009 /
 
Megmérted, hogy van-e fesz a tápon? Mérd meg!
Ha nincs nyugalmi áram, akkor az azt jelenti, hogy a vagy a tápfeszágban, vagy a GND ágban van a probléma. Lehet pl. hogy az IC-d lába eltört valahol és nem látod. Haveromnak volt olyan, hogy a tokozáson belül volt eltörve a láb
(#) flathead hozzászólása Jan 22, 2009 /
 
Sziasztok!

Vettem egy NE078N típusú végfok kitet, de sajnos a NE078 dokumentációját adták hozzá, amiben egy csomó alkatrész máshol van, szóval nem passzol a dolog.
Tudna valaki esetleg egy szkennelt NE078N beültetési rajzot, vagy alkatrész listát küldeni, amin az alkatrészek is fel vannak tüntetve?

Nagyon-nagyon fontos lenne, kérem aki tud, segítsen!!!

Köszönöm előre is!

flathead
(#) Gyurix válasza flathead hozzászólására (») Jan 22, 2009 /
 
Szia beszkennelni nem tudom de az alkatrészeket, hogy hová kell beültetni azt le tudom írni.Leírom és elküldöm mellékletben.
(#) flathead válasza Gyurix hozzászólására (») Jan 22, 2009 /
 
Szia!!

Óóó, azt nagyon-nagyon szépen megköszönném! Elakadtam emiatt a *** régi doksi miatt. Amúgy melyik cégtől vetted a te N-es változatodat?

Moderálva.
-- kobold
(#) Gyurix válasza flathead hozzászólására (») Jan 22, 2009 /
 
Én a Hestorban vettem NE078-nak volt kiírva de NE078N-et adtak és amit adtak hozzá doksit az alapján raktam össze és jól működik vele.

NE078N.txt
    
Következő: »»   90 / 274
Bejelentkezés

Belépés

Hirdetés
XDT.hu
Az oldalon sütiket használunk a helyes működéshez. Bővebb információt az adatvédelmi szabályzatban olvashatsz. Megértettem