Fórum témák
» Több friss téma |
Fórum » VF2 végerősítő
Bocsi így gondoltam, csak nem azt írtam már le! De azért köszi hogy figyelmeztettél
És akkor a két táp GND-jét össze kell kötni és ott lesz a csillagpontföld?
Tudom nem teljesen ide illik de ehhez az erősítőhöz (ugye 2*120W 4Ohmon meg 1* 120W Sub!)
Teljesítményre mekkora hangszórókat kellene vennem? De ott van valami zenei, meg névleges teljesítmény is melyiket kell nézni? és mekkorát kéne venni? Kábéra is elég ha segítetek,...
Ha nagyon vájtfül vagy ez nagyon nehéz kérdés.
Ha ki akarod majd használni ami az erősítődben rejlik: 250W szinuszteljesítményű mély(hogy torzításig vezérelhesd!)1db. Legalább 200W(nem zenei!) szélessávú (legalább 2utas középmagas) ládák 2db. Azért nehéz kérdés, mert a mély jó minőségben nem elhanyagolható munkával minimum 20-25eFt. A szélessávról nem tudok nyilatkozni. Az elején nem írtál semmit arról, mennyit szánsz a rendszeredre, de amit szeretnél teljesítményben, avval én már el mernék vállalni 1 közepes házibulit.
Bocs rosszul írtam nem 120W csatornánként, hanem 130W de gondolom amiket írtál nem nagyon változik,...
A pénz annyira nem számít mert aprónként lesz majd meg, mindig 1 kicsit csinálom, és majd meglesz, szóval ha jól vettem ki akkor a subhangszórónál a szinuszteljesítményt kell nézni, a másik 2 hangdobozba szeretnék darabonként 1 mély közép, és 1 magas hangsugárzót,... és ezeknél a nem zenei hanem a névleges teljesítményt kell nézni?
Zoli!
Az arányok nem jók! 120W mélyhez, elég 2X60W teljes sáv. Ha minden végfok 120W-os, akkor a mély teljesítménye kevés lesz hozzá.(250W legalább illene)
De ha a mély sáv külön potin lesz, lehet majd hangosítani, halkítani külön a sztereótól képest meg a sztereót is külön! így jó ?
Egy bizonyos határig, ameddig a mély max.teljesítményéhez állítod a teljes sávot lesugárzó sztereó részt. De ezért nem fogod tudni kihasználni a túlzott teljesítményét a sztereónak. A zenében a legnagyobb teljesítményt a mély hangok igénylik. Persze lehet még alakítani a hangsugárzók érzékenységével is az arányokon.
Szerintem ritkán lesz olyan hangerőn hallgatva hogy erre kelljen már figyelni!
25cm, 4 Ohm, 800/400W, 22-500Hz, 89dB Ez csak 1 példa általában ezeket adják meg a hangszórókról, ebből melyik az a szinusz teljesítmény?
A szinuszos teljesítményt manapság az RMS váltotta fel.
Ez a tartós /kisebbik/ teljesítményadat. A nagyobb a zenei.
és akkor a kisebbik szinuszos(RMS) ezt kell az erősítőhöz igazítani?
Kissé fura a megfogalmazásod, de igen.
Az a jó ha nagyobb teljesítményt tud a hangsugárzó kezelni mint az erősítő kimenő teljesítménye. Minél nagyobb ez az arány, /az észszerüség határain belül/annál kisebb a hangszóró kitikkasztásának az esélye.
Szívesen.Mielőtt belefogsz, tájékozódj mindenképp. :yes:
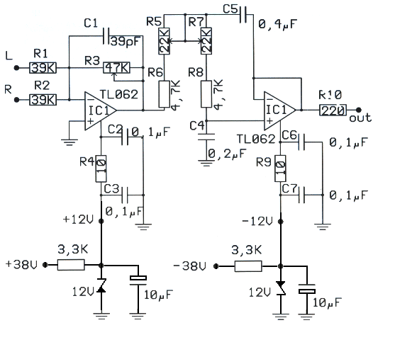
A mellékelt szubszürőt néztem ki hozzá, csak az a bajom hogy ez +-12 voltról megy, szerintetek nem lehetne megoldani hogy a tápról menjen? tehát +-38Voltról?
Amúgy jó hozzá?
tudnál rá valami kapcsolást mutatni? hogy hogyan képzelted el?
Köszönöm
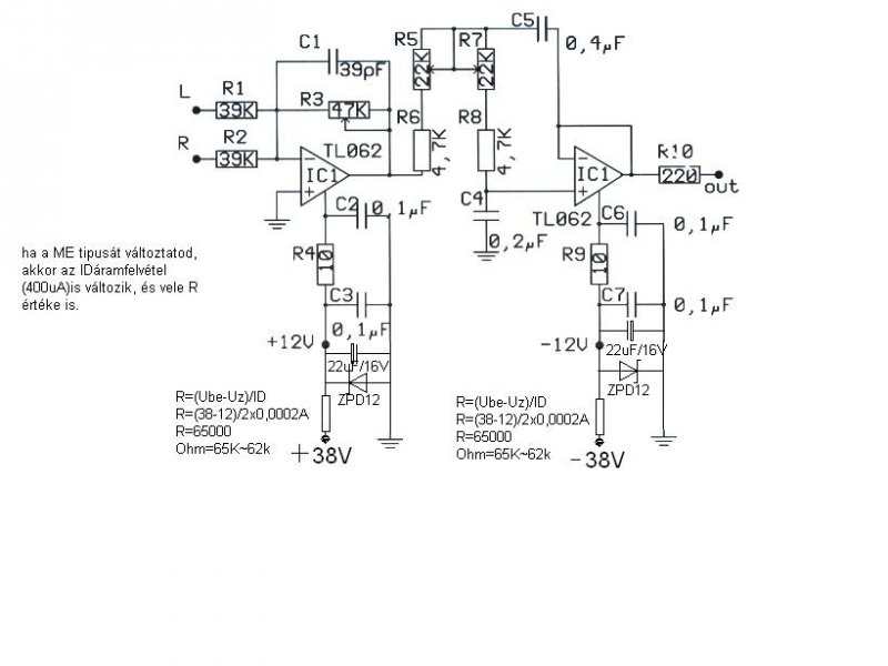
![]() Tehát kell hozzá 2db 22µF /16V kondi, elkó lehet? meg 2db zpd12 zénerdióda meg 2 db 65 vagy 62 KOhm os ellenállás? hány Wattosak legyenek?
Sziasztok!
Nincs valakinek véletlenül hangszóróvédő kapcsoláshoz olyan nyákterve, meg beültetési rajza, meg alkatrészlista, ami esetleg 3 bemenet, meg 3 kimenettel rendelkezik? a táp meg vagy +-38 vagy +-12 Volt! Előre is köszönöm a segítséget!
heló
nem akarok kételkedni a szavadban, de mivel későn válaszoltál máshol is feltettem a kérdést, és ott ezt kaptam, tudom ugyanaz a kapcsolás, csak azt írta ott valaki hogy a két dolog között az ellenállás értékében nagyságrendbeli különbségek vannak, akkor most melyik a jó? amit te küldtél vagy ez?
Szia Zoli! Én sem akarok kételkedni szamóca tudásában, de szerintem a második általad belinkelt közelebb áll a valósághoz.
Szinte bármelyik kapcsolást megcsinálhatod 3 bemenetesre. Én a mellékelt védelmet használom, ennél a bemeneten lévő 22kOhm-os ellenállás, párhuzamosan történő duplázásával, triplázásával csinálhatsz rá plusz bemeneteket. Mivel egy relével megy az egész, így bármelyik végfok hibájára mindegyikről leválasztja a hangfalakat. Sokkal jobb megoldás mindegyik csatornára külön védelmet rakni, de egyúttal drágább is.
Hali KD mester és többiek!
Olyan kérdéssel fordulnék hozzád, hogy az általad létrehozott VF2 klón, a CONDUCTOR, hidalható-e és ha igen, hangminőség szempontjából érdemes-e? Egy stereo CONDUCTOR-t már összehoztunk és iszonyat jó. Sokkal szebb a hangja, mint a KENWOOD KRF-A4030amnak. Örök hála a Mesternek. Üdv.
köszönöm
Bővebben: Link
Heló Mit szótok ehhez a mélynyomóhoz? szerintetek megfelelő a 130W os fetes erősítőhőz? Elég jó adatai vannak, és árban sem rossz! Véleményeket várok! heló
Helló ! Ebből a sorozatból a kisebbek (20 cm, 25 cm, 30cm) szvsz kifejezetten jók ezen az árszinten, sőt mondhatom egészen kitünő az ár/érték arányuk. Az általad kinézet 38 cm-s még nem volt a kezemben, de ha olyan, mint a család többi tagja, akkor jónak kell lennie.
A 220Weff pedig nagyjából megfelelő 130W-os erölködőhöz. P.
És ennek a közölt adataiból ki lehet számolni milyen dobozt és mekkorát kell neki készíteni? És szerinted Zárt vagy reflex? a jobb hozzá?
Én azért ajánlom, hogy szerezz egy jó hangfaltervező progit és a nyomó adatait felhasználva próbálj meg ládát tervezni hozzá. A winisd nevezetű progi ingyen van, de érdemes hozzá más programot is megszerezni.
|
Bejelentkezés
Hirdetés |















