Fórum témák
» Több friss téma |
Fórum » Villanymotor bekötése
Szia
Ha, előbb leirt modon megy, tegyél egy mágnes szelepet. Addig legyen nyitva, mig deltába át nem kapcsol. üdv.
Üdv pet520!
Idézet: „Tehát ha nincs terhelés addig amíg át nem vált deltába akkor működik.” Ja. Nem lep meg
Sziasztok, tudna valaki segíteni?
Vagy kössem be csillagba oszt' jónapot? A hozzászólás módosítva: Márc 27, 2013
Kösd csillagba. Mi addig a hegyekbe húzódunk, biztos, ami biztos...
Vagyis?
![]() Deltába kell, vagy egyáltalán nem lehet 3 fázisra kötni? A hozzászólás módosítva: Márc 27, 2013
Mi van a motor adattáblájára írva? Milyen feszültségértékek szerepelnek rajta?
Csillagba indítsd el és mérjél áramot, nézd meg terhelhető-e, nem melegszik...stb.
Nos egyelőre még nem mertem bekötni Y-ba, de mértem egy ellenállást a tekercsek végpontjai között, hátha ez segít valamit:
kék tekercs: 1.5 ohm zöld tekercs: 1.5 ohm piros tekercs: 0.3 ohm
Bocs, hogy beleszólok, ilyen ellenállás arányok mellett a piros tekercs menetzárlatosnak tekintendő!! A motor teljesítmény, meg a tekercs feszültség semmiképpen sem határozható meg egy ilyen mérésből.
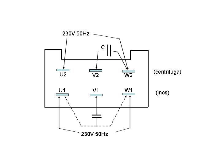
Végül is szétszedtem a motort és kiderült a turpisság.
A piros tekercs valójában nem is tekercs, hanem egy centrifugális kapcsolóhoz vezető vezetékpár, ami a C2 kondenzátort kapcsolja be míg a motor el nem éri az üzemi fordulatszámot. szóval felejtős a 3 fázisra kötés szerintem. Köszönöm mindenkinek a hozzászólásokat! Üdv.
Sziasztok. Segítségeteket kérem egy egyfázisú hat kivezetéses (két sebességes parkettacsiszoló) bekötésével kapcsolatban. A kapcsolója és a gép is kosárban jön a jövő héten. Ha valaki tud rajzot feltenni azt nagyon megköszönném.
Nem láttam még olyat szétszedve, de gondolom olyasmi mint a mosógépmotor.
Mitől lesz három sebességes egy mosógép motor? Itt arra gondolok, hogy két sebességen centrifugál.
Ez ugyan nem. Ez csak két sebességes. Mosás és centrifuga. Ez egy régi kettős tekercselésű motor.
Azok amik több fordulaton centrifugálnak, univerzális motorok és elektronika vezérli a fordulatszámukat. A hozzászólás módosítva: Márc 28, 2013
Sziasztok
Van három fázisom, 16A, 10A, 6A -s automatákkal, 3f motor mikor terheli kevésbé a hálózatot indításkor ? Csillag vagy deltában? Mocim 2200W-s, csillagba van bekötve, a 6A -s automata kezd kifáradni.
Természetesen csillagban terheli kevésbé. Vélhetőleg ezt a motort 3 fázis estén nem is kötheted deltába. A 6A elég karcsú.
Sziasztok az lenne a kérdésem hogy 3Kw motort 3fázisút már lejhete deltába üzemeltetni.
és hogy hány Kw-ig szoktunk csiilag vagy delta vagy csillag delta kapcsolába kötnni?
Üdv!
A 3kW-os motor létezhet már csillag-delta indítású, de nem jellemző. Inkább nagyobb teljesítményűeket tekercselik úgy. De a bekötés nem szokás kérdése, hanem hogy hogyan tekercselték!! Amelyik motoron 380/220(400/230)V felirat van, azt nem kötheted deltába 3 fázisra. Amelyiken 380/660(400/690)V vagy csak 380(400)V és egy delta jel van, azokat lehet csillag-deltában is indítani. Milyen felirat van a motorodon? Jó lenne egy kép. Üdv! Tomi
Helló fúró!
Idézet: „3Kw motort 3fázisút már lejhete deltába üzemeltetni” Minden egy fordulatú, 3 fázisú motort, aminek a tekercsei külön ki vannak vezetve (6 kivezetése van) lehet üzemeltetni 3 fázisról csillag és delta kapcsolásban is. A két kapcsolásmódban azonban eltérő a névleges feszültségük. A részleteket Tomi111 leírta. Attól, hogy a motor 230/400V-os, még lehet delta kapcsolásban is üzemeltetni, csak éppen 3x230V-ról (400-ról nem). (A 230V-os frekvenciaváltóknál gyakori az ilyen megoldás)
Üdv!
Persze, hogy lehet, delta kapcsolásban is. Frekiváltóknál tényleg gyakori a 3×230V-os bekötés. Csak az átlagembernek otthon nagyon ritkán van frekiváltója(nekem sincs). Van egy motor, amit kapott/talált/vett valahol, egy darab kábel, dugvilla. Jobb esetben kapcsoló, esetleg mágneskapcsoló hőkioldóval. Ha szerencséje van, a motor tekercselése eredeti(vagy azzal megegyező) és megegyezik az adattáblán lévővel. Nem szoktam írni a 3×230V-os bekötést deltában, mert ha frekiváltó nélkül kötik be így a motort, akkor pár percen belül leég, ha nem old le a kismegszakító. A 230/400V-os motorokra ezért írom mindig, hogy csak csillagban használható. Üdv! Tomi
Helló Tomi111!
Idézet: „Csak az átlagembernek otthon nagyon ritkán van frekiváltója(nekem sincs). Van egy motor, amit kapott/talált/vett valahol,” Nem tudjuk, hogy "fúró" átlagember-e, nem tudjuk, hogy a motort kapta, vagy vette, nem tudjuk van-e rajta kábel stb. Ez mind feltételezés. Nem közölte a kérdése okát és a felhasználás körülményeit. Én a kérdésére válaszoltam, ami az volt, hogy lehet-e 3f motort deltában üzemeltetni. Az általam írt feltételek mellett lehet. Ennyi. Pont. Nincs "ha". Idézet: „Nem szoktam írni a 3×230V-os bekötést deltában, mert ha frekiváltó nélkül kötik be így a motort, akkor pár percen belül leég, ha nem old le a kismegszakító.” *** A hozzászólás módosítva: Ápr 4, 2013
Sziasztok!
Rengeteget olvastam a fórumotokat, és kérném a segítségeteket. Bár lehet leírtátok már, de a "sok fától nem látom az erdőt". Szóval, lenne egy körfűrészem, egy 380V-os 3KW-os motorral. Sajnos indításkor levágja a 10A -es biztosítékaimat. Bővítenék szívesen hálózatot, de egyrészt drága, másrészt akár hónapokat várhatnék rá, hogy meglegyen. Szóval csillag-delta indításra gondoltam. Kérdésem, hogy megvalósítható-e, és pontosan hogyan? Én azt sem értem, hogy most hogyan van bekötve. A motor dobozáról készült képen felül vannak az U-V-W kapcsok (vízszintesen). Szóval, ha veszek egy csillag-delta kapcsolót, akkor hogyan kössem be? Kösz minden segítséget (ha linkeltek csak, azt is)!
Szia!
Most deltába van kötve a motor és egy egyszerű csillag-delta kézikapcsolóval megoldható az indítás. Bővebben: Link
Sziasztok! Egy kis segítség kellene. Van egy 380 as 1,5kw-os villanymotorom, hat kivezetéses és jelenleg csillagba kötve használom. Egy felvonóra szeretném rakni ahol jó lenne ha tudnám változtatni a fogásirányát. A kérdésem hogy megoldható e ez? Egy egyszerű irányváltó kapcsoló elég lenne hozzá vagy esetleg kell valami más is?
Szia!
Igen, egy egyszerű irányváltó kapcsoló jó lesz.
Helló Tams84!
Ha biztonságos(abb)ra akarod, akkor két mágneskapcsoló+keresztretesz, egy motorvédő kapcsoló, két zöld (NO) és egy piros (NC) nyomógomb.
Köszönöm a segítséget, ha megoldható akkor maradok a kapcsolónál, egyrészt mert van, másrészt annak a bekötését még kisakkozom rajz alapján, de a mágneskapcsolós verzió már feladná a leckét. Egyébként se sokat lesz használva.
Szia! Nem akarok nagyon belekotnyeleskedni a dolgodba, de egy felvonót ezzel a módszerrel működtetni nagy felelőtlenség! Gondoltál a teher alatt meghibásodó kapcsolóra, amit nem tudsz kikapcsolni és a drótkötél ez miatt szakad el? Mivel görgős kapcsolóról van szó és mostoha körülmények között használatos, nem mernék rá fogadni. Persze megteheted, de vegyél mindent számításba és ne bízd másra a kezelését.
Persze ez jogos, egyébként én is úgy gondoltam hogy meghagyom a kezelő panelen a jelelegi kapcsolót és az után kötném az irányváltót, így lesz egy ,,fő" kapcsoló. De egyébként a ganz kapcsolókban még nem csalódtam, és amúgy se történne semmi mert egy max 70 kilós zsák esik le kb 2 méterről. Jelenleg egy gyári kínai 1,1 kw os emelőt használok, de mivel mint utólag rájöttem ez s3 as kategória így nagyon hamar túlmelegszik még ilyen kis súlynál is, nem tudtam rájönni mit tunék vele kezdeni. Így készítek egy robusztusabb gépet csiga hajtással.
|
Bejelentkezés
Hirdetés |




Azok amik több fordulaton centrifugálnak, univerzális motorok és elektronika vezérli a fordulatszámukat.


