Fórum témák
» Több friss téma |
Cikkek » GPS alapú magasság- és sebességmérő GPS alapú magasság- és sebességmérő
Szerző: Bakman, idő: Dec 30, 2015, Olvasva: 17781, Oldal olvasási idő: kb. 2 perc
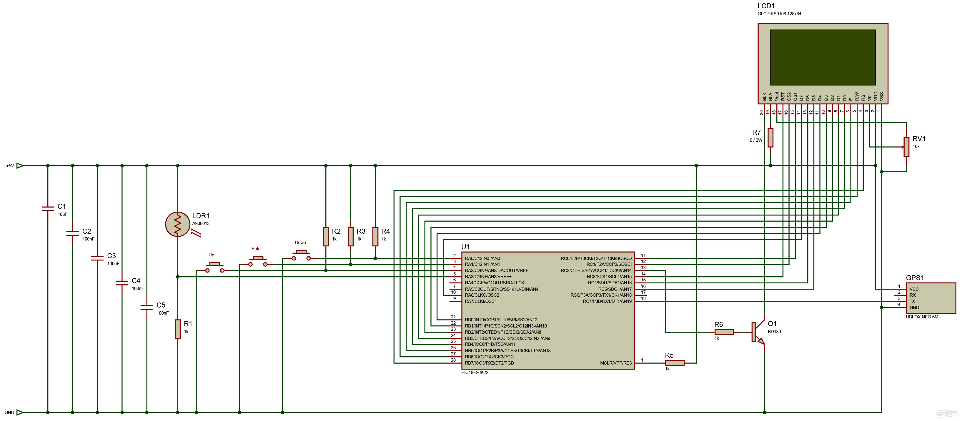
A rajzra kattintva új ablakban egy nagyobb méretű kép jelenik meg.
Az áramkör stabil 5 V-ot igényel, különösebb élesztési procedúrát nem kíván, kivéve a kijelző kontrasztjának beállítását. A bemenetnél található C1-es kondenzátor akár el is hagyható, szükségessége a tápfeszültséget szolgáltató áramkörtől függ. Ha beépítjük, javaslom tantál kondenzátor használatát, jobban bírja a szélsőséges hőmérsékleteket, lévén az eszközt elsősorban autóba szántam. C2-C5 kondenzátorok a digitális technikában használatos, szokásos hidegítők. A valóságban ezek szét vannak szórva, csak az alkatrészlista miatt rajzoltam be őket a kapcsolási rajzba. A fotoellenállás (LDR1) A906013 típusú, ami a HEStore áruházban is kapható. Az LDR1 és R1 ellenállások egy feszültségosztót alkotnak, aminek kimenetén a fotoellenállásra jutó fény mennyiségével arányos feszültség jelenik meg, figyelembe véve a fotoellenállás karakterisztikáját. A kontrollerben futó program ennek segítségével állítja be a kijelző háttérvilágítását. Világosban több, sötétben kevesebb fénnyel világít a kijelző. A fotoellenállás típusa nem kritikus, szinte bármilyen használható, de ennek fényében az R1 ellenállás is cserére szorulhat. A feszültségosztó alkatrészeit úgy válasszuk meg, hogy erősen felhős időben, napközben (jó látási viszonyok mellett) az R1 ellenállásra jutó feszültség kb. 2 V legyen, valamint közvetlen napsütésben se érje el a 4,9 V-ot! Ha nem sikerül eltalálni a 2 V-ot, akkor sem kell kidobni az alkatrészeket, a programban tág határok között kompenzálhatóak az értékek. A 4,9 V feletti értéket mindig hibaként érzékeli a program, ennek elkerülésére mindenképpen törekedjünk! A három gombbal módosíthatók a készülék paraméterei, erről később bővebben írok. A kontroller PIC18F26K22 típusú. Bőven elfér benne a program és kellően gyors külső alkatrészek nélkül is a kijelző kezeléséhez, tartalmaz EEPROM-ot a beállítások tárolásához, valamint van elég lába a feladat ellátásához. R2, R3, R4 és R5 ellenállások a NYÁK-on egy négytagú ellenállás sor. R6 és Q1 segítségével állítja be a kontroller a kijelző háttérvilágításának fényerejét PWM üzemmódban. R7 ellenállás a kijelző háttérvilágításának előtét ellenállása. Értéke változhat a használt kijelző függvényében, erről az adatlap ad tájékoztatást. RV1 segítségével a kijelző kontrasztja állítható be. Javaslom az álló potenciométer használatát, hogy teljesen összeszerelt állapotban is könnyedén hozzáférhető legyen. A kijelző egy KS0108 vezérlővel szerelt típus, 128 x 64 pixellel. Mivel ilyen és ehhez hasonló kijelző több méretben és lábkiosztással kapható, mindenki alaposan nézze meg mit vesz! A panel a kapcsolási rajzon is látható lábkiosztáshoz készült. Az általam használt kijelző legnagyobb (panel) mérete 93 x 70 mm. A cikk még nem ért véget, lapozz! Értékeléshez bejelentkezés szükséges! |
Bejelentkezés
Hirdetés |



