Fórum témák

» Több friss téma
Cikkek » Subwoofer - alul áteresztő szűrő
Subwoofer - alul áteresztő szűrő
Szerző: Topi, idő: Márc 24, 2006, Olvasva: 101150, Oldal olvasási idő: kb. 1 perc
Lapozás: OK   2 / 3

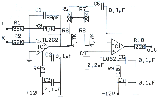
Első ránézésre a kapcsolás három részből áll, ami a két műveleti erősítőre épül.
Az áramkörben állítható az erősítés és a vágási frekvencia. A két műverősítő helyettesíthető TL082-vel vagy NE5532-vel. Ezek a műveleti erősítők FET technikán alapulnak, így elég jó hangminőséget produkálnak.
Nagyon jól reagálnak a gyors frekvencia változásra (slew rate), és csak kissé befolyásolják őket a hőmérséklet változás. Erősítési sávszélességük 3MHz. A másik fontos dolog amiért őket választottuk, az alacsony zajszint.
Az IC-nek nyolc lába van. És erre a nyolc lábra ki van vezetve két műveleti erősítő.
Helyettesíthető természetesen más típusú műverősítővel is. Ha a 14 lábú változatot választjuk, akkor nézzük meg a bekötését! Mindegyik említett típusnak kettős táp kell. Azaz +12V/-12V.
A 22KOhm-os potméterek azért vannak így bekötve, mert ezen a sávszélességen nagy impedanciákat is szépen kell hogy szabályozzon. Ezzel a bekötési móddal nagyban nő a minőség...
Az szűrőben a második műverősítő hajtja végre a tényleges vágást. Csak a 30Hz és 150Hz közötti jeleket erősíti tovább. A kettős potméterrel állítható a felső vágás határértéke. 150Hz, 130Hz, 100Hz, 60Hz, 30Hz.

És végül nézzük mire lesz szükségünk, és lássuk a nyákrajzot...
A cikk még nem ért véget, lapozz!
Következő: »»   2 / 3
Értékeléshez bejelentkezés szükséges!
Bejelentkezés

Belépés

Hirdetés
XDT.hu
Az oldalon sütiket használunk a helyes működéshez. Bővebb információt az adatvédelmi szabályzatban olvashatsz. Megértettem