Fórum témák
» Több friss téma |
Köszi a választ
![]() ![]()
A puffer öt erősítőre is elég.
A biztosíték azon múlik mekkora impedanciájú hangszórót szeretnél rákötni. A féltápot osztod a terhelő-ellenállás √8-szorosával és felfelé kerekítesz. (4 ohm-hoz 3A a trafód esetében)
8 OHM-os terhelést szeretnék majd rákötni.Gondolom akkor 6 A es bizti kell bele vagy tévedek?
![]()
Ha nagyobb számmal osztasz,akkor kisebb eredményt kell kapnod!
1,5-2A-es biztosítékot használj.
szia mindenkinek! Egy kérdeést szeretnék ezzel az erősítővel kapcsolatban feltenni mégpedig,az egyik oldalon ISC márkájú végfokok vannak mert azt még régebben vettem és azt forrasztottam be a másik oldalra meg vettem újakat azt meg a philips gyártja (BDW83-84) És ez a philips márkájú mindig kimegy már vagy 3 garnitúra végfokot cseréltem benne a másik oldal az meg bírja szerintetek mi lehet a baj?és csak akkor megy ki a végfok ha hajtom rendesen az erősítőt huzamosabb ideig3-4 óra(házibuli Pl.) nem max hangerőn de addig még h ne torzítson szépen szóljon, a 2 panelen a trimmerpoti ugyanabban az állásban van egyforma alkatrészek vannak benne csak a végfok márkája külömbözik.poróbáltam azt is hogy kisebb biztiket rakok a philips-es végtranyóval szerelt oldalra de úgyis kimegy a végfok és semmi más a panelon csak ez a 2 vég,semmi meghajtó kis tranyó.A válaszotokat előre is köszi.Az erősítő régi Ágota DS300 as kaszniba van elég markáns hűtőbordávaL.
Szia!
A Philips már régóta nem gyárt tranzisztorokat. Biztosan hamis példányokat kaptál.
Sziasztok! Én úgy emlékszem, a TIP sorozatú tranzisztorokat annó a TEXAS INSTRUMENTS fejlesztette ki. Hasznos link
A hozzászólás módosítva: Aug 7, 2014
Ebben a kapcsolásban nem. A darlingtonok erősítését nem lehet nélkülözni.
Értem. És a két tip tranyót mivel lehetne kiváltani?
Szia! Én már váltottam ki magamnak Tip 142/147 darlingtonokat,csak ismerni kell a belső be kötését,ha érdekel el tudom neked küldeni .Üdv,Zsolt.
Érdekelne
köszönöm!!!!
![]()
Nincs mit,de ha jól körül nézek,még készre szerelt darabok is vannak
Sziasztok. Lenne egy kérdésem, ami lehet sokaknak egyértelmű, de én lelkes kezdő vagyok és hobbi szinten érdekel a téma vagyis nem igazán értek a témához.
Teszem azt, hogy egy erősítőben megcserélem a tranzisztorokat, akkor az elvileg fordítva fogja erősíteni a bemeneti jelet vagy csak mérgesen robban egy nagyot és a füstben elszáll a tranyók lelke? (a PNP-t az NPN helyére és fordítva) Van nekem egy erősítőm, amiben látványosan szétment négy tranyó és csak ezeken volt hűtőborda (2x IRF954 és 2X IRF540). Hozzám már úgy került, hogy rossz és nem kell visszaadnom se. Az erősítőnek megtaláltam neten a könyvét, ahol meg van adva a kapcsolási, beültetési, szerelési stb. rajzok. Két IRF540-es maradt benne egymással szemben, de a dokumentum szerint pont rossz helyen (IRF9540-es helyén).
Szia! Linkeld be a rajzot! Megnézzük helytálló-e a dokumentáció, azt is emberek készítik, lehet benne hiba. Az N-es és a P-s félvezetők nem cserélhetők el egymással.
Igazából nekem elég ennyi és a pdf alapján fogok eljárni, de linkelem is. Köszönöm a válaszod.
http://www.kallhovde.com/pioneer/tricomp/Audio/A/A-405R_505R_605R_R...94.pdf
Az IRF9450 drain-ek mennek a negatív tápra, az biztos támpont, lekövethető a puffertől.
A pdf-en megtaláltam, de a valóságban nem. Na majd én megkeresem dióda tesztel, mert úgy majd sípol nekem hamar. Aztán hamar sípolt is... a graetz hídon a + és - nál is
![]() Nem sok lelki erőm van már nézegetni, hogy hátha össze ér valahol a panel, esetleg a puffer kondik-e a bajosak (ez most jut eszembe). Holnap meg kukkantom és mást nem van egy halom alkatrészem. Pedig az IRF-eket már meg vettem ![]() Kösz szépen még egyszer, hogy írtál reloop. Az ijedéstől az én lelkem is elszállt volna a tranzisztorokkal együtt össze rakás után ![]()
Sziasztok!
A T3 helyett mehetne a BD139? Van itthon 5 pár MP1620 és MN2488, ezeket használhatnám végtranyóknak?(T7 és T8) Köszi..
Köszönöm..
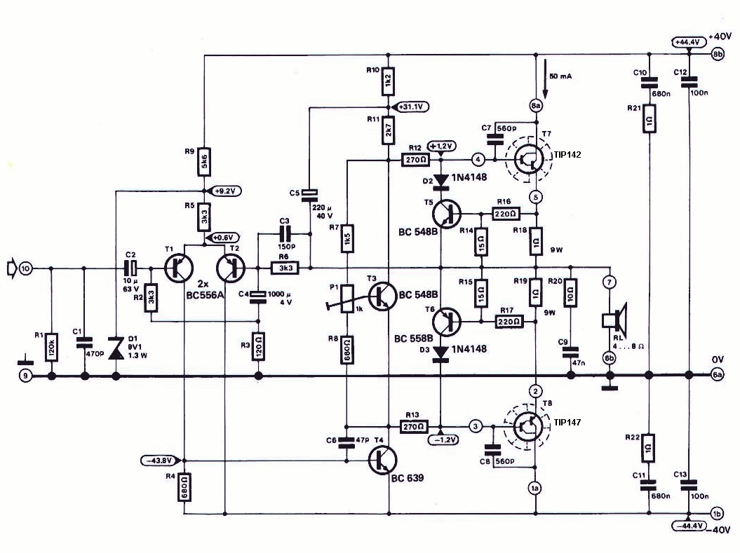
T1 és T2 pozíciójában milyen tranzisztorok vannak? Ugye ez a kapcsolási rajz tartozik a panelhoz? https://www.hobbielektronika.hu/forum/getfile.php?id=201374
Igen, ez a rajz tartozik hozzá..
A T1-T2 pozícióban BC556B tranyók vannak bétára összeválogatva, és a T5-T6 is majdnem teljesen egyforma B-val rendelkezik.
A nyugalmi áram beállító trimer potméter bekötésén érdemes kicsit változtatni a végtranzisztorok védelme érdekében. Küldöm a megoldást mellékletben. Elengedhetetlen, hogy minden tranzisztor és a többi alkatrész is helyesen legyen beültetve (hibátlanságuk leellenőrzése után), a nyák se legyen hibás és a forrasztások is jók legyenek. Jobb elkerülni a hibákat mint utána nyomozni a tönkretett alkatrészeknek! (Utólagos nyomozást nem vállalok mert kevés az időm.)
Nem szabad megfeledkezni a hűtés test pontra kötéséről sem.
Üdv. És ha a T3 bc548-at nem a hűtőbordára, hanem közvetlen valamelyik T7 vagy T8 tip tranzisztorra
felfogatni? Mivel a tranzisztor melegszik hamarabb a hűtőborda meg csak utána veszi át a hőt.
Üdv! A rendkívül nagy értékű végtranzisztor-emitterellenállások miatt akár el is tekinthetünk a termikus stabilizálástól.
Üdv. Én ezt a panelt készítettem .Meg is építtetem. Eddig még semmi gond nincs vele.
A hozzászólás módosítva: Nov 24, 2018
|
Bejelentkezés
Hirdetés |