Fórum témák
» Több friss téma |
Sziasztok!
Tirisztoros egyenirányítótt szeretnék építeni, 0-400V-ig, 20 ampert bírjon legalább.Ehhez várnék egyszerű kapcsolásokat! Előre is köszönöm!
Ha nem hegesztéshez kell akkor nagyon egyszerüt tudok küldeni
Nem hegesztéshez kell.Egy nagyáramú szabályozható tápegységet akarok csinálni. Csak a tirisztorok vezérléséhez nem értek(erősáramú végzettségem van, elektronikával csak alap szinten foglalkoztam).
A tirisztoros kapcsolások közül a legjobb, ha segédtirisztorral hajtod meg a nagyáramúakat. Van egy nagyszerű kapcsolás erre, én egy félhullámú változatát építettem meg, bevált, nagyon jól működik. Ez köthető Graetz-kocka után, s máris teljeshullámú a szabályzás. Délutánra át tudom küldeni.
http://pdf1.alldatasheet.com/datasheet-pdf/view/45801/SIEMENS/TCA785.html
Persze előtte nem ártana megkérdezni, hogy mégis mit kellene építeni, mert pl. ha sima egyenáram kell, amit fojtótekerccsel simít, akkor egy graetz után kötött tirisztor eleve nem használható, hiszen a tekercsen nagy terhelés mellett soha nem szakad meg az áram, így a tirisztor soha nem kapcsol ki.
Idézet: „.......a tekercsen nagy terhelés mellett soha nem szakad meg az áram, így a tirisztor soha nem kapcsol ki.” Kivéve ha a tirisztor után vagy egy újabb dióda párhuzamosan ami átveszi a tekercs áramát a nullaátmenetnél. De persze inkább 2db tirisztorral kellene megoldani, hogy az egyenirányítson. A tirisztorokat kicsi optotriak-al lehetne gyujtani. Viszont ekkora fesz/áram-ra 50Hz-en bazinagy fojtótekercs kell ám.
Sziasztok!
Van egy vegyes gerjesztésű (külső,soros) egyenáramú motorom adatai:főáramkőr:440V 5.9A, gerjesztés:220V 1.2A a motor 2KW-os, ehhez kellene valamilyen szabályozónak a rajza (tirisztoros) A választ előre is köszönöm!
Sziasztok! Nekem az a problémám, hogy nem találok az egész interneten egy szekunderköri, félig vezérelt, 1 fázisú, greatz egyenirányítóhoz(2 tirisztor, 2 dióda) illeszthető vezérlő kapcsolást, ami megépíthető és működőképes, és nem UAA145-re épül(kínai verzió kapható itthon 39800ft-ért eme IC-ből. Ez nekem nagyon drága). Aki jártas ebben kérem segítsen ki egy rajzzal ami működik. Egy pofon egyszerű 27 voltos 160A-es trafót kellene szabályoznom vele(co2 hegesztő). Mindenképpen szekunderköri kellene. Üdv
A hozzászólás módosítva: Jan 8, 2016
Trafód már megvan, vagy most tekered azt is?
Ha most tekered, akkor javasolnám a "kétutas" egyenirányitót. Pont most tervezgetem a hasonlót, csak nem CO
Szia!
Ha tudsz fazékvasat tekerni és vannak apró cuccaid, küldhetek egy rajzot.
Köszi a választ! Vannak apróbb cuccaim és a fazékmagot is megoldom. Előre is köszi a rajzot! Üdv
Sziasztok,
Valaki tudna nekem egy kapcsolást küldeni tirisztoros egyenirányításról hegesztő trafóhoz? Előre is köszönöm. Üdv Bubu54
Nézz be a "Hegesztőtrafó egyenirányítása" c. téma képei közé.
Üdv!
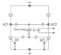
Hátha valaki még hasznát veszi: Egy régi frekiváltóból került ki ez a tirisztor és dióda blokk. Most egy elektromágnes ki-be kapcsolás volt a feladat, BE teljes hullám, KI zéró. Nem tudom, eredetileg hogyan vezérelték az egységet, de kipróbáltam ellenállással összezárni a két vezérlő elektródát - nagyon melegedett, különböző értékekkel is próbáltam. A lehetséges, leginkább veszteség mentes gyújtásnak végül is egy 330nF-os kondenzátorral összezárt vezérlő elektródás lett. Nullátmenetes vezérlés nem szempont, így ez a megoldás teljesen megfelel az elvárásaimnak.
Üdv!
Ha szinkronozott gyújtójel helyett valamilyen egyszerű gyújtást akarsz, akkor a tirisztorok gate-je és az anódja közé kell kapcsolnod egy-egy ellenállást. Az így kialakított elrendezésben csak a gyújtás idejéig lesz érdemi veszteség az ellenállásokon. Amit próbáltál, hogy a gate-ek közé tett ellenállással gyújtasz, az csak az antiparallel kötött tirisztorok esetében megfelelő megoldás, viszont ott elterjedt. Félig-vezérelt híd esetében nem célszerű, mert mint tapasztaltad, az egyik félperiódusban az ellenállásra végig rájut a gyakorlatilag a teljes kimenő feszültség, ami jelentős disszipációt eredményez. Idézet: „Ha szinkronozott gyújtójel helyett valamilyen egyszerű gyújtást akarsz, akkor a tirisztorok gate-je és az anódja közé kell kapcsolnod egy-egy ellenállást. Az így kialakított elrendezésben csak a gyújtás idejéig lesz érdemi veszteség az ellenállásokon.” Pontosan így van, ezt is kipróbáltam, működik. A kondenzátorral még egyszerűbb a dolog, ezért ennél maradok. Egy impulzus relé kimeneti reléje zárja majd a kondenzátorral sorban a gyújtó kivezetéseket és tökéletesnek tűnik. Először, felületesen néztem és ellen-párhuzamosnak véltem a kapcsolást, de nem az. Gondolkodtam, mit keresett ez a kapcsolás egy frekiváltóban, de valószínű tiltó-engedélyező funkciója lehetett.
Rossz helyen keresed. "MIG/MAG/Co2 hegesztő készülékek házilag" ott találsz, de ha nem találod meg akkor megkeresem és elküldöm.
A hozzászólás módosítva: Dec 15, 2022
2016-os hozzászólásra válaszoltál. Bár, lehet még aktuális.
Én is észrevettem, de már akkor nem tudtam kitörölni.
Érdekesen szívatott egy áramkör, hogy népies legyek. Ellenpárhuzamos tirisztorokkal kapcsolom a hálózati feszültséget egyenirányító hídra, ami behúzó mágnest táplál, ca 6-700VA. Itthon nagyszerűen működött, leválasztó transzformátorról működtetve, a helyszínen a tirisztorok begyújtás után vezetésben maradtak. A gondolatom, fázistolás miatt nem tudnak kikapcsolni, beigazolódni látszik, egy 680nF-os kondenzátort a tekerccsel párhuzamosan kötve a kikapcsolás rendeltetés szerűen működik.
Gyári SSR-ekkel sosem volt ilyen gondom, itt a nagy érzékenységű tirisztorok használatából fakadhat. Néhány mA a gyújtóáramuk... A hozzászólás módosítva: Máj 14, 2023
|
Bejelentkezés
Hirdetés |







