Fórum témák
» Több friss téma |
Helló!
Nekem egy olyan tápegység kapcsolási rajza kellene amelynek pl. 12-24VDC bemeneti feszültsége van és 12VDC 500mA a kimeneti feszültsége!!! Előre is köszönöm!
Szia!
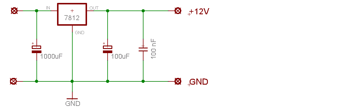
Erre találták ki a stabilizátorokat neked egy 7812 kell. Annak max 30 voltot lehet adni a bemenetére(ha jól tudom),és minimum 14 voltot szerintem ez kell neked, ja és maximum 1 ampert tud.
Hali!
Neked ez kell a trafó és egyenírányító diódák nélkül!
Csak a pontosításért: 35V bemenő a max és 1,5A-t is elbír megfelelő hűtéssel.
Amúgy erősítős topikok után a tápegységesek a dobogósok, szerintem ez is nagyon sok helyt elfért volna. Ez utóbbit zsompi-nak írtam.
Szia!
Én most olvastam a datasheetcatalog.com-on és ott maximum 1 ampert és maximum 30 voltot írt, de lehet hogy más gyártó más teljesítmény.
Lehet, én LM és UA szériát néztem, mivel én ezeket használom. Szerintem soknak van akkora tűrése, hogy még belefér s lehet az is eldurran
Amúgy nagyon "szívós" IC-k.
Én is az LM et szerettem amíg volt a boltban, de mostanság csak MC-t kapok
.
Neked miért baj az ha 1-1,5A-t bír el az IC, igazán nem tudom. Áramgenerátor funkciója is kéne legyen? Túláramvédelem? Nem értem.
Stabilan a kimenetén legyen 12V és 500mA.
500mA-nél több ne jöjjön ki a kimenetén remélem így érthető
Akkor jól túlkomlikáltad a dolgokat. Annyi áramot vesz fel a switch-ed amennyire neki szüksége lesz, emiatt ne félj.
Hát nem tudom mert egyszer rá dugtam egy 1A-es tápot egy másikra azt meg döglött !
És arra is 500mA volt írva
Ott feszültségkülönbségek lehettek akkor. Biztos a másik switch-ed is 12V-os volt s nem 9V? Hanem a tápod volt a hibás, vagy a switch. Mérj rá az 1A tápod valóban megfelelő feszültséget ad-e le.
Használj ilyet áramkorlátozásra. Garantáltan megvédi a tápodat is és a táplálandó áramkört is a túláramoktól.
Szia!
Ajánlom az L200 -as IC-t! Beállítható áram (max 2A) és kimenő feszültség (2,85 - 40 V). Bemenő feszültsége max 40V (10 ms-ig 60V) Bővebben: Link kapcs. rajz
Switcheket 12V-18V közötti tápról szoktam járatni, ha épp nincs meg az eredeti kistáp. Akár a legolcsóbb, átkapcsolható feszültségű dugasztápokkal is mennek, stabil táp nem is kell neki. Szomszédos lépcsőházaknál távtáplálására két, vagy három dugasztápot sorba kötök, 24-36V körüli feszültségre, a másik oldalra megy egy SAL szivargyújtós átkapcsolható feszültségű adaptert szoktam tenni, csak a bemenetén lévő 16V-os kondit kell kicserélni nagyobb feszültségűre. Kapacitásérték nem lényeges, de minél nagyobb, annál jobb. És mivel kapcsolóüzemű a cucc, így el van érve, hogy az UTP kábelen a jel mellett átmegy a táp is a kábelen, nagyobb fesz, és kisebb áram mellett. (kevesebb veszteség) Vagyis nem támasztanak a switchek semmiféle különleges igényt a táppal szemben. Fordítva ne kösd rá őket, meg 18V feletti feszt sem adj rá, mert elpukkanhat benne egy- két kondi. 12V alatt meg nem üzembiztos, szakadozhat az átvitel. Mérd meg, hogy a tápod, amit találtál hozzá, milyen feszültséget ad a switchnek, terhelés alatt. Ha megdöglik, akkor azt a PC-kről jövő nagyfeszültségű nagyfrekis zaj, vagy EPH probléma okozhatja. Nálam switch működő portjai kezdtek fogyadozni, átdugtam a kábeleket másik portba, amíg volt elég számú, na meg rákészültem új vásárlására
Ez tökéletes erre a célra.
|
Bejelentkezés
Hirdetés |






Amúgy nagyon "szívós" IC-k.
.
