Fórum témák
» Több friss téma |
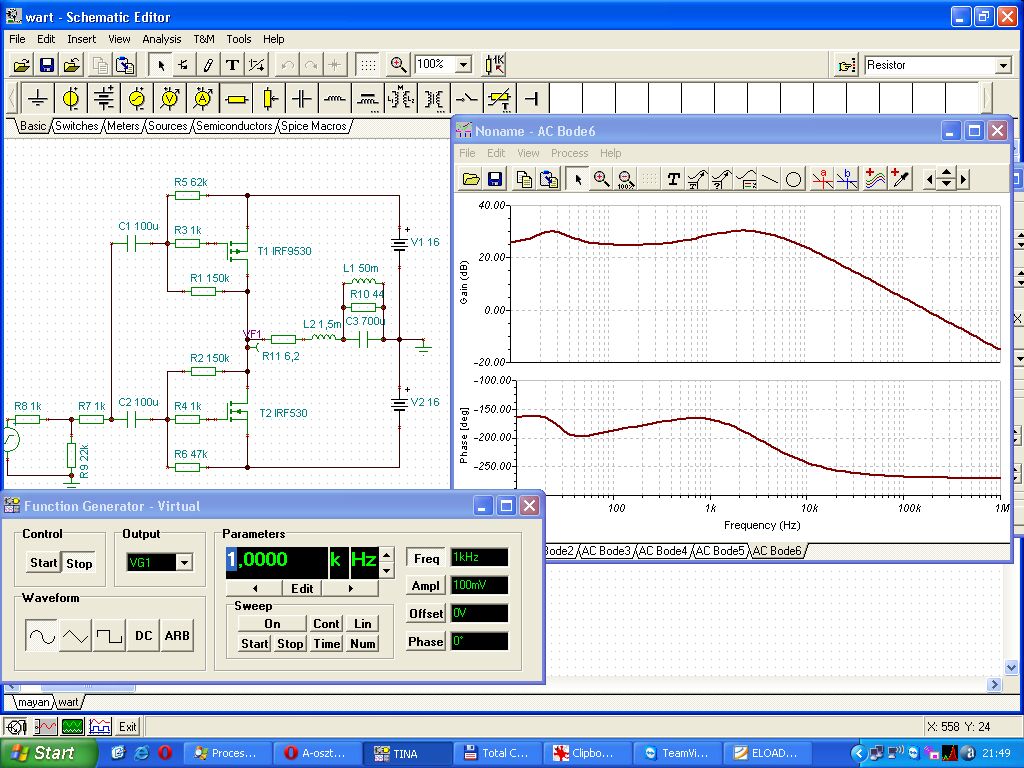
Valami nem stimmel, megcsinálom mégegyszer, van egy korrektebb helyettesítőkép is.
Na, most ez, egy elfogadottabb helyettesítőképpel van, nem is konyul fent.
Na mégegyszer a wartowsky átvitele a jobbik helyettesítőképpel.
De a lényeg az látszik így is, úgy is.
Idáig érdekes,
jön a kettes verzió, építsétek, hallgassátok szeretettel.
Használhatsz npn vagy pnp tranyókat is, csak megfelelően kösd be...
nekem most pnp-kkel van, de lehet ugyanolyan jó npn-ekkel is, csak akkor nem volt 4 egyforma npn tranyóm. Ja a tranyók azért valami megbízhatók legyenek, pl. ez a bd243 vagy pnp-nek bd244, nagyon jó, nekem st gyártmányú, ezt nemigen hamisítják mert nem drága... 6 ampert bír ami több mint elég.
Jézus anyám
![]() Oké, meggyőztél. Ezzel kiegyezek.
Nézegettem a bekötésedet, de eltévedtem az IC-nél.
Bővebben: Link 9 vezetéket számoltam a 8 lábra. A 4 kimenő kis vékonyat sem értem. Kösz
Abból kettőt rászámolhatsz a potira!
Az RCA aljzattól jön.
Ok, kösz látom.
Össze is dugom még ma a bredboardon vagy micsodán... :zavart2:
Nnnna.
A gyengébb idegzetű olvasók ne nézzék meg! :-X Szóval szerintem aláírható hangja lett a cuccnak, én alá is írom. 0,2A áramot mértem a + ágban. ez nem tudom jó-e. 6k ellenállás mellett. (A dugványozó kártya alján egy más készülék maradványai)
160 mW-ra biztos jó 8 Ohmon vagy 320mW/4 Ohm!
Hm. A osztály, és 0.2A? Szerintem nem eléggé terhelhető az a sima pc-táp. A -12V-os ág csak egy gyenge diódát tartalmaz. Próbáld ki normális táppal, hátha feljebb megy a nyugalmi áram. Üdv!
Ez nem sima pécé táp. Fáradságos tunninggal kicseréltem a -12V-os diódát egy izmos darabra... Alig fért el.!
![]() Persze nem ez lesz a végleges. Ez csak az első teszthez kellett.
4ohmos hangszóró az illető. Hangerőre bőven elég szobába, csak furcsa volt a mért érték.
Egyébként tényleg jól szól ez a tl082
Szevasztok.Oszeraktam ezt az erositot,es mukodik szepen csak az a problemam hogy alapjaratba van egy kis bugasa,ami nagyon zavaro.Az alimentalast az jol megcsinaltam,tetem neki egy 300W-os trafot egy 32A-es graetz hidat,meg ket darab 10000mikros kondit.Foleg akor bug a legjoban mikor bealitom neki a 2.7A-nyugalmi aramot,ugyanis enyit ir elo a raj.A vegfok egyebken+-30V-rol muxik.A parameterei angolul van amit csak nadjabol ertek:Secondary Voltage(Vrms)=30,Supply Rail Voltage(V)=33,Quiesccent Current (A)=2.7,Power 8ohm(W)=60,Power 6ohm(W)=45,Power 4ohm(W)=30.Ha valaki tud angolul,vagy megcsinalta mar ezt a veget irja le nekem ide hogy mit is jelentenek pontosan ezek a parameterek,ja es a velemenyet.Ja es meg valami,a rajzon az R13,R14,R15,R16-os ellenalasok mijen ertekuek kell hogy legyenek pontosan,en ugyanis 0.1ohmos ellenalasokat alkalmaztam oda,a rajzon pedig 100m-el vannak bejelolve.Meg valami:hamikor bealitom a vegnek a 2.7A-es nyugalmi aramot a kozepfeszutseg viszacsoken egy par voltal a plusz agba,de visza tudom alitani a VR1-es(2k)trimerel,ezs normalis igy?.
A segitsegeteket elore is nagyon koszonom.
Ma ismét működésre bírtam a Hiraga-t...és most szóhoz sem jutok, olyan jó 1 -1,5 évet pihent a szekrényben, és most olyan érzésem van, hogy eddig, illetve addig míg állt, addig csak szemetet gyártottam. Mintha kicserélték volna szempillantás alatt az egész cumómat.
szamóca: Az az 1,7A nyugalmi egy kicsit sok, így elég bőven kisebb borda is. Én valószínű a 4 nagy dög borda helyett csak kettőt fogok használni a 2 oldalhoz. Neked mekkora a borda amin gondolkodtál? Egy képet rakj fel és megmondom, hogy elég-e ehhez vagy sem. Egyébként a szerző 0,8-1 A nyugalmit ajánl, én 1,3A-on üzemeltetem. 1,7A-on már erőltetettnek hallottam a hangját, és kisebb nyugalmival sokkal nyugodtabb.
Hello, a 0,1R szerintem jó a 100m-hez.
A nyugalmit ha lejjebb veszed mi történik? Quiescent Current = Nyugalmi áram Supply rail voltage = táp ellátás korlátja, azaz max Ube 33V Be tudnád linkelni az oldalt? Üdv.
Hali.Ha lejeb viszem a nyugalmi aramot akor romlik valamejest a hangja a vegnek.Belinkelem az oldalt es ot leir mindent a vegrol csak angolul,es meg van 2-masik valtozata is a rajznak,de szerintem ez a legjob rajz amit en csinaltam meg,a masik keto gyengeb lehet.
Bővebben: Linkhttp://www.tcaas.btinternet.co.uk/jlhupdate.htm Idézet: „Ma ismét működésre bírtam a Hiraga-t...és most szóhoz sem jutok, olyan jó 1 -1,5 évet pihent a szekrényben...” Erdekes dolog ez az A osztaly. Nekem is megvan még az A osztalyu JLH erositom de csak porosodott az asztal alatt mar jo ideje. Aztan a heten bekotottem a 3 utas aktiv valtos rendszerbe es a kozep-magas reszt hajtom vele. A mélyek a KD mester féle conductor erositorol mennek. Nekem is nagyon kellemes megelepetesben volt reszem es megvaltoztattam a velemenyem miszerint atalakitom ezt a JLH erositot fules erositove ... szoval megsem alakitom at, megtartom olyan formaban ahogy most van. Eddig a B5-os erosito hajtotta a kozep-magas reszt, de a JLH-val valahogy kellemesebb, jobb, zeneibb. Pedig ha nem az aktiv valtos rendszerben hallgatom oket akkor a B5 most is jobbnak tunik. Fura ez az audio technika, a fene se erti ezeket a nyavajas erositoket ...
Szia!
A tápot jobban kell szűrni! Te is írod hogy nagyobb nyugalmi áramnál jobban búg, mert olyankor nagyobb a tápfeszültség hullámossága. Valószínűleg nem túl nagy a tápból jövő bugófeszültség elnyomása. Az A osztályú erősítők általában kényessebbek a tápra. De lehet földhurok is ha nem az eredeti nyákkal és bekötéssel építetted meg. Üdv.
Helo.Ha lekotom a bemenetet a testre akor is bug,tehat a vegbol jon a bogas nem pedig foldhorok.De igazad lehet aban hogy a kondik kevesnek bizonyultak,talan ha megprobalnam 2X33000mikroval,az segitene rajta,de lehet hogy nem volna mar eleg ket oldalnak?.Az is befojasolna hogy hogy vanak elrendezve a panelon az alktreszek?szerintem nem lehet epen enyire erzekeny ez a veg a gerjedesre.
Hasonló véleményen vagyok én is, ugyanis akármikor egy régen nem használt végfokot bekapcsolok, mindig találok benne olyan (azt hiszem ezek csak elfeledett dolgok, hangok, (talán olyan érzések amik jó emlékeket hoznak elő belőlem)) amik tetszenek, és amitől tud tetszeni annak a végfoknak a hangja.
De ez mivel van választék itthon, csak egy darabig van így, mert valamiért mindig váltogatom őket kisebb rövidebb időközönként. Idővel "előjönnek" azok a hangok amik már annyira nem tetszenek benne, és ha már kimondottan vagy akár kimondatlanul is kellemetlenné válik egy hosszabb időszak után a végfok hangja akkor cserélek, és jön az a bizonyos sóhaj, hogy húúú de jó most ezt hallgatni ez meg az után. Ha tök objektív akarok lenni, akkor a valóság szerintem az, hogy ez azt jelenti, hogy egyik sem felel meg az igényeimnek maradéktalanul! Valószínű csak álltatom magam (hiszen ezek szerint még nem vagyok képes olyan minőséget építeni ami megfelelne nekem), vagy a hobbit éltetem ezzel az álltatással. Vagy csak elfoglaltságot keresek magamnak ezzel, stb... Na a vége már nagyon nem arról szól objektívan amiről kéne, de az egész gondolatmenetnek talán helye van itt. szamóca: Láttam képet az eredetiről, az alapján szerintem elég lesz ez a két borda a két oldalhoz. Ez ugye az amit a börzén vettél és az egyik éle kicsit sérült? Ha meg nagyon fűtene, akkor meg 1,3 helyett lejjebb kell menni az ajánlott 0,8-1A-ra.
Csak egy észrevétel, vagy megállapítás: azt hiszem ezt építette meg CIROKL mester is, de végül nem fejezte be, mert nem felelt meg a hangja neki.
Ha van szkópod, mért meg a tápot, 2,7A nyugalminál mit mond, ha nincs, esetleg akassz rá egy multit, és figyeld esik e a tápfeszültség a nyugalmi áram feltekerésével.
Ott a linken az ajánlás a búgás csökkentésére a "15/03/2003" módosítás szerint egy legalább 47µF elkó az R11-hez.
De a tápfeszt akkor is jobban kel szűrni egy A osztályú erősítőnek, csatornánként legalább 20 000 -30 000µF ( ha nem stabilizált táp) azaz 4x20 - 30 000 µF kellene.
Igen ezek azok a bordák, és tökéletesek lennének a fa előlaphoz. A mennyiségi kondikérdést Te hogy oldottad meg?
A földhurok által felvett zavar nem szűnik meg a bemenet rövidre-zárásával! Így nem lehet ellenőrizni.
De ettől függetlenül szerintem is inkább a tápon kell javítani.
Lehet butaság, de a Vrms 30V nem +-15v ?
|
Bejelentkezés
Hirdetés |







nekem most pnp-kkel van, de lehet ugyanolyan jó npn-ekkel is, csak akkor nem volt 4 egyforma npn tranyóm. Ja a tranyók azért valami megbízhatók legyenek, pl. ez a 









