Fórum témák
» Több friss téma |
Ha pesti vagy, akkor hamarosan be lesz dobozolva a Hiraga-m szívesen és kíváncsian összemérném vele azt.
Van még DOZ, és JLH is, ha éppen... akkor már azokat is elvihetem. De szerintem a DOZ csak arra jó, hogy nehéz, és lehet vele kutyát dobálni. Jelenleg így állok vele, és nem kapkodom el. Már egyszer kb 1 évig ez működött, aztán ment a szekrénybe, és most pár napja elővettem, hogy majd bedobozolom, mert valaki jönne meghallgatni, egy esetleges építtetés miatt.
Most nézem, hogy Dunakeszi, de az sincs messze. De inkább akkor nálam lehetne egy meghallgatás, mégis a mennyiségi kedvezmények miatt...
Van még egy csomó AB osztályú is, annyi, hogy Dunát lehet velük rekeszteni, pl a GainClone-t bátran oda merem tenni bármelyik A-osztályú mellé, megállná a helyét rendesen. A DOZ-nél nekem például klasszisokkal jobban tetszik a hangja. Aztán a B5 sem egy elítélendő szerkezet, ő is az élvonalhoz tartozik azért rendesen. Mindegyiknek egyéni hangja van számomra.
Zoli!
Hány cm2 a hűtőfelülete csatornánként a Hiragádnak?
Még nem mértem le, majd ha nagyon ráérek, de ez ígí ahogy van még sok is neki. 2A nyugalmival megy föl olyan 50 fok körülre. Ha tartanám magam az előírt 1,7A-hoz, akkor éppen hogy langyos lenne. A tömegét tudom csak 4X4,5kg, tehát ez inkább hőn tartó mint elvezető. Egyébként 22cm magas, 10cm széles, és 11,5cm mély, és ebből van 4db. Az alap húsa 1,2-1,5cm-ig mert nem sík a hátulja, hanem ék alakú, és 14db bordája van.
OFF topic és gyalázkodó hozzászólások eltávolítva.
A továbbiakban maradjunk meg úriemberek szintjén, ha ez egyáltalán lehetséges! (Akinek szól, értse, akinek nem, kuncogjon rajta...)
Hogy valami értelmeset is csináljunk.
Nézd meg először a nyugalmi áramot külön-külön, csatornánként. Ha stimmel, akkor a bekapcsolási tranziensekkel is próbálj valamit kezdeni, pl. késleltetővel vagy a táp és a végfokok közé tegyél egy plusz kapcsolót. Egyszerű, de működik. A másik fontos dolog hogy a két csatorna testjeit közös pontra kell rakni. Remélem tudtam segíteni.
Oké, én benne lennék köszönettel, el is vinném a cuccot, és egy kis-gainclone-t is, amit kit-ben küdtek messziről.
Már csak azért is érdekelne egy ilyen teszt, hogy tudnék választani.... mert nem ragaszkodom ám mindenáron ehez a complementary-zenhez.
Hát nem tudom.... ma is volt egy baleset.
A végfokot külön tettem rá a tápra, miután azt bekapcsoltam a tegnapi feszültségen. Az alsó fet elugrott. Beraktam egy újat, és 6v-ról mentem fel megint 1,3A-re. Így megy. De minden bekapcsolásnál elég fura játék nulláról feltekerni a nyugalmit. (Megmértem egyébként asszimetrikus a két fet Gate-feszültsége, talán ez lehet a probléma.)
Valami gebasz lehet a rendszerben.
Egy tucatot összeraktam ebből a végfokból, és csak az első egy-két példánynál voltak problémák. Tényleg kényes a tápfeszre, próbáld meg az izzós megoldást, egy-egy 24V/21W-os izzót köss be a "+" és a "-" ágba, és 24V körüli értékre állítsd a tápfeszt, ott körül kezdenek nyitni a Fet-ek. Nálam a kezdetekkor főleg a bekapcsoláskor keletkező tranziensekkel volt probléma. A Sprague kondijait szoktam általában használni, és mivel a 22000µF-os kondijaik is befőttesüveg nagyságúak, elég nagy áramot vesznek fel bekapcsoláskor. Én csak ezzel a problémával találkoztam, pedig nem foglalkoztam a Fet-ek párba válogatásával.
Bizonyosan a tranziensekkel van a probléma erre jutottam én is. Lehet valami védelmet berakni? Most ideiglenesen egy 10000mikrós van a tápban... nem tudom ez számít-e.
Ajjaj! Az nekem túl nagy a már meglévőkhöz.
Egyik előző hozzászólásomban már írtam hogy rakj be
késleltetőt, vagy rakj be a táp és a végfokok közé egy kapcsolót. Az a legegyszerűbb. Ha lefutnak a tranziensek rákapcsolod a petrót az erősítőre, aszt' kész.
Én is írtam az egyik előző hozzászólásomban, hogy csak a táp éledése után kötöm rá az erősítőt.
Ekkor van valami nem kívánatos löket.
A kapcsoló gyorsabb és biztosabb kontaktot tud létesíteni, mintha csak egy drótot kötnél össze egy másikkal. Tudom, kipróbáltam....drótos kötözgetéssel
nálam is elszállt a végfok.
Oké kipróbálom, mert ez most krokodilcsipesz...
Hasonlót, de konkrétan ezt:
Bővebben: Link
A minden ellenállás 1 %-al van a baj, mert a kétféle FET-nek nem egyforma a meredeksége.
Kösd le a hagszórót az élesztésnél és a két kondit a bemeneten, egy-egy 1M-án keresztül töltsd fel, és amikor feltöltődött, csak akkor söntöld ki az 1 M-sokat. Most úgy működik, hogy bekapcsolod, feláll a táp és elkezdi tölteni a kondikat, de amig tölti, addig végtelen áram folyik a végtranyókon. Namost, tegyük fel, hogy ezt kibírja, de akkor meg az alsó FET fog elpukkanni, mert a kimenő kondit is tölteni kellene a hangszórón keresztül. Az is jó megoldás, hogy a 47k-kal párhuzamosan kötsz egy egy a bemenő kondinál 10x nagyobb kondit, ami zárva tarja a kimenő tranyókat az egynesúly beálltáig. utána lekapcsolod és kisütni, tehát morse kapcsoló kell hozzá. Ezért azt úgy töltsd fel, hogy tegyél a hangszóróval sorba egy 1 K-st és egy LED-et és azt akkor söntöld ki kapcsolóval, ha már a kimenő kondi feltöltődött. Ezt onnan fogod tudni, hogy a LED elaludt.
Köszönöm szépen!
Megpróbálom megcsinálni. Igaz, a hangszóró nincs rajta bekapcsoláskor. Az asszimetria gond..... nem is egyformán melegszik a két fet és a gate feszültségek sem egyformák. Amit beraktál kapcsolást az imént az honnan van? Mert ott mintha eleve asszimetrikus gate beállítás lenne... Mert azért sajnálnám, most is ez szól... tetszik a hangja 4 ohmos hangszóróval. (mintha 8 ohmmal nem szólna szépen. lehet ez?)
Az a bizonyos kimenő impedancia, ami a loudness jellegű frekimenetet csinálja. 8 Ohm-ra csak fele annyit emel ki a mélysugárzó rezonanciáján és a hangszóró induktivitása miatt magasakon...továbbá feleannyi a nyilthurkú erősítés, ami miatt még egy kicsit tovább nő a kimeneti impedancia, tehát a mély és magas emelés, mint 8 ohm-on...
Tudom, eszembejutottál, de mintha fordított benyomásom lenne. 8 ohmon, mintha elfogyott volna a közép, és összefolyt volna a mély.
De mindjárt kipróbálom, mert elbizonytalanodtam... :-X Persze a kísérletet beárnyékolhatja, hogy úgy 8 ohmos, hogy párhuzamosítom a két 4 ohmos dobozt
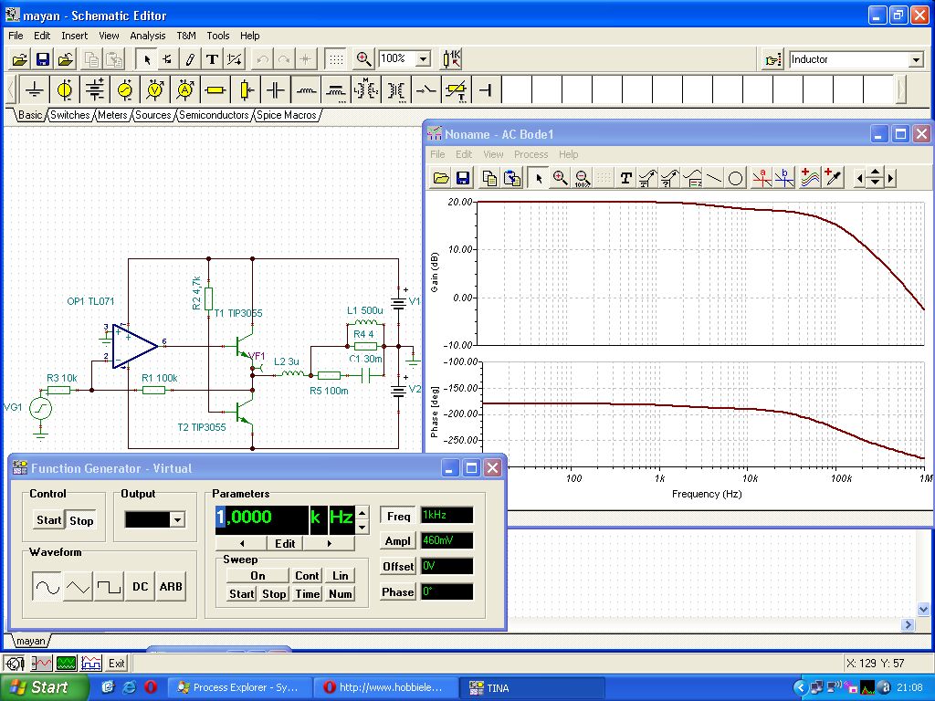
Figyelj, már a legegyszerűbb hangszóró helyettesítő képre is ezt az átvitelt adja a szimulátor:
Hát ezért szeretik nagyon az újságírók a Single Ended jellegű kütyüket...
Nem csinálnád meg a mayan féle cuccot is? Látnánk egymás mellett.
Megcsináltam. De ha egy nagyobb kimeneti impedanciás IC-t használnánk, mondjuk LM318, akkor visszajön a loudnesses átvitel.
Hát ezért nem mindegy az IC sem. |
Bejelentkezés
Hirdetés |








) 