Fórum témák

» Több friss téma
Fórum » A-osztályú erősítők
 
Témaindító: Dióda, idő: Feb 14, 2006
Lapozás: OK   60 / 137
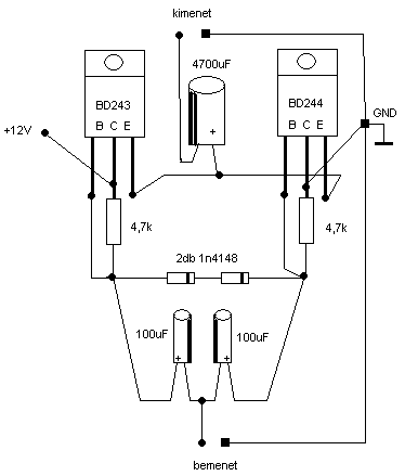
(#) Mayan válasza isssti hozzászólására (») Máj 20, 2010 /
 
Rajzoltam neked egy legszerelt rajzot:

rajz.png
    
(#) isssti válasza Mayan hozzászólására (») Máj 20, 2010 /
 
Köszi szépen, igazán rendes vagy! Ezek után minden új kapcsolásodat összerakom! Különben szerintem így valahogy kötöttem össze én is a próbapanelon, de tervezek neki egy nyákot ha beválik, délután átellenőrzöm újra és szólok mire jutottam, addig veszek új tranzisztorokat, biztos ami biztos...
(#) Rober_4 válasza varttina hozzászólására (») Máj 20, 2010 /
 
Amit nem akarok bolygatni, az a r10 c9-ből álló visszacsatolás, ami bevonja a t1-ből álló előfok részt a hangzásba, ugyanis ez kellemesen beleszól a frekvenciamenetbe, és ezért akarom inkább ezt a kapcsolást fejleszteni, mint újat építeni, mivel összhangban van a hangfalam tulajdonságaival. Viszont a teljesítménnyel ellentétben, fontos lenne a lehető legkisebb torzítás.
(#) Rober_4 válasza Rober_4 hozzászólására (») Máj 20, 2010 /
 
Szerintem nagyban hasonlít a két erősítő egymásra, leszámítva, hogy az enyém komplementer tranzisztorpárral működik, ezért is gondoltam, hogy lehetséges a fejlesztés. Bővebben: Link
(#) oibacsi válasza szamóca hozzászólására (») Máj 20, 2010 /
 
Szamóca, te is vendégem vagy egy sörre
Közvetlenül az ic lábaihoz forrasztottam a csillagpontot...
Az utolsó milivolt is eltűnt. (mármint a kimeneten a zaj)
Az első 10mp-ben van kinnt olyan 1,5mV, aztán elhallgat.
Visszarakom a biztifoglalatot és legyen meg Mayan akarata, megy a kép
(#) hugi00 válasza violin hozzászólására (») Máj 20, 2010 /
 
A melleklet 6.oldalan csemegezz.
(#) oibacsi hozzászólása Máj 20, 2010 /
 
Parancsolj Mayan

pack.zip
    
(#) violin válasza hugi00 hozzászólására (») Máj 20, 2010 /
 
Dankesör! Megnézem....
(#) Mayan válasza oibacsi hozzászólására (») Máj 20, 2010 /
 
Fullos... csak igy tovabb!
(#) oibacsi válasza Mayan hozzászólására (») Máj 20, 2010 /
 
Köszi!
Van ötleted egyébként arra hogy TL074 helyett mit használhatnék, ami kevésbé érzékeny a zavarokra és lábkiosztása is stimmel?
(#) hugi00 válasza violin hozzászólására (») Máj 20, 2010 /
 
Majd jelezd melyikre esett a valasztasod.
(#) violin válasza hugi00 hozzászólására (») Máj 20, 2010 /
 
Háááát.... talán a 2SJ201-2SK1530 páros jó lenne....
(#) oibacsi válasza violin hozzászólására (») Máj 20, 2010 /
 
Hátha érdekes lehet számodra:
Bővebben: Link
(#) Mayan válasza oibacsi hozzászólására (») Máj 21, 2010 /
 
Esetleg tl084... mast nem tudok, de szerintem kiraly a tl074. Milyen zavarokra gondolsz ? Nekem most ilyen a cucc, nem invertalo bufferkent bekotve, a bemenetnel van 47k lezaras, ebben a kapcsiban pl. nem kell az ic-nek fold, ezert nem is lehet ott a csillagpont. Siri csendes, semmi zaj. Elofokkal egyutt van egy leheletnyi sisterges, de nagyon kell fulelni hozza hogy meghalld.

IMAG0006.jpg
    
(#) violin válasza oibacsi hozzászólására (») Máj 21, 2010 /
 
Köszönöm! Ezt ismerem....de ez "csak" a 30W-os verzió....és nem FET-es a vége. Én már egy rakás 20-30W-os Hiraga-t építettem....most a nagyobbat szeretném elkövetni...
(#) andras1 válasza violin hozzászólására (») Máj 21, 2010 /
 
Ha ismered, akkor miért mondasz olyat, hogy csak 30W?

"The amplifier is down -3dB at 208kHz and can deliver 58W at full power. "

Ez nagyon 58W-nak hangzik!
(#) violin válasza andras1 hozzászólására (») Máj 21, 2010 /
 
Eseteg 4 ohm-on......1,36X35=47.....ennek "csak" 24V-os tápfesze van...az eredeti 60W-osnak 34V.A nyugalmija is magasabb....
Szóval akárhogy is nézzük EZ NEM AZ.
(#) violin hozzászólása Máj 21, 2010 /
 
Az egyik mostani 30W-osom 8 Ohm-on 30,4 Ohm-on 50W-ot produkál...
De én 60W-os szeretnék....8 ohm-on....
(#) andras1 válasza violin hozzászólására (») Máj 21, 2010 /
 
Amit a srác épített a linkelt oldalon az emelt tápfeszes-nem 24, hanem 35V! ( Ott az eredeti kapcsolás is. ami valóban 24V ) Ettől még lehet hogy nem az amit Te szeretnél, csak a pontosság kedvéért mondom.
(#) oibacsi válasza andras1 hozzászólására (») Máj 21, 2010 /
 
A két oldal együtt 58
Mayan:
Ebből nem sok mindent nézek ki.
A kimeneten mérhető zaj minimum poti állásnál 1 mikrovolt körül van. Érdemes vele foglalkoznom még?
(#) andras1 válasza oibacsi hozzászólására (») Máj 21, 2010 /
 
"A két oldal együtt 58"

Erről beszélsz Te is?

Mert ez oldalanként 58W at full power akárhogy is nézem, akárhogy is olvasom. De lehet hogy én vagyok a hülye. 1,65A nyugalmival, 35V tápfesz mellett 58W-nál kezd klippelni.
(#) hapro válasza andras1 hozzászólására (») Máj 21, 2010 /
 
Nem vagy hülye, csak egy kicsit szögletesen látod a dolgot...ha jól értelmezem oibacsi hozzászólását, akkor ő csak poénnak szánta azt hogy a "két oldal..."
(#) oibacsi válasza andras1 hozzászólására (») Máj 21, 2010 /
 
I decided to base my build on the latest version that I could find called the "Super Class A 30W"
Na én ezért gondoltam...de én is érthetem félre.
(#) hapro válasza oibacsi hozzászólására (») Máj 21, 2010 /
 
Na akkor én is félre értettem. Az internet csodája ez...mert olyan jól lehet írásban gesztikulálni és még a mimikákat is látjuk egymáson.
(#) andras1 válasza oibacsi hozzászólására (») Máj 21, 2010 /
 
Ja semmi gond, lehet hogy fáradtabb vagyok a kelleténél, és nem jött le.Sorry.
(#) violin válasza andras1 hozzászólására (») Máj 21, 2010 /
 
Abban teljesen igazad van,hogy ez egy megemelt tápfeszes verzió...

Akkor úgy mondom,hogy én az eredetileg is 60W-ra méretezett,FET-es végűt szeretném megépíteni...
(#) andras1 válasza violin hozzászólására (») Máj 21, 2010 /
 
Arról csak az a rajz van a mit feldobtál?
(#) oibacsi válasza Mayan hozzászólására (») Máj 21, 2010 /
 
Mellékesen normális az, hogy csak kb. 15w az áramfelvétel a konnektorból mérve?
(#) Mayan válasza oibacsi hozzászólására (») Máj 21, 2010 /
 
Viccelsz ? Az mar igencsak jo... Hogyhogy nem sokat nezel ki belole ? Az ic ott log a tranyok alatt. Ennyi az egesz, csak azert tettem fel, mert igy latvanyosan egyszeru... Alig van valami a dobozban... De neked elarulok egy titkot: Miota megcsinaltam az uj cikkemben levo vegfokot, 3-4 valtozatban, azon esz a fene hogy melyik a jobb. Ma reggel dontottem. Az uj, ab-osztalyu minden eloiteletem ellenere szebben szol. Levegos, eletteli, dinamikus. Az elo noi enekhang sokkal jobb jelenleterzetet ad, mint az a-osztalyun. De nagyon fontos hogy jo alkatreszekbol legyen. A sanken tranyokkal epitett SOKKAL szebben szol mint a bd-kkel epitett.
(#) Mayan válasza oibacsi hozzászólására (») Máj 21, 2010 /
 
Es mennyi az egyenarambol ?
Következő: »»   60 / 137
Bejelentkezés

Belépés

Hirdetés
XDT.hu
Az oldalon sütiket használunk a helyes működéshez. Bővebb információt az adatvédelmi szabályzatban olvashatsz. Megértettem