Fórum témák
» Több friss téma |
Fórum » AC motor szabályzó
Témaindító: tibor.bata, idő: Szept 25, 2006
Témakörök:
Helló!
Van valakinek tapasztalata a AC motor szabályzók (triakos szabályzó) terén? Elvárás: alacsony fordulatszámról fokozatosan szabályozni a fordulatszámot. Van valakinek jó bevált kapcsolása? Köszönöm.
Én javaslom inkább a mosfetes vagy IGBTs kapcsolást. Nézd meg ezt
Milyen motorhozkell?1Fázisú,3fázisú?mekkora a motor teljesítménye?
1 fázisú, 230 V AC, a teljesítmény max 2 kW
Aszinkron motorokat csak frekvenciaváltóval lehet szabályozni, hogy teljesítménye is maradjon.
Nem aszinkron motor, hanem univerzális (kollektoros vagy hogy mondjam).
Az eredeti szabályzója PIC + triak. A triak jónak tűnik. Hogy tudom "lemérni", hogy a PIC ment tönkre? Ha tönkrement a PIC vajon mi heletett a programja?
Ha jól tudom az univerzális motor fordulatszáma a kapocsfeszültséggel egyszerűen változtatható.Legegyszerűbb az un.fázishasításos módszer,szerintem a régi szabályozó is így működött.Azt nem tudom PIC miért volt benne.
keresek kapcsolást.
Az kiváló, jól szabályoz6ó!
Valszeg van rajta vmi jeladó ami a fordszámot figyelte és ennek alapján a PIC nyomatéktartó szabályzást valósított meg. Mire akarod használni?
Szerintem valami hasonló kell neked.Az izzó helyére kösd a motort.Lehet hogy egy-két alkatrész értékét változtatni kell.
Ráéreztél a lényegre!
Ez a motor egy (kisebb)dagasztógépet hajt. A motor tengelyén van egy mégnes a mégnes közlében egy kütyű amiből két vékony drót jön ki, és a szabályzó panelra van kötve. Most ez a PIC + triakos szabályzó van helyettesítve egy triakos fényerő szabályzóval, de nem az igazi. Az alacsony fordulatszámra nem lehet rábírni. Ha melegszik a környezet hőmérséklete néha teljes fordulatszámon kezd működni... Az eredeti szabályzót kellene megjavítani, de PIC-vel nem foglalkoztam, meg ha tönkrement nem tudom mi lehetett a programja... Vagy az eredeti szabályzó helyett csinlni a fényerő szabályzónál jobbat...
Igazából én nem tippelnék rögtön a PIC-re...
Ha 2 vezeték jön a jeladótól, akkor az csak reed relé lehet. Egyszerűen ohmmérővel mérd ki, ha ott a mágnes zár (a 2 vezeték között nulla ohm), ha nincs ott akkor nyit (ritkán fordítva, de mind1). Mint egyetlen mechanikus alkatrész, én erre tippelek, aztán halad6unk tovább.
Pontosan nem ismerem a reed relét.
De ez úgy néz ki, hogy a tengelyen egy mágnes gyűrű van! Ha jól emlékszem mértem amikor megy a motor, és 1 V körüli feszültséget mértem. De hétvégén megmérem megint... A PIC típusa PIC 16C505. Az 5V-ot megkapja, mértem. Most lame-t kérdezek a PICeknek nem kell órajel? vagy maguknak állítják elő? Mert nem látok oszcilátort a panelen. Bár van egy fura elem a panelen 1J100 és egy fekete font van ez egyik "sarkában". A panelon azt írja mellette C3. 1J100 mekkora értékű kondenzátor? Valószínű kondenzátor mert az előállított DC 5 V -ra kan kötve.
Akkor gyanítom, hogy a fordulatszámmal arányos feszültséget szolgáltat a kütyü. A pic mérte ezt, és ettől függően állította a feszültséget, hogy állandó legyen a fordulatszám.
Bár nem ismerem a 16C505-öt, de valszeg van belső oszcillátora, ezért nincs semmi kívül.
Szia !
Idézet: „Vagy az eredeti szabályzó helyett csinlni a fényerő szabályzónál jobbat..” Szabályzás motorokhoz . Üdv !
Szia !
Vagy hall elem Ütemadó is lehet referenciának Üdv !
Akkor az egy tachogenerátor. Az 1V-ot teljes fordulatszámon adja? Mert akkor kevésnek tartom, talán legyengült a mágnes...
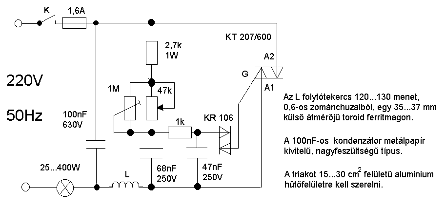
Nem biztos,hogy 1V mért fesz nem elég ,lehet az indukált jelalak tüskesorozat is... Szkóp vagy csúcsértékmérő műszer kellene. Egyébként régi RT Évkönyvben található fázishasitó szabályzó tachogenerátoros visszacsatolással. Az egyik kapcsolást annó én is megépitettem,automata mosógépmotorból gyártott polirozógép fordulatát szabályozzák vele több mint 10 éve... megpróbálom előkeresni,de időbe telik.
Ez nagyon hasonló. Forrás:RT ÉK 1976,Tirisztoros kapcsolástechnika.
Szia !
Az előző rajz nem volt jó Kijavítottam ! Üdv!
Helló!
Találtam egy szabályzó IC-t. u208.pdf Az elektrokotha azt írja e-mailbe, hogy "Nincs már ez az IC !" Szerintetek lehet ilyen IC-t szerezni valahol?
Felejtsd el. Ősi darab. Ha újat építenél, U211B tachogenerátort is fogad, kapható RET-nél.
Ősi darab azt jelenti, hogy nem is jó?
Néztem az U211B-t az adatlapján itt Nem értem, hogy mi lehet az a speed sensor! A tachogenerátort kell rákötni, de hogy? Tud valaki segíteni? Köszönöm.
Nem azt jelenti, hogy nem jó, de már nem gyártják - azonkívül nem kezeli a tachogenerátort. Anélkül megépíthetsz bármilyen kapcsolást, az nem lesz jó, mert ahogy megnő a terhelés a motoron tekerhetsz egyet a potin, aztán meg kicentrifugálja neked a masszát, mert túl nagy a fordulatszám.
Először el kell döntened (szkóppal megnézni) milyen is az a jel ami a körülírt jeladóból jön. Ehhez kell néhány alkatrészt méretezni az adatlap szerint és kész. Ez az IC optikai vagy mágneses jeladót kíván, mert van egy beépített frekvencia-fesz. konvertere. Sztem a beépített jeladót simán tudja fogadni a fentiek figyelembevételével.
Helló!
Tételezzük fel, hogy a tahogenerátor analóg jelet szolgáltat. Hogy kössem be a tachogenerátor két vezetékét? Azt értem, hogy az U209B 7-es lábára, kell valahogy bekötni, de hogy? Tud valaki, hasonló szabályzó IC-ket illetve kapcsolásokat?
Helló!
Idézet a U209B datasheet-jéből: Frequency-to-voltage Converter The internal frequency-to-voltage converter (f/V converter) generates a DC signal on pin 9 which is proportional to the rotational speed, using an AC signal from a tacho generator or a light beam whose frequency is in turn dependent on the rotational speed. Én úgy értelmezem, hogy a bejövő tachogenerátor jelének a frekvenciáját alakítja át. Ha a tachogenerátor jelét átengedem egy diódahídon, akkor oda lesz a jel frekvenciája... üdv.
Szia !
Idézet: „whose frequency is in turn dependent on the rotational speed.” Frekvencia nagysága a fordulatszámtól függ. Az adatlapon segítség lehet a 2.ábra is. Üdv !
Szia !
Nem sokat foglalkoztam tacho generátorral, de szerintem a frekvenciát itt nem a váltakozóáram frekvenciájára érti, hanem inpulzusra. Üdv !
Helló!
Olyan nagy fába vágtam a fejszémet, hogy egy PID szabályzót építsek TDA1085C IC vel. Van valakinek PCB-je ehhez az IC-hez. Vagy tud valaki olyan oldalt, ahol lehet ilyent szerezni? Köszönöm.
Sziasztok !
Egy kapunyitó motornak kellene megoldjam az áram határolását (230v 300W ac). Szóval ha valamibe (ember, autó) megakad a kapu akkor a motor álljon le.Persze ugye ne azonnal mert induláskor is nagy áramot vesz fel és nem lenne jó ha rögtön meg is állna , tehát olyan 2s után kb. Esetleg nem épített valaki hasonlót ne kelljen előről kezdenem, vagy esetleg valakinek van konkrét rajza a problémára. Előre is köszönöm! |
Bejelentkezés
Hirdetés |










