Fórum témák
» Több friss téma |
Fórum » Adatlapot keresek
Nincs. Szerintem ez egy jumper lesz, aminek a helyére áramkör-verziótól függően nem-nulla induktivitást ültetnek.
Üdv. CD7377CZ adatlapját keresném. Elvileg egy 2.1-es kis erősítőben foglalt helyet. A válaszokat előre is köszönöm.
Tessék: Bővebben: Link.
Köszönöm.
Sziasztok!
Van Ebay-en step up converter, 5V-ot készít 3V-ból. A nyák képét mellékelem. Jól látszik, hogy a vezérlő IC-re E05F van írva. Találtam adatlapot, KB2301 az IC neve, a rajta szereplő betűknek pedig meg van a jelentése is: E: külső félvezető szükséges, 50 : 5.0V , F: tokozás: SOT-23-5 , csak hogy a képen SOT-89 van, és nincs külső félvezető, tehát ennek kellene az IC-n szepelnie: L50E, ebből következik, az adatlap nem passzol hozzá. Ismeri valaki esetleg ezt az IC-t? Köszönöm.
De. Bocsánat, elírás volt. E50F, innen jön az 5.0V.
Üdv mindenkinek!
Beszereztem egy Kenwood KA-56 típusú erősítőt. Valaki kitudna segíteni néhány adattal? Annyit tudok, hogy 4-16ohm a ráköthető hangszórók impedenciája. Pontos kimenő teljesítményt sem tudok, kerestem már de több féle adatot is találtam...valahol 45w, máshol 80 az így is kevés találatból. Ha valaki tudna mondani pár dolgot még róla azt megköszönném.
Specifications
Power output: 50 watts per channel into 8Ω (stereo) Frequency response: 10Hz to 70kHz Total harmonic distortion: 0.09% Damping factor: 40 Input sensitivity: 2.5mV (MM), 150mV (line) Signal to noise ratio: 75dB (MM), 100dB (line) Output: 150mV (line) Dimensions: 420 x 110 x 277mm Weight: 6.1kg Year: 1988
Erre rátaláltam én is de köszönöm
A kérdést az végett írtam, hogy máshol is találtam róla adatokat amik eltérőek voltak. Esetleg lehet hogy több kiadása volt más más értékkel? Fontos lenne. Esetleg ha nincs senki birtokában ilyen adat, a kimenő teljesítményt méréssel meg lehet állapítani?
Eltérés a zenei és a szinuszos teljesítmény miatt lehet.
Mérhető, ha van megfelelő műszered (szkóp, szinuszgenerátor, műterhelés). A hozzászólás módosítva: Júl 28, 2016
Sziasztok! Valaki tud mutatni nekem olyan adatlapot a tr3503 ic-hez, ami nem kínai, hanem angol? Előre is köszönöm!
Miért mi nincs a kinain ami az angolon meg van ? Minden érték , és adat egyértelmű nem ?
Hello! Ez kétnyelvű...
Sziasztok!
Egy árammérő szenzorhoz keresnék adatlapot HC-PG0431V3B12C, nem találom sehol.
Kösz, ugyan pont ilyet nem találtam csak hasonlót, de legalább már van sejtésem mit tudhat.
Van egy NH10 AD tipusú alkatrész (talán fet) amihez helyettesítőt adatlapot keresnék ,az eredeti alkatrészt sehol nem tudtam beszerezni . Aki tud valamit róla ne tartsa magában , köszönöm .
Sziasztok.
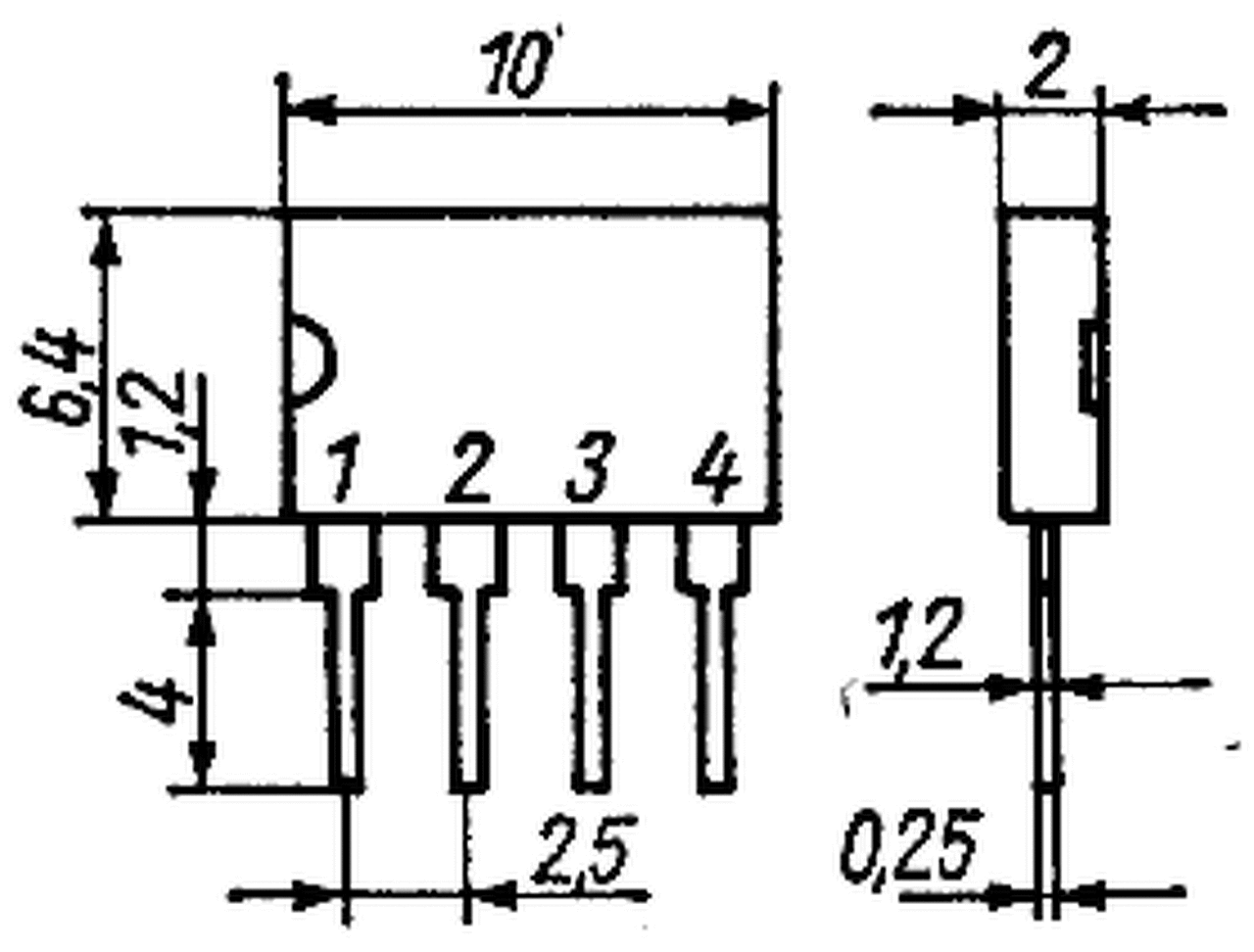
A mellékletben látható FET-hez szeretnék adatlapot találni, de a k31l3b keresésre nem ad ki semmit a google. Esetleg más lenne a típusa? Köszi.
Köszi. Úgy tűnik rosszra kerestem rá. Egyébként 12V 5A tápban van, egyedül hajtja meg a trafót.
Sziasztok!
KM3508AF adatlapot keresnék de se égen se földön nem találok róla semmit. Esetleg ha valaki tudna segíteni azt megköszönném.
Sziasztok. Adatlapot keresek a következő HALL szenzorhoz: SAS 251S4
Sziasztok. Egy VOLTERRA VT1100S BGA FET -nek keresem az adatlapját. Tud ebben valaki segíteni?
Előre is köszönöm.
Szia!
Ezt már 2014-ben is kerested. Bizonyára külön megrendelésre készült ez a FET a többi környező alkatrészével együtt és ezért nincs közzétett adatlap.
Arra meg már nem is emlékeztem.
CPU boardról bontottam le, őket kidobni meg nem szeretném azért is lenne jó találni hozzá adatlapot. Most kicsit többre sikerült rálelni, de közelebb nem jutottam.
SAS251S4-et én is kerestem valamelyik nap:
Ezt találtam |
Bejelentkezés
Hirdetés |










