Fórum témák
» Több friss téma |
Fórum » Adatlapot keresek
Esab Buddy arc 160 kapcsolás irajzát keresném, De a segédtápfeszültséget előállító rész rajza is elég lenne. Köszi
Helló. Keresem a T2d45 (red) dióda adatlapját. (de nem találom) Ha valaki esetleg tudna segíteni. Ha igaz akkor Rohm gyártmány (nem biztos)
PtMo (platina - molibdén) termoelemről keresek bármilyen pontosabb adatot. Pl. a leadott feszültség a hőmérséklet függvényében (µV/°C vagy µV/K), főleg 200...400°C tartományban.
A leadott feszültség kb. 25µV/°C a méréseim szerint, de jó lenne ennél pontosabb adat. A hozzászólás módosítva: Szept 19, 2020
Üdv,
ez pdf,remélem pont jó lesz Bővebben: Link
Köszönöm! Sajnos ha jól értelmezem 900...1000°C környékén valóban 25µV/°C körüli feszültséget ad, de 200...400°C tartományban jóval kisebb a meredeksége. Tehát elképzelhető, hogy mégsem ilyen termoelem van a pákahegyben. De akkor vajon melyik termoelem ad 25µV/°C körüli feszültséget 300°C környékén?
Szívesen,itt van még ahol tárgyalja a szenzorok nemlinearitását,akkor ez lehet a jó
![]() Bővebben: Link Ez automatikusan letöltődik,pdf. Ha öregszik a fűtőbetét,változik az ellenállása,főképp a meleg ellenállása,adódhat ebből is nemlinearitás,de ezt csak én gondolom. Természetesen a szenzorgyártás olcsóságra törekszik,így az egyszerűbb összetételű szenzorok közül lesz az egyik ... A hozzászólás módosítva: Szept 19, 2020
Sziasztok!
EPSON E09A7418A hídmegható IC adatlapját keresem (rajz nem elég).
Szisztok, szép napot!
AD25 diódáról nincs valakinek infója? D1 volna szó.
Szia!
Az LV-t egy két irányú, 20V-os tranziens szupresszor diódának hozza a keresés.
Az LV után rákeresve, meglett az adatlapja. Köszönöm a segítséget ! Üdv!
Sziasztok, az alábbi ICk adatlapját keresem:
TCA780D TDB0556A TL820CN Valamennyi Siemens gyártmány ha minden igaz. Köszönöm!
A TDB0556 az két db 555 - mint NE556
TL820 at nem találtam, aTCA780 olyan, mint a TCA 785
Nem. A TL820 Texas Instruments gyártmány.
Dual komparátor. Kicsit kínai, de a lényeg látszik. A hozzászólás módosítva: Jún 21, 2021
Köszönöm! Egyébként japán az adatlap.
A hozzászólás módosítva: Jún 22, 2021
Köszönöm! Honnan van az info? mert sehol se látom katalógusban egyiket sem.
A TDB jelölést ismertem, a TCA a saját adatbázisból...
Az 1960as Házman-Hrabál katalógusban van a Tungsram név alatt GD dióda sorozat. Ezeket tényleg a Tungsram gyártotta? Vagy a Konverta?
Hallott már valaki olyan emberről aki olvasott olyan emberről aki látott már Tungsram GD diódát, vagy adatlapot a Tungsramtól?
Szia!
Nekem van egy 1966-os Tungsram katalógusom, abban van olyan, hogy GDK1, GDK2, GDK3, GDK4, GDK5, GDK6, GDK7, de teljesen más jellemzőkkel.
Igen, a GDK egy ismert és teljesen más termék.
Emlékeim szerint ezek szovjet eredetű típusok (licensz/tokozás). Papíron mostanában nem tudok utánanézni.
Sziasztok!
Ennek az IC-nek az adatlapját keresem. Egyáltalán hogy írjam be ? Egy kijelzőben van. SOP 14 tokozásnak tűnik.
Sziasztok!
Talán ide illik a legjobban a kérésem! Tudna valaki segíteni összekötni és beüzemelni egy panasonic imagechecker P400S készüléket és egy sony xc-hr70 kamerát? A kamerához találtam megfelelő adatlapot, de a képfeldolgozó egység teljesen eredménytelen keresést illetően. Csatoltam egy nagyon hasonló készüléket. Nekem is ilyen, csak panasonic felirattal és más "LVmPC" számsorral. Eredeti, matricás windows 2000 pro embedded fut rajta. Sajnos igen idejétmúlt a technika, de hátha befut egy szakértője. Köszönöm!
Szia!
A NAIS egy Panasonic brand, úgyhogy ez is Panasonic.
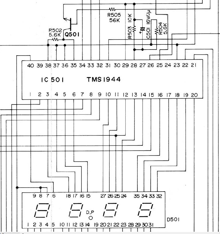
Sziasztok! TMS1944 adatlapja érdekelne. Ha valakinek megvan, vagy, ha RT-ben volt cikk és megmondaná hol, azt megköszönném.
Ha órában van, és ennyi lába van, akkor többek szerint a Sanyo is gyártott hasonlót.
A hozzászólás módosítva: Jan 19, 2022
Kösz, de az enyém 40lábú. Arra lettem volna kíváncsi, hogy hol megy be az órajel, mert elmászik és lehet, hogy a hálózatra szinkronizál. Oda kéne rakni valami kvarcpontos izét. Siemens rs555 rádio/erősítő, kb. 100 éves.
Sok jó hirem nincsen, átolvasva a rajzait, szerintem a nyolcas lábon kaphat kivülről tudást az időről, mert a többi lába a modulnak csak táp, gomb és hasonlók.
De a vezérlő processzor órajelnél elgondolkoznék. A hozzászólás módosítva: Jan 19, 2022
|
Bejelentkezés
Hirdetés |




















