Fórum témák

» Több friss téma
Fórum » Altium Designer
 
Témaindító: Pavel, idő: Feb 19, 2006
Témakörök:
Lapozás: OK   24 / 48
(#) CosmicAntagonist válasza HTEurep hozzászólására (») Ápr 24, 2012 /
 
Mi a helyzet azzal a programmal (amit nem ismerek) amivel a gerbert fileból csinálnak filmet gondolom printelés útján? Az nem tud véletlenül 1-1 layert inverzbe kapcsolni? Ha volna benne ilyen, meg olyan amivel 1-1 réteget el lehet helyezni több példányban az oldalon, az kiválthatná nálam az indesign-t.
(#) hegman válasza HTEurep hozzászólására (») Ápr 24, 2012 /
 
A verzióval volt a gond. A winter09-et próbáltam, de a 10-es felrakva a leírásod alapján megjelent az un-routed oszlop.
Köszönöm a segítséget!
(#) HTEurep válasza CosmicAntagonist hozzászólására (») Ápr 25, 2012 /
 
Ha a CAMtastic Editor-ra gondolsz az tud ilyet. Invertálásra a Draw Negative parancs használható (N gyorsbillentyű), többszörözni a Tools > Panelize PCB paranccsal lehet.
(#) CosmicAntagonist válasza HTEurep hozzászólására (») Ápr 25, 2012 /
 
Köszi teszek vele egy próbát.
(#) veress11 hozzászólása Máj 16, 2012 /
 
Sziasztok,
Egy olyan problémám lenne, hogy nem találok FT232RL USB/UART ic-t az FTDI libraryben. Az altium honlapján se találok. Honnan lehetne letölteni egy ilyen alkatrészt?
(#) Petjaa válasza veress11 hozzászólására (») Máj 16, 2012 / 1
 
Helló!
Be kell rajzolni ha nincs valami. Én például minden alkatrészt meg rajzolok magamnak.

Üdv Petjaa
(#) HTEurep válasza veress11 hozzászólására (») Máj 17, 2012 / 1
 
Szia!
Ezt az alkatrészkönyvtárat letöltve megtalálod az alaktrészt: link. Benne van az SSOP-28 (RL) és a QFN32 (RQ) változat is. Üdv.
(#) Cs_Zoéi válasza HTEurep hozzászólására (») Máj 20, 2012 /
 
És Monolitic Power System (MPS) alkatrészekre nem tud valaki alkatrészkönyvtárat? MP2483 kellene!
(#) HTEurep válasza Cs_Zoéi hozzászólására (») Máj 22, 2012 /
 
Ezt tényleg be kell rajzolni. Erre gondoltál egyébként: link?
Rajzoláshoz használhatod a beépített IPC Compliant Footprint Wizard-ot. Leírás itt: link. Itt ki tudsz választani QFN tokozást, majd az egyik oldalnak 0 lábat adsz meg a QFN10-hez. Ha segítség kell, írj nyugodtan. Üdv.
(#) matheus7 hozzászólása Máj 22, 2012 /
 
Üdv Mindenkinek!
A zsimon féle alkatrészkönyvtár nincs meg valakinek? Nagyon jó lenne.
kösz
(#) HTEurep hozzászólása Máj 30, 2012 / 1
 
Ingyenes Altium Designer 12 licenc diákoknak, hallgatóknak. Használd ki te is ennek a professzionális nyáktervező szoftver lehetőségeit!
http://www.hteurep.hu/altiumdiakoknak.html
(#) röntgen válasza HTEurep hozzászólására (») Máj 31, 2012 /
 
Szia, Jó ez a licence dolog, de a levelezős hallgató ki van rekesztve ez alól?
(#) HTEurep válasza röntgen hozzászólására (») Jún 5, 2012 /
 
Szervusz! Természetesen levelezős hallgatók is igényelhetnek licencet. Várjuk a regisztrációt!
(#) röntgen válasza HTEurep hozzászólására (») Jún 5, 2012 /
 
Köszi a választ, megtettem.......
(#) Petjaa hozzászólása Jún 26, 2012 /
 
Sziasztok!

Akadt egy kis problémám a CAMtastical. Szeretném kipróbálni a dry fóliát és ugye ahhoz negatív maszk kell. Ezzel nincs is próbléma a negatív maszkot létre tudom hozni benne. A kérdésem az lenne, hogy a furatok helyét, hogyan tudom valahogy elővarázsolni a gerber fájlba?

Köszönettel Petjaa
(#) hegman válasza Petjaa hozzászólására (») Jún 27, 2012 /
 
Én is ezzel a problémával küzdök. Mivel olyan mélységben nem ismerem a programot, hogy tudjam, hogy tudja a program és ezt be is tudjam állítani, ezért én most a "Zan image printer" nevű programmal próbálkozom ami tud negatívba és pdf-be vagy képfájlba nyomtatni. Így nem kell használnom a Camtastical rész. Így tudok nyomtatni közvetlenül fekete-fehérben és a fenti programmal negatívba.
Amit HTEurep 1-2 oldallal ezelőtt leírt, hogy mechanical layer-t tenni a nyákra stb. úgy tényleg negatívban tudok nyomtatni, de mivel ez csak grayscale beállítás mellett működik a furatok halványszürkén jelennek meg. Ami a film nyomtatáshoz nem elégséges a furat szempontjából. Viszont sehogy sem tudom a halványszürke színt megváltoztatni.
(#) gepesz13 válasza HTEurep hozzászólására (») Aug 14, 2012 /
 
Szia!
Tudnál segíteni, hogy miképpen? Kerestem mindenfelé, de sajnos nem találtam sehol.
Üdv.
(#) kissi válasza HTEurep hozzászólására (») Aug 14, 2012 /
 
Szia!

Tanároknak nem működik ez a lehetőség ?!

Steve
(#) HTEurep válasza gepesz13 hozzászólására (») Aug 23, 2012 / 1
 
Szia!
A Camtastic Editorban a Tools menüben találsz egy olyan parancsot, hogy Calc. Copper Area. Erre rákattintassz, majd bal egérgombbal kijelölgeted a területeket (vagy egy téglalapot húzol, amibe benne vannak a számítandó területek). Ha végeztél a kijelölgetéssel, jobb egérgombot kell nyomni és kiírja a felület nagyságát. Üdv.
(#) HTEurep válasza kissi hozzászólására (») Aug 23, 2012 /
 
Szia!
Sajnos tanároknak ez az opció nem vehető igénybe, de ha felveszed velünk a kapcsolatot elérhetőségeink egyikén biztosan találunk megoldást.
Üdv.
(#) gepesz13 válasza HTEurep hozzászólására (») Aug 27, 2012 /
 
Köszi!
Üdv!
(#) kissi válasza HTEurep hozzászólására (») Aug 27, 2012 /
 
Szia!

Köszi, szeptemberben majd jelentkezek!

Steve
(#) IRONbene hozzászólása Aug 31, 2012 /
 
Sziasztok,
most szereztem egy DXP szoftvert és ez a lib-es megoldás az eagle-hez képest szerintem fölösleges túlkomplikálás...
Na de a kérdésem az lenne , hogy nem találok benne digitális alkatrészeket az alap analóg cuccok benne vannak , de kapuk sehol. ?
(#) Petjaa válasza IRONbene hozzászólására (») Aug 31, 2012 /
 
Helló!

Bővebben: Link. Innen kiválasztod a gyártót pl. a Texas Instruments-et kicsomagolod és ott megtalálod amit keresel.

Üdv Petjaa
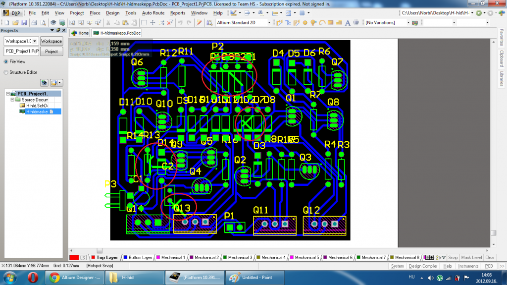
(#) xNorbi hozzászólása Szept 13, 2012 /
 
Helló

Én most ismerkedem ezzel a szoftverral, egy szép nyákot szeretnék készíteni kihasználva az autoroute funkcióját, a kapcsolási rajzot megrajzoltam, átimportáltam az alkatrészeket a PCBre, szépen elhelyeztem őket, de az autoroute funkció mindig rövid zárat csinál , hiába próbálkozok többféle beállításokkal szabályokkal. Ha lenne 4-5 átkötés az se lenne probléma, de úgy veszem észre, hogy a program semmiképp se akar kihagyni egy összeköttetést se, akár rövidzár árán is behúzza a vezetősávot ha nincs más lehetősége, pedig nekem nyugodtan megfelelne oda egy átkötés. Nemtud valaki segíteni?

Vagy ez egy ilyen program, mivel az ipari világban a többrétegű nyáklapok esetében nincs szükség átkötésekre így nem is ismeri azt?
A hozzászólás módosítva: Szept 13, 2012

H-híd.rar
    
(#) kukac_24 válasza xNorbi hozzászólására (») Szept 16, 2012 /
 
Megnyitottam, de hol van ezen rövidzár? Szerintem a program automatán nem tud átkötéseket tenni, azt manuálisan kell csinálnod.
(#) xNorbi válasza kukac_24 hozzászólására (») Szept 16, 2012 /
 
A pirossal bekarikázott részekre gondolok. Csak a "Bottom Layeron" engedélyeztem a vezetősávok tervezését, mivel egyoldalas nyákot szeretnék készíteni. Végül is, lehetne úgy csinálni, hogy ahol ilyen rövidzár van ott azt átkötöm egy darab vezetékkel, csak azt hittem van erre jobb módszer is ahol szoftverből ezt beletervezi.

ezek.png
    
(#) kukac_24 válasza xNorbi hozzászólására (») Szept 16, 2012 / 1
 
Ha a zöld vezetősévra kattintasz, a tulajdonságaiban át tudod tenni a felső rétegre, max forrpontokat kell tenned. Szerintem igy jó lesz. Ahol keresztezik egymást, ott előtte szét kell húzogatni őket.

hhid.jpg
    
(#) bbatka hozzászólása Okt 8, 2012 /
 
Sziasztok!
Segítségre van szükségem. Hogy lehet azt megoldani hogy rákényszerítsem a programot kétoldalas nyák autorouteres tervezésnél hogy meghatározott lábakat csak az alsó rétegen kössön be? Van egy módszerem amit régóta használok, de nagyon nehézkes. A multilayeres lábat átállítom bottomlayerre. Az alkatrész fölé elhelyezek egy kitöltést (Fill) toplayer beállítással. A huzalozás végeztével a kitöltést törlöm és a bottomlayer beállítást vissza állítom multilayerre. Csatoltam egy képet hogy miről is van szó. A kitöltést kicsit félre húztam. Az a röhej hogy még az Altium hivatalos oktató anyagában is felülről huzaloztatja be az átmenő furatos kondenzátorokat a szerzője. Kíváncsi lennék pákával hogy forrasztaná be. Gyanítom furatgalvanizált hullámforrasztásos technológiába gondolkodnak.
(#) Tony hozzászólása Nov 19, 2012 /
 
Sziasztok,
meglehet oldani valahogy, hogy ne tegyen via-kat az IC alá autorouting során?
A huzalok viszont mehetnek! Csak mert nem akarok SMD IC alatt fúrni, az otthoni via-k technikailag kicsit domborúbbak
Ja és az IC alatt közvetlenül is lenne pár SMD.
Következő: »»   24 / 48
Bejelentkezés

Belépés

Hirdetés
XDT.hu
Az oldalon sütiket használunk a helyes működéshez. Bővebb információt az adatvédelmi szabályzatban olvashatsz. Megértettem