Fórum témák

» Több friss téma
Fórum » Analóg oszcilloszkóp javítása
Ha szkóp-képet teszel fel, legyen látható a kezelőszervek beállítása, vagy add meg a beállításokat!
Lapozás: OK   24 / 250
(#) kajozs válasza audioheritage hozzászólására (») Okt 12, 2009 /
 
Az enyém (EO213) is ugyanezt csinálja, nem gondolom, hogy hiba lenne, de majd a szakik kijavítanak ha mégis valami hibajel .
(#) kadarist válasza kajozs hozzászólására (») Okt 12, 2009 /
 
Oszcilloszkópot mindig letekert fényerő mellett "illik" kikapcsolni. Igazából akkor van gond, ha így is van hasonló jelenség kikapcsoláskor.
(#) kajozs válasza kadarist hozzászólására (») Okt 12, 2009 /
 
Teljesen letekert fényerőnél is lehet látni, bár nagyon halványan. Zavaró, oda nem illő vonalakat máskor nem látok rajta.
(#) audioheritage válasza kadarist hozzászólására (») Okt 12, 2009 /
 
Letekert fényerőnél is ugyanaz a helyzet... Ez nagybaj? Egyébként máskor nem látni semmi más, "oda nem illő" vonalakat. Még amit észrevettem, hogy a fényerő nem egyforma a különböző időosztásoknál.

u.i.: amúgy sokáig állt a szkóp, pár napja "járatom"
(#) audioheritage válasza kadarist hozzászólására (») Okt 12, 2009 /
 
Még annyi, hogyha kikapcs után rövid idővel bekapcsolom (pár mp.), akkor is felvillan egy pillanatra egy "csik". Nem lehet hogy vmi kondi?
(#) kadarist válasza audioheritage hozzászólására (») Okt 12, 2009 /
 
Az idővonal egy egyforma fényessége más-más eltérítési időknél igazából nem probléma, az egyszerűbb szkópoknál előfordul.
Írd meg a típusát, és ha van hozzá rajzom megnézem a kioltókörét.
(#) emmzolee válasza audioheritage hozzászólására (») Okt 13, 2009 /
 
szerintem valami fesz stabilizátor engedheti el a munkapontját a kikapcsoláskor, de a pufferkondiban még van energia. lehet a stabilizátor körül egy kondi ami kiszáradt, és kissebb lett az értéke, ezért nem tart ki a stabilizálás addig, ameddig a puffer le nem merül.

szerintetek?
(#) audioheritage válasza kadarist hozzászólására (») Okt 13, 2009 /
 
Philips PM3217 a tipusa, van hozzá SM-is, ha nem találnál róla.
(#) kadarist válasza audioheritage hozzászólására (») Okt 13, 2009 /
 
Ha elektronikus formátumban van az SM, akkor kérlek tedd fel.
(#) kadarist válasza audioheritage hozzászólására (») Okt 13, 2009 /
 
Meg van, ne tedd fel!
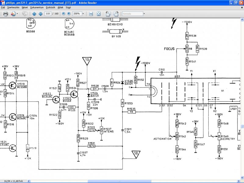
(#) kadarist válasza audioheritage hozzászólására (») Okt 13, 2009 /
 
Kimásoltam a katódsugárcső és környezetének rajzát. A rajzon villámmal jelölt elemeknél keress hibás alkatrészt diódát, kondenzátort, ellenállást.

PM3217crt.jpg
    
(#) audioheritage válasza kadarist hozzászólására (») Okt 13, 2009 /
 
Köszönöm, megnézem! Amúgy szted érdemes a tápot "átkondizni", vagy hagyhatom gyári állapotban? (sajnos nem tudom mikori a szkóp, én '90 környékére tippelem)
(#) audioheritage válasza kadarist hozzászólására (») Okt 13, 2009 /
 
Mennyire "bátran" piszkálhatok a bele diódavizsgálóval?(úgy értem, hogy ne tegyek vele tönkre semmit a multival)Amúgy ez a furcsa "felvillanásra", vagy a "változó" fényerőre lehet megoldás?
(#) kadarist válasza audioheritage hozzászólására (») Okt 13, 2009 /
 
A multiméter nem okoz problémát.
Arra vigyázz, hogy mielőtt belemérsz az áramkörbe a ks-cső csatlakozóit a teshez süsd ki, nehogy egy kellően ki nem sütött kondenzátor megvicceljen. A diódákat, ellenállásokat, kondenzátorokat félig kiforrasztott helyzetben mérd. A kondenzátorokat természetesen kapacitásméréssel.
(#) audioheritage válasza kadarist hozzászólására (») Okt 13, 2009 /
 
Nos, odáig eljutottam, hogy alkatrészen nem látni hibára utaló jelet. V1526, C1508, C1511 kiforrasztottam, a kondik tökéletes állapotúak, a dióda nyitófeszt a multi 0,8V-nak méri. A cső végére van forrasztva a C1512, R1552, ezeket is gondolom érdemes megnézni? Ellenállás lehet úgy hibás, hogy nem "látszik" rajta? Tranyó lehet gond?
(#) kadarist válasza audioheritage hozzászólására (») Okt 13, 2009 /
 
Ellenállás is lehet hibás, hogy nem látszik rajta. Konkrétan megszakad. Minden alkatrészt mérj át, ami a ks-cső katódja és rácsa körül van.
(#) audioheritage válasza kadarist hozzászólására (») Okt 14, 2009 /
 
Nem találtam hibás alkatrészt. Annyi, hogy R1524 4k helyett 9k. Lehet hogy máshol van a gond?
(#) audioheritage hozzászólása Okt 14, 2009 /
 
Esetleg a tápban lehet kiszáradt kondi?(tud-e ilyen jelenséget okozni)
(#) kadarist válasza audioheritage hozzászólására (») Okt 14, 2009 /
 
Cseréld azt az ellenállást. Hátha... Igazán több ötletem nincs. Ha a kondik jók akkor lehet, hogy a cső a beteges. Átvezet belül, vagy ilyesmi.
(#) emmzolee válasza kadarist hozzászólására (») Okt 14, 2009 /
 
Hello


Múltkor javasoltad a C1-94 szkópomhoz hogy:

Idézet:
„(T16, T17)körül lévő elkókat kicserélném első körben.”



Ma neki álltam, és elsőre azt a 20mikrós kondit forrasztottam ki a panelból, amit mondtál, és hihetetlen, de az volt a rossz. Teszek róla képet.

Köszönöm a zseniális hozzáértésedet


Kifolyt belőle az elektrolit. Rámértem, és 10nF volt már csak :yes:

Kicseréltem, és tök jó lett!

Még egyszer köszi!
(#) kadarist válasza emmzolee hozzászólására (») Okt 14, 2009 /
 
Örülök, hogy segítettem.
Lehet, hogy érdemes lenne az egész tápot újrakondizni. Sajnos az oroszok nem mindig kapták el a fonalat elkó ügyben
(#) KTobi válasza emmzolee hozzászólására (») Okt 14, 2009 /
 
[OFF]Ezzel nem leszek népszerű.
Nem bírtad volna körbevágni a képeket? Csak a közepe a lényeg, rengeteget le bírtál volna vágni. Nem tudom mivel fényképezted, valószínűleg a lap méretezte ilyen kicsire az egészet. Ha körbenyírtad volna, sokkal szebb, nagyobb lenne a LÉNYEG.
Tudom, ez így is kevés memóriát, foglal, mi lenne, ha inkább a kondi látszódna szép nagyban ugyanennyi memórián.
Általában nem tűnik fel, hogy mennyi felesleg van rajta, csak mikor rosszalkodik a nettem és fél percet várok még egy képet betölt, és akkor jön a meglepetés, hogy jobb lett volna ha meg sem nyitom.
Nem csak neked szól, sajnos nem ritka jelenség.
Régi tag vagy, remélem megszívleled a mondandómat. Ugye nincs harag?
(#) emmzolee válasza KTobi hozzászólására (») Okt 14, 2009 /
 
Dehogy van harag.

Akartam levágni belőle, de nnincs olyan foto programom, ami tudná ezt. Pedig 3 is van. A régi, amit nagyon szerettem, az az Office része volt a neve: Photo Pictures menager ha jól emlékszek, az tudta, de mivel új gépem lett, és egy új install, ezért a régi Office-t nem tehettem föl. Így hát az elveszett. Ezek az új sz..r progik meg csak átméreteznének, de azzal nem megyek semmire.

Utálnék föltenni egy bonyolult nagykiterjedésú, és ráadásul idegen nyelvű programot ez miatt.

Ha tudsz valami frappánsat, érdekelne.
(#) proli007 válasza emmzolee hozzászólására (») Okt 14, 2009 /
 
Hello!
pld.
üdv! proli007
(#) emmzolee válasza emmzolee hozzászólására (») Okt 14, 2009 /
 
Ja, tényleg. Az én netem 8.5 Mb/s

Haladj te is a korral

Csak vicceltem ám
(#) Norberto válasza emmzolee hozzászólására (») Okt 14, 2009 /
 
Vagy éppen IrfanView.
(#) KTobi válasza emmzolee hozzászólására (») Okt 14, 2009 /
 
Egy jó féléve már áttértem 384kbps/384kbps "korlátlan" netre. Nem olyan drága, de azért az évi díj, már szép kis összeg. A nettem, most kivételesen ilyen lassú, beázott az antennám, Wirelasst használok. Tegnap egyáltalán nem működött. Próbáltam beüzemelni a jó öreg Dial-Up os rendszert, de a laptoppomon nem akart működni a Firefox. A gépemből meg már kiszedtem a modemet. Ahogy megszárad a tető, felmegyek és megjavítom (lefóliázom), hogy többet ne fordulhasson elő.
Különben igazad van, ha itt is olyan árban lenne, akkora sebesség, nekem sem ilyen nettem volna
(#) emmzolee válasza KTobi hozzászólására (») Okt 14, 2009 /
 
Akkor az új progival, amit köszi proli007

levágtam a sallangot.

Itt vannak:
(#) audioheritage válasza kadarist hozzászólására (») Okt 15, 2009 /
 
Megmutattam néhány embernek, azt az infót kaptam, hogy a csőhöz nincs köze, a kioltó áramkörnél van valami bibi. Ez az az áramkör, amit te is mutattál?
(#) cimopata hozzászólása Okt 18, 2009 /
 
Üdvözletem!

Sajnos megint problémám van a szkóppal.

A tüneti, hogy 0 állásban a vízszintes csík helyett egy nagyon erős fényű fűrészjel bevillogás látható.
Egyáltalán nem periódikus. Amplitúdóban DC-szintben és mindenféle felharmónikusokban eléggé gazdag.
Tulajdonképpen összevissza futkorászik a képernyőn miközben kisüti a szemem.
Egyéb jelenség, hogy a műhelyben levő rádió is összeszed mindenféle zavart emiatt.

Merre kezdjem el a hibakeresést?
Szkóp típusa EMG 1567

Kapcsolás: Bővebben: Link

köszönöm, üdvözletem!
Következő: »»   24 / 250
Bejelentkezés

Belépés

Hirdetés
XDT.hu
Az oldalon sütiket használunk a helyes működéshez. Bővebb információt az adatvédelmi szabályzatban olvashatsz. Megértettem