Fórum témák
» Több friss téma |
Ha szkóp-képet teszel fel, legyen látható a kezelőszervek beállítása, vagy add meg a beállításokat!
Sziasztok.
Egy régi Tektronix 5103-as szkóp javításában kellene segítség. A képeken látható jelet adja. A kalibrátor négyszögjelét kötöttem rá, ami a hálózati frekvencia kétszerese. A hiba periodikusan ismétlődik, szerintem a hálózati 50hz-el szinkronba. Ha simán az idővonalat húzom fel az is ugyanígy torzul. Aki találkozott már ilyennel kérem segítsen. üdv: Szilárd
Hello!
Igen úgy néz ki, mint amikor egy stabilizátor előtt szűretlen a feszültség, így a kimenetére "belóg" a brumm. Elsősorban a pufferkondit nézd meg, ami a kalibrátort táplálja. üdv! proli0007
Hello!
A hiba a kalibrátortól függetlenül más jeleknél is vagy jel nélkül az idővonal fel vagy lehúzásával is előáll. Én is a táp pufferkondijaira gondoltam, csak nem tudom a 4 közül melyik lehet hibás. Van benn 2 30v 3000uf ez egy kettős tápot alkot, egy 250v 250uf és egy 15v 6000uf. üdv: Szilárd
Hello!
Idézet: „Elsősorban a pufferkondit nézd meg, ami a kalibrátort táplálja.” Írtam... De valószínűsíthető az ábrából, hogy a függőleges eltérítés tápjánál van gond. üdv! proli007
Mérj rá a tápkondikra egy másik szkóppal, hogy melyik brummos, vagy ESR-mérővel nézd meg, hogy melyik száradt ki, vagy egy hasonló értékűt (és nem kisebb feszültségűt!) párhuzamosan kötve velük nézd meg, hogy melyiknél szűnik meg hiba, ha esetleg több is hibás, akkor is csökkennie kéne a zavarnak. Ha a rákötött elkó kapacitása nagyobb, az nem baj, csak sokkal kisebb ne legyen.
Sziasztok.
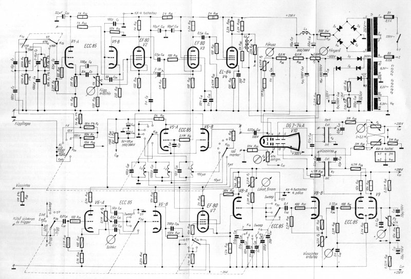
Segitséget szeretnék kérni tőletek. Van egy ilyen szkópom (melléklet) és az a baj vele hogy nemtudom beállitani a sugárnak a fókuszát.A bekapcsológombja egyben a fókuszállitó potija is és a legjobb állásban is olyan 3-4mm er vastag a sugár. Régota használlgatom már,de eddig semmi baj nem volt vele,mig egyszer csak elment a fókusz és elcsuszott a kép jobbra.A vizszintes potival visszatudom állitani ugy hogy a sugár széle épphogy eléri a képcső tulszélét. Amire én használom arra tökélletes és most nem szeretnék egy másikra beruházni. Szét még nemszedtem de van róla egy kapcsolási rajzom.Megtudná mondani valaki hogy mere kersgéljem a hibát és hogy mi okozhatja? A segitséget előre is köszönöm.
Szia. Ha a fényerő szabályozható, akkor első menetben én megcserélném az ECC85 csöveket, de megjegyezném melyik hol volt eredetileg. Arra lennék kíváncsi, megváltozik-e a hiba. A vizszintes erősitő ECC85-jére gyanakszom.
Üdv!
Először is ellenőrizd, hogy a szkópcsövön a feszültségek meg vannak-e, beleértve az ECC anódfeszültségét is.
Hello!
(Elég nehezen látható a rajz) Elég nyilvánvaló, hogy a Fókusz poti áramköri részeinél kellene feszültséget és főképpen az ott lévő ellenállásokat megmérni-cserélni. Esetleg a két-három elkót is megnézni, nem szivárog-e. (Nem igazán értem a kolléga okfejtését, hogy ha de-fókuszált a kép, de van vízszintes eltérítés, akkor ott mi hiba lehet. De majd elárulja..) üdv! proli007
Ha nekem szólt az kédés, akkor kifejtem:
Mivel a függőleges és vízszintes eltérítés egyen csatolt az eltérítő lemezekre, ezeknek a potenciálja és a második gyorsítórács potenciálja közti durva különbség befolyásolhatja a fókuszt (EL, ECC). Ezért mindtam, hogy a szkópcső feszültségeit vizsgálja, különösen a - 500 V -ból előállított (nemtudom pontosan mennyi, én sem látom jól a rajzot) katód, és rácsfeszültséget. Ezt lehet állítani a fényerő, és fókusz potival. Meg kell nézni a belső állíthatóságú astigm poti feszültségeit is. Ezzel kell a második gyorsítórács potenciálját az eltérítő lemezek potenciáljára hozni.
Szia.
A te sigiteni akarásod igazán elismerést érdemel.Ez és a tudásod sok fórum szinvonalát emeli. Én leszoktam menteni az ilyen képeket és utánna tudom nagyitani.Persze nem az igazi.De ha gondolod elküldöm emailban. Addig jutottam hogy szétszedtem,kitakaritottam és cserélgettem a csöveket.De semmi válltozás. Kinyomtatom a kapcsrajzot,belemerülök és megpróbálok eligazodni a keszekuszaságban.
Hello!
Nem neked szántam, mert egy időben írtuk.. Amúgy teljesen igazad van, nekem elkerülte valahogy a figyelmemet, hogy "elcsúszott a kép jobbra".. üdv! proli007
Kicsit körbeméricskéltem.
A fénnyerő állitó poti mellett oda van irva hogy 500V.Én 480V-ot mértem.Szerintem ez jó. Az astigm poti középső lábán 213V van. A fényerő poti középső lába 280-430V-ig állitható.310V körül kezd el fényesedni és 280V nál a legfényesebb a sugár. A fókusz poti középső lába 40-85V-ig állitható.Szerintem itt van a bibi. Most azt nézem körbe hogy miért csak ennyi. Sőtt a piszkélásra mindha beugrott volna 110V-is.Remélem egy poti vagy ellenálláscsere megoldja a gondom.Végül is ez a poti van a legtöbbet tekergetve mert ezen van a bekapcsológomb is.
Sziasztok!
Van egy EO203 szkópom, ami beázott most a hóolvadáskor (persze a lakással együtt). Egy helyen ázott, és pont alatta volt a szkóp kikapcsolva. Reggelre leverte a fi relét. Gondos szárítás, kimosás után nem tudom a két sugár helyzetét beállítani. Nem mennek feljebb a képernyő közepénél, és azt is úgy, hogy aminek felfelé kéne menni, az elmegy a feléig és visszafordul az alaphelyzetéig. Az alsó sugár pedig ugyanezt csinálja, csak fordítva. Amíg jó volt, meg tudtam cserélni a két sugár helyét a ks. csőben a helyzetállító potival. Nem tekergettem el semmit. Tápfeszek rendben vannak, komplett dokumentáció van, igaz az EO213-hoz. Nagyon megköszönném, ha volna valakinek ötlete, hogy hol kezdjem. Üdv Zoltán
Szia!
Doksi van fent hozzá: EO203 (Gugli a barátunk). Én az elektronkapcsoló körül néznék szét. A rajzon az R120 és R140 állítja a függőleges helyzetet ("Abb. 2" ábra a doksiban) és utána vannak a elektronkapcsoló diódái, amiket az IS1002 kimenete vezérel. Ugyanide csatlakoznak a potik csúszkái is (e és j). Ha jól értelmezem a rajzot, meg azt amit írtál, akkor valamiért mindkét differősítőnek ugyanúgy csak az egyik oldala megy, amiből én arra gondolnék, hogy már előtte felborul a szimmetria egy közös pontban, és csak az elektronkapcsoló közös a két csatorna között. Megnézném, hogy az S1002 kapcsoló A és B állásaiban melyik dióda van nyitva és zárva. Aztán meg lehetne nézni, hogy a differősítő többi részében megvan-e a szimmetria és valóban kivezérlődnek ellenfázisban a tranyópárok a bemenetre adott szinuszjel eredményeképp. Első körben ennyi jutott az eszembe. Üdv, Ballage
Köszönöm a gyors segítséget. Ezt a kapcs rajzot hetekig keresgéltem, a 213 viszont magyarul van és a kettőből csak össze lehet hozni egy értelmeset. Azt hiszem még jelentkezni fogok. Még egyszer köszönöm.
Macika egyébként a kutyám neve, a sajátom már foglalt volt.
Nagyon szívesen! Sok sikert a keresgéléshez!
Majd számolj be az eredményekről! Én is hívom hasonló neveken a kutyánkat, de ő Poci, nem Maci. No, de inkább nem offolok....
Még annyi jutott eszembe, hogy ha víz érte, akkor könnyel lehet, hogy valahol esetleg kontakthibássá válhatott valamelyik poti, kapcsoló vagy csatlakozó. Én ezeket is megnézném.
Szép napot mindenkinek
A következő eset eset meg velem. Vetem egy voltcraft 630-as szkópot amit futárszolgálattal kézbesítettek.Miután megvártam hogy elérje a szkóp a szoba hőmérsékletét kipróbáltam. Sajnálattal kellet tudomásul vennem, hogy a csatornákon a sugarakat nem lehet a képernyő alsó harmadából fentebb hozni. A szkópot láttam működés közben és akkor jó volt. Azt szeretném tudni hogy mik lehetnek azok az okok amik ezt a jelenséget okozzák és hogyan lehet azokat orvosolni. Válaszaitokat előre is köszönöm.
Szia Péter!
Ez kicsit hasonlít a macika által felvetett hibához, ott is mindkét Y csatorna elmászott és ott is lefelé... Nem áztak ezek együtt? ![]() Lehet, hogy leesett/KH-s lett a szópcső Y-elektródáihoz vezető madzag (már ha van egyáltalán ilyen tyúkbél), vagy akármelyik másik csatlakozás vagy forrasztás nem bírta a szállítást és elengedett. Egy kis _óvatos_ tisztogatást esetleg megejthetsz, de ne fújd be kontaktspray-vel! Voltcraftnál nem tudom, hogy elkövettek-e valaha ilyesmit, de pl. EMG szkópokban több típusnál tették a tranzisztorokat foglalatba, ami tipikusan melegágya a kontakthibáknak. Az is lehet, hogy (itt is) az elektronkapcsolóval van valami. Egy kapcsolási rajz mindenesetre nem ártana. Lehet, hogy valamelyik dififokozat hasalt el (általában végig egyencsatolt differősítő van az analóg szkópokban). Meg kellene mérni visszafelé, hogy amikor középen kéne állnia a sugárnak, akkor melyik fokozatig van megborulva az egyensúly. Egyelőre ennyi jutott az eszembe. A többiek majd kiegészítenek vagy kijavítanak, ha szükségét érzik. ![]() Remélem tudtam segíteni. Ballage
Köszönöm a válaszodat
Sajnos nem nagyon értek a szkópokhoz ezért lennél szíves az elektronkapcsolóról és a dififokozatról pár szót mondani vagy valami forrást adni ahol utána tudok nézni. A csőhöz vezető vezetékeket át ellenőrzöm és megnézem,hogy nincs e benne foglalatos ic.Nagy bánatomra kapcsolási rajzot még nem sikerült kerítenem hozzá.Esetleg nem tudod, hogy hol lehetne rajzot szerezni hozzá. Remélem, hogy csak az egyik vezeték huncutkodik :crazya: Üdv Péter_007
A differenciálerősítőről itt olvashatsz. A szkópban ez erősítőtípus azért érdekes, mert a ks-csövet ellenütemben kell vezérelni, ami ennél az erősítőtípusnál már eleve adott, ráadásul jobb a linearitása és a stabilitása is. A szkópokban több fokozatból szokott állni, általában egyenáramú csatolsással, mivel a DC összetevőt is át kell vinni. Ha a sugár nem megy feljebb a képernyő felénél, az lehet például attól, hogy a differősítőnek nem megy az egyik oldala. A mozgatást a differősítő egyensúlyának elmozdításával szokták szabályozni.
Elektronkapcsoló: 2.4-es pont. Sajnos kapcsolás nélkül elég reménytelen a kísérletezés, ha nem sikerül tisztogatással beröffenteni, akkor mindenképpen érdemes beszerezni (pláne ha a jövőben te szeretnéd karbantartani).
Kedves Ballage
Esténként legelek a szkópon, de semmi értelmeset nem találtam. Semmilyen fesz nem egyezik a kapcs.rajzon megadottakkal. Pl. R1043 6,2/2,4V 7,5/3,5V helyett akkor, ha A csatorna van benyomva. Ekkor az R120 poti alaphelyzetben van, Ha véghelyzetbe tekerem, akkor 5,7/1,9V. Ha B csatorna van benyomva, akkor 11,8/11,8V, azaz nem esik fesz. az R1043-on. A B csatornát kapcsolva és tekergetve az R140-et ugyanez van. Ha az alt-ot kapcsolom, a pontom szép lineárisan lemegy és feljön , ha tekergetem az R140-et (Bcsat.) Ha benyomom a +/- gombot, akkor csak fel és lemegy. A+B-nél csak a Bcsatornás R140-re mászkál a potival együtt a fénypontom. Eddig az osztó földelt állásban volt. Bedugom a csavarhúzó hegyét a bemenetbe teszt Ha max 0,01V/T érzékenységre állítom, akkor A csat.-ban lefelé! fénymaszat látszik AC/DC állásban is. B csat.-ban más ! +/- kiengedve, akkor fénymaszat lefelé, ac/dc kapcs. akár kinn van, akár benn. De ha benyomom a +/- gombot, akkor fénypont lemegy két egységet, mjd csavarhúzóra felmegy alaphelyzetbe akár AC akár DC. Nekem ez már magas Remélem Neked nemJóéjt H.Z. Az általad javasoltak közül a kontakt hibát nem találtam, a többihez meg kéne még egy szkóp, ammeg nincs már. Most vateráztam el, kár volt. Idézet: „Pl. R1043 6,2/2,4V 7,5/3,5V helyett...” Ez még nem tűnik akkora bajnak, bár látni kéne, hogy hogyan változnak a feszültségek a poti tekergetése alatt. Idézet: „Ha B csatorna van benyomva, akkor 11,8/11,8V, azaz nem esik fesz” Igen, mert ez az A csatorna és ezt a kapcsolódiófák lekapcsolják. Ez talán rendben is volna. Idézet: „Ha benyomom a +/- gombot, akkor csak fel és lemegy” Akkor ez csak azt jelenti, hogy a polaritásváltás jó. Idézet: „Ha az alt-ot kapcsolom, a pontom szép lineárisan lemegy és feljön” Ez azt jelenti, hogy csak pontot látsz, csíkot nem?? Megy a vízszintes eltérítés egyáltalán? Idézet: „Bedugom a csavarhúzó hegyét a bemenetbe teszt Ha max 0,01V/T érzékenységre állítom, akkor A csat.-ban lefelé! fénymaszat látszik AC/DC állásban is.” Ez csak azt jelenti, hogy az Y fokozat erősít, csak el van csúszva valahol... Javasonlám, hogy páronként mérd meg az egyes fokozatokban a tranyók munkapontját (T1004-1006, T1015-1016, stb.), úgy hogy az adott csatorna függőleges helyzetállító potija (R120, R140) pontosan középen áll. Minden esetben a tranzisztoroknak kb. ugyanabban a munkapontban kellene lenniük egymáshoz képest. Ezenkívül, ha elkezded tekergetni a helyzetpotit, akkor szimmetrikusan kellene változnia a feszültségeknek is. Ha pesti vagy, akkor esetleg kölcsön tudok adni egy szkópot a méricskéléshez.
Hali Rozsda Isteni nagy segítséget adtál ezekkel a képekkel nekem, mert pont egy ilyen szkópot kaptam a minap, csak nem látszott rajta semmi felirat a típusával kapcsolatban, de a előlapi rajz és a kapcsolási rajz alapján a csövekből 1 értelműen ez az! Köszi
Kedves Ballage !
Az X panelt kivettem, mert nem is férnék az Y panelhez. A kölcsön szkóp nagyon jól jönne, mert így nem jutok semmire. Beázást már megszüntettem . Én Pestújhelyen lakom XV. ker. Hogy tudnám elhozni ? Üdv. HZ.
Köszönöm a linkeket.
Még tüzetesen átvizsgálóm a forszemeket.Ha nem tanálok semmit akkor sajnos várnom kel míg nem tanálok valami kapcsolási rajzot.De azért ha valakinek van még valami ötlete azt szívesen várom. Üdv Péter
KEdves Ballage
Eddig kicseréltem az első tranyókat. Nem volt változás. Kiszedtem a T1004/1006-ot. Ekkor állt be az A csatorna első fokozat tápfesze ugyanarra a szintre, mint a B csat. Az R1109 nem nyúlt meg. Ki akartam cserélni az 1004/1006 tranyókat, vettem equivalens darabokat BF199 Az volt a meglepő, hogy a réginél és az új tranyónál is 350Ohm körüli ellenállás mérhető a C-E között egyik irányban. Ez mi a bánat ? Ja, a szkópnak mindig kb 10 perc kell, hogy bemelegedjen ? Addig se kép, se hang. Üdv Z.
Sziasztok!
Segítségeteket szeretném kérni. Nemrég kaptam egy TRIO/Kenwood CS2100 szkópot(4ch/100Mhz/2 fűrész) ami tökéletesen ugyan nem működik, de használható volt eddig. Most viszont a sugár elmászott felfele és nem is tudom visszacsalogatni(a képcső negyedénél nem jön lejebb) .Az a gondom hogy semmi doksit nem találok hozzá, pedig gugli barátomat nyúzom már vagy 3 hete. A szkóp már volt javítva, valaki belebarkácsolt olyanokat hogy... Ha valakinek van doksija vagy ötlete ossza meg velem legyen szives. Előre is köszönöm. |
Bejelentkezés
Hirdetés |










Remélem Neked nem
.



