Fórum témák
» Több friss téma |
Kérlek uram ne haragudj az analfabétákra
Tudom ezt most értenem kéne de sajnos nem. Tehát a riasztó test szálát kössem egy az autóban lévő bármely izzóhoz?
Juj most olvastam nagyon szépen köszönöm a segítségeteket. Majd visszajelzek hogyan sikerült a projekt. Szép napot nektek.
Üdv mindenkinek.Lenne egy problémám.
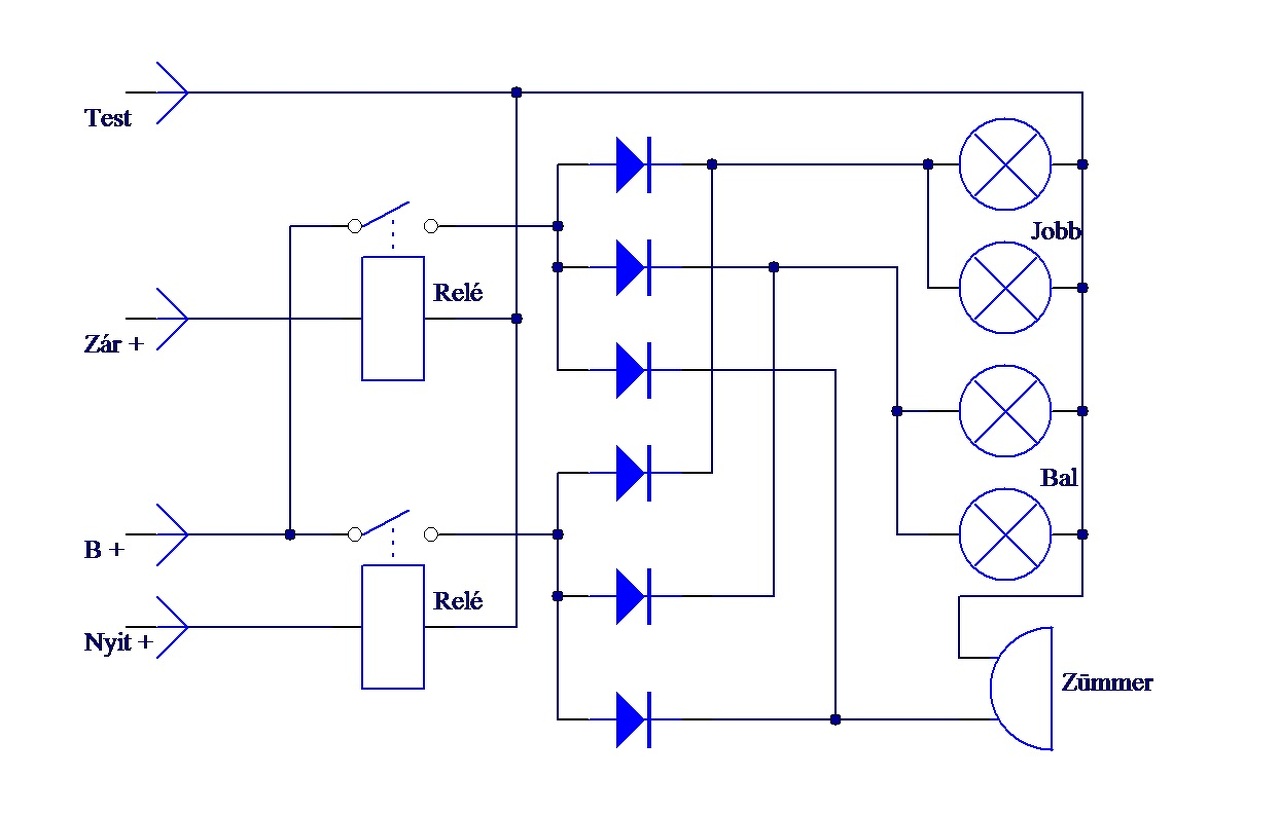
Egy 94 év végi Mercedes w124 E220-ba szeretnék riasztót beszerelni,leginkább a távvezérlős központi zár végett, mivel gyárilag infrás záram van,alapból macerás,meg öregszik is már aztán 1-2m-ről jobban kell célozni mint egy mesterlövésznek. Van egy KEETEC TS10 névre hallgató riasztóm,ezt szeretném bekötni a pneumatikus záramhoz. Annyit kibogoztam hogy a sofőr ajtónál a vákum zárra a csövön kívül megy 3szál vezeték,egy piros/fehér(ez állandó +12V),van egy barnás(ez állandó test),és van egy kék szál,amin ha nyitva a zár +12V-ot lehet mérni,ha pedig lezárva akkor test mérhető rajta. A riasztóból 2szál vezeték van ami a központi zárhoz tartozik,egy nyit és egy zár vezeték,amit beállíthatok hogy + vagy - vezérlésű legyen. Előre is köszönöm segítségeteket. Sok a munka...néha nem árt itt a meglevő anyagban keresgélni!
Sziasztok!
Van a kocsiban központi zár és riasztó is, de csak egy kulcs van hozzá, ezért vettem egy központi zár vezérlőt (SMP V03TR.2264) , hogy ne keljen 20 ezrekért távirányítót csináltatni, ezt rákötöttem a csomagtérben található eredeti VALEO-s vezérlőre. Működik vele, annyi változtatás kelet az eredeti kapcsolási rajzon, hogy az egyik szál +12v helyett testet kap, mert csak így működik (gondolom azért mert az ajtóban lévő érzékelőnek a középső vezetéke az test ) Az a problémám, hogy azóta az elakadás jelzőm nem működik. Tud esetleg valaki segíteni? Tudok kapcsolási rajzott meg képeket is küldeni. Vagy esetleg valami alternatív módon rá lehet kötni az elakadás jelző kapcsolóját az indexekre? 1996-os Rover 620 SDI. Előre is köszi.
Nagyon szépen köszönöm köbzoli és Inhouse segítségét. Végül is a lámpához kötöttem és működik csak csak mikor elalszik a világítás pittyen egyet de ez már semmi korábbi bajaimhoz. A relézés gondolom működne egy 4 lábú relével is a világítás testnél csak tényleg amatőr vagyok vagy még azsem és nekem egy olasz relém van itthon ami ponn nem abban a sorrendben van számozva mint minden más. persze gondolom ez nem számítana csakhát.... Na de majd egyszer ha összeszedem bátorságom lehet megpróbálom azt is. Mégegyszer nagyon szépen köszönöm.
Sziasztok kedves hozzáértők. Azt hittem és gondolom ti is reménykedtetek, hogy többé nem zargatlak benneteket, de sajnos de. Sikerült a bekötés és le is teszteltem. Riaszt is minden ajtóra de sajnos a csomira nem. Kérdésem a következő lenne. annó még kötöttem be lábtérvilágításként ledszalagokat. Ha a hátulsóra rákötném a csomi testét, az nem hülyítené meg a computert a kocsiban? Így amikor nyitom a csomagtartót felvillanna a beltér világítás is és a riasztó is érzékelné. Tényleg ezer köszönet a segítségekért és szép napot mindenkinek.
Sziasztok,
mostanáig nem volt időm ezzel a riasztó problémával foglalkozni, de most már nem is akarok, csak elakarom vinni valakihez ahol ott lesz néhány napig de addig is rövidre akarom zárni azokat a kábeleket a csokiban amelyek a motor indítást gátolják meg, hogy addig is tudjam a kocsit használni amíg a riasztó nem kerül vissza bele. A beszerelési utasítás szerint az 1-es és a 13-as pontok vesznek részt az indítás gátlásban (ld. mellékelt PDF fájlt), jól látom , hogy ezt a kettőt kell rövidre zárnom? Ezen kívül kell mást is rövidre zárnom ahhoz, hogy a motor beinduljon riasztó nélkül? Laserline 989 Beszerelési utasítás
Sziasztok.
Van egy Gepard-CA212R tipusú riasztó az autóban ( Daewoo Matiz , 2000 - es évj.) , ami mindig letiltja a gyújtáskapcsolót (Nem tudom elfordítani a kulcsot indításig.) Tudna valaki hozzá egy bekötési rajzot , hogy mi hogyan lehet bekötve? Előre is köszönöm. A hozzászólás módosítva: Júl 4, 2014
Szerintem vágd tovább a holnapi pörköltnek valót és vidd el egy szakemberhez aki kicseréli a gyújtáskapcsolódat vagy megcsinálja a zárszerkezetet. A riasztó mechanikusan nem tud tiltani, hogy ne tudd elfordítani a kulcsot. Ez kb. olyan mintha leengedne a kerék lopásgátlásként, hogy ne tudd elvinni az autót. De az megint más ha elfordítod és nem megy az önindító, akkor fogsz egy próbalámpát és kiméred meddig jut el a feszültség... gyújtáskapcsoló... csatlakozók ... esetleg riasztó tiltó szála.... önindító.
Lájkoltam a pörkölt miatt, de egyébként is igazad van...
Megoldva. Igazából el lehetett fordítani a kulcsot , csak nem kapott áramot és ezért éreztem úgy mintha nem lehetne. De továbbra is jól jönne egy bekötési rajz. Köszi.
Nekem is lenne egy kérdésem.A kocsimban van központi zár,de semmi féle visszajelzést nem ad a zárás és nyitás eredményéről.Mivel ez még gyár (98-as) központi így sok már a kopás benne így nem is hallom azt kattanást amit az új központiknál.Egy suzukiról lenne szó.Próbáltam azt hogy a vészvillogót megvillantaná de nem kivitelezhető mert négy különálló áramkört zárt a kapcsoló.Próbáltam belépés jelzővel relén keresztül de az meg nagyon gázos hangot ad (szörnyű a hangja.Próbáltam berregővel (6-12 voltig) de az még rosszabb.És próbáltam robogó dudájával is az pedig egyszerűen borzalom.Nekem elég lenne ha "füttyentene" egyet hogy halljam lezár.A fényjelzés sem jó mert tűző napban nem biztos hogy meglátom.Ezért kellene egy piezzós megoldás.De azzal még nem volt dolgom így nem tudom hogy lehetne értelmes és hallható hangot kicsikarni belőle.
Valakinek van jó ötlete? Köszönöm! A hozzászólás módosítva: Júl 5, 2014
Szia.
Van 4 áramkörös relé, amivel megoldható a vészvillogó villogtatása. Azt is lehet még, hogy 2 diódával villogtatod az index 2 oldalát. Van olyan gyári kp. zár amiben ilyen megoldás szerepel. Azt is meglehet még, ha nagyon sípolni akarsz, hogy kirelézed a nyitást és a zárást és arra kötöl 1-200Ft-os zümmert, így már sípolni fog. Van megoldás sokféle, el kell dönteni mit szeretnél és biztos találunk rá megoldást és segítünk kivitelezni!
Hali, F Astrám van, és olyan kérdésem lenne, hogy vettem 5 ajtót, 2-2 oldalsó, és csomagtér ajtó, ezekbe gyári központi zár van, motorokkal, vezérlő is, van, sőt még benne van az elektromos ablak is, első két ablak, na igen ám, de sejtelmem sincs, hogy kössem be, az opel gyári kp zárat, meg a gyári el. ablakot, tudna esetleg valaki segíteni, hogy mit és hová kell kötnöm, előre is köszönöm..
Szia!
Rajzoltam Neked egy verziót ha a központid pozitív impulzussal vezérel... A legolcsóbb és a keresztfeszültségektől is véd... A zümmer helyére lehet kapni mini szirénát, azt kívülre is rakhatod. A hozzászólás módosítva: Júl 5, 2014
Az eredeti ajtóidba gondolom nem voltak ilyen perifériák, akkor viszont hiányzik a gyári vezérlő is. Elvileg hozzá köthető másfajta vezérlő is....
Köszönöm a sok lehetőséget.Mindenképpen egy hangjelzés lenne jó.
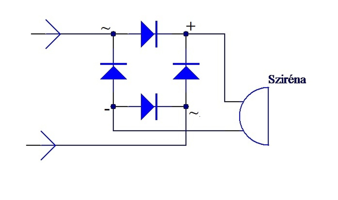
Azt 2 diódával egyszerűen megoldhatod. Keress mini szirénát a neten 3-5W teljesítmény felvétele van, nem fogja a terhelni a központi zár kapcsolóit.
A hozzászólás módosítva: Júl 5, 2014
Jó megoldásnak és egyszerűnek tűnik.Azt viszont elfelejtettem írni hogy 3 ajtós és csak a fülke ajtó központis.Én eddig csak a vezető oldalról induló két vezetékkel próbálkoztam ami ugye váltja a polaritást.Nekem ez a 2 vezeték is jó lenne.Nagyon nem akarom szétkapni a kormány mű burkolatát.
Ha csak hangjelzés kell akkor 1-1 dióda mindkét szálra és arra a sziréna, mivel polaritást vált, egyszer az egyiken aztán a másikon fog megjelenni a +. Azt nem írtad, hogy tartósan ott tartja e, vagy csak amíg a zárás nyitás lezajlik....
( a másikra is írtam Neked... ) A hozzászólás módosítva: Júl 5, 2014
Ez a legegyszerűbbnek tűnő,de hogy gondolod ezt pontosan?
Aszt hiszem értem.De egyébként kb 1.5 mp a zárás nyitás.És a feszültség el is tűnik. A hozzászólás módosítva: Júl 5, 2014
Na szóval.... Itten van.... Veszel egy 100 Ft-os Graetz hidat és a hullám jelölésű lábaira rákötöd a két vezetékedet, a + és - lábaira pedig a szirénát. Vagy megcsinálod 4 diódából a hidat. Így nem kell a testtel sem bajlódnod.
A hozzászólás módosítva: Júl 5, 2014
A hangjelzésre ott a megoldás amit zoszka kínál. Egyszerű és stabil. Azt ha megcsinálod tuti működik!
Mivel az eddigi kp zárak amiket láttam relések voltak, a relék pedig úgy voltak bekötve, hogy alapból az egyik polaritáson volt tartva a motor, és hol az egyik, hol a másik szála kapott ellentétes polaritást, így 2db dióda is elég. Jellemzően testen vannak alapból, de nem okozhat nagy gondot, ha mégsem. Kell 1-1 dióda a 2 motor szálról, a közös pont a zümmerre, a másik vége pedig egy fix ellentétes polaritású pontra (jellemzően testre).
De nem lesz jó, volt már ez itt gond, rövid a 0,7-1s idő, kell egy kis monostabil áramkör hozzá még.
Köszönöm!
Ez a legjobb nekem.Na akkor elkezdek keresgélni miniszirénát.Hidam van valahol itthon,diódám meg vagy 80 db
Mivel "Emberke" azt írta, hogy a két szálon váltott polaritást mér, ebből adódóan a motor 2 szálas. Így a 4 diódás megoldással kikerülhető a testelés. Az 1 mp-es impulzus idő pedig bőven elég a miniszirénának, mivel ált 0,2 mp a telítési ideje. azaz, ha 1 mp az impulzus idő, marad 0,8 mp, amivel bőven ad hangot még egy legkisebb 78Db-es sziréna is. Lehet, hogy még sok is lesz. De ez csak igény kérdése. A gyári szirénák csipp impulzus hossza 0,4 mp, csak hogy legyen mihez hasonlítani. Ha az előző rajzot megnézed ott 2 diódás és 2 + vezérlőszálas
verzió van, csak az indexek is bekerültek a körbe. Előző: Link |
Bejelentkezés
Hirdetés |




Tudom ezt most értenem kéne de sajnos nem. Tehát a riasztó test szálát kössem egy az autóban lévő bármely izzóhoz?



