Fórum témák
» Több friss téma |
Na sikerült már végre eljutni addig hogy teljesen kész van a hangjelzés.Szervómotor vezérléstől megy egy relé,és az húzza be a szirénát.A relé kimenő lábához tettem még vezetéket hogy ha majd tudok szerezni záró nyomógombot,akkor kézzel tudjam működtetni a szirénát.
üdv!
segítséget szeretnék kérni. Mazda E2200 tehergépkocsim van. A kocsiban Rhino 2000 A típusú riasztó van, ma beültem a kocsiba és amikor becsuktam az ajtót elkezdett riasztani és a kapcsolóval leállítani sem tudtam csak nagyon nehezen. Viszont a kocsit letiltotta teljesen nem tudom elindítani a kocsit és a riasztó is folyamatosan szól csak úgy tudtam elhallgattatni, hogy kihúztam belőle a kábeleket. Viszont a kocsit letiltotta és nem tudom elinditani :\ Mi lehet a probléma lenne valakinek valami ötlete? Köszönöm előre is a segítséget!
Lehet, hogy nem kapcsolt ki a riasztó. Láttad a riasztási kódot amikor végül sikerült kikapcsolni? Lehet test hiba. Attól mert a riasztást kikapcsolod, nem biztos hogy ugyanakkor a riasztót is inaktiválod. Általában riasztáskor 2x kell a ki gombot nyomni. Sok minden lehet. Ha lehúzod a riasztó csatiját, nem fog tudni indulni az autó (nem véletlen). A riasztó 2 különálló fekete vezetékét kell rövidre kötni, hogy induljon.
A hozzászólás módosítva: Júl 14, 2014
Sziasztok.
Ezt a kulcsos kpzár szettet (kép1, kép2) szeretném összeilleszteni ezzel a távirányítós cuccal (kép3, kép4). Neten böngészgetve addig eljutottam hogy a "nyitott áramkörű relé szerelés" alapján kell bekötni, csak az nem világos hogy a vezérlővel miképp tudom összeilleszteni. A piros és fekete tiszta,két barna az index, a rózsaszín, zöld, piros/fekete nem kell. Jól veszem ki a rajzból akkor a sárga és/vagy a sárga/fekete test?! A fehér/fekete a nyit = barna a kulcsosnál, fehér zár= fehér a kulcsosnál. A narancs meg a narancs/fekete megy egy nyomógombos kapcsolóra és ezzel tudom még plusszban nyitni zárni? Abszolute nem vagyok műszaki ember, paraszti ésszel próbáltam gondolkodni. Remélem annyira nem találtam ki hülyeséget. Valaki jár erre örülnék ha kijavítana. Idézet: „"nyitott áramkörű relé szerelés"” Ejj, ezek a fordítógépek... Ott pluszt kapcsol, nem jó neked.A kp zár szetteden van egy barna és egy fehér, ahol testet vár. A vezeték nélküli vezérlőben 2 relé van, amit szabadon köthetsz. A negatív trigger elnevezésű rész kell neked. Az alsó 2 felirat eggyel lejjebb van csúszva, az ne zavarjon meg.
Sziasztok!
Egy kis segítségre lenne szükségem... Vettem egy Giordon SMP G7 riasztót, amit egy 2001.-es Vw Golfba szeretnék beépíteni, de elakadtam közben. Itt a beszerelési útmutató: http://smpower.inetworks.hu/shop/term_dok/1455.pdf Az egyik kérdésem az lenne, hogy a központi zár felé menő 6 vezetéket hova kössem, illetve melyik séma szerint? Azt már kiderítettem, hogy az autó bal első ajtójában lévő ajtóvezérlő egység 29 pólusú csatlakozójának a 24. pontja a zárás, a 4. a nyitás. A másik kérdésem a motorblokkolás bekötése. Adtak egy relét amiből két vastag zöld, egy vékony fehér, és egy sárga kábel lóg ki. A sárgát nyilván a riasztóból jövő sárgával kell összekötni, na de a többit hova? Közben kiderítettem, hogy a benzinpumpa reléjén (167) lévő lila/fehér vezetéket kell megszakítani, és oda bekötni. Na de onnan kettő lila/fehér kábel is jön, akkor most eléje, vagy mögéje? Na és a másik relén melyiket, hova kössem? Előre is köszönöm a segítséget.
Szia.
Ez alapján sikerült bekötni, köszi szépen a segítséget.
A motorblokkolást bekötöttem, már csak a központi zárral nem boldogulok...
Ha meg van a vezérelhető 2 pont, már csak azt kell tudni, hogy test kell-e neki. Ha igen, akkor ott a pdf-ben a rajz "2.negatív kioldó" néven.
Hello!
Köszi a választ! Kiderítettem, hogy egy barna-fehér vezetékre kell kötni még valamit az autó A oszlopában, na de melyiket? A két narancsot kössem oda, a sárgákat meg testre?
Mint írtam, lényeges, hogy mit kell neki adni. Ha testet, akkor a sárga és a sárga/fekete testre, és a fehér a zárás, a fehér/fekete a nyitás. Ezt is írtam, ott az általad linkelt pdf-ben a rajz. A narancsok üresen maradnak.
Hello!
Köszönöm szépen a segítséget, sikerült!
Sziasztok!
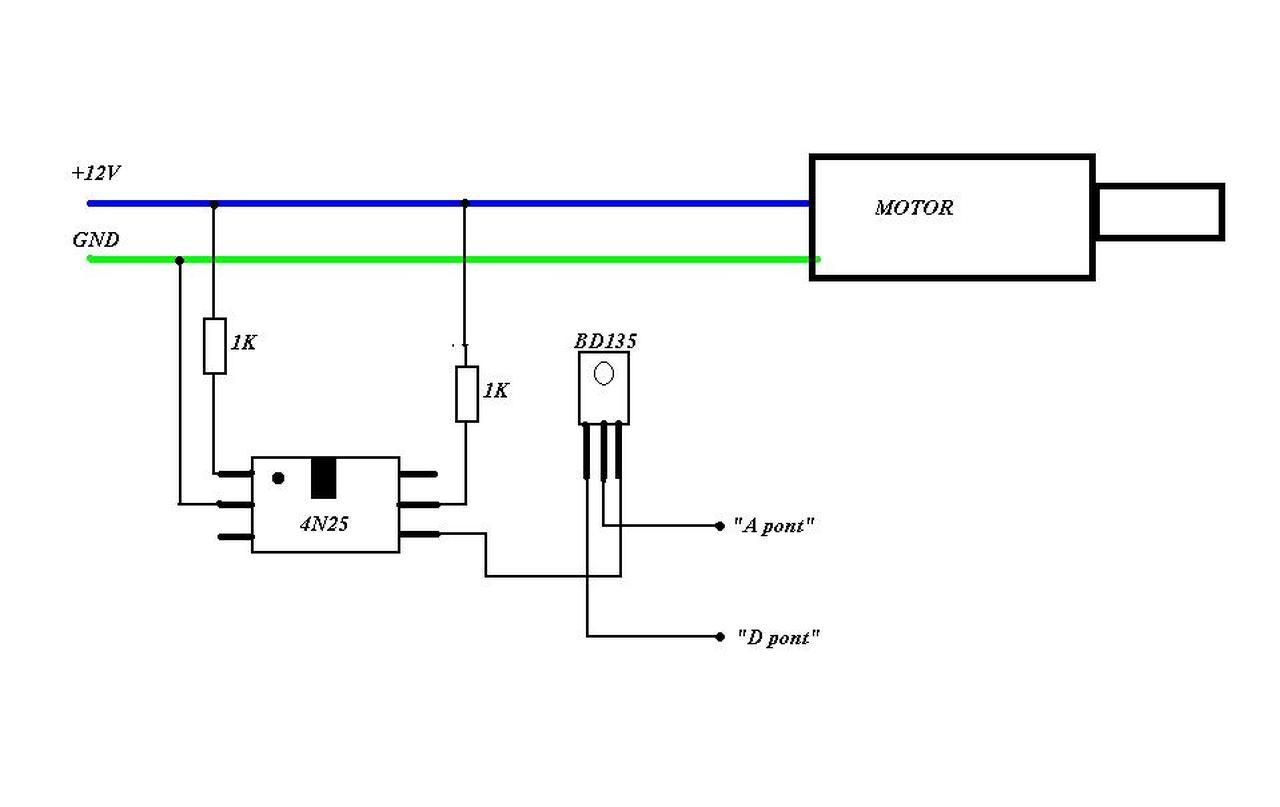
Uj regisztrálóként üdvözlök mindenkit és egy kis tanácsra lenne szükségem. Megépitettem az alant láthato kapcsolási rajz alapján a belsö világitás késleltetésem ami tökéletesen müködik,viszont a g ponton jelölt részt ha bekötöm a riaszto nyitás jelére akkor a központi zár a nyitás után rögtön vissza is zár mivel gondolom az elektronikán keresztül pluszt kap ahol csak a minusz kéne csak hogy menjen.Mivel lehetne megoldani hogy a riaszto jel minusz pontja ne okozzon zavart a központi zár elektronikájában ha össze van a kötve a vílágitás elektronikával.Gondoltam már egy relére amit a riaszto vezérelne de tartok attol hogyha a gyujtást ráadom akkor esetleg valami leég......
Vagy esetlegesen tudna valaki egy tanácsot adni hogy hogyan tudnám azt megtenni hogy a központi zár kikapcsolásakor felkapcsolja a belsö világitást?
az elözö hszröl lemaradt az elkészült rajz...... A hozzászólás módosítva: Aug 1, 2014
Szia! Üdv itt a fórumon! Hirtelen ránézésre úgy látom, hogy a relén, tranyón és a diódán keresztül +fesz. jut a G pontra. Ez így nem jó, azért kínlódik a kp. zárad. A Betűs pontokról adhatnál pontos megnevezéseket. Ha jól gondolom, akkor a relé és az A pont közé kellene egy dióda és oda kötni a g pontot.
Szia!
Köszönöm válaszod akkor sorolom: A=ajtokapcsolo B=belsö világitás C=+12v d=-12v f=kapcsolt +12v "gyujtás" g=kapcsolt +12v "központi zárás pont" nincs bekötve h=kapcsolt -12v ez lett volna a központi nyito pontja Ha az f vagy a g pontra kapcsolok +12 voltot akkor beindul a halványítás és kikapcsol a belsö világítás,ellenben ha a h pontra minuszolok akkor pedig felkapcsol. a probléma ott van hogy nem találtam a thunder riasztomon egy olyan pontot amin csak időlegesen jelenik meg a test a nyitás után.mert gondolom a probléma itt is lehet. A hozzászólás módosítva: Aug 1, 2014
A -12V és a 0V/GND között nagy a különbség! tt nincs negatív fesz. úgyhogy maradjunk ezentúl a GND-nél, mert ez összezavarhat valakit a későbbiekben!
A G pontra Te +12V-ot kapcsoltál, de a dióda katódjára kapcsoltál, ami ugyebár nem működik így. Előtte azt írtad, hogy GND-t kapcsoltál rá, akkor most mit is? H pontot nem látok a rajzon, ez hol van? A riasztó kapcsolja a kp. záradat? A kp. zárnál van impulzus szerű pozitív és GND kimenet is, mivel a motorok ugye nem mehetnek a végtelenségig! Onnan kellene húzni a jelet a világításnak. Egyszerűen amúgy azt kellene, hogy megkeresed a kp. zár kimenetét amelyik nyitáskor GND-t ad és azt kötöd az A pontra. Akkor működni fog.
Az elsö hszben irtam a G pontot hogy ott van a gnd mint kapcsolási pont az én nyáklapomon viszont H a jele mivel kimaradt az E betü.Pont az a problémám hogy a riaszto rendszer vezérli a központi zárat és az állando gnd-t ad ki viszont nekem ahoz hogy csukott ajtonál is felkapcsolja a világítást nem kell állando gnd hanem elég lenne egy olyan 5 másodperces is.Ha állando gnd-t adnék az A pontra akkor az olyan lenne mintha állandoan nyitva lenne az ajto mivel az ÍA pont az ajtokapcsol jele,és szintén gnd, a riaszto onnan veszi azt a jelet hogy kinyilik az elsö ajto ezért zavarhatja be a központi zárat is gondolom én.Majd megprobálom megoasztani a riasztom kapcsolási rajzát is de szerintem a probléma abban lehet hogy az F,G,H pontokra a zöld szinü nyákterven csak impulzust vár az elektronika, az állando gnd vagy állandó +12v bekeverhet az a ajtokapcsolo pontjával.Probáltam megkeresni a központi zár kimenetet a hátsó ajto kábelén ahova csak 2 kábel megy de sajnos az is állando gnd.
Akkor az A pontra tegyél egy diódát és azon keresztül kapja a riasztód a GND-t. A motornál nem lehet folytonos a jel, mert nem folyamatosan megy. Ha a +12V-ot szakítja meg, akkor meg egy optoval meg is oldottad a dolgot. Nézd meg, hogy mennyi ideig kap a motor +t és aztán ha jó az impulzus idő számodra, akkor már mehet is az opto rá, így akkor nem zavar senki semmit!
Köszönöm gyors válaszod
![]() A központi zárnál számomra a probléma az hogy a plusz 12v és a gnd cserélődik a hátramenő 2 vezetéken. Pld zárás kék +12v zöld gnd,nyitás kék gnd zöld +12v. Annyira nem vagyok elektrotechnika szakértö hogy egy optocsatolot is tudjak épiteni. ![]() de ha lerajzolod nekem valami papirra az alkatrészekkel akkor sztem megtudom tervezni ![]() Igazság szerint érdekel ez a fajta hobbi de sok mindent nem értek.Pld hogy mi hova megy és miért.Amit csináltam rajzot azon értem hogy a diodák nem engedik visszafele az áramot értem azt is hogy a kondenzetor nagysága adja meg az idöt hogy mennyi ideig világitson valami vagy legyen bekapcsolva,de a tranzisztornál már nem értem hogy miért is kell neki egy hurok az egyik lábon a diodával és ellenállásal.
Az optocsatoló egy alkatrész. Holnap írok részletesen, csak ma már nem érek rá.
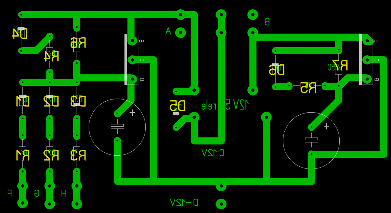
Lerajzoltam az elgondolásomat. Így működnie kell.
Itt egy kis segítség, hogy ki-kicsoda. optocsatoló Tranzisztor remélem érthető lett.
Értem a rajzot köszönöm szépen,csak nem akarok megint alkatrész venni,egy sima relével nem megoldhato a dolog?Mert van itthon egy válto relém aminek 2 érintkezöje van,az egyik áram nélkül zárt mid a másik nyitott és forditva.
A gond csak az hogy bármelyik lábára is teszem rá a +,- pontot mindenféleképp meghuz,nekem meg csak a nyitásnál kéne hogy meghuzzon.....
A többi része elég katyvasz nekem, de
Idézet: „A gond csak az hogy bármelyik lábára is teszem rá a +,- pontot mindenféleképp meghuz,nekem meg csak a nyitásnál kéne hogy meghuzzon.....” Köss vele sorba egy diódát és így már csak egyik irányba fog behúzni!
Kiprobálom ugy köszönöm a tippet
![]() egy sima n4007 elég oda?
Helló!
Érdeklődnék , hogy a 2 vezetékes kp zár motor hogy működik? Mert egy 2000-es Daewoo Matizba szeretném távirányítóról vezérelni a nyitást , zárást és 2 vezetékes motor van belerakva + - ba a bal első ajtóba. Ha ennek adok egy pozitivot és negatívot akkor kinyitnak az ajtók , de gőzöm nincs hogyan lehetne vele zárni is. A hozzászólás módosítva: Aug 9, 2014
|
Bejelentkezés
Hirdetés |




Ott pluszt kapcsol, nem jó neked.

H pontot nem látok a rajzon, ez hol van? A riasztó kapcsolja a kp. záradat? A kp. zárnál van impulzus szerű pozitív és GND kimenet is, mivel a motorok ugye nem mehetnek a végtelenségig! Onnan kellene húzni a jelet a világításnak. Egyszerűen amúgy azt kellene, hogy megkeresed a kp. zár kimenetét amelyik nyitáskor GND-t ad és azt kötöd az A pontra. Akkor működni fog.

