Fórum témák
» Több friss téma |
Sziasztok!
Olyan kérdésem lenne, hogy a központizár motorok hogyan működnek, hogyan kell vezérelni? Az világos hogy polaritásváltással zár/nyit. De mennyi ideig kell rájuk 12V-ot adni? Mikrokontrollerrel szeretném megcsinálni, hogy az autóm a 4 ajtó motorját ne egyszerre, hanem egymás után működtesse. Így kíméli az akkut. A gyári vezérlést váltanám ki.
A motorosnak 0,5, régebben 0,75s impulzust adtak. Ennyi idő alatt vígan végig szalad a fogasléc.
Az 5 vezetékes motorban van egy mikrokapcsoló, aminek 1 váltóérintkezője van, vagyis a közös pontot vagy az egyikre, vagy a másikra zárja. Általában testet kapcsoltatnak velük. Az univerzális motorok színei:
- kék és zöld, motorkivezetések - fekete, a váltóérintkező közös pontja, COM - fehér és barna, a váltóérintkező 2 érintkezője, NO és NC A 5 vezetékes motor a vezérlőtől kapja a testet, a kapcsolt szálakat pedig megkapja. A motorok párhuzamosan vannak kötve, valamint, ha 2db 5 vezetékes motor van (2 első ajtó), akkor a kapcsoló szálak is.
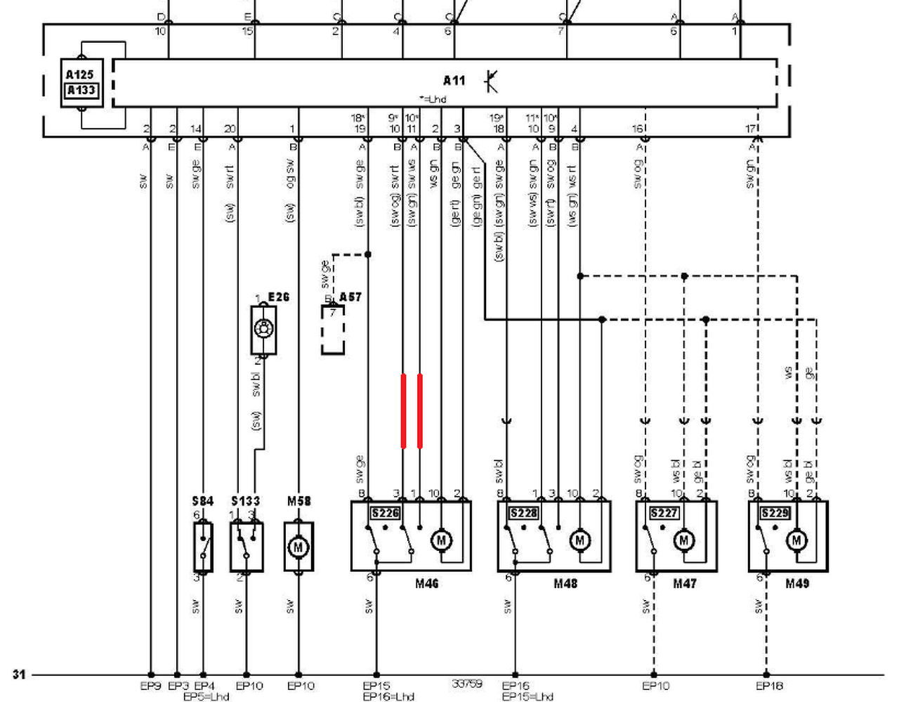
Sziasztok!
Köszönöm a választ! Közben egy másik kérdésem is van, két autóval foglalkozom egyszerre. Ez egy Ford Fiesta, gyári központizárral, de nem távirányítós, hanem csak kulccsal zárja/nyitja az összes autót. Egy távirányítós vezérlőt akarok bele rakni. A kapcsolási rajz megvan, de gyárilag egy úgynevezett GEM komfort modul van benne ami vezérli a motorokat. (Van olyan amihez hozzá lehet tanítani gyári távirányítót, ehhez nem.) A kapcsolást csatoltam, az lenne a kérdésem, hogyha a képen jelölt két piros vezetékre testet kapcsolok, akkor a zárás/nyitás megoldható? A GEM modult esetleg nem teszi tönkre?
Össze is dugdostam, 1db 5 és 1db 2 vezetékes motorral.
A kék és a zöld a motor kivezetés kapja is a rövid jelet nyitáskor/záráskor. A fehérben nyitott állapotban van folyamatos feszültség, a barnában záráskor. A feketében folyamatos test. Volt egy kis időm próbálgatni a vezérlőt, ha a K1 On-t testre rakom, lezár. Akkor záráskor a motor 2 helyről kapja a jelet: SR1 és K1 On Így elképzelhető lenne, hogy elég egy szálat rakni (K1 On) a meglévő központi zár záró vezetékére? Az SR1 relé test szálát pedig menne simán a testre? Csak még mindig az van, hogy ha K1 On kap 12V-ot akkor kiütheti az IC-t.
Vagy én nem gondolkozom "hobbielektronika" ésszel
Tehát SR1 és SR2 kettes lábát a központi kék és zöld vezetékére kötöm (működés helyesen). K1 On melyikre megy?
Sziasztok!
Olyan kérdésem lenne, hogy a képen mellékelt Rhino riasztó van beszerelve Suzuki swift-emben és sikerült tönkretennem a nyitást és zárást vezérlő modult, van-e valami sejtésetek, hogy mi mehetett tönkre? A szituáció: Az ajtóban található zár mechanikai részt fújkodtam be egy kis wd40-el hogy jobban járjon és mikor gyorsan nyitottam és zárogattam egymás után egyszer csak lehalt az egész és nem zár a kp. A felépítés: A képen látható egység van beszerelve a motortérbe. A kormány alatti burkolat mögött van egy kis fekete doboz ami gondolom az impulzusok alapján kiadná a záró motorokra a feszültséget viszont ez nem történik meg. Ezen belül az ic-n van két tekercs amiknek az oldalán egy kis lap ami gonodolom valamiféle kapcsolást csinál mágneses elven viszont hiába zárok vagy nyitok azoknak nem változik az állása. Hiába nyomom át az ajtón a zárat semmi, ha a táv-al próbálom akkor is csak a hangjelzés van semmi nem történik. A barna és a fehér vezetéken cserél a feszültség attól függően, hogy a motor milyen állásban van. A vezető oldali ajtón található egy 5 vezetékes motor a többin 2 vezetékes. (barna, fehér, fekete, kék zöld)/(kék,zöld)
Nézd meg, hogy kap-e áramot a kp zár vezérlő modul, lehet, hogy kiment a biztosítékja.
Esetleg eléghetett a NYÁK-on egy fólia, nézd meg azt is. Más nem igazán lehet, talán még a relék közül éghetett be az egyik...ha a vezetékek jók. A hozzászólás módosítva: Aug 8, 2015
A barnára, te mérted, hogy az akkor van testen, ha zárva van, a rajzon pedig szerepel, ez a kitétel, stimmt, minden rendben!
A piros/feketén kap tápot, biztosíték nem ment ki, legalábbis amiket megtaláltam azok közül egyik sem. A barna/fehéren kap áramot attól függően, hogy a záró motor milyen állásban van, viszont a kék/zöld amin kéne, hogy kapja a motor a mozgáshoz nem kap. Nemtudom, hogy minek kellene kiváltania azt, hogy kapjon.
A hátulján találtam egy égett részt viszont forrasztás után sem lett jó sajnos úgyhogy nem tudom mi mehetett ki, vagy mit csináljak .:/
Sziasztok!
Van egy Fiat Ulysse 2003-as autó központi zár nyitója. Így ahogy a képen van jutott el hozzám. Mivel még soha nem foglalkoztam ilyenekkel ezért adódik a kérdés...hány voltos feszültséggel fog működni? Elsőnek labortáppal próbálnám, aztán veszek bele elemet. köszönöm
A hátuljáról is egy kép, és most nézem hogy az évjáratot hibásan adtam meg de szerintem ez semmit nem jelent, és nem számít. 2002
3 és 4,5V-ról is kipróbáltam de semmit nem csinált. Egyébként az se biztos, hogy jó.
Nyitott állapotban viszont feszültség van benne, nem fog kiütni valamit?
Egy dióda megoldja a problémát..
Köszönöm a megoldást proli007!
Maga egy Úr! A hozzászólás módosítva: Aug 9, 2015
Nagyon egyszerű dolgod van. Kézzel tudod működtetni a reléket. Felváltva billentsd át (csak egy pillanatra! kb. 0,5s!) az érintkezőjét valamelyiknek. Az egyiknél nyitnia a másikkal zárnia kell. Ha nem, és jól mérted, a tápok meg vannak, akkor nem ad át a relé, csere...ha működik, akkor viszont a relék nem kapnak jelet, előrébb van a baj. Vagy az IC, vagy valamelyik kapcsoló tranzisztor.
A hozzászólás módosítva: Aug 10, 2015
Hello!
A képeid alapján vissza rajzoltam az áramkört. Az alkatrészek értékeit nem láttam, így azt nem is írtam rá. Viszont ez alapján már tesztelhető/javítható az egész. Működése: - 1-es bement testre húzásakor, egy pillanatra húz az SR2 relé. Bontáskor (vagy magas szintre húzásakor), egy pillanatra húz az SR1 relé. - 2-es bement tápra húzásakor, egy pillanatra húz az SR2 relé. Bontáskor (vagy alacsony szintre húzáskor), egy pillanatra húz az RS1-es relé. - Ha 1-es bemenetfixen testen van, 2-es bement nem hat. És fordítva is, ha a 2-es bement fixen tápon van, nem hat az 1-es bemenet. - 3-as bemenet testre húzásakor, egy pillanatra húz az SR2-es relé. - 4-es bemenet testre húzásakor, egy pillanatra húz sz SR1-es relé. Teszteléskor tápot adsz a 11-12-es pontra, és 7-8-ra egy 12V-os izzót teszel. Ha van kedved, az IC lábszámai alapján azonosítható az ellenállások/kondik értékei. HA meg van, szívesen ráírom a rajzra. A hozzászólás módosítva: Aug 10, 2015
Köszi az ötletet, próbáltam átbillenteni és nem történt semmi, valószínűleg akkor azt kell majd cserélni csak remélem.
Köszi az ábrát, és sokat segíthet amit írtál, ez alapján összeülök ismét villanyszerelő ismerősömmel, hogy próbálgassuk.
Valószínűleg a reléknél lesz a gond ez már biztos, valamelyik kisülhetett, mert próbáltam átbillenteni is és nem történt semmi.
Ezek nyitott relék, akár meg is lehet tisztítani-polírozni az érintkezőket, rugó feszességét ellenőrizni, behúzási feszültséget ellenőrizni. Nem ördöngösség, tehát nem biztos hogy egyből cserélni kell. (Meg kérdés van-e ilyen..)
Azért azt csak megnézném előtte még egyszer, hogy meg van-e a relék váltóérintkezőin a +12V és a test...hogy egyszerre úgy égjen be mindkettő, hogy nem működik egyik irányba sem...? Hmmm...gyanús.
Sziasztok!
Segítségeteket kérném. Van egy Honda Civic-em, benne egy Enforcer riasztóval, melynek elemcserés lett az egyik távirányítója. Csere után viszont nem hajlandó működtetni a riasztót. Hogyan lehet őket újra egymásra hangolni? Van hozzá egy másik, az működik. Már többször cseréltem elemet bennük, de eddig nem csináltak ilyet. Sajna a riasztó pontos típusát nem tudom, meg kell majd néznem. És még valami. Ugyanez a riasztó régen az ajtók lezárásakor felhúzta sorba az ablakokat, most nem teszi. A bal első ajtó kinyitása után néha nem deaktiválja a riasztót, valamint előfordul szintén ennél az ajtónál, hogy nem engedi az elektromos ablakemelőt működni, attól függetlenül, hogy milyen állásban van az ablak(lehúzva, felhúzva vagy köztes állásban). Ezt néha a gyújtás levétele megoldja. Válaszotokat előre is köszönöm!
Sziasztok!
Összekötöttem az elektronikát, működik szuperül a központival, viszont találtam egy biztonsági hiányosságot. Ismét segítséget kérnék ha lehetséges. Megoldható lenne-e, hogy: ha az "OP kétszer kap jelet addig amíg "K2 Door" nem szakad testről, akkor csak az elsőnél működtesse az "SR2" relét? Ha megoldható, akkor az "SR2" 2-es lábára is kellene ugyan így. Ugyanis a csomagtér motor nem az univerzális, hanem fogasléces kivitel. A fogasléc két végállás közti távolsága kb 4cm. Nyitó jelre mozog kb 1,5cm-t. Működik is szépen. De ha az op "netán" 2x kapna jelet, akkor a motor dupláját mozdulna kifelé (3cm). Így tönkre teheti a zármechanikát. Az "SR2" 2-es lábára ugyan ilyen okból kellene, az van a központi nyitó szálára kötve. "OP" jelet kap, SR2 nyit, ha "K2 Door" testről szakadása előtt nyitnám a központit (elfelejtem, nálam előfordulhat), megint kapna jelet... Remélem érthetően fogalmaztam, és van rá megoldás... Köszönöm!
Sziasztok!
Riasztó bekötésében tudna nekem valaki segíteni? Vettem egy Thunder Ca105 távirányítós centrálzár vezérlő riasztót. Az autó egy Suzuki Swift 1.3 1997 amiben eddig is volt központi zár, de az csak kulccsal működött. Adtak hozzá egy bekötési rajzot, de megmondom őszintén, hogy fogalmam sincs melyik drót hova megy a mai nap után már. Az ajtóban levő vezetékek közül melyik lenne a vezérlőszál amire a riasztó kábelét kell kötni, mert én rákötöttem az ajtóban lévő barna/fehér és barna/fekete kábelre a fehér és fehér/fekete kábelt de nem történt semmi. Mellékeltem képet, meg a bekötési rajzot is. Kérem aki tud segítsen! Nagyon köszönöm! 1. kép: az ajtóba szerelt központi zár kábelei 2. kép: az új távirányítású riasztó bekötési rajza
Kérdés az , hogy a kulccsal záródó kontaktus milyen jelet adott a riasztónak +, vagy -.Mert akkor az új riasztó vezérléséhez értelem szerűen oda kell kötni a nyitáshoz , illetve a záráshoz tartozó kontaktusokat, és máris meg fog történni a riasztás mondjuk ajtó nyitásra.
Az index bekötése nem lehet gond , ez akkor jelez , ha be riasztózód a kocsit ennek hatására jelezni fognak az indexek egy két felvillanással stb, stb, stb.
Még jelenleg nincs bekötve semmi más csak a vezérlőre táp az aksiról és földelés meg a led.
A vezérlő működik ki/be lehet kapcsolni a led is villog ha be van kapcsolva csak az ajtókban a központi zárat nem vezérli. Akkor azt mondod hogy próbáljam meg a fehér/fekete és sárga vezetékekkel és ezt kell rákötni a barna/fekete és barna/fehér vezetékre. Előre is köszönöm válaszod. |
Bejelentkezés
Hirdetés |


















