Fórum témák
» Több friss téma |
WinAVR / GCC alapszabályok: 1. Ha ISR-ben használsz globális változót, az legyen "volatile" 2. Soha ne érjen véget a main() függvény 3. UART/USART hibák 99,9% a rossz órajel miatt van 4. Kerüld el a -O0 optimalizációs beállítást minden áron 5. Ha nem jó a _delay időzítése, akkor túllépted a 65ms-et, vagy rossz az optimalizációs beállítás 6. Ha a PORTC-n nem működik valami, kapcsold ki a JTAG-et Bővebben: AVR-libc FAQ
Teljesen normalis. Ha el szeretned kerulni, akkor precizios muveleti erositot kell a referenciara kotni.
A műveleti erősítős dolgot megerősítem. Sajnos ilyenek a mai precíziós referenciák,
ugrálnak mint állat, de a középérték az valóban precíz lehet...
Ennek az az oka, hogy sontoli, nem a referencia hibaja. A szamitasaim szerint a lenti esetben 9V-os tapot es 60mV-os hibat feltetelezve az jott ki nekem, hogy a uC ~330 kOhm terhelest jelent.
Sziasztok!
Beprogramoztam ARV Studio (V4.19)-el, az AVRTiny45-be a Topi által közölt csipogót, működik rendesen. Szeretnék egy új programot betölteni, de nem bírom. Hogyan lehet letörölni, ill. új programot betölteni, mit kell átállítani? Köszönettel! oregharcos
Most készülök egy motor fordulatszám szabályzó áramkör tervezéséhez. Van egy marómotorom (1000W) aminek a fordulata állítható de sajnos a gyári érték: 10.000-30.000 között szabályozható csak. Szükségem lenne néha 5.000 fordulatra is amit a következő képen terveztem megvalósítani.
Fázishasításos módon (BT138 + MOC3021): Tudom hogy a teljesítményt rontja, de még akkor is bőven elég teljesítmény lesz arra a munkára amire használni akarom. PWM-mel gondoltam a MOC-ra kiküldteni a jelet ami pedig a BT138-at kapcsolgatja. RPM Mérés: A tengelyre gondoltam festeni egy fehér vonalat és valami optikai megoldással számolni a fordulatot. Erre tud valaki mondani nekem szenzort? A kérdésem a következő. Hogyan tudom a MOC+BT138 párost illeszteni az AVR-hez? A PWM vezérléssel így meg lehet oldani? Köszönöm előre is!
Én itt találtam pár érdekes és hasznos szabályozási elvet.
A fázishasítás mellett hullámcsomag szabályozással(na ennek a neve soha nem jutott volna eszembe) is tudsz fordulatszámot(teljesítményt!!!) szabályozni. Lényegében ez egy PWM, csak a periódusidő egy egyész periódust jelent a hálózaton. A fázishasítással felharmonikusokat termelsz, hullámcsomaggal meg nem. Gondolom a meghajtásra ezt szeretnéd használni. A bemenete lesz érdekes ami lényegében egy LED, tehát előtétellenállással akár közvetlenül is meghajthatod az AVR egy kimenetével. Az AVR-el figyelned kell a hálózati nullátmenetet, akár fázist hasítasz, akár hullámcsomaggal játszol. Fázishasítás nem is létezik nullátmenet figyelés nélkül! Néhány oldallal előrébb már foglalkoztak az AVR-el való nullátmenet detektálással, ezért nem írom le. Remélhetőleg világos hogy egy univerzális motor fordulatszáma erősen terhelésfüggő. 5000-es fordulatnál biztosan nem adhatja le azt a teljesítményt mint 30000-en, mert akkor leégne. Korrekt szabályozóval viszont viszont a 30000-es fordulatnál jellemző nyomaték többszörösét leadhatja!
Köszönöm a segítséget. Megpróbálom megtalálni a 0 átmenet detektálásos részt. Hullámcsomag vezérléshez az áramkört ugyanígy kell összeilleszteni nem? Csak ott máshogy kell a TRIAC-ot kapcsolgatni. Erre csinált már valaki hasonlót? Melyiknek jobb a hatásfoka?
Egy Kress FME1050-ről van szó. Itt egy link a motorról:Bővebben: Link
A nullátmenetbe kapcsoláskor az induktiv hatás miatt a kapcsolóelem kalapot emelhet! Fesz minimum, áram maximum van (ideális motornál).
Nálam a 16A-es triak a 40W-s keringtetővel nem volt megbékélve....
Nullátmenethez az a kapcsolás használható amit mellékelek?
Azt mondod hogy a BT138 nem fogja elbírni az 1000W-os motort? Máshol is láttam már ilyen célú használatot. Bővebben: Link És ha többet kapcsolgatnék? Az nem megoldás a terhelés elosztására? Valami hasonlót akarok megvalósítani én is csak AVR-rel. Bár ahogy nézem ebben nincs is 0pont figyelés. Vagy az Optó az MOC3063 vagy valami hasonló. Abban van 0pont figyelés.
Sokat nem segitett. Ez soros gerjesztesu DC motor?
Tudtommal a triak aram 0-nal kapcsol ki(termeszetes kommutacios pont) nem feszultseg 0-nal. A bekapcsolasi idopont meg tetszoleges lehet.
Kikapcsolásnál az "áramnulla" még oké, de hogyan/mikor kapcsoljon BE ha már amúgyis nulla?
![]() Egyébként én a feszültség nullpontátmenetét használnám de jobb rákeresni az alábbi kulcsszavakkal, tetszőleges kombinációban: "induktív terhelés" "teljesítményszabályozás" "hullámcsomag" "fázishasítás" Igen, a kapcsolás ugyanaz, a vezérlési elv más.
A feszultseg nullatmenethez kepest kesleltetve kell bekapcsolni. Itt nincsenek nagy csodak
Tanulmanyaim szerint hajtasos vagyok.
Sajnos erre nem tudom a választ. Találtam viszont neten egy érdekes kapcsolást ami pont fordulatszám mérésre hivatott.
Bővebben: Link Viszont itthon ez a IR modul nem lelhető fel. Ezek közül valamelyiket lehet használni helyette? Bővebben: Link Bővebben: Link
Jo lesz. A motor tipusara csak azert voltam kivancsi, mert vegig akartam gondolni, hogy ez a szabalyozas milyen mellekhatasokat fog okozni.
Próbáld ki a TCRT 5000 típust.
A vasútmodellezők használják. Nem 0.3 mm az érzékelési távolsága, hanem jóval több.
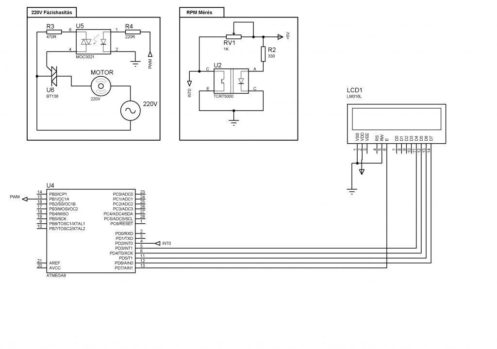
Összedobtam gyorsan a kapcsolást. Átnéznéd nekem hogy jó-e az elgondolásom vagy sem? Én így képzeltem el a kész kapcsolást. Még az LCD lábait lehet átpakolom meg abból nincs minden bekötve, de az legyen a legkevesebb
. Ebben benne van a fordulatszám mérés TCRT5000-rel és a szabályozás is. Gyakorlatilag nem tudom hogy helyes-e de elvben jónak kellene lennie.
Kene merned a halozati feszultseget, azaz konkretan a nullatmenetet es a polaritast, mert igy nem tudod megallapitani, hogy mikor kell gyujtani. A tobbi jo.
Arra próbálok még keresni valami kapcsolást de egyenlőre nem találtam csak olyat ami transzformátoros megoldással csökkenti a feszt az AVR-nek. Viszont nem akarok trafót pakolászni a kapcsolásba ha nem muszáj. Meg a másik hogy valahogy le akarom választani a nullátmenet figyelést is. Optocsatolóval nem lehet ezt valahogy megoldani? Ha tudsz segíteni azt megköszönném.
Még volt egy másik fordulatszám figyelés is. Az még használt egy 2N3904-es Tranzisztort a Reflexiós Optó lábán. Természetesen 5V-al megtáplálva. Ez arra lenne jó hogy a kimeneten vagy 5V vagy 0V jelenjen meg?
Helló.
Az elgondolásod jó, csak az a hiba benne hogy az AVR-t nem szinkronizálod rá a váltakozófeszültségedre. Azt kellene megoldanod hogy az AVR a 220/230V nullátmeneténél kezdje a PWM jeled.példa Mint ahogy az oldalon is látni fogod miképp kellene csinálni a triakod vezérlését. Én tavaly szenvedtem ezzel én is úgy gondoltam hogy :hát ott van benne a nullátmenet érzékelés azt viszlát, hát nem így volt az izzóm is úgy vibrált mint annak a rendje,mert összevissza hasogatta a fázist gondolom én.Vagy vegyél egy valena fényerőszabályzót abban ATtinny13 van a potin pedig asszem 0-5V-ig van feszkó azt már csak egy digitálispotival kellene helyettesíteni azt ennyi...
Az AVR-t miről hajtod ha nincs trafód?
Javasolom, kis panel trafóról menjen az avr és akkor a fázis figyelését is könnyen megoldhatod.
Igen tudom hogy kellene nullátmenetet figyelni. Nos a következőt találtam ki. Optocsatolónak TLP621-2 ebben két optocsatoló van egyszerre. Összeraktam a kapcsolást gyorsan Proteusba és leszimuláltam.
Ez mehetne rá egy megszakítás lábra és akkor az AVR tudná hol kell kezdeni a PWM vezérlést. Ez a kapcsolás használható így? Nincs nagy dolog benne. És még le is van választva az 5V-os ágról a 220-as rész.
Igen ez még egy másik elgondolás. Lehet ez lesz a megoldás rá. Ha ez a kapcsolás amit az előbb rajzoltam nem működik a gyakorlatban.
Hát érdekes megvalósítás.
Viszont szerintem elég csak az egyik félhullámot nézni utána már menne magától az egész.Nézd meg a példa-t az előző hozzászólásomban ott idevágó ötlet van.Csináld meg aszerint.
De ugy kene. Siman antiparallel ket optonak a LED-jet es egy elotet ellenallason keresztul a 230-ra kell kotni. Ha az egyik opto kimenete sem vezet, akkor nullatmenet van, ha valamelyik vezet, akkor pedig tudod, hogy + vagy - felperiodus van-e.
Google többnyire adakozó, itt egy kipróbált kapcsolás 220V-ZCD, lefutó vagy felfutó él vizsgálható tetszés szerint.
|
Bejelentkezés
Hirdetés |






Tanulmanyaim szerint hajtasos vagyok. 






