Fórum témák
» Több friss téma |
Sokan mondják hogy basszushoz felesleges a csöves felszerelés mert nincs nagy külömbség basszusnál a csöves és tranyós között. Ez tényleg így van?Amúgy pedig még a hangszóróra lennék kíváncsi hogy akkor tényleg jó lenne-e ebbe egy sima 12' hifi hangszóró?
Szia !!
Semmiképp nem felesleges . Csak azt kell szem előtt tartani milyen szintre akarjuk használni . Kezdőnek szerintem tökéletesen megfelel egy tranzisztoros erősítő megfelelő hangszóróval , ami semmiképp nem HiFi hangszóró ,Ugyanis egészen más a frekvencia menete. A basszusgitárhoz inkább a szub áll közelebb de annak meg nem lesz "fényes " a hangja . Ha van lehetőséged , próbáld ki kölcsön cuccal a gitárod először Hifi-n azután hangszer erősítőn és rögtön ráérzel mit is próbálok magyarázni.Bővebben: Itt nézz körül Árakat és néhány adatot is látsz. Ez ugyan az egyik legdrágább de viszont az egyik legjobb is.
Értem. Nos ha én most a Quad-ból meg mondjuk egy Celestion BL-12-100 -ból építenék egy komplett erősítőt, akkor az jobban szólna mint mondjuk ez? : http://www.sopizene.hu/Thomann/Basszerositok/Harley-Benton-HB-115B-...W.html Mert ha ennyi pénzért ez jobb választás lenne, akkor lehet nem fognék bele. Csak szerintem ezekbe tuti nem márkás hangszórók kerülnek. Javítsatok ki ha nem így van
Szia !!
Mindenképpen jobb a gyári összehangolt cucc. Meghát a teljesítményben (200w) a Quad csak két hídba kapcsolt erősítővel bír. Szerintem simán jobb és biztosabb választás, mert ez pár napon belül szólhat a saját gyártmány pedig majd egyszer.
Nagyon el van hanyagolva ez a jó kis topic :no:
Épitett már valaki Kreuzer féle gitárelektronikát, vagy előfokot? A Squier JB-embe Kreuzer féle on-board-ot csináltam és igen csak szépen muzsikál :yes: A fetes preampnak is nekiálltam de még nincs készen, mert félre raktam egy időre.Használ valaki ilyet? Itt a link a Kreuzer féle cuccokhoz: Bővebben: Link Üvd minden bassgitárosnak!
Csá. Sajnálom, hogy ilyet irok, de akinek számít a minőségi hangzás, az vegyen egy minőségi kombót. Manapság már elég olcsón lehet azokat kapni. Ha vki egy mélynyomóból akarna egy erősítőt építeni, legalábbis 60-70 Watt felett, az rakjon hozzá még egy piezzo-t is. Mélynyomó csak az alacsonfrekvenciás hangokat tudja, a piezzo (1 colos kis repró) az tudja a magasakat. Nekem egy 250 wattos WARWICK CCL ND-m van, üzleti ár (legalábbis szlovákiában, mostani árfolyam szerint) 200 000 Ft. egy bajom van vele: túl tisztán szól
Ajánlom h az illető aki vásárlásra adja a fejét, menjen be egy hangszerboltba és próbáljon ki pár ilyet, lehetőleg olyan hangszedős bőgőn, amije van. Mindegyik márkának más hangzása van, mindenkinek más hangzás tetszik.
Sziasztok!
Arról lenne szó, hogy szeretnék házilag készíteni egy nagyobbacska erősítőt basszusgitárhoz. Én 100-150W-osra gondoltam. Vagy érdemesebb nagyobbat csinálni? Kisebb koncertre, meg garázsban lévő próbákra kéne. Nézelődtem neten, de sehol nem találtam hozzá kapcsolási rajzot. Igazából semmi extra nem kéne rá, csak hangerő szabályozás, magas, közép és mély szabályozás, meg max. egy kivezérlés mérő. Tehát ha valaki tudna nekem ebben a témában segíteni, annak megköszönném. Köszönöm előre is! Üdv.
Tudom most sokan fújolni fognak de miután én is bőgőztem van egy tippem. Ha valahol tudsz intézni egy APX100_as csöves végfokot azonnal tolom az átalakítását ami nem több mint két nap.Én ezzel nyomultam egy 250w-os húzott hangszóróval basszreflex ládában. Érdekesség a hangszóró átmérője 465 mm volt.
Köszi a gyors választ, sajna nem tudok ilyet szerezni. Bolti erősítőt nem szeretnék venni mert ilyen teljesítményű méregdrága, meg egy ilyen készítésével tapasztalatot is szerzek. Csak sehol nem találok kapcsolási rajzot.
Köszönöm
Nézd meg esetleg ezt. Bővebben: Link
Köszi a választ, megnéztem. Ez sima gitár erősítő működni fog vele, nem vágja le a mélyebb hangokat? Vagy a speaker-kimenetre egy mélysugárzót kell kötni és úgy jó?
Szétnézek neked régebbi Rádiótechnikákban de ezt csak holnapra igérhetem mert a DVD-m be... és nekem minden irodalmam ezekre van kimentve. DE jó tanács először szerválj valami ütős hangszórót mert nem minden a teljesítmény.Nekem elhiheted.
Volt egy cikksorozat az RT ben a 80 as években a hangszererősítő készítés iskolája, hátha segít neked. Az APX 100 ahhoz képest olcsó, a cső mégiscsak erre való.
Neked is köszi a választ keresek gőzerővel
Szia!
Ha a rendes hanszóródó van, ami tényleg viszi a mélyeket, akkor próbára nem lesz szükséged 10-20Wattnál többre. Egy tranzisztoros erősítőbe semmibe nem tellik hogy vigye a mélyet. Amit én ajánlok: BEAG APT-100, egy ilyet 10-es alatt kapsz, ki kell kapni a kimenőjét és kapsz több mint száz wattot. Majd ehhez csinálj egy kis előerősítőt. (ha kezdő vagy ajánlom baji elektronika kitjeit, egy ezres kb egy egyszerű hangszínes előfok). Ebben az erősítőben van kivezérlésmérő is. Szóval így mindent tudna ami kellene, és olcsón meg is úsznád. Én speciel átalakított BEAG APX100-at használok basszusra, ezt írták is korábban. De amíg nincs csöves erősítőkben tapasztalatod, nem ajánlamám, mivel 460V miatt életveszéles, valamint az új kimenőtrafó elkészítése elég drága (de megéri). Rendes hangszóró (minimum 12", de ajánlott 15" vagy 18" és jó érzékenységű, a 10"-eseket felejtsd el) esetén ha megméred oszcilloszkóppal a kimenetet 1-2 W körül megy próbán, fellépésen 10-20W.
Köszönöm szépen! Sokat segítettél te is.
Ez egy eredetileg hangszererősítőnek készült régi jól bevált nyúzható kapcsolás.
És a plusz kért dolgok, amiket megfelelően egymáshoz kell illeszteni, ezért néhány kiegészítő elem kell még hozzájuk. Gitár előerősítőd ha nincs, azt is készíteni kell hozzá, de az már egyszerű.
A kimenőtrafót nem kell áttekercselni, csak be kell fűzni 8ohmra 62 menetet így a 100voltos megmarad visszacsatolásra. Az enyém is így ment hiba nélkül.A másik :rázott már meg engem tranyós végfok is úgy, hogy a szemem szikrázott a fülem pedig tapsolt.
Köszi a választ. Te melyiket ajánlanád? Nekem mindegyik jónak tűnik. Csak azt nem tudom hogy az első amit képként küldtél, ott lehet szabályozni a 3 sávot, a többinél ezt nem lehetne megoldani valahogy?
Végfokkal talán? Köszönöm.
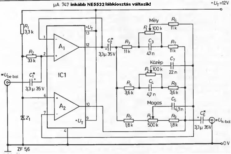
Itt egy Marshallnak a rajza. Eagle-ben valamikor csináltam hozzá egy rajzot is ( Csak az előfokhoz, a végfokot én egy TDA-nak képzelt anno ), igaz kipróbálva nem volt, de ha kell előkereshetem.
Üdv Marcello G
Modulárisan így épülne fel a komplett erősítő.
Értem és köszönöm.
![]() Tehát előerősítő /kapcsolást tudnál ajánlani?/ ---> 3 sávos amit küldtél ---> potival hangerő szabályozás ---> és pl. 140 W-os erősítő nyákkal ---> kivezérlés jelző ---> hangsugárzó ---> kopanságátló(bár nem tudom mire való )
Szívesen.
És még annyit, hogyha a megtakarítás miatt szeretnél építeni, ne tedd! Többe lesz mintha vásárolnál egy használtat. Ezt vedd figyelembe. Most látom módosítottad a hozzászólásodat. Egy ilyen komplett készülék kivitelezése, megalkotása, nem kezdőknek való feladat. Egy dolog az ár, de a kapcsolási rajz még nem készülék! Mikor ráköltesz majd 15-20ezer forintot és csak a brumm fog kijönni belőle, és nem érted hogy most mi van, akkor megbánod hogy belekezdtél. Hidd el találkoztam már az oldalon jó pár ilyennel. Nem bántásból írom.
Rendben, de szerintem/izé remélem
/ olcsóbb lesz nekem, mivel rengeteg alkatrész van itthon, rengeteg méretű kondi (bár az elkok már lehet kiszáradtak), ellenállás, led, ic, sav a maratáshoz, anyag a panelhez trafók stb.
Szia!
ezaz! A embernek sokkaljobban esik, ha saját erősítőn hallgatja a muzsikát!! Van már komplett rajzod?? A koppanásgátló nem más, mint az, hogy az erősítőnek bekapcsoláskor egyenáramúlag be kell hogy álljon. Amikor az erősítőn végighalad ez az áramimpulzus, a végerősítő ezt még felerősíti, és az eredmény egy nagy pukkanás-rexxsenés a hangszórón.Ez akár tönkre is teheti, de megviseli a hangszórót. A koppanásgátló vár amíg beáll az egyensúly az erősítő kimenetén, és egy relével rákapcsolja a hangszórót. üdv.: Foxi
Hali!
Én is nekiálltam egy bass kombónak. Az Ampeg BA 115/210 előfokát építem meg, mert egyszer már próbáltam egy 115-öst és elég meggyőzően szólt. Egy TDA 7294 lesz a végfoka. Azt javaslom neked is, hogyha van egy kedvenc modelled, akkor annak építsd meg az előfokát és lehetőleg olyan hangszórót vegyél hozzá amilyen abban van. A végfok már nem nyom annyit a latba, hangzás szempomtjából, de szerintem egy hidalt 7294 modul (200W) olcsó és jó megoldás lenne. Két ilyen modul lesz az enyémben, ezen már rajta van a relés védelem is.
Nem vagyok azért annyira kezdő, 4 éve járok ilyen iskolába, sok elmélet és gyakorlatvan, tehát az alapok naggyával tisztában vagyok, és szeretek ilyen dolgokat csinálni.
|
Bejelentkezés
Hirdetés |




majd egyszer.


) 