Fórum témák
» Több friss téma |
Fórum » BEAG APX 100
Témaindító: Gubán_Gábor, idő: Márc 1, 2009
Témakörök:
Gyanús. Gondolom az SM az hiperszil. Létezik SM102 B mag, méretben passzol is a helyére. Elvileg 300 wattos mag 50 Hertzen szóval alá gerjesztve tudhat 100 Wattot 30 Hertz körül. Utána kellene számolni.
A 35-40mA egyáltalán nem sok,ebben a beállításban ez az optimális. Ha hifire használod akkor érdemes ennyire belőni.
Ha hangosítani akarsz vele akkor mehet 20-25mA en, úgy kevésbé szívja meg a tápot.
Gyönyörűen szét lehet szedni őket a cséve eltörése nélkül. Én már sokat szétszedtem. Most bakos13gab-nak szedtem szét 2-t. Erre fogjuk megtekerni a 807PP-jének a kimenőjét. A menetszám, és huzalvastagság adatokat tegnap kiszámoltam. Általánosságban 5 lemezt beáldozva darabonként könnyen bonthatóak, de ezt úgysem lehet házilag visszahelyezni.
Az 5 lemez kitörése után óvatosan ki lehet ütögetni a beletört 5 lemezt középről, utána egy éles szikével könnyen bonthatóak mindennemű sérülés nélkül. Engem érdekelne a 2 db APX trafó vasanyag, csévét tudok hozzá csinálni, és 6C33C PP kimenőknek megtekerném. A többit privátban. Üdvözlettel: Gubán Gábor
És íme az egyik áttekercselt AV760/C kimenőm a 2-ből. Nagyon szépen szólnak.
Köszönöm az ötletet, de a jelenség kisebb nyugalmi árammal is ugyanígy fennáll, a limiter csövet pedig kiszedtem, vagyis eddig is úgy próbáltam. (Limiter csővel éppen ugyanígy csinál, csak akkor még ennél is sokkal halkabb és a "hangos" állapotában ad le kb 10V ot ezért is szedtem ki) köszi a választ!
Szia Gábor. Mekkora lehet a legnagyobb negatív fesz amit adhatok a csövekre? Azért kérdezem mert ma megkaptam az új 4db beígért csöveket amikkel a helyzet ugyanaz. A jelenlegi - 51 voltos beállításnál a nyugalmi áram 40-55mA-es, attól függően melyik kerül egymás mellé.Üdv.:Csaba
Nem tudsz szerezni egy másik erősítőt, amiben ki tudnád próbálni őket. Ez több mint gyanús.
![]() A negatív fesznél gondolj arra, hogy a csatolókondi egyik oldalán ott az előfok feszültsége, míg a másikon a negatív fesz. Ezek összege nehogy meghaladja a csatolókondi tűrését, mert átüthet. Azt nem tudom ,hogy a végcső felé milyen negatív hatása lehet ennek, azon kívűl, hogy teljesen lezárod. Nyilván itt most őrült nagy feszek nem jöhetnek szóba, amik a cső belső átütési szilárdságát meghaladnák.
Szia. Gabi, két darab erősítőm van, mindkettőt az ajánlottak szerint alakítottam át, és a javasolt szimmetria beállítást is megcsináltam.A kimenők is át lettek 4-8-16 ohmra tekerve.Mindkét erősítő a régi csövekkel -41V-on 25-30mA-es nyugalmival működtek.
Az átalakítás előtt is, utána is a régivel az említett paraméterekkel működött, és működik is. A 10 db csőből a szimmetria átalakítása után, -51V-nál 28mA-re leszorítottam a nyugalmi áramokat. De 8 csőnél, -51V melett illetve -54V-nál a csövek nyugalmiját alig lehet 40mA-alá szorítani, némelyikét nem is lehet, bármelyik erősítőbe rakom be őket.Ellenben, megpróbáltam párokat válogatva közel azonos áramúakat betenni, és tökéletesen működik mindkettő cső mindkét erősítővel, nem izzik fel, füllel nem hallom hogy torzítana, úgytűnik minden rendben van velük, brutális a hangerő, csak zavar a túl nagy nyugalmi áram. Üdv.:Csaba
Már leírtam a megoldást:
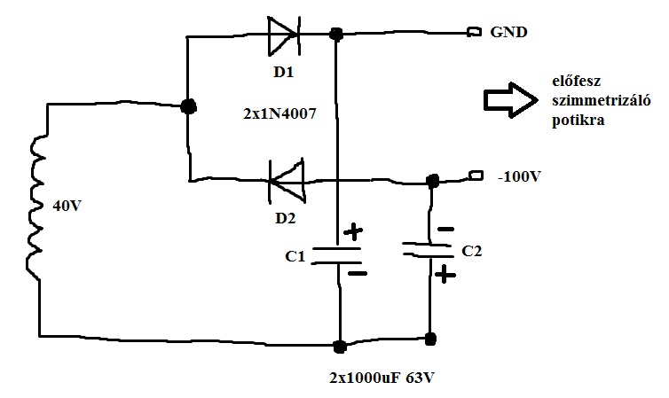
Az előfesz tápegységét fesz kétszerezőnek csináld meg, így kb mínusz 100V-ot tudsz előállítani, és ezzel nézd meg, mekkora előfesznél tudod leszorítani a nyugalmi áramokat. -60-70V környékén muszáj teljesen lezárnia már. Rajzolom a megoldást. Íme:
Nem tudom miért mindíg a soros tápegység kötés jutott eszembe a feszültség kétszerezés helyett.
Érdemes ide tenne egy 80 Volt körüli zener diódát stabilitás javítása miatt vagy csökkenhet az előfesz annyit amennyit a hálózat változik?
Elolvastam a cikket. Határozottan SM102B -t ír M102 helyett, mert cseréli a kimenő transzformátort. Gondolom egyszerűbb volt így neki, mint szétszedni a régit.
Szerintem nem kell. Leosztásra kerül, így még a hálózati ingadozás sem teljesen kerül rá. Azt a pár voltot meg el kéne a csöveknek viselni, de ha már, akkor inkább áteresztőtranzisztoros megoldás, tehát annak a lábát fogd meg. Még talán csökkenti a brummot is.
Gondolom igen. Ha van pár SM102b a polcodon, érdemes lehet azzal is megpróbálni, de majdnem biztos más karaktere lesz. Ágoston ugye a könyvében mindenhová SM magot rak. Bevasalni is sokkal egyszerűbb a hiperszileket (fél óra helyett 5perc), még én is meg tudtam csinálni.
![]() De akkor már mondok érdekesebbet: toroid.
Szia! Sajnos brutál árban vannak a nagy hiperszil vasak. Toroidot csináltattam már. A koma nem hitte el a boltban, hogy 50 Hz felett is megy a trafó, ezért úgy adtam meg kínomban az adatokat, hogy kell nekem egy pl 4*180 Volt /4*12Voltos trafó...
Csináltam vele 100 wattos magra sztereó erősítőt EL84 el, és gitár kombót is pcl86-al. A neten utána mászva kiderült, hogy a magas önkapacitás az alapvető baja a toroid kimenőknek. A másik az, hogy rendszeresen nagyobb vasra adták a tarfókat (50 wattos helyett pl 100 ra) azzal a jelszóval, hogy nem fér rá a sok tekercs a kicsire.(persze vastagabb huzallal is csinálták). A vége drága, de kegyetlen jó trafó lett, én botfülű vagyok, de az audiofil kollégám ezt teszteli 4 hónapja. Megmondom őszintén, én nem nagyon vettem észre az önkapacitásból adódó magashang hibát, csak a körülményes tekertetés szoktatott át a saját gyártmányú kimenőkre. Persze az sok volt nekik hogy vegyesen tekerjék fel a 12/180voltokat...
Toroidra nem kell osztogatni. Egy anód alulra, közé szekunder, másik anód felülre.
Persze, hogy sok volt nekik. Annak pont az a lényege, hogy pillanatok alatt kész. Ha állandóan csereberéled a huzalokat, nyilván több munka pár perccel.
Hát lehet, hogy tudatlan vagyok, de nem értem, hogy a hipersil magra készített trafó szórt(ön-)kapacitása miért nagyobb, annak ellenére, hogy ált. azonos telj.-hez kevesebb huzal kell, vagy netán mégis több?
Idézet: „A neten utána mászva kiderült, hogy a magas önkapacitás az alapvető baja a toroid kimenőknek” A toroidé több. A hipersziles ár kérdés külön gondolat akart lenni. Van olyan toroidos aki megcsinálja jól, csak engem fárasztott meg ez a helyi móka Miki évekkel ezelőtt. Mellékelten felteszek egy képet a tegnap összeállított tekercselő gépemről. A mag része nem tömör, hanem lapokból van ragasztva, így kielégítően pontos és a furat is központos. Kifejezetten mikró trafóhoz készült a a fa test, jó eséllyel cséve mentes kivitelű trafók készülhetnek rajta. Az egyik oldala lehúzható a keretnek, tehát a magasság állítható típustól függően.
Igy persze érthető.Nagyon ügyes a géped!
Ha már tekercselőkről van szó, az én trafóim ezen készülnek. és egy kép az áttekert trafókról, jelen esetben APX trafók
Szereztem 0,1 es prespánt. Nem felfelé érdeklődés, de mivel szoktad szigetelni a rétegeket a sorok között és a két tekercs között? A kondenzátor papír sütőpapír jellegű? Illetve impregnálod?
![]() [OFF] Jól néz ki ez a masina is. Azt még nem írtam le az enyémnél, hogy XP alá írtam egy ablakos programot, és egy USB re dugható egységcsomagból álló periféria segítségével számolom a meneteket.(velleman k8055) Elég hasznos hogy teljes képernyőn látom a számokat amikor megy a szenvedés. Igaz láttam Conradban olcsón számláló modult is.
Közben felmerült kérdésként, hogy hol lehet beszerezni tekercselő anyagokat:
Villért Kistarcsa. Van csomó féle vastagságú prespán kilóra. Réz huzal kimérve fél kiló felett, valamint spay és kilós kiszerelésű szigetelő lakk, és persze varniscső. Annyira ritka cuccok, hogy érdemes lenne esetleg HE-n webshopon belül értékesíteni...Életvédelmi célt is szolgálhatna az ügy.
Köszi az infót. Nem tudtam, hogy már foglalkoznak kis tételekkel is. Holnap felhívom őket.
Jó estét!
Kaptam egy EAG AE782A 10 wattos erősítőt.Mennyi az optimális áram és tápfesz ennél a teljesíménynél?
A HE-n megtaláltam a rajzát. A feszültségeket ez kiválóan jelzi. Optimális áramot nem tudom, bár kerestem egy csomó rajzot... Remélem a nagyok elárulják!
Lásd:Bővebben: Link-pl.
Megnéztem, de a 90 mA -rel 27 Watt állandó fogyasztás van a két csövön, amitől szinte biztosan majdnem vörös. Valószínű ez a csúcs áram. A sajátomat kisebb nyugalmi áram köré állítanám kivezérlés nélkül.
Nem tudod esetleg megmérni az aktuális áramot a csöveken, az anódfeszt, és a földhöz képest a G1 eket?
Nem biztos hogy rossz ahogy van
300V-os tápfesz esetén mivel max anóddisszipáció 12W lehet, így a max áram 40mA környékén lesz. Szerintem kb 20mA-re kellene beállítani, vagy max 30mA-re.
Igen, azért nem árt betartani a csövek adatlapján közölt értékeket.
A vörös izzás nem tartozik a normális működési tartományba, de látványos lehet .Itt van 300V melletti AB osztály beállítás, ha jól sejtem ,ez irányadóként jó lehet. EL84 adatlap
Sziasztok! Ebből kieresve 250 Voltnál -11,6 Volt körül kell lennie a a G1 nek, 300 Voltnál -14,7 körül. Ekkor 7,5 mA nyugalmi áramról 46 mA re nőhet csúcsban az áram. A Power ilyenkor 17 Watt. Szerintem olyan 280 Voltos anód fesz lehet a kütyüben.
10mA jó középút az "audiofil" AB1 munkapont és az energiahatékonyság/ csőélettartam között. Nyilván 20 mA nél nagyobb kivezérlésig marad tiszta A osztályú a dolog. |
Bejelentkezés
Hirdetés |



















