Fórum témák
» Több friss téma |
Bemész egy elektronikai boltba és veszel egy másik ilyen alkatrészt. Bármeik boltba lehet kapni nem nagy összeg. LM7815 fesz stabilizátor.
Sziasztok! Segítséget szeretnék kérni! Hozott a haver egy Behringer Eurorack UB1832FX-PRO-t! A Diagnózis
a vízhang effekt elmegy! De csak az egyik csatornán! Ha rendesen bele ordítasz a mikrofonba vissza jön! Tegnap 1 1/2 óra karaoki után jelentkezett csak! Minden tippet nagyon köszönök előre is!
Sziasztok lenne egy keverőm amit javítanom kell de nincs hozzá semien rajzom tudnátok eben segíteni? ESO web a márkája ha tud valaki küldeni egy kapcsolási rajzot vagy beültetésit köszönöm!!!!
Pontosabban mi baja van?
Sziasztok!
A tavalyi év elején vásároltam egy használt MPM3000-es keverőerősítőt. Csupán kitisztítás céljából szeretném szét bontani. Érdemes e vele foglalkoznom?
Sziasztok!
A Djx700-as keverőpultban tudja valaki hogy milyen trafó van? Kb két három éves a keverő, eddig még nem kaptam szét. Semmi baja, csak a trafó melegszik. (állítólag normális )Anno külföldön vásároltam, így 110 volt kell neki. Ezt a problémát egy külső átalakítóval oldottam meg. Ami szép is meg jó is. Viszont úgy gondoltam lecserélem a trafóját egy kicsit nagyobbra, h ne melegedjen meg akkor ugye 230 voltosra...
Üdv mindenkinek!a minap hozzám került egy behringer 1204fx pro keverö! sajnos tolopoti hibás! valaki tudja hogy hol találok bele uj potikat?tip:alps 10kd 75mm
Üdv szpisti!tényleg ez lesz az! nagyon szépen köszönöm!!!!
Hali!
Van egy PMP3000 es keverőerősítőm, csupán takarítás céljából akarnám szétszedni, de nem tudom. Hol kezdjem?
Ha megy, vagy nem tömtél bele 1 esküvöi tortát, akkor inkabb hagyd békén. Általában nincs bennük semmi mosnivaló.
Sziasztok....Azzal a kérdéssel fordulok hozzátok,hogy szétszedtem a Behringer DJX700 keverőmet hogy kitakarítsam..de észre vettem hogy a trafó egyik szála elengedte a forrasztás és nem találom a helyét mert nem látszik sehol hogy hová lett volna forrasztva..Ez a trafó 3 szálas bemeneti feszt kap és az kever be...Fekete,piros és kék.....a fekete/piros közt van a biztosíték és a kapcsoló...és ami a kék kábel aminek nem találom a helyét..valakinek valami tanács esetleg hogy hová tartozik....Előre is köszönöm.
Ha kell még segítség van nálam egy 750 szétszedve
Sziasztok! Nem Behringer keverőről van szó, de ezt a topikot láttam aktívnak, így megpróbálom itt.
Van egy akt 408-as keverőm ami egyszercsak elkezdett torzítani, és nem jönnek ki belőle a mélyebb frekvenciájú hangok. Ha a basszust rácsavarom akkor meg recseg mint az állat. Szerintetek mi lehet az oka? Érdemes megpróbálkozni az elkók cseréjével? Kettőt kicseréltem belőle próba jelleggel, mert egy idő után elment a hangja. Most azóta rendben működik, mármint ez a probléma nem áll fent, de torzít mint az atom. ( C 129, C130 lett kicserélve ). Látatlanba szerintetek hol lehet a probléma?
Szia! Itt egy alkalmas téma. Vagy itt, ahol már jártál is.
Szerintem elsőként ellenőrizd le a tápfeszültségeket.
Rendben, köszönöm.
Az Akt408-as topikot nem éreztem aktívnak. Valamikor nekiesek. Köszönöm a segítséget!
Sziasztok!
Van egy Behringer VMX-300-as keverőm. Minden okés vele azt leszámÍtva hogy CH2-n a Phono bemenet BAL oldala nem szól sem LINE sem PHONO üzemmódban. Köszönöm a segÍtséget!
Sziasztok!
egy kis segítséget szeretnék kérni Behringer DJX 700 keverővel kapcsolatban!A hiba a következő: -master kimeneten az egyik oldal gyengébben szól mint a másik!A bemenetre gyanakodtam először,kábel stb cserélve a hiba ugyan az!Kicseréltem a keverő-erősítő közötti kábelokat is,a hiba ugyanúgy fennáll!A kivezérlés jelzőn a ledek egyformán jelzik a szintet,balance poti forgatásával is egyenlően változik a kijelzés,jobb-bal oldali ledeken!Boot kimeneten jó a jel,egyformán szól mindkét oldal! Kérdésem mi lehet a hiba,s van-e aki vállalná a javítását,s kb árat tud-e mondania javításra? Várom válaszotokat!További szép napot!Üdv:Csiga
Sziasztok kerítettem 1 Behringer mx602a keverőt de nincs tápja nem tudja valaki milyen feszültség kell neki ? Köszönöm.
köszi szétszedtem takarításra s megnéztem a 2 fesszab IC-t 7815 7915 de azért THX
vannak itthon tápjaim de lehet veszek 1et THX
Sziasztok!
Behringer QX1202 USB keverőm javításához kéne egy "service manual". Elektrotanyán, ESI-n nem találtam. Aki tud kérem segítsen. A hozzászólás módosítva: Aug 5, 2014
Ugyan nem írtad , hogy mi a baja , de hátha ez segít.
Szia!
Köszönöm a segítő szándékodat, de sajnos a QX nagyban eltér a sima Xenix-től. Az a baja, hogy két mikrofoncsatorna gerjed és az R csatornára nem lehet panorámázni, holott a kimenet hibátlan. Valahol a köztes jelútban van a hiba, de sajnos bonyolult ahhoz hogy rajz nélkül eligazodjak rajrta. A komplett kapcsolási rajzára volna szükségem.
Hasonló Behri meg Phonic keverőkkel el lehet szívogatni akár napokig is még ha ott a rajz akkor is. Olyan eszméletlen zsufi van bennük, hogy katasztrófa. Lehetetlen miszklikre szedés nélkül hozzáférni bizonyos alkatrészekhez. Ezért aztán legtöbbször csak hidegen lehet méregetni ezekben.
Nekem eddig hasonló csatornahibákat nem egyszer szakadt ellenállások (!) okozták, vagy csatoló és hidegítő elkók nanofarádosra csökkent kapacitása. Meg hidegforrasztások (hülye ólommentes száraz trutyi forrasszal a környezetszennyezés ellen )Ezeket meg rajz nélkül, a nyák tömbvázlat szerű feltérképezése alapján a hiba jellege szerint be lehet határolni. Kitartás!
Köszi a biztatást. Elkezdtem a alkatrészek vizsgálatát, úgy tűnik hogy a passzív dolgok hibátlanok benne. Holnap folytatom...
Hali!
Nagyon szeretném már is a keverőmet egy kicsit kitakarítani a sok szabadtéri használat után, de nem merek hozzá fogni. Nincs ezekről valami robbantott rajz mint egyéb műszaki dolgoknál?
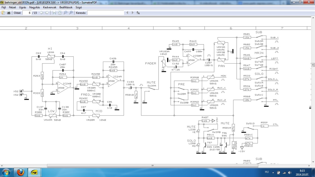
Üdv mindenkinek.. Nemrég hozzájutottam egy behringer ub1832fx-pro- hoz. A hibajelenségek a következőek.. A 2-es 4-es Mic csatornán is szépen fogadja a jelet, csak nem lehet rárakni se a MAIN és a SUB buszokra , a 12/13-as csatornán már csak a 13-ast . És az FX/AUX2 RETURN-ból is csak az egyik csatorna megy ki a buszokra.. A MONITOR buszokon pedig minden jel megjelenik tökéletesen ... Lehetséges hogy ezen csatornák MUTE kapcsolóik Nem adnak át? A MUTE gombok ezeken a csatornákon ha azért bekapcsolom őket világítanak.. És a PFL felé elmegy a jel mivel szépen villog a led a bemenő jelre... PL: a PFL kapcsoló SW 51 C ... PL : A Képen látható SW 39 A MUTE kapcsoló.. Vegy a FADER ás a PAN közt mehetette el valami.. ?
|
Bejelentkezés
Hirdetés |




a vízhang effekt elmegy! De csak az egyik csatornán! Ha rendesen bele ordítasz a mikrofonba vissza jön! Tegnap 1 1/2 óra karaoki után jelentkezett csak! Minden tippet nagyon köszönök előre is! 



