Fórum témák
» Több friss téma |
Olyan problémám van hogy vettem egy BG12864AYPLHn típusú lcd-t a HEstore-nál és tudom vezérelni minden csak arra nem jövök rá hogy hogyan lehet letörölni a kijelzőt.
http://www.soselectronic.com/a_info/resource/d/bolymin/BG12864A_ser...01.pdf itt van az adatlapja de nem értem van olyan láb hogy reset singnal de ha 0 ra húzom nem történik semmi. Köszi a segítséget.
Szerintem monitortörlő kendővel próbáld.
KS0108B a vezérlője, ez elég elterjedt, gondolom valamilyen magas szintű programnyelven hajtanád, azokhoz szokott lenni grafikus LCD library. Pl. Arduinohoz itt ebben is van clear screen függvény.
Én assembly-ben programozom
Valamit értek magas szintűhöz is de még csak most tanulgatom és nem tudom kihámozni milyen parancsot kellene kiküldenem neki . Azért köszi a segítséget talán valaki tud nekem konkrét bit parancsot írni.
Mi lenne, ha az egész kijelzőre 0x00-t tennél?
Az is egy megoldás de az sokáig tart 128*8 regisztert átállítani azért hogy töröljem a kijelzőt
Bár ha nem lesz más megoldás akkor ezt fogom tenni írok rá egy olyan rutint.
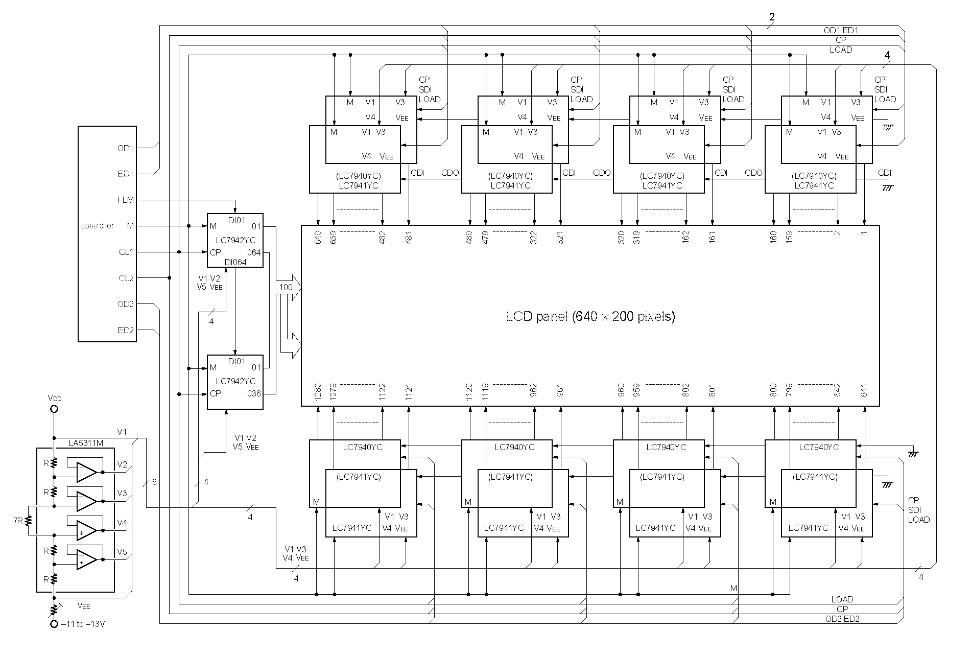
Sziasztok, ha már kijelző, és grafikus. Nekem is lenne egy nagyobbacska grafikus kijelzőm, de nincs hozzá adatlap. Amit tudok róla, hogy 256*64-es, három db LC7941-es és egy LC7942-es sanyo IC van a hátulján, és az oldalán egy 10-es csatlakozó, amiből 9db vezeték jön ki gyárilag.
Szóval, amit nem értek, hogy 9 kábellel hogy lehet meghajtani egy ilyen kijelzőt, illetve nincs e valakinek ötlete, hogy lehetne kideríteni a meghajtásának módját? Ez a 9 vezeték ez most nagyon bezavar. Van valakinek ötlete hogy is van ez?
Régi fénymásolóból nekem is lapul itt egy hatalmas darab, azon is ilyenek vannak...
Valahogy így:
Köszönöm az információt. Eddig semmit sem találtam róla. De ez milyen kommunikáció? Vagyis mi a neve? Vajon PIC tudná kezelni?
Üdv.
Ez pusztán a pixelek aktiválását végzi... semmi intelligencia - fontkészlet, kurzor - nincs.
Menne PIC-kel a meghajtás, ha megírod (én nem tudok sw-t írni). Paralel 4bit, vagy soros módban is meghajtható. Itt a teljes adatlap, ha rászánod magad...
Ja látom már, csak én a sima HD44780-as kijelzőhöz vagyok szokva, ez kicsit más azért. Mindenképp köszönöm a hasznos információt.
|
Bejelentkezés
Hirdetés |










