Fórum témák
» Több friss téma |
A csőtermosztát nem alkalmas ennek a háznak a fűtésére vagyis én szerintem nem mert nagyon sok tüzelőanyagot használunk fel és sokáig tart hogy felmelegítse a házat és persze nagyon sokszor kapcsolnak be meg ki a keringető szivattyúk.
Előtte szoba termosztátot használtunk de az sem volt az igazi mert nagyon felmelegedett a kazán és persze egy bizonyos időbe kapcsolt be és ki illetve ha kevés időt állítottam be akkor nem volt elég ideje arra hogy annyira felmelegítse a vizet hogy az egész házba eljusson. Ezért szeretném ezt a lehetőséget kipróbálni hogy hátha sikerül valahogyan összekapcsolni a kazánnal ezt a műszert. Egy családi házról van szó 14 radiátor mint már írtam kettő keringető szivattyú és egy öntött vaskazán ami vegyes tüzelésű a kazán teljesítménye bőven megfelelő ennek a háznak a felfűtésére de ebből nem lehet sokat érezni.
Helo,
"A csőtermosztát nem alkalmas ennek a háznak a fűtésére", ez valóban igaz, csőtermosztáttal nem lehet fűteni . A viccet félretéve ami neked segítene az egy szobatermosztát-csőtermosztát-puffertartály kombináció. Nálam ez működik 3. éve és nagyon meg vagyok elégedve vele. A lényeg: kazán huzatszabályzó 80C-ra van állítva, begyújtás után ha a vízhőfok eléri 40-45C-t bekapcsol a csőtermosztát, de a keringető csak akkor indul el, ha a szobatermosztát is kapcsol (nincs 23C a lakásban), egyébként a melegvíz gravitációban megy a puffertartályba. Ennél a rendszernél kifejezetten jó a csőtermosztát, mert kb. 40-45C-nál kapcsol be és 30C-körül kapcsol ki.
Az a gondom hogy nincs hely a kazánba hogy a puffertartályt elhelyezzem és nem szeretnék többet költeni erre már és azért kérdeztem erre rá hátha meglehet oldani ezzel.
Ez a szabályozó nem fogja megoldani a problémát. Én úgy sejtem, hogy elég nagy vízmennyiség lehet a radiátorokban és folyamatosan vissza hűti a kazánt, erre megoldás lehet egy ilyen:Kazánvédő szelep. Ez is pénzbe kerül, szóval ha nem akarsz rá kőlteni rá akkor zsákutca.
Üdv mindenkinek érdeklődnék hogy hogyan kell ezt a Termosztátott bekötni ugy hogy ha el éri a beállított hőfokot csakk akkor kapcsoljon be
Rá van rajzolva 1-3.
Azzal keztem de nem volt jo!
Akkor mérd ki. Működnie kéne. Vagy hibás vagy a rajz rossz. A képeken az 1-2 van bekötve.
A hozzászólás módosítva: Feb 2, 2018
1-3as ra kötöttem és annál azt produkálja hogy ha a Termosztátott 30°ra tekerem akkor kapcsolja a szivattyút ha többre akkor kikapcsolja pedig a kazán 50° on van!!
Pedig így lesz jó a bekötés. 1-3. Milyen messze van a kazántól a termosztát? Lehet , hogy a kazán 50 fok, de a termosztátnál csak 30. A lehető legközelebb szereld fel a kazánhoz, ha lehet, még a felmenő függőleges csőre, ha van ott elég hely. Egyébként ezek nem a pontosságukról híresek, akár jó lehet a mostani beállítás is. Várj, amíg még melegszik, majd ha bekapcsol, megindul a keringés és melegszik tovább. Kend meg egy kis hővezető zsírral az alját, ahol a csővel érintkezik. (csapágyzsír is jó)
Rögtön a kijövö ágon van a Termosztát es olyan nagy eltérés szerintem nincs mert a kazán 50 fokk a Termosztát 30on van
Teljesen mindegy az érték! Ha feljebb tekerted és kikapcsolt, akkor helyesen működik a csőtermosztát !
A csőtermosztátok már csak ilyenek. Ezért is javaslom mindenkinek a digitális termosztát használatát.
Itt látható, hogy milyen egyszerű a skálát "eltolni"...legalábbis azon a típuson, amely itt hever az asztalomon.
A hozzászólás módosítva: Feb 2, 2018
A kazán hőmérője szerint állítsd be, mindegy mit mutat a skála, ahogy írják a többiek is.
én szoktam a szivattyúval párhuzamosan tenni egy jelzőlámpát, így könnyebben ellenőrizhető a működés. Én nem biztos, hogy tennék fel elektronikusat. Jók ezek a hagyományos szabályzók. Egyszer kell beállítani, és örök, megbízható. (Nyáron ki kell húzni a hálózatból, nehogy menjen folyamatosan a meleg miatt, csak néha kell ráindítani, hogy ne ragadjon le a szivattyú.)
Szeretnék egy gázkazánnal egy kisebb puffertartályt fűteni, abból megoldani a padlófűtést. A puffertartályban lévő termosztáttal lehet ezt vezérelni, úgy tudom. Milyen vezérlőt érdemes beszerezni hozzá?
Gázkazánhoz miért kell puffertartály? A gázkazán egyből a pandlófűtésbe nyomja a melegvizet, nem? Felesleges energiapazarlás ebben az esetben a puffer.
A régi "hagyományos" gázkazánok 70-90 fokos vizét!?
"...a régi típusú kazánok alacsony hőmérsékleten való üzemeltetése komoly károkat okoz magában a kazántestben": Bővebben: Link
Számomra a felvetés is fura. Ha túl meleg vizet készít a gázkazán, az mindenképpen energiapazarlás, le kell cserélni.
Ha egy kéményes gázkazán folyamatosan alacsony hőfokon üzemel kondenzálódik, ez égéstér a vízpárától rozsdásodik, és hatásfok romlás van. Alacsony hőfokra a kondenzációs kazán való ( 106 %-os hatásfok ). Talán a csővezetékeken több hő megy el ha magas a hőfok.
Egyébként ha X C fokkal akarod a víz hőfokát megemelni, akkor mindegy honnan indulsz ( 20, 30 ..70 ), ugyanannyi energiára van szükség Q= c x m x delta T A hozzászólás módosítva: Feb 9, 2018
Értem én, hogy villanymotor. De! Ha a rendszerhez túl meleg vizet készít a gázkazán, akkor ott maradása nincs. A környezethez képest melegebb víz pedig nagyobb veszteséget okoz mint a hidegebb, ezen nincs mit számolni. Szerintem
Tény, a padlófűtéshez max 35-40 C víz való.
Szia! Ha nem akarod másra is használni azt a puffert, akkor felesleges abban gondolkodnod. Nálam így van kialakítva a rendszer a legnagyobb megelégedésemre. Nincs motoros szelep se keverőszelep és a kazán nem kondenzációs.
Szia! Megtudnád mondani, hogy te hogy kötötted be a csőtermosztát, szobatermosztát kettőst? Vegyes kazánom van egy 900 literes pufferrel és szeretnék szobatermosztátot rákötni, mert jelenleg könnyen túlfűtöm a helyiségeket. Kivéve akkor nem, ha kimegyek és feltekerem a csőtermosztátot és akkor az leállítja a keringtetőmet a szobai körnél. A kazánomból közvetlenül megy a felmelegített víz a puffer felső karélyába majd onnan ki egy keverőszelep segítségével a szobák felé. A két csőtermosztát érzékelője egy azon csőszakaszon van (más hőmérséklet beállítással), azaz ha meleg a kazánban a víz, akkor az egyik szivattyú a kazán és puffer között keringtet, a másik a puffer és szoba között. Egy Q7 RF szoba termosztátot szeretnék, viszont arra figyelni kell, hogy a csőtermosztát írja felül a szobatermosztátot ha a tároló hőmérséklete a beállított hőmérséklet alá esik. Ezt nem tudom, hogyan lehetséges. Válaszodat előte is köszönöm.
Sorba kötöd a csőtermosztátot és a Q7-est. Csak akkor mehet a kazán, ha mindkettő engedi...
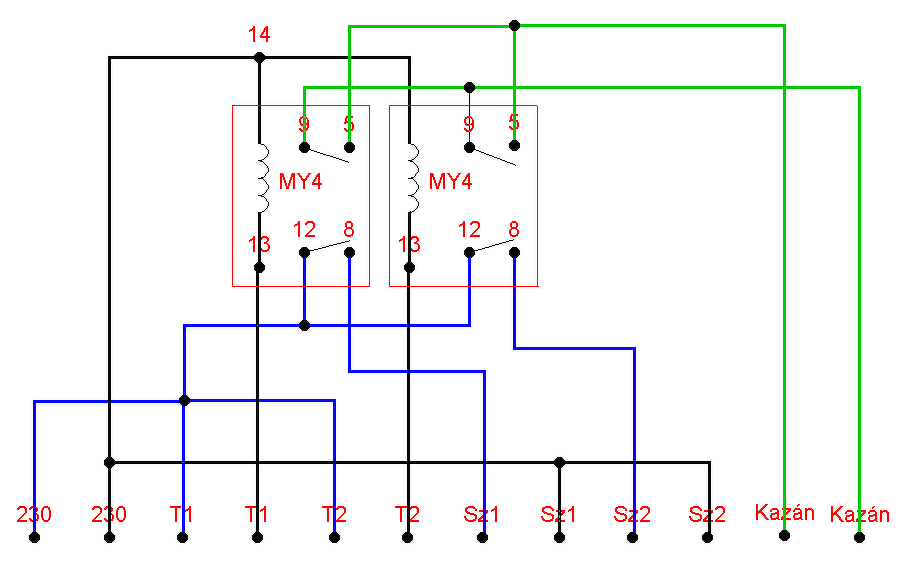
Szia! EZ a relés megoldás sokféle lehetőséget kínál a felvetésedre. Két szivattyúd van két csőtermosztáttal stb. A
Idézet: ezt hogy érted? Függetlenek legyenek egymástól ha kapcsolniuk kell? Ha igen akkor csak párhuzamosan kell bekötni őket a rajz szerinti T1 pontokon. A csőtermosztátok remélhetően kapillárcsöves érzékelőkkel érzékelnek, mert ha bimetálosat használsz az borzalmasan lomha. Az azonos csőszakaszon alkalmazott eltérő értékhatárra állított csőtermosztátok csak remélhetőleg vannak jó helyen ha más-más körről de ugyan oda tér vissza a kontrollált hőfok. „csőtermosztát írja felül a szobatermosztátot”
íÍgy néz ki, mellékeltem képeket. Az rendben van, hogy a szobatermosztát szabályozna, hogy mikor keringtessen a szobák felé és mikor nem (ha nem, akkor csak a pufferbe menjen a meleg víz). A gond akkor van, amikor már a pufferben lévő víz "hideg" így azt szeretném, hogy ne keringtessen. Ekkor jön képbe a csőtermosztát, ami leállítaná a keringtetést. Ezt a két egységet szeretném jól bekötni. A szobai szivattyúhoz tartozó csőtermosztát érzékelőjét tehettem volna az Esbe szelep elé is..
A hozzászólás módosítva: Márc 3, 2018
Moderátor által szerkesztve
A fentiek alapján megtudjátok mondani, hogy kössem be a rádiós szobatermosztátot a csőtermosztát mellé? Köszönöm.
Az előzőekben közölt rajzon rajta vannak a lehetőségek. Ha ez nem felel meg a számodra akkor EZEN a másik rajzon lévő kapcsolási megoldást használd, a rajzon lévő kapcsoló nélkül. Az RF termosztát vevő részének az 1-2 pontjait sorba kell kötni a működtetni kívánt szivattyúval (mintha a rajzon lévő kapcsoló a szivattyú felé volna kapcsolva, az 1. pont a dugvilla a 2. pont a szivattyú kék szálára) és kész.
|
Bejelentkezés
Hirdetés |




. A viccet félretéve ami neked segítene az egy szobatermosztát-csőtermosztát-puffertartály kombináció. Nálam ez működik 3. éve és nagyon meg vagyok elégedve vele. A lényeg: kazán huzatszabályzó 80C-ra van állítva, begyújtás után ha a vízhőfok eléri 40-45C-t bekapcsol a csőtermosztát, de a keringető csak akkor indul el, ha a szobatermosztát is kapcsol (nincs 23C a lakásban), egyébként a melegvíz gravitációban megy a puffertartályba. Ennél a rendszernél kifejezetten jó a csőtermosztát, mert kb. 40-45C-nál kapcsol be és 30C-körül kapcsol ki. 








