Fórum témák
» Több friss téma |
Szia! Nem tudom, hogy mivel érdemeltem ki a jelzőt de ha lehet kérem mellőzni. Nagyon kellemetlenül érzem magam.
![]()
Ne érezd kellemetlenül Magad! Amióta rátaláltam a fórumra, nagyon sok topikban találkoztam az építő jellegű hozzászólásaiddal. Sőt , még én kérek bocsánatot, mert rengeteget tanultam Tőled, meg a többi fórumtárstól, elsősorban azt emelném ki amit 35 évvel ezelőtt az iskolában nem tanítottak... Ja és az Oktatót illett Mesternek szólítani, ezt viszont belénk sulykolták. Tisztelettel: Jani
Sziasztok!
Valaki tudna segíteni abba hogy hogyan lehetne egy Computherm q7 és szobatermosztátot egy csőtermosztáttal össze kötni? És persze ez menne egy vagyis kettő keringető szivattyúhoz.
Mi a célod vele? Hogyan akarod, hogy működjön a rendszer?
Csak simán fűtésre használnám.
Vegyes tüzelésű kazánnál szeretném alkalmazni ezt. De úgy szeretném hogy a szoba illetve a csőtermosztát kapcsolatba legyen a vízkeringetővel. Pl: ha a kazánba a víz lemegy 40 °C-ra akkor kikapcsoljon és ha újra felment akkor kapcsoljon be 80°C-ra
Úgy hogy ha a benti levegő hőmérséklete lemenne 25 fok alá akkor kikapcsoljon és újra bekapcsoljon a keringető ha csőtermosztát 80 max 85 fokot elérte így melegebb vizet kapunk a radiátorokba
Azért is kell a szoba termosztát hogy kikapcsoljon reggelre a keringető mert hideg vizet feleslegesen keringetné ha fűtésre használnám.
Vagy esetleg csak simán a csőtermosztátot rendesen beállítani mert be van kötve de értelmetlen az egész. Nem úgy kapcsol ahogy kellene neki ha 30 fokra van állítva a termosztát és a kazán 80 fokos akkor nem kapcsol be. de viszont ha 80 fok fölé tekerem akkor bekapcsol. Ez a tipúsa: BRH W13
1: Nincs jól bekötve a csőtermosztát. Az NC érintkező van használva az NO helyett.
2: Használj inkább digitális termosztátot, az pontos. 3: A rendszeredben értelmetlen a szobatermosztát használata, inkább az első ponton lépj túl.
Csak annyi van benne hogy 1 2 és P.
Szerelési útmutató nem volt hozzá csak egy rajz ami úgy nézett ki hogy a P-ből jött egy csík a 2-es jelöléshez.
P marad, a 2-es pontról kösd át a vezetéket az 1-es pontra, miután áramtalanítottad.
Sziasztok Hogyan köthetem be a csőtermosztátot , valaki részletesen leírná ?
Köszönöm előre is...
Hello! Nem írtad le, milyen célból, mihez kötnéd a mit..
Üdv.
380-as keringető szivattyúra szeretnék 220-as csőtermosztátot bekötni. Milyen módon lehetséges? Tanács? 380as csőtermosztátot nem találok neten
Hello! Egy kiegészítő relét vagy mágneskapcsolót kell alkalmazni a kapcsolt teljesítménynek megfelelően. És persze hogy három fázis vagy egy fázis van-e.
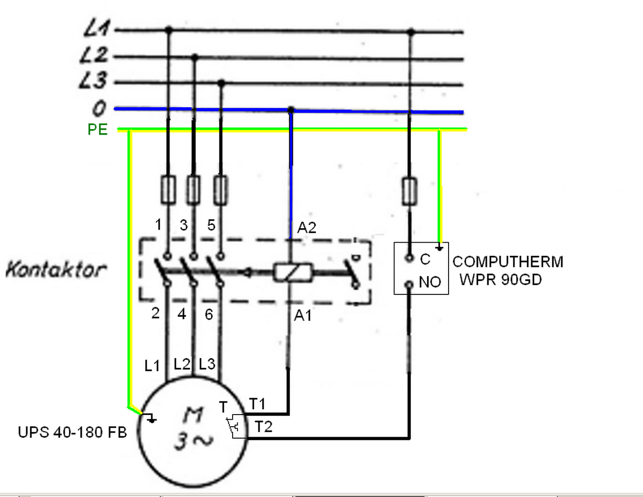
Szia! Az elképzelés ez volna ha van három fázisú hálózatod .... (és nem haragszik meg proli007 mester a Móricka rajzért) ... jobbat nem találtam.
Köszönöm. Tudsz esetleg konkrét tipust h mit vegyek? Látok olyat hogy NO és NC-s, na meg ilyet is kontaktor
Hello! Kiegészítettem, hogyan kell bekötni. Mellesleg nem írtál semmit, milyen a termosztát, mekkora a motor, háromfázisú-e és hogy szeretnéd hogy működjön.
A motor 3 fázisu Grundfos keringető szivattyú Ups 40-180 F B. Én egyes fokozaton használom ami 490W és 0.82Amper
A termosztát pedig egy sima csőtermosztát lenne 220v-os. Pl.: Computherm WPR-90GD Felhasználása a szokásos. 60 foknál kapcsoljon be , alatta pedig ne. A szivattyún van t1 és t2 csatlakozó , de azt nem tudom hogy mire való. Direktre kötve megy most
Megkerestem a Grundfos adatlapját, azon látható, hogy a T1-T2 a motor belső hővédelmi kapcsolója. Be is rajzoltam, hogyan kell bekötni. A WPR-90GD-ről nem igazán találtam semmit, de mivel ez elég "mezei alapgép", gondolom a bekötése is a szokványos. Mivel a fogyasztása a motornak elég csekély, a legkisebb áramú mágneskapcsoló is megfelel hozzá. De lerajzoltam hogyan kell bekötni. Remélem az alapján már elboldogulsz.
Köszönöm szépen a segítséget.
Sziasztok!
A kezembe került egy Eurotherm 2408 készülék. És a kérdésem az lenne hogy ezt vegyes vagy gázkazánnál használják? Interneten találtam egy útmutatót de nem értem mert az egész angol és a fordító sem segített nekem sokat.És gondoltam hogy itt megmondja nekem valaki hogy akkor mihez jó és hogy hogyan lehetne bekötni. Előre is köszönöm a válaszokat.
Szia!
Ez egy nagy tudású szabályzó készülék és egyszerű lakásfűtés céljára túl jó. Leginkább nem kazánokhoz használják, hanem ipari környezetben egy folyamat szabályzására.
Szóval akkor nem is lehet alkalmazni lakás fűtésre?
Lehet, de jobban jársz, ha eladod és veszel egy lakásba (kazánhoz) való termosztátot.
|
Bejelentkezés
Hirdetés |






Köszönöm előre is... 


