Fórum témák
» Több friss téma |
Fórum » Csöves erősítő készítése
Ne feledd betartani a fórum viselkedési szabályait, és a topik megmaradásának feltételeit. [link]
A téma átmenetileg fagyasztva lett, hozzászólni nem tudsz!
De azt ugye tudod hogy nincs jó fényképező gépem és max felbontáson már korlátozott a feltöltés. Felrakhatom olyan amilyen alapon.
Amit telefonnal készítesz, az elég jó (ha odafigyelsz).
Nem baj ha nagy felbontással készítesz képeket, csak utána csökkentened kell a képek méretét, hogy fel tudd tölteni ide. Én például az ACDSee képnézegető program szerkesztőjével szoktam csinálni, a Resize menüponttal, de van még sok másik program is. Pl Infran View, Gimp, stb.
A hozzászólás módosítva: Dec 25, 2017
Idézet: „amit nem tudok csak úgy könyvből megtanulni” Az baj, mert a nélkül nehezen fog menni. Muszáj ezt azt elolvasni és 1-2 (egyszerűbb) számítást elsajátítani, mert különben szopóroller lesz csak a fórum (főleg a mostani állapotban) alapján.
Szerintem megint házhoz mentél a pofonért. Segítséget kérsz, és ha valaki neked nem tetszőt ír, vagy véleményez, egyből negatívra húzod. Jani, ez nem így működik...Ez a téma inkább az "elektroncső" topic-ba való, oda jobban illik. Segítséget kizárólag jó minőségű, nagy felbontású fotók készítése/feltöltése esetén remélj.Mint írtad ez nem megy.
Ez pontosan olyan téma, amit csak szakirodalmakból, és saját magadtól tudsz megtanulni,révén régi "elfelejtett"technika. Láttam írtad valahol hogy egy datasheet-tel sem boldogulsz. Nekem olybá tűnik hogy azt várod, más oldja meg helyetted a dolgokat, te pedig nem teszel érte túl sokat. Annó mikor ismerkedtem a csövekkel, csak a könyvekre tudtam támaszkodni, net sem volt nagyon, szaki meg főleg nem aki az értékes idejét rám szánja, mégis megoldottam a dolgokat.(Nézegesd a régi Rádiótechnika évkönyveket, Kádár Géza könyveket, mindegyik érthetően fogalmaz, kezdőknek elsőrangú.) Más. Meg kellene értened hogy szemétből meg szedett-vedett dolgokból nem lehet normális cuccot összehozni. Rengeteg dolgot MEG KELL VENNI. PÉNZÉRT. Páka kell, műszer kell, egy kis kuckó ahol buherálsz. Ha valamelyik hiányzik, már ugrott a projekt. Felkészületlen vagy, így pedig semmi sikerélmény sem lesz,ami lökést adna. A sok kudarc meg elveszi a kedved. Ezeket a jelöletlen/jelölés kopott csöveket meg a helyedben visszavinném, aztán bedobnám vele az ablakot. Ne erre herdáld el az időd, hanem tanulásra. Ha érdekel a dolog,és szánsz rá pozitív energiát, akkor menni fog. Ha nem akkor meg el kell engedni a dolgot,és mással foglalkozni.Ennyi...
Helló !
Kérnék egy kis elméleti segítséget: Csöves erősítők kimenőtrafóját ugye az impedanciához szokták illeszteni. (vagy fölé-triódáknál) Ezt értem. Viszont amit nem értek, hogy a szükséges induktivitás nagysága az milyen összefüggésben van az impedanciával és miért ? Nézegetve kapcsolási rajzokat azt látni hogy egy anódköri kimenő primer induktivitása 17H kb., ha viszont katódból van kicsatolva akkor elég a 100mH is. Azt értem hogy a katódköri impedancia az mondjuk 1/20-a az anódköriének, de miért elég a sokkal kisebb induktivitás ugyanakkora frekvencia kicsatolásához ? Ez egy fehér folt (a sok közül) az elektronikai ismereteimben és nem hagy nyugodni hogy nem értem miért van ez. ![]() Kösz ! A hozzászólás módosítva: Jan 1, 2018
A kimenőtrafó primer impedanciája az elektroncső anód munkaellenállása váltakozó áramú szempontból. Ezt terheli a szekunder oldalról áttranszformált impedancia (ellenállás). A kettő együtt meghatározza az erősítő alsó határfrekvenciáját. (feszültség vezérelt áramgenerátor, belső-, anód-, terhelő ellenállás, impedancia)
Katódkövető erősítőnek kicsi a kimenő impedanciája, szemben egy földelt katódú erősítővel, ezért az alsó határfrekvencián sokkal kisebb induktivitás is teljesíti azt a feltételt, hogy nagyobb legyen az impedanciája, mint az áttranszformált terhelés. (feszültség vezérelt feszültség generátor, belső-, munka-, terhelő ellenállás, impedancia) Ha felrajzolod egy elektroncsöves kapcsolás váltóáramú helyettesítő képét, akkor azon látni fogod, hogy mi mennyi, és számolhatod is. Ha berajzolod az adatlapon található kapacitásokat is, a felső határfrekvenciát is számolhatod. A hozzászólás módosítva: Jan 1, 2018
Logikus amit mondasz, végre tanultam újat. DE. 100 mH tényleg elég lehet?
Azt én nem tudom, számolni kéne. Az meg nekem már macerás, de ha van valakinek jó tervező progija, és használni is tudja, akkor viszonylag könnyen megtudható.
Mivel sohasem építettem katódkövetős végfokozatot, sohasem számoltam ilyet, ezért csípőből nem lövöldözök.
OK. Jogos. Valaki majd kiszámolja, nekem sincs affinitásom. Vannak itt még okos fiatalok..
Idézet: „DE. 100 mH tényleg elég lehet?” Igen, ez a mondat nekem is szemet szúrt. Ez az érték "szemre" is nagyon kevésnek tűnik, mindenféle számítás nélkül. Jó, hogy a trióda belső ellenállása nagyságrendekkel kisebb, mint a pentódáé, de azt ne felejtsük el, hogy az illesztése már messze nem annyival kisebb (míg egy EL84 PP Ra-a-ja, 8k körüli, addig egy 6N13Sz PP-t meg 1,5-3k-ra ajánl a szakirodalom). Nincs meg a több nagyságrend-beli különbség. Hát, éppen ezért nem gondolnám, hogy a primer induktivitás ilyen mértékben csökkenhetne.
Ez, így nem stimmel.
Az illesztés az illesztést jelent és mindegy, hogy a katódba, vagy az anódkörbe van a transzformátor bekötve, az illesztés nem változik ilyen mértékben. Tehát az induktivitás sem ekkora mértékben változik, de ez kapcsolás és csőfüggő paraméter is, ismernünk kellene ennek a végfoknak a rajzát, hogy lássuk miről van szó, egyébként "nem ér a nevem", vagyis mese ez a 100mH. (Ez a 100mH inkább szórt induktivitásnak hihető el.) Ráadásul, katódkövetőként a végcsövet irgalmatlanul nagy feszültséggel kell meghajtani, hogy valamekkora teljesítmény kijöjjön belőle. BUÉK! Üdv!
Ha az ohmikus taggal nem számolunk akkor 0,1H 50 Hz-en 31,4 Ohm XL-t jelent.
Szerintem... A hozzászólás módosítva: Jan 3, 2018
Én úgy emlékszem, hogy a katódköri illesztő impedancia 1/4-e az anódköri illesztő impedanciának PP erősítők esetén.
Sziasztok.
Az a helyzet, hogy csoves erositok teren nem vagyok jartas. Van egy regi 1969-es radiom, ami csoves, es a trafo melletti ket nagy kondi kozul az egyikbol valami fekete trutyi kifolyt es fustolni kezdett. Na azt szeretnem, kicserelni, de sehol nem talalok hasonlot, mivel tudnam helyettesiteni es hogyan, mi a bekotese, ket laba van es egy fem test, melyik a pozitiv es negativ laba? Kerlek segitsetek, fontos nekem ez a radio! Csatoltam kepeket. Csak egyszeruen szeretnem kicserelni vagy helyettesiteni oket ujakkal amit a boltban is lehet kapni, hogy tivabbra is mukodjon a radiom! Ebbol a kondibol ketto van a tap reszben, az ertekeik megegyeznek viszont az egyik ducibb, es nagyon furan vannak bekotve, a ducibbnak a labai osszetekerve vannak. Segitsegeteket elore is koszonom.
Mindegyik kondi régi "kettős" kondi.
Értéke 2x50uF, 350V. A kicsi helyettesíthető 2db 47µF/400V-os kondival. A nagyobbik, ahol a kivezetések össze vannak forrasztva 1db 100µF/400V megfelel. a fémház a negatív, a kivezetések a pozitív pólusok.
A 3. képen látható elrendezés nekem azt sugallja, hogy ez nem az eredeti állapot. Jó lenne, ha tudatnád, hogy melyik ez a rádió (Tip.???).
Kedves Jani, azért innen, mert a 19-dik már nem látszik a jól a sorban( ha közben nem szorulok hátrébb ugye) és talán szeretném Tubeamp gondolatait megtoldani azzal lehetőséggel, amit egy próbapad kínál. Emlékszem régen csináltam a fiaimnak egy számlálót a végén egy hétszegmenses kijelzővel. A bináris kódot is 4 leddel szemléltettem. Ez az áramkör jó volt egyben a benne lévő IC-k, és a kijelző ellenőrzésére is (IC-foglalatba szereltem őket). Lehetne e félét csövekre is csinálni, értem ezalatt az egyfokozatú erősítőt, és így összemelegedni ezen eszközökkel, a balesetvédelem kellő betartása mellett.
De ebben Neked kell dönteni, Elek
Sziasztok. A 1861 oldal alján van egy PP erősítő EBL21-gyel. Nem tudja valaki , melyik könyvben található meg ez a kapcsolás? (mert látszik, hogy könyvből van betéve). Ha esetleg valaki elektronikus formában is át tudná küldeni, az lenne a legjobb.
A trafó kinézete alapján ez valami román rádió lesz (ha nem tévedek)
Idézet: „Ráadásul, katódkövetőként a végcsövet irgalmatlanul nagy feszültséggel kell meghajtani, hogy valamekkora teljesítmény kijöjjön belőle.” Ez egy tranzisztoros kapcsolás rajzán volt, onnan van az érték. Csövesben nem láttam ilyen kapcsolást, olyat ahol írták is volna a primer induktivitást. Csak példa volt.
Nem osztogatnak, fosztogatnak.... Így már más a fekvése.
A mozdonynak is van kereke, meg a robogónak is. Az alakjukon kívül túl sok közös vonás még sincs bennük......
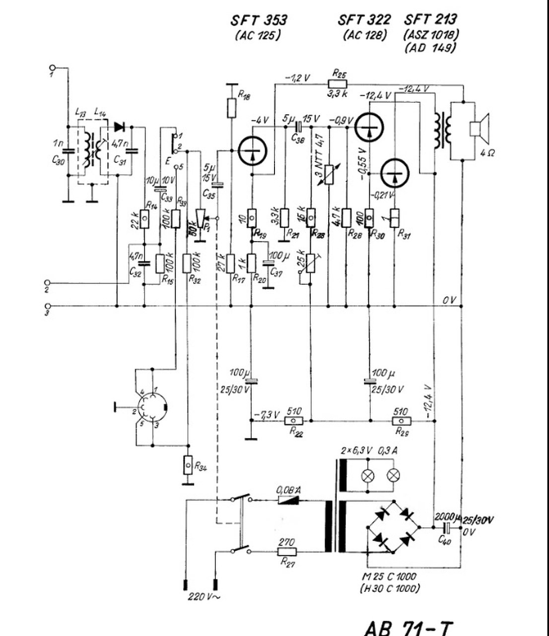
Félvezetős kapcsolást kimenővel igen keveset látni, ami minket - minőségileg - megérintene, meg még kevesebbet. Eddigi gyakorlatomban csak az AB71-es Román asztali rádióban volt kimenő, leszámítva a főként telepes üzemű zseb/táskarádiókat. A hozzászólás módosítva: Jan 7, 2018
Akár lehetne csöves is de nem az igy ez itt off de bőven jó a minősége, szól úgy mint egy gyengébb csöves !
Bővebben: Link A hozzászólás módosítva: Jan 7, 2018
Érdekes látni, mikor a csöveket egyszerűen tranzisztorokra cserélik (kb. az AB71-ben is ilyesmi történt, talán az a -T betű utal(hat) is rá, hogy ez valamiféle ex-csöves rádió tranzisztoros változata - mint ahogy a remek ZK-140T sem csöves volt már). Nem volt szerencsém ilyen tranzisztoros PP erősítőhöz, azonban meg tudom magyarázni, műszakilag miért nem jó
A hozzászólás módosítva: Jan 7, 2018
Nem kell kalandozni szerintem itt van nálam élőben meghallgatható , mérhető szóval magyarázatra nincs szükség ez egy élő példány , szerintem az országban ez az egy van az is nálam .
Azt nem tudhatjuk, ha valahol publikálták, lehet, más is kedvet kapott hozzá. Nyilván - ha van- sem pontosan olyan, mint a Tiéd. Már első körben is azt gondoltam: Ha a Laci megépítette, akkor biztos van benne potenciál. Bevallom, a trafók miatt nem hinném, hogy belevágnék.
Publikálva ? eredetileg valamelyik évkönyvben , hozzá tenném 100% aki lerajzolta sem épitette meg! Voltam olyan elvetemült és meg épitettem a trafók nem vészesen bonyolultak !
De szerintem inkább csövezzünk ! A hozzászólás módosítva: Jan 7, 2018
|
Bejelentkezés
Hirdetés |













