Fórum témák

» Több friss téma
Fórum » DC motor/lámpa PWM szabályzása
 
Témaindító: redcar, idő: Márc 3, 2006
Témakörök:
Lapozás: OK   145 / 155
(#) mlaci989 hozzászólása Júl 24, 2022 /
 
Üdv.
Kérdésem lenne: PWM vezérelt (NE555) DC motor szabályzóban megfőtt a fet, G-S lábak összezártak. IRF3710 volt benne. Dióda nem károsodott (25A Shotky). A vezérelt motor direkt akkuról 12 Volton 5-6 Ampert fogyaszt. Indításnál 10-15A. Nincs itthon ilyen fetem, van IRF540 ennek jóval nagyobb a D-S ellenállása. Kérdésem hogy berakhatok ebből mondjuk 2 darabot. Sürgős lenne. Kitöltés működik- ránéztem szkóppal.
(#) Bakman válasza mlaci989 hozzászólására (») Júl 24, 2022 /
 
Próba-szerencse alapon működhet a dolog. Nagy valószínűséggel a szokásos, gyenge Gate meghajtás miatt főtt meg a FET. Mekkora a PWM frekvenciája?
(#) mlaci989 válasza Bakman hozzászólására (») Júl 24, 2022 /
 
5KHz körüli. Beraktam egyet próbára és működik.
Gyenge Gate meghyjtást kifejtenéd bővebben? Hogy a hejes?
A hozzászólás módosítva: Júl 24, 2022
(#) Bakman válasza mlaci989 hozzászólására (») Júl 24, 2022 /
 
Az 555-ös kimenete és a Gate közé FET meghajtó, pl. TC4420.
(#) mnyugger válasza mlaci989 hozzászólására (») Júl 24, 2022 / 2
 
Idézet:
„Hogy a hejes?”


ly-nal

(#) mlaci989 válasza mnyugger hozzászólására (») Júl 24, 2022 1 /
 
Termellnek a méhek és pergetni kell
(#) mlaci989 válasza Bakman hozzászólására (») Júl 24, 2022 /
 
Összeraktam IRF540 el működik. Meglássuk meddig.
Egy összerakott kapcsolást tudtok ajánlani 555+Fetmeghajtó 12 Volt 15-20A.?
(#) Bakman válasza mlaci989 hozzászólására (») Júl 24, 2022 /
 
Valahogy így, lásd melléklet.
(#) mlaci989 válasza Bakman hozzászólására (») Júl 24, 2022 /
 
Köszönöm.
(#) Massawa válasza mlaci989 hozzászólására (») Júl 24, 2022 /
 
Mi az oka, hogy 5 kHz a PWM. Azzal csak mindent melegitesz.
(#) mlaci989 válasza Massawa hozzászólására (») Júl 24, 2022 /
 
Nem én készítettem a szabályzót. Javítom.
(#) DUCIJUCI hozzászólása Júl 27, 2022 /
 
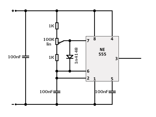
Sziasztok. Elektronikailag összeraktam egy 555-re épülő PWM szabályozót. A képen láthatót, kisebb változtatással. Aztán itt a segédprogramok közt, az 555 astabilossal próbáltam változtatni az értékeken és azt vettem észre, hogy 50% kitöltés alá nem lehet lemenni. Számomra, mint laikusnak ez azt jelenti, hogy a bringámat, ha áram alá helyezem, ezzel az 50%-os kitöltéssel el fog indulni. Azt a 20-25 KG vasat a 300W-os motor simán elhajtja. Sőt, a gyalogátkelő helyen, nem én tolom át a bringát, hanem az fog átcibálni, mint floki a lábtörlőt.
Csináltam próbából egy másikat és rákötöttem egy fél méternyi silány ledszalagot. Szabályozni szabályoz, de a fénye nem tűnik el teljesen. Műszer hiányában nem tudok mérni, de 1-2%-os kitöltésnél nem kéne fényt adni a ledeknek.
Itt a fórumon azt olvastam, hogy az 555-tel kb. 2-98% kitöltést lehet elérni. Legyen szíves valaki mondja el nekem hogy ezt hogyan lehet elérni?

pwm555.gif
    
(#) ferci válasza DUCIJUCI hozzászólására (») Júl 27, 2022 /
 
A ledek fényére ne adjál minimális %-nál sem.
Az átlag (!) motoráramot próbáld mérni abban a helyzetben.
Motornál ne is akarj pár % alá menni, mert ott meg se moccan. Típustól és terheléstől függően kell legalább 20 %, hogy meginduljon.
A te gondod az inkább, hogy "álló helyzetben" is fogyaszt valamennyit, ha a főkapcsoló nincs lekapcsolva.
Pár ezreléket javíthatsz, ha a 2 kicsi diódát lecseréled BAT85-re, pár tized volttal növelheted az átfogást.
Max kitöltésnél pedig a fetet át kellene hidalnod hosszabb úton automatikusan.
A hozzászólás módosítva: Júl 27, 2022
(#) DUCIJUCI válasza ferci hozzászólására (») Júl 27, 2022 /
 
A problémámat jól látod. Az áthidaláson már gondolkodtam. Egy nyomógombbal és egy jobb képességű relével. A kis diódáim eleve 1N5819-es. Ez volt készleten.
Azt a kis kitöltést kellene produkálnom. Így nem PWM szabályozót csinálok a bringámra, hanem egy használhatatlan elektronikai hulladékot.
A hozzászólás módosítva: Júl 27, 2022
(#) JZoli válasza DUCIJUCI hozzászólására (») Júl 27, 2022 /
 
Mint Ferci is írta a LED-ek fényére ne adj, azok nem lineáris elemek. A motor teljesen másképpen fog működni. Most néztem meg az általam kb egy éve készített "gyerek" autót, az 34% kitöltésnél indul el a 15-20 kilós sofőrrel, igaz bug némileg a 10% feletti jeltől is, de el nem indul. A maximális gáznál meg, ha átkötöm azt sem lehet érezni mármint a sebességén. Szerintem csinálj egy próbát akkor jobban fogod látni,. hogy mennyire használható ez a kapcsolás.
De ha ezt nem tartod jónak ott van például a TL494-es PWM vezérlő
(Bővebben: Link Ez egy példa!
(#) mex válasza DUCIJUCI hozzászólására (») Júl 27, 2022 /
 
Így építsd meg az 555 részét
Az időzítőkondi maradjon 100nF, és a 180 ohm helyett tegyél nagyobbat, 220-1k közti értéket.
Ha jobban megnézed van különbség, a diódák elrendezésében, és ez fogja biztosítani a nagyobb kitöltésí arányt.
A hozzászólás módosítva: Júl 27, 2022
(#) DUCIJUCI válasza JZoli hozzászólására (») Júl 27, 2022 /
 
Szia. A gyerek autód ilyen TL494-es verzióval készült?
(#) DUCIJUCI válasza mex hozzászólására (») Júl 27, 2022 /
 
Szia. Körülbelül mekkora skálán fog változni így a kitöltés?
(#) JZoli válasza DUCIJUCI hozzászólására (») Júl 27, 2022 /
 
Az elsőben egy 555-ös vezérlő van, de az is jól megy.Igen, linkeltem is egy oldalt kb az lett a másodikban megépítve. Csak az volt a motiváció, hogy ez a saját belső tápjáról kapja a vezérléshez szükséges 5V-ot, és terveztem, hogy egy külső távirányítós szülői vezérlés is be lesz építve , de ez a mai napig elmaradt.
A hozzászólás módosítva: Júl 27, 2022
(#) DUCIJUCI válasza JZoli hozzászólására (») Júl 27, 2022 /
 
Végig néztem ezt a linket. Elmentettem. Lejjebb van 30V 20A-es szabályozó is de nem tudom annak neki merjek-e állni. És annak is fokozni kellene a képességeit, mert a műszerem szerint 30A felett is volt áramfelvételem.
(#) sonajkniz válasza DUCIJUCI hozzászólására (») Júl 27, 2022 /
 
Szia!

Nem tudom, értesz-e a PIC programozáshoz, illetve a bringádon hogy állsz hellyel.
Én kb 5 éve építettem egy meghajtó rendszert egy kisvonat számára. (A szigethalmi vadasparkban szálítja az utasokat)
Ez 24V 700W.os kefés DC motorral megy. Az erőátviteli rajzot mellékeltem csak, mert ez a téged legjobban érintő része, a vezérlés úgyis másmilyen kell legyen. Igazából az R2, R3 relé neked nem is kellene. Lényeg az, hogy a gázkar legkisebb jelére R1 behúz, és onnan indul a szabályzás. Ha elengeded a gázkart, a relé lekapcsol, illetve, ha a fékkar aktiválja az elektromos féket, amit egy külön potival előre beszabályozhatsz, fékezés közben visszatölt az akkurta.
(#) DUCIJUCI válasza sonajkniz hozzászólására (») Júl 27, 2022 /
 
Szia. Sajnos nem a PIC-hez, de az elektronikához sem értek. Csupán az egyszerűbbnek tűnő kapcsolási rajzokhoz képes vagyok nyáktervet alkotni, kimaratni, összeépíteni. Viszont kedvem hozzá, az van bőven. Mex válaszát várom. Az 555-höz van még 1-2 garnitúra alkatrészem, az egyszerűnek tűnik, csak át kell terveznem.
https://www.hobbielektronika.hu/forum/topic_post_2504122.html?r=0.4...504122
A bringámról ide tettem fel pár képet. Hát sok hely nem nagyon van rajta. Utolsó hozzászólás.
A hozzászólás módosítva: Júl 27, 2022
(#) mex válasza DUCIJUCI hozzászólására (») Júl 27, 2022 /
 
leszimuláltam a működését.
A jobboldali gombokkal lehet a szimulációt elindítani, a poti csúszkával a kitöltést szabályzod, a led a visszajelző.
A hozzászólás módosítva: Júl 27, 2022
(#) DUCIJUCI válasza mex hozzászólására (») Júl 27, 2022 /
 
Ez jó. Nagyon tetszik. A kitöltés értékek érdekelnének? Min-max kb?
(#) szs válasza DUCIJUCI hozzászólására (») Júl 27, 2022 /
 
Jóhogy nem PIC kell ehhez. Nagyon elegendő azt megcsinálni, amit bemásoltál. Még azon is van alkatrészfölösleg (a d2), -egyetlen dióda is elég. Teszek neked rajzot, bár azon a FET-et, motort nem rajzoltam be, úgyis egyértelmű.

Az, hogy a segédprogramok között talált astabilt csak 50%-ig lehet leszabályozni, csak azért van, mert ott egyetlen megkerülő dióda sincs.

Azt meg úgy látom, írták, hogy a LED kipróbálni ugyan jó, de ne csodálkozz, hogy derengeni teljesen lecsavarva is fog. Bár én nem is 2-től 98%-ig, csak úgy 4-5 től 94-95%-ig terjedő szabályozhatóságot olvastam róla.
A hozzászólás módosítva: Júl 27, 2022
(#) mex válasza DUCIJUCI hozzászólására (») Júl 27, 2022 /
 
Kb ez már teljesíti a kívánt tartományt, vagyis 3-4 és 95% körüli.
(#) DUCIJUCI válasza szs hozzászólására (») Júl 27, 2022 /
 
Szia. Nekem a 4-5% is tökéletes lenne valószínűleg. Amit eddig összehoztam, az modulos megoldású. Az 555-öt tudom majd cserélgetni (a panelt). Ezt is lementem.
(#) DUCIJUCI válasza mex hozzászólására (») Júl 27, 2022 /
 
Köszönöm. Megcsinálom és kipróbálom ezt is .
(#) mex válasza DUCIJUCI hozzászólására (») Júl 27, 2022 /
 
Érdemes az időzítőkondenzátor értékét változtatni, mert a motor vezérlése sem a túl nagy , sem a túl kicsi frekvencián nem optimális.
(#) DUCIJUCI válasza mex hozzászólására (») Júl 27, 2022 /
 
Köszönöm. Igen, ezért is mentem a segégprogramon próbálgatni. Úgy értem tájékozódni, mi hogyan változik elméletben.
A hozzászólás módosítva: Júl 27, 2022
Következő: »»   145 / 155
Bejelentkezés

Belépés

Hirdetés
XDT.hu
Az oldalon sütiket használunk a helyes működéshez. Bővebb információt az adatvédelmi szabályzatban olvashatsz. Megértettem