Fórum témák
» Több friss téma |
Fórum » Digitális óra
Hatalmas tehetséged van ahhoz hogy kiválaszd a netről a legrosszabb kapcsolásokat , miért nem nézel egy rendes óra kapcsolást itt a cikkek közt ? Ha problémád van itt egyszerűbb a tervezőt megtalálni és segítséget kérni tőle (vagy tőlünk)
például
A Biztosíték Bit-eket is be állítottam ahogy ő leírta. (most újra rá raktam a Hex.et)
Most nem villog de még mindig nem reagál semmire. A Lov-ra ír E4 ,High-re D9
Hát ezt nem bírtam ki röhögés nélkül
Köszönöm így lesz. Megnézem ezt. A mostanival meg kezdek valamit, mármint szét kapom aztán majd jók lesznek valamire az alkatrészek. Idézet: Minden viccnek fele igaz ! Az eredményjelzővel egy hónapig "kinlódtál" és most találsz egy másik kapcsolást amiben szintén nincs előtét ellenállás a ledeken , szerinted ? Ha akkor és (most) rendes kapcsolást választasz már mindkét dolog működne tizedennyi energia befektetéssel . Ja hogy tanultál az előző kapcsolás hibáiból ? Vagy mégsem ? „Hát ezt nem bírtam ki röhögés nélkül” ![]()
Okés okés. Írtam is feljebb kezdésnél hogy a nyák is meg a cuccok is meg vannak már vagy 3-4 éve a fiókban, félig beszerelve aztán félre téve. Azt hittem itt a Mikrokontrollernél + kijelző más a helyzet, (de nem). De ezt most nem fogom meg csinálni még egyszer előtétekkel. Megy a levesbe. Majd nézek itt valamit ahogy írtad.
A hozzászólás módosítva: Márc 9, 2025
Ebből a 100ohmos műhibából is látni, hogy bizony szét kell nézni alaposan a neten. A programja is ilyen hibákat tartalmazhat.
A hozzászólás módosítva: Márc 9, 2025
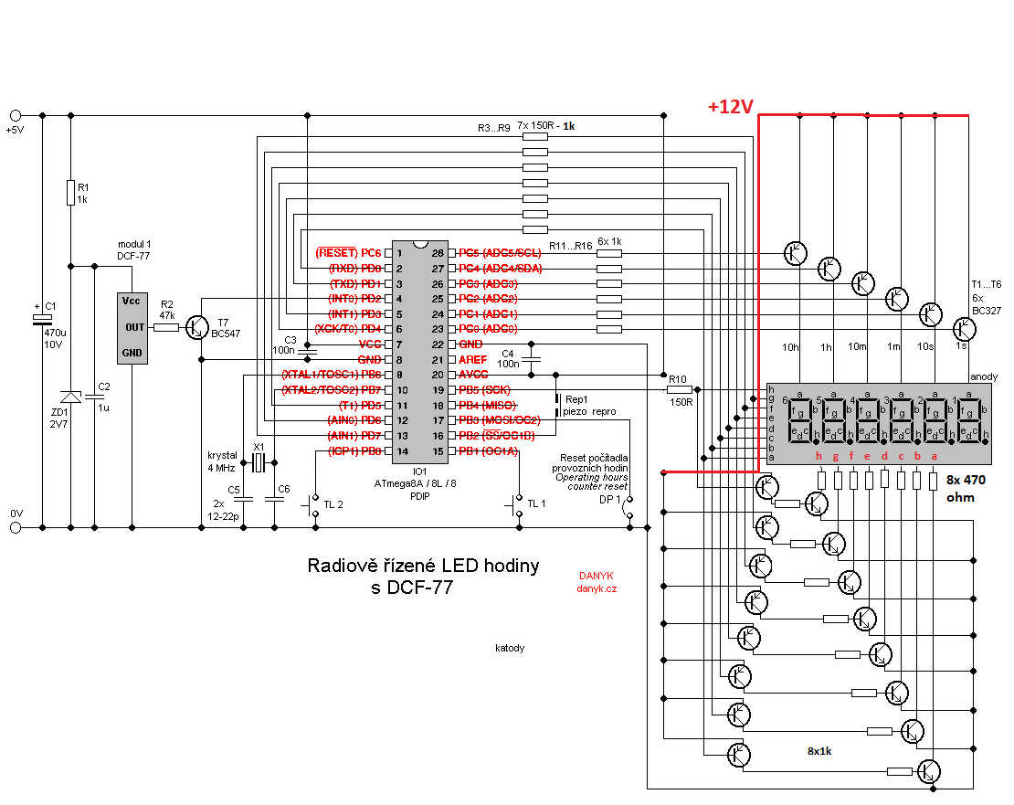
+12V-ról nagy kijelzőÜdv!Nagy kijelzővel készíteném el az órát , működhet-e a rajz szerinti módosítással? (Kipróbált, működik a DCF-77 -el is ) Köszönöm. A hozzászólás módosítva: Márc 17, 2025
Inkább egy uln udn párost tegyél bele az biztos fogja bírni.
Nekem nagyon nem tetszik. A tápokat egyértelműen jelöld, mert így nagyon nem jó. Egy bekapcsolás, egy halott IC.
Ha mindenáron, Amit 12V nak jelöltél az GND, Amit GND-nek az 12V, A tranzisztorok polaritása ennek megfelelően átvariálva...Utána lehet azon gondolkodni, milyen kijelző kell, és a vezérlés polaritása sem jó szerintem. A hozzászólás módosítva: Márc 17, 2025
A rajz nem teljes, az Ic 5V-os stabilizátorról kap majd feszültséget. Most az anódok és a szegmensek meghajtása a kérdés.
No az a nagyon de nagyon nem jó. Az IC kimenete max 5V-on van, ezt egy ellenálláson és egy diódán keresztül 12V-ra emeled, hát az ic nem fogja megköszönni. De ha igen, akkor sem fog sok változást okozni, ha a tranzisztor bázisán a 12V hoz képest 7V vagy 12V lesz 1K-n keresztül.
A vezérlő polaritása az alap rajzon látszik az anódokat vezérlő tranzisztorok alacsony szintre kapcsolnak be és a szegmenseket az IC alacsony szintre húzza aktív állapotában. A kijelző "házi" gyártmány lesz és lehet közös anódos de akár katódos is.
Optocsatolókkal vezérlem a Q2...Q7 tranzisztorokat akkor az ic nem kap veszélyes feszültséget.
Madzagos megoldása lesz a jó 50v500mA határadatokkal bármilyen ledes kijelzőt elbír .És kidobhatod az összes tranzisztort az áramkörből
A hozzászólás módosítva: Márc 17, 2025
Azok között van fordított logikás is, vagy elébük kell még pakolni egy rakat invertert?
Mindkét vezérlő kimenet alacsony szinten van aktív szegmensnél Így az uln nem jó szerintem.
Miért nem a program végzi az invertálást?
Akkor két lehetőséged van
1: a programban invertálod a kimeneteket 2: külső invertereket hasznász az uln-előtt
Nem tudok programozni , csak kész program feltöltését tudom megoldani. Itt az "eredeti " ahonnan letöltöttem a hex-t (asm is megvan de nem tudok mit kezdeni vele) és már működik egy kicsi kijelzővel.
Bővebben: Link
Ha az egyszerűbb utat választod akkor keresned kell egy embert aki segít az asm átírásában és fordításában .
A cikkek között megtalálod a Tom25 féle nixie órát amit simán át lehet alakítani nagy kijelzősre. a 74141-et kell kicserélni 4511 re és az udn uln párost belerakni . Nekem működik az így megvalósított óra. Bocsi zamatőrnek akartam írni!
A hozzászólás módosítva: Márc 17, 2025
Mennyi egy szegmens teljes áramfelvétele ? A pontot is beleértve !
RTC késésSziasztok! Van egy ilyenRTC. Ez napi 9-10 másodpercet késik. Van valami módszer a pontosításra. ( A szokásos kaviccsal sorba kötött kondik nincsenek benne!
Igen, de ilyenem nekem is van (más kivitelben), és azt szokták írni róla, hogy pontatlan, nincs kalibrációs lehetőség, és vegyél inkább egy DS3231-et, ami fényévekkel jobb. : -)
A hozzászólás módosítva: Dec 1, 2025
szoftveres kalibráció...
előző linkemen dobta: A DS1307 kalibrálása magában foglaljakorrigálja a hőmérséklet-változások miatti időbeli eltolódásra való hajlamátMivel a DS1307 nem rendelkezik belső hőmérséklet-érzékelővel, az eltolódása nagymértékben függ a környezeti hőmérséklettől. A kalibrálást jellemzően szoftveres korrekcióval végzik, ahol megmérik az eltolódást, majd rendszeresen beállítják az időt, vagy olyan módszerrel, mint a eltolódási érték mentése a chip nem felejtő memóriájába (NVRAM) vagy egy külső EEPROM-ba, amely automatikusan alkalmazásra kerül. Hogyan kell kalibrálni Mérje meg az eltolódást: Hagyja a DS1307-et egy beállított ideig, például 24 órán át működni. Hasonlítsa össze a DS1307 kijelzőjén látható időt egy nagy pontosságú időforrással (például atomórával vagy NTP-szinkronizált számítógéppel), és számítsa ki a különbséget az eltérés meghatározásához. Korrekciós módszer megvalósítása: Manuális beállítás: Időnként leolvashatja az időt a DS1307-ről, és egy parancs segítségével – például adjust()egyes könyvtárakban található metódussal – manuálisan korrigálhatja azt. Automatikus korrekció: Írj egy kódot, amely minden nap egy adott időpontban lefut, és beolvassa az aktuális időt és az eltolódás értékét. Alkalmazza a korrekciót a tárolt eltolódási érték alapján. Tárolja a drift értékét a DS1307 belső NVRAM-jában vagy egy külső EEPROM-ban, hogy az a rendszer ki- és bekapcsolása után is olvasható és alkalmazható legyen.
Az egy másik bonyolultság és ár - nem tudni, mi a pontos felhasználás a kérdezőnél, lehet nagyon kis proci mellett is -, nekem is van NTP kliens az ESP-s cuccaimon ESP-IDF és most már Arduino alatt is.
"előző linkemen dobta:" És el is olvastad? : -) "Hasonlítsa össze a DS1307 kijelzőjén látható időt egy nagy pontosságú időforrással (például atomórával vagy NTP-szinkronizált számítógéppel), és számítsa ki a különbséget az eltérés meghatározásához." "Írj egy kódot, amely minden nap egy adott időpontban lefut." Hát persze. : -) Tegyek bele hőmérőt, kalibrálgassam hetekig, tároljam EEPROM-ban stb. és úgyis csak kielégítő lesz az eredmény - nem álltam neki. Az élet ehhez túl rövid ehhez ilyen kis árak tükrében, hogy én faragjak TCXO-t a konyhaasztalon. A hozzászólás módosítva: Dec 1, 2025
Bocs, eltévedtem, nemgyurinak akartam válaszolni. Igen, nem tudni mihez hasznalja, milyen fejlesztorendszerrel...
|
Bejelentkezés
Hirdetés |
















