Fórum témák
» Több friss téma |
Ismét üdv mindenkinek.
Találtam a "Ki mit épített"-be egy jó pofa kapcsolást, erről lenne szó. (Ambilight PC-re) Speccy-től ( Ő építette meg,) érdeklődtem utána, és azt javasolta, hogy inkább ne privátban írogassunk egymásnak, hanem a topicon keresztűl, igy legalább ha valaki kedvet kap a megépítéshez neki is egyszerűbb dolga lessz
Ezt most meg nem mondanám, de szerintem, fentről lefelé vannak a sorok számozva.
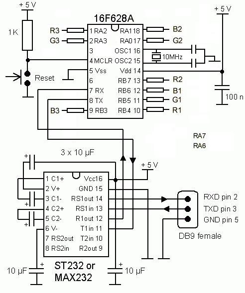
Itt van róla egy rajz, szerintem nem annyira bonyolúlt
Na most annyi kérdésem lenne, hogy ezt usb-re hogy is lehet megcsinálni?
Igen, FT232RL ic egyből TTL szintű jeleket állít elő, így direktbe rá lehet kötni a mikrokontrollerre.
Holnapra megrajzolom az egész Ambilight project kapcsirajzát.
szia
köszönöm a rajzot megcsináltam eagle-ban, légyszi nézd át hogy minden stimmel-e!? lehet hogy valamit rosszúl értelmeztem vagy elnéztem! köszi
bocs
itt egy jó, az előzőről lemaradtak az ellenállások.
Ahogy nézem jó lett a rajzod, nem látok benne hibát. :yes:
köszi szépen
egyébként milyen szoftverrel hajtod? és még 1 kérdés: ha mondjuk BC337-et rakok be akkor a bázis elé 1Kohm-ot vagy 470 ohm-ot rakjak? üdv
Többféle programmal is működik. Használom például az oldalon fellelhető BSPlayer plugint, de a tesztprogijával is el lehet játszani. Illetve van még fent az oldalon a vége felé két másik program: Boblight és aLight. Mindegyik működik vele szépen, bárminemű szoftveres piszkálás nélkül. Filmnézéshez azonban mégis a BSPlayert és a plugint ajánlom, mert egyrészt az előbb említett két program nem minden médialejátszót kedvel, néha van kavarodás, másrészt ahogy a szerzője is írja a plugin még a kimenő kép előtt elvégzi az elemzést, és emiatt sokkal simábban, és pontosabban működik. (Ezt én is így láttam.) Játékhoz, vagy általános célra viszont jó a másik kettő.
BC337-et tettem be én is (épp ez volt a fiókban), 1KOhm van a bázis előtt benn. Adatlap szerint ez az 5mA körüli bázisáram megfelelő.
Ugyan, semmiség. Ahogy mondani szokták: (és igazuk van) erre való a fórum!
Ha kész mindenképpen tegyél fel róla képet! Érdekel milyen megoldással világítod meg a monitor mögötti területet. Én ugyanis itt akadtam el, illetve untam rá. Meg nem volt pénzem arra az RGB ledes szalagra amit aztán találtam.
szia
okés ha kész van teszek róla képet a ledes részét még én nekem is ki kell találnom
Sziasztok! Tudna valaki abban segíteni, hogy az alábbi linken található programhoz lehetne-e valami kapcsolást összehozni? Köszi előre is.
Bővebben: Link
Szia!
Talán lehetne, de jóval egyszerübb akár a Discolitez 32 Deluxe-ra, vagy a soros tárolós módosításomra írni egy programot. (Azt most ne kérd tőlem, mert nagyon nincs időm most ilyenekre sajnos.) Bővebben: Link
Köszi az ötletet, de tulajdonképpen nekem meg van a Discolitez 32 arra is jó lenne, ha lehetne írni egy progit de én ahhoz nem értek, te meg nem érsz rá úgyhogy nem tudom mi lenne a megoldás? Valahogy nem tudnál mégis csak egy hasonló progit írni, ha esetleg lenne egy kis időd rá? Köszi
Idénre már nem tudom igérni, de januátról pangi van a cégnél, akkor lesz rá időm.
Köszi a választ. Végül is akkor is jó lesz, de tulajdonképpen a karácsonyi fények vezérlését szerettem volna tökéletesíteni vele, de akkor addig, ha nem lesz más marad a winamp+discolitez megoldás. Addig jó lesz ez is, majd utána fejlesztjük. Köszi előre is.
Heló. Tudna valaki nekem egy Discolitez Professional II-hez egy olyan desktopot készíteni amin a line-inpout ablakban a kimenetnél van 6db olyan "kocka" ami különböző hangsávokra reagál úgy mint egy fényorgona? Akárhogy is próbálkozok nem sikerül beállítani úgy ahogy kellene neki. Mélyre egyáltalán nem tudok villogtatni LED-eket, a közép és éles csak-csak működik de az is igen gyér.
Ha valakinek van készen egy ilyen ehhez a programhoz vagy a sima Discolitez32-höz egy olyan *.ltr fájlja ami fényorgonaként működik és azt felteszi azt nagyon megköszönném.
Helo. Gyorsan összedobtam egyet.
Ilyesmire gondoltál? Persze kell még rajta igazítani...
Végül is jól működik. gondolom olyan sose lesz mint egy rendes fényorgona.
de elszórakozni tökéletes
Ennek örülök.
Hát igen, egy kis állítgatással lehet jobb, de olyan nem lesz, mint egy rendes...Szívesen.
Heló! Beszéltünk még tavaly erről a programírásos dologról, nem tudom esetleg lenne-e már időd arra, hogy valamit összehozzunk belőle? Ha esetleg ráérnél akkor megköszönném a dolgot. Köszi előre is.
Heló! Beszéltünk még tavaly erről a programírásos dologról, nem tudom esetleg lenne-e már időd arra, hogy valamit összehozzunk belőle? Ha esetleg ráérnél akkor megköszönném a dolgot. Köszi előre is.
|
Bejelentkezés
Hirdetés |






de elszórakozni tökéletes





