Fórum témák
» Több friss téma |
Ezzel a kapcsolással amit csatoltam az a gondom hogy a becenevemet akarom villogtatni szóval
OLI <=becenevem szóval az OLI "feliratot" szeretném villogtani három 7szegmenses led-kijelzőn csak azt nemtudom hogy hova kössem a kijelző lábait mondjuk még nincsenek meg de majd veszek meg mennyiban van 1 ilyen 7szegmenses led kijelző? meg hogy hova kössem a lábait a könyv írta hogy lehet rákötni de zat nem hogy hogyan a válaszokat előre is köszönöm >
szia!
az anódot (negatívot) a 6-os kivezetésre és a betűnek a szegmenseit az IC 8-as lábára (ha megveszed a kijelzőt és keresel hozzá adatlapot miglessz a lábkiosztás)
kösz szépen,
és nemtudod hogy mennyibe megy 1 ilyne kijelző? szóval akor fogok 1 ic-t és csak rá kell kötni a szegmenseket, vagy kellenek oda azok a külső alkatrészek is? meg fogja bírni hajtani a 3 kijelzőt ?
hát a HQ-vedoónál názz szét Bővebben: Link
ennyi volt a kérdésed? kapok pontot a 16 szegmenses kijelzőve már más betűket is kiírhatsz pl "K"-t
hát a könyv azt írja h rá lehet kötni--> elbírja a könyv szerint majd amikor először próbálod nézd meg hogy melegszik-e sz ic ha melegszik és már forró azonnal kapcsold ki!
és a külső alkatrészek is kellenek az( az 1 kondi)
utánanéztem (kis segítséggel) és kiderült h a cucc csak 45mA-t bír el
Viszont egy LM3909 1011ft Bővebben: Link
egy 555 viszont csak 52ft Bár a 3909 kétségtelenül egyszerűbb
hát azt jelenti h 45mA-nál többet nem akaszthatsz rá...
nem tudom h mennyit esznek ezek a led kijelzők...
mi a túrónak bonyolítod??? egyszerűbb egy plexi lapba belegravírozni (belekarcolni) a kívánt szöveget, és egyetlen leddel megvilágítani... vagy ha nagyon kell, hogy villogjon, akkor 555-ös ic-vel villogtathatod. vagy rögtön több ledet is használhatsz (különböző színűeket), és azokat felváltva villogtathatod... a hatás nem marad el
1 fényes leddel megvilágítod a paxitet és már kira is
amúgy meg:
ha már diszkóvacak kell
Hi!
A villogtatást inkább egy 555-ös astabil multivibrátorral érdemes megoldani (itt van az astabil kapcsoláshoz minden). Olcsóbb, jobban állítható. Kicsit többet kell forrasztani, nyákot is célszerű hozzá csinálni, de összességében még mindig egyszerű kapcsolás. Ezzel a programmal mindent ki tudsz számolni egy 555-ös kapcsoláshoz. Ebben a felhasználásban kb. 1-10 Hz-es frekvenciát érdemes használni, a kitöltési tényező pedig minél alacsonyabb, annál kevesebb lesz az áramkör átlagfogyasztása. A NE555 elbír 225 mA-t, tehát 9 V-os elemnél és 2 V nyitófeszültségű LEDeknél 35 Ohm-os ellenállást kell a kijelzők és a föld közé tenni. A kijelzőkből kétfélét árulnak: közös anódút és közös katódút. A közös katódúnál a közös pontot (az adatlapban C.C, esetleg C.K., vagy common cathode) a földre kell kötni, a vezérlendő szegmenseket pedig az astabil áramkör kimeneti pontjára (3-as láb az 555-ösnél). Közös anódúnál fordítva kell eljárni, a közös pont (C.A., vagy common anode) kerül az astabil kimenetére, az összes vezérlendő szegmenst pedig földre kell kötni. Egy hétszegmenses kijelző ára eléggé változó, 80-400 Ft között van. O betű kijelzéséhez az (a,b,c,d,e,f), L betűhöz a (d,e,f), I betűhöz pedig a (b,c), vagy az (e,f) szegmenseket kell vezérelni. A szegmensekhez tartozó lábkiosztást pedig megtalálod a kijelző adatlapjában (ez nagyon változó a kijelzőknél). Megfontolandó bbb kollega által javasolt megoldás is, ehhez csak 1 LED kell. 2 LEDdel a klasszikus astabil villogóval már két színt is lehet használni. Alapanyagnak jó pl. egy vonalzó, most a Tes..ó gazdaságos áruházban 9 Ft egy 20 centis vonalzó.
A plexi darabról jut eszembe!
Voltam Svédországban cserediák és ott az iskolában olyat csináltak, hogy egy téglalap alakú vastagabb plexi, az oldalába lyukak fúrkálva és bennük egy-egy led! Érdekes volt, csak én nem nagyon szeretem a villogó haszontalanságokat...
éshogy gravírozzam bele a nevemet???
mert kipróbálom akkor ezt a módszert mert nem akarok kiadni csak úgy 1000 forintot ic-re + még kijelzőkrre
ja és találtam itthon 1 dupla kijelzőt , sztem azt 1 URH vevőből szedtem ki, még régen
csak ez volt ráírva: TR321og de ere a jóbarátom gugli nem adott ki semit
vagy célszerszámmal, vagy simán belekarcolod valami fémdarabbal. de erre jó a fúrógép, minidrill, ... akár csiszolópapírral, és fadarabbal is meg lehet csinálni!
újra be kell csatolni a képeket, mert warn-t kaptam miattuk (vagyis a méretük miatt)
szóval ebből hogyan lehetne jó kis "diszkóékszert" készíteni?? még arra is gondoltam hogy amikor csak akarom akkor számítógéppel átírom a karaktereket, és a kijelzés típusát
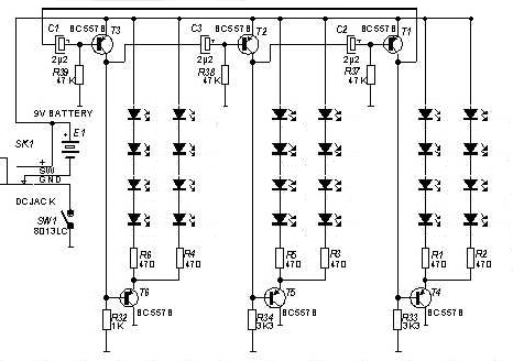
Talán ebből a rajzból is ki lehet indulni, az OLI villogtatására.
A ledek helyett a szegmenseket kell egybekötni és az ellenállásokat újraszámolni. Igaz, ez a kapcsolás csak SMD alkatrészekkel lenne mérethelyes diszkóékszer.
Ez nem LED kijelző, hanem VFD. Ráadásul multiplexelt. Nem igazán lehet egyszerűen megoldani a vezérlését.
én nem is aztírtam hogy led kijelző hanem csak simán kijelző
elkezdtem 1 9 voltos elemet a kivezetéseken próbálni, és nagy fényerővel 3 szál felizzott benne, de a szegmensek nem |
Bejelentkezés
Hirdetés |

















