Fórum témák
» Több friss téma |
- Ez a felület kizárólag, az elektronikában kezdők kérdéseinek van fenntartva és nem elfelejtve, hogy hobbielektronika a fórumunk!
- Ami tehát azt jelenti, hogy a nagymama bevásárlását nem itt beszéljük meg, ill. ez nem üzenőfal! - Kerülendő az olyan kérdés, amit egy másik meglévő (több mint 17000 van), témában kellene kitárgyalni! - És végül büntetés terhe mellett kerülendő az MSN és egyéb szleng, a magyar helyesírás mellőzése, beleértve a mondateleji nagybetűket is!
Sziasztok!!
Van egy ledes fordulatszámmérőm(most csináltam nemrég) és nem egészen azt csinálja, amit kellene(csak kocsin kívül próbáltam még ki egy pc venti jelével, mivel tartok tőle, hogy ha nem jó benne valami akkor a kocsiban valamiféle kárt tesz). Az lehet, hogy azért nem működik rendesen, mert a kapcs. rajzon csak annyi van írva az egyik ic-hez, hogy 555 és én pedig NE555-öt raktam bele és nem LM555-öt? Ez lehet a baj? Köszi
Hali!
Biztos nem az a baj! Viszont nem vagyok benne biztos, hogy a PC venti azt a jelet adja, amit a fordulatszámmérőd vár. Ha tudod, hogy hova kell bekötni a kocsiban, nyugodtan kösd be. Nem hiszem, hogy bármit ártana a kocsinak. Gondolom nem valami hiperszuperérzékeny fedélzetiszámítógépes közlekedési eszköz. Egyébként mit csinál? Üdv.
Nos, amikor rákötöm a pc venti jelét akkor a 12Led közül az első ég (mondjuk rá, hogy) folyamatosan, de nem egészen teljes fényerőn, a többi led viszont kicsit alacsonyabb fényerőn egyszerre villog.
Viszont ez úgy történt, hogy a + feszültség a GND és a jel is már egyszerre volt bekötve. Legutóbb viszont, mikor a +fesz és a GND volt csak bekötve és a jelet utólag(később) kötöttem be akkor, viszont az összes led égett folyamatosan. Hát ezt csinálja. Nem tudom mit gondolsz ez alapján. Üdv.
Sziasztok!
Apukámnak lenne egy olyan gondja(és engem is érdekelne) hogy 2 relé között folyik egy áramvezeték amiben 24 volt váltófeszültség van. A gyakorlatilag olyan megoldás kellene nekem ami egyik iránybe negedi a váltakozó áram úját a de visszafelé nem(gyakrolatilag mint a dióda, de a dióda csak félperiódust csinál..) És a lényeg hogy mindíg váltófeszültség maradjon! Előre is köszönöm a választ!! gabikft
((( Én azt gyanítom, hogy a műszered nem négyszögjelet kap, hanem valami mérhetetlen jelalakot, próbálj meg valami tiszta négyszögjelet keríteni, pl egy másik 555-tel, vagy egy arra alkalmas multiméterből, vagy egy közönséges trafóról, a megfelelő értékkel leosztva.))) A PC venti nem egy korrekt jelgenerátor
Hello. Azt hogy érted, hogy a váltakozó áram az egyik irányba folyik?
(ami egyik iránybe negedi a váltakozó áram úját...)
Helló!
Tudom hogy 2 irányba folyik a váltakozó áram(hiszen ezért(is) váltakozó). De nekem úgy kellene hogy azon a szálon ne foljon csak egyik irányba az áram, és mivel váltakozó kell mindenhova így nemtudom hogy hogy kellene megoldani(gondolkodtam az inverteren is, tehát hogy a váltakozó áram bemegy az áramkörbe, átalakítja egyenné, és azt megint visszaalakítja váltakozóvá, és akkor talán így meglehetne oldani de ez nagyon nehéz...) Erre keresek valami megoldást,(ha létezik..). Köszi szépen!
Ez nagyon zavaros, hallod-e...
Idézet: „És a lényeg hogy mindíg váltófeszültség maradjon!” A váltakozófeszültség attól váltakozó, mert 20 miliszekundumonként megváltozik az áram iránya... Szóval ha neked olyan rendszer kell, ahol csak az egyik irányba folyik az áram, akkor ki van zárva, hogy váltakozó-áramot alkalmazzatok.
Bocs amit le tudtam szűrni, te ezt keresed. Két vezetéken működtetni, két relét
Esetleg kondi nem ártana, a relével, párhuzamosan. A relé tartó feszültsége, kicsi legyen. Idézet: „A PC venti nem egy korrekt jelgenerátor” - szerintem is.
Esetleg megtudhatjuk, mi az a kapcsolás, amit megépítetél?
Azok alapján, amit leírtál még nehéz bármit is gondolni. Leellenőrizted? Mindent jól csináltál? Szóval kapcsirajz? link? Esetleg kép az elkészült szerkezetről?
Helló!
Apukám csináltegy rendszert van benne 2 relé, meg még sok vezeték, mert ez valami kazán keringető dolog... és ehhez kell a váltóáram, de van egy vezeték a 2 relé között(ez egy időkésleltett relé) így sok cstlakozási pontja van. És van a 2 relé között egy szál drót amin valószínűleg 24 volt folyik, mert 24 voltal működnek a relék. Tehát gyakorlatlag van egy szál drótom, amin egyik felé folyhat a másik irányba vissza nem folyhat az áram iránya, de ez akkor is váltófeszültség. Fongabnak is ugyanez az üzenetem!(csakohgy ne írjam teli a fórumot..)
Jó akkor mit akarsz üzemeltetni.
Azt már tudjuk hogy két relét. De mihez használod a két relét? Kazánhoz? Kevés a hőfok, induljon a keringtetés és kapcsoljon be a kazán, majd amikor elérte a hőfokot kazán áll, a keringtetés 2 percig menjen, és utána az is kapcsoljon ki. Tehát mi a két relének a szerepe. Mert így amit írsz az nem működik, vagy félre értettük a dolgot.
Hi
Nagyon homály ez az egész, rajzold le részletesen az áramkört és akkor talán tudunk segíteni Fongab: Hi! jó a rajz amit mellékeltél, nem rossz ötlet, elmentettem, lehet, hogy még hasznomra válik
csősztök nem tudna nekem valaki mutatni 1 olyan kapcsolást ami 1 stbilizátor 6 voltra stabilirál
Sziasztok!
Nos ez lenne amit elkészítettem. A kapcs.rajz zsiguli.hu-ról van, a nyákot magam terveztem hozzá Eagle-lel. Már vagy 3-szor átnéztem a nyákot, nem-e valami összeér, meg, hogy jó helyen vannak e a dolgok, de szerintem jó. Az eredetin azt mondták nekem hogy rosszeul volt a poti bekötve, szerintem én már Eagle-ben jól csináltam. Képet sajna nem tudok róla küldeni! Üdv.
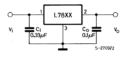
Dehogynem! Erre a célra találták ki a stabilizátorokat.
Az alábbi képen a 78XX helyére a kívánt stabilizátor típusát kell behelyettesíteni (a Te esetedben 7806, melyből a 78 jelzi, hogy pozitív fesz. stab, a 06 meg, hogy 6V-os). A bemenő feszültség legalább 8-9 V egyenáram legyen, a kimeneten 6V stabil egyenáramot kapsz.
Hali
Kérhetnék 1 nemtúl hosszú leírást a kapacitás diódáról? vagy linket előre is köszi.
A szilíciumdióda nem ereszti át az áramot, ha záró irányú egyenfeszültséget kap, de ha
nagyfrekvenciájú váltakozó áramú feszültség szuperponálódik rá, akkor csak ez a jel halad át a diódán Ez a tulajdonság ugyanaz, mint a kondenzátoré, de a kapacitás a záró irányú feszültség nagysága szerint változik. Ezt a tulajdonságot felhasználva, kapacitásdiódát használnak a tunerek, oszcillátorok hangoló áramköreiben is. Más szóval: speciális dióda, amely a sarkaira kapcsolt egyenfeszültség hatására megváltoztatja kapacitását.
Hali!
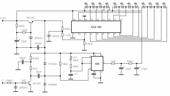
Kétfelé kéne osztani a problémát. Először azt kellene megvizsgálni, hogy az UAA180 megfelelően működik-e? A 22Kohm-os ellenállást forraszd ki. (Amelyik az UAA180 17-es lábára megy. Az IC 17-es lábára adj egy potin keresztül 5V-os feszt. Állítgasd a potit. Működik a fénycsík? Ha ez jó, megyünk tovább. Mellesleg azért lett volna jó egy kép a nyákról, mert gyakori hiba, hogy elfelejtik tükrözni a nyákot, és emiatt fordítva kerülnek bele a kettőnél több lábú alkatrészek. Ja, és nem tudom, hogy csak nálam kavar-e az Eagle, de ez a nyákterv mintha még hiányos lenne.
"Jó akkor mit akarsz üzemeltetni. Azt már tudjuk hogy két relét. De mihez használod a két relét? Kazánhoz? Kevés a hőfok, induljon a keringtetés és kapcsoljon be a kazán, majd amikor elérte a hőfokot kazán áll, a keringtetés 2 percig menjen, és utána az is kapcsoljon ki. Tehát mi a két relének a szerepe. Mert így amit írsz az nem működik, vagy félre értettük a dolgot. "
Ez így van ahogy mondod, vagy egy termisztor és akkor az méri a dolgokat, ha kevés a víz hőmérséklete akkor behúz az egyik relé é keringetia vizet, meg a kazán is indul, a másik pedig hogy nem 2 hanem 3 percig keringesse még azután a vizet miután a kazán kikapcsolt. Tehát jól látod a dolgot, van is egy rajz amit később lerajzolok, illetve lefényképezek és feltöltöm! Köszi! Helló! (addig is várom a megoldásokaT)
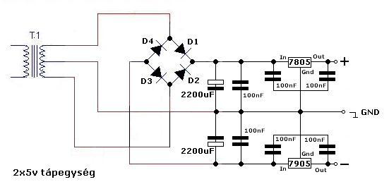
Ez a táp teljesen korrekt? (egy digit hőmérőhöz akarom használni, ICL7107-hez)
Az hogy szuperponálódik az mit jelenet?
> Ez a táp teljesen korrekt?
NEM !! Először fordítsd meg az alsó 2200µF polaritását, mert még felrobban A trafó szekundere mekkora? 2x9 V elég! Ekkor a 2200µF-ok 16 V-osak lehetnek. Ezenkívül a stab IC-k melletti 100nF-ok a testre (GND-re) menjenek (most csak sorba vannak kötve). Különben korrekt a rajz.zuisti
Sziasztok!!
Nos kiforrasztottam a 22Kohm-os ellenállást és potin keresztül adtam a 17-es lábra 5V váltófeszt. Szerintem az UAA 180-as rész jó, mert a fénycsík ahogy tekertem a potit növekedett, de az utolsó 3-4 Led elég halvány volt, az utolsó 2-3 at alig, szinte nem is lehetett látni, viszont az első 8-9 nagyon szépen max. fényerőn égett. Nem tudom mire lehet ebből következtetni? ( Előtte , mielőtt kiforrasztottam ...stb. kipróbáltam a kocsiban, de semmit nem csinált, bár szerintem itt lehetett valami féle érintkezési hiba is, de őszintén nem gondolom. Üdv.
> Kérhetnék 1 nemtúl hosszú leírást a kapacitás diódáról?
> Az hogy szuperponálódik az mit jelenet? Kevesebb tudományossággal: A kap. dióda úgy viselkedik, mint egy 3-800 pF (típustól és a ráadott zárófeszültség nagyságától függő) értékű kapacitás. Úgy használjuk, mint egy forgókondenzátort... Általában egy rezgőkör (táv)hangolására használjuk. A rezgőkör kapacitásához csatlakozik (egy sorbakötött C-vel), a másik pontja a testre. A diódára egy nagyobb ellenálláson keresztül (~100k) adjuk a hangoló feszültséget, ami mindíg záróirányba feszíti elő a diódát. Ezzel a feszültséggel "tekerjük" a forgókondenzátort ![]() Vannak (pl.) 3...50 pF, és 40...500 pF közötti átfogású kap. diódákl A hangoló fesz. általában 3-30v között változhat. Remélem segítettem... zuisti
Köszi javítottam a rajzot.
|
Bejelentkezés
Hirdetés |





- szerintem is. 









