Fórum témák
» Több friss téma |
- Ez a felület kizárólag, az elektronikában kezdők kérdéseinek van fenntartva és nem elfelejtve, hogy hobbielektronika a fórumunk!
- Ami tehát azt jelenti, hogy a nagymama bevásárlását nem itt beszéljük meg, ill. ez nem üzenőfal! - Kerülendő az olyan kérdés, amit egy másik meglévő (több mint 17000 van), témában kellene kitárgyalni! - És végül büntetés terhe mellett kerülendő az MSN és egyéb szleng, a magyar helyesírás mellőzése, beleértve a mondateleji nagybetűket is!
Nagyon köszönöm a válaszodat!
![]() Igen, sztereo az IC, olyan gagyin van megoldva, hogy a 2 kis hangszóró közösítve van. ![]() Amúgy csak azért szerettem volna kipróbálni, mert az autóba sokkal kényelmesebb lenne beépíteni ezt a fél tenyérnyi erősítőt, mint a nagyot. De ha csak a táp a gond, akkor lehet teszek egy próbát akkuról, aztán ha ki is megy, 200 ft-ért vettem az IC-t. De annyit árulj még el, hogy szerinted elméletben működhet párhuzamos kötésben a 2 IC?
Most nem azért, de ezek elég egyszerű példák még, ennél csak nehezebbek lesznek. Ezeket kéne megérteni, megpróbálni megcsinálni. Meddig jutottál megoldásában különben?
Autóba is simán építhetsz féltenyérnyi erősítőt. Vagy vehetsz is, ebay-en párezerért simán találsz 2.1-est ami bőven elég autóba.
Viszont autónál a tápot rendesen szűrni kell, azt nem úszod meg sehogy sem.
Sziasztok!
Egyszerűen nem tudok rájönni hogyan keressek rá erre, kérlek bocsássátok meg nekem ha már ez kapott választ. Az a kérdésem, hogy milyen néven lehet venni olyan "fém szövet" árnyékolást mint amiket a szalagkábelebre meg mikro elektronikai kábelekbe, monitorok stb szokás tenni. Olyan kellene amelyiknek az egyik oldala öntapadós mivel telefon kijelző kábeléhez kellene
Sajnálom, de nem úgy születtem, hogy ezek nekem egyértelműek. Kerestem a neten anyagot, de mivel nem sikerült érthetőt találnom, ezért bátorkodtam itt feltenni a kérdést. Azt reméltem - ahogy korábban már (bár az is igaz, hogy nem tőled) kaptam segítséget, mely alapján az adott feladatot sikerült megértenem - ebben is segítséget és nem kioktatást kapok.
Köszönöm szépen! Az adott oldalt én is megtaláltam, de én az elinduláshoz gondoltam egy kis segítségre
Laikusként nekem sem könnyű
Üdv.
Milyen úton-módon tudnák megolvasztani egy pontban egy darab műanyagot(pvc)???hőfok kb.350*C?? Rögzíteni kellene egy műanyag kanálisba egy termobiztosítékot. Minden infót szívesen elfogadok/megköszönök. A hozzászólás módosítva: Jan 9, 2018
Próbálj már meg kicsit odafigyelni a helyesírásodra.
Amúgy pl. felforrósított szöggel? Pákával, "eldobható" pákaheggyel?
Szia.
Igen ám,de széria munkára kellene.
Mennyi egy reed relé/reed kapcsoló terhelhetősége? Hány wattot bír el, pl 3.7v esetén?
Fúrógép egy vágóél nélküli acélcsappal, aminek a méretét kísérlettel kell meghatározni. A súrlódási hő csodát művel.
Az adatlapjában (lévén ebből is van kismillió típus/méret stb.) benne van, hogy mekkora árammal terhelhető és általában az is, hogy mekkora feszültséget tud biztonságosan kapcsolni.
Ragasztás nem játszik? Ragasztóból van elég nagy választék.
Vajon egy pontheggesztő tipusra legyártott trafót nem lehetne összehozni??
Jó lehet. Sőt, akár egy páka is megfelelhet a célnak.
Megépítettem a közös katódos kapcsolást és működik. Olyan hibát produkál, hogy az egyes óra multiplexe hibásan működik. A panelen nincs hiba. Program vagy fusebit hiba lehet az oka?
A fényerő szabályzás is működik. A hozzászólás módosítva: Jan 10, 2018
Üdv.
Segítséget kérnék smd ellenállás jelölésében. Az "50M" jelölés milyen értéket takar?
Üdv!
Van egy egy számítógépes program amivel mozgó fejes lámpákat lehet vezérelni. A programba vannak tárcsák(tekerők) amivel a lámpák pan,tilt mozgását lehet irányítani. Azon gondolkoztam hogy hogyan lehetne azt megoldani potméterrel hogy ezt a két tekerőt tudjam forgatni? A programhoz van egy stick amivel összekötöm a lámpákat. Sok ötletem volt de szerintem egyik se használható.
Sziasztok!
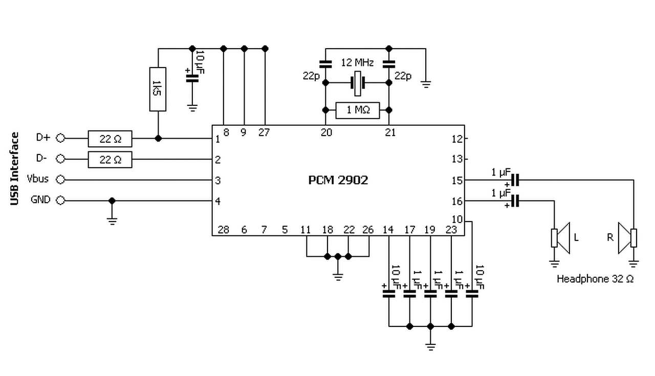
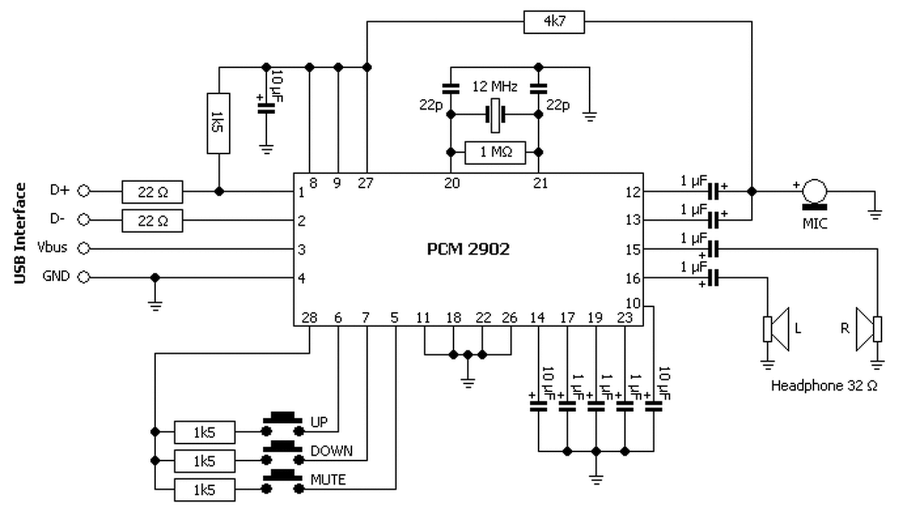
Csatoltam két képet, egy hangkártya kapcsolását. Az egyiken a teljes alapkapcsolás látható, a másikon az általam módosított verzió - mivel nincs szükségem a törölt funkciókra. Esetleg ajánlotok-e valamit annak érdekében, hogy minél zajmentesebb legyen? Az adatlapon fel van tüntve, hogy a jelölt kondenzátorok értéke csak a kapcsolásban szereplő lehet (esetleg egy pici eltérés).
Igen
Esetleg a program linkjét elküldjem?
Felesleges a link.
Nem lehet. Legalább egy mikrovezérlő kell ahhoz, hogy a megfelelő kódokat elküldje a lámpáknak.
Zajmentesebb ... USB tápról járatva ... az meg PC kapcsoló tápegységről jár?
Usb tàpàgakba soros PÍ L C szűrőt kell rakni. Akkor tàpfelől megfogtad a zajokat.
Sziasztok! Lenne egy olyan kérdésem, hogy szerintetek ez a kapcsolás működik? Ez egy TDA7494 ic. Na most a rajzon a bekarikázott részt nem értem . Ott azt írja vol 50k. Ja meg, hogy +5 volt. de a potméterre kell az 5 volt? Köszönöm a segítséget.
Ez az IC tudja egyenfeszültséggel szabályozni a hangerőt (erősítést), ehhez kell az az 50Kohm -os poti, ami egy állítható feszültségosztó.
Az 5V-os feszültségforrás meg azért kell, mert a hangerőszabályzó bemenetén (3. láb) maximum 5V-ot vár (némítás: 0V, maximum hangerő:4,5V) , és abszolút maximum 7V-ot tűr meg. A hozzászólás módosítva: Jan 11, 2018
Köszönöm a gyors választ. Így már világos.
Sziasztok! Az lenne a kérdésem, hogy nincs itthon 300nf kondenzátor. Azt tudum potolni 3 db 104-es kondenzátorral. Ugye? Csak nem tudom, hogy párhuzamosan vagy sorba kell őket kötni. Segítségeteket köszönöm.
|
Bejelentkezés
Hirdetés |














