Fórum témák
» Több friss téma |
- Ez a felület kizárólag, az elektronikában kezdők kérdéseinek van fenntartva és nem elfelejtve, hogy hobbielektronika a fórumunk!
- Ami tehát azt jelenti, hogy a nagymama bevásárlását nem itt beszéljük meg, ill. ez nem üzenőfal! - Kerülendő az olyan kérdés, amit egy másik meglévő (több mint 17000 van), témában kellene kitárgyalni! - És végül büntetés terhe mellett kerülendő az MSN és egyéb szleng, a magyar helyesírás mellőzése, beleértve a mondateleji nagybetűket is!
De én megölni akarom. Akkor feszültség alatt van, ami miatt a levegővel könnyebben reakcióba léphet nem?
Akkor miért nem mindjárt így kezdted. Egyébként a villamos távvezetékek aluötvözetek, és igen jól bírják a szabad életet, és az áramot is jól vezetik.
A levegő elég jó szigetelő anyag. A fémek nem a levegővel lépnek reakcióba, hanem a nedvességgel. Az alumínium oxid nagyon jó szigetelő, és az alu vezeték fellületén azonnal kialakul, amint érintkezik a levegő oxigénjével. Viszont nem csak jó szigetelő, hanem igen ellenálló is. Gondolj csak egy elektrolit kondenzátorra, ahol pont ez az anyag választja el a két elektródát.
Hogy Magyarországon mit használnak nem tudom, nálunk így.
Úgy kezdtem, hogy mi marad meg kint feszültség/áram alatt szigeteletlenül jó vezető úgy, hogy nem is alakul ki rajta szigetelő réteg. Most konkrétan szúnyog/molylepkegyilkos rácshoz kéne. De az alumíniumnál nem probléma az oxidáció?
Na. A 126 hozzászólás után csak kiderül mit is szeretnél. Nem mindjárt ezzel kellett volna kezdeni? Talán nem kellett volna kémia leckét tartani.
Használj vasdrótot, vagy vastagabb konstatán ellenállás huzalt, az króm tartalmú, és nem nagyon oxidálódik. A hozzászólás módosítva: Máj 25, 2018
"Saválló dróthuzal", nem összekeverendő a horganyzott, vagy bármi mással bevont acéldróttal.
Teljes keresztmetszetében rozsdamentes anyagból van húzva...
Lementem a pincébe és megnéztem a mienkét miből van. Szimpla horganyzott acélhálónak tűnik. Hajtásra visszarugózik és ponthegesztve van. A horganyzott acél sokáig bírja kültéren. Nekünk az esőcsatornánk van belőle, lassan 20 éves és csak a vágásoknál van felületi rozsda.
Mellesleg legjobb tudomásom szerint a fémek csak akkor kezdenek el a szokottnál jobban oxidálódni, ha egyenfeszültség van rajtuk és akkor is csak egyik polaritásnál (nem tudom melyiknél).
Mindenhol (itt is) ezt használják. Tehát mechanikai szilárdság: acél (+Hg), vezető AL (ötv, mert azért ennek is szilárdnak kell lennie, és időjárásállónak). A házakhoz is (horg.) acélsodronyon viszik be a szigetelt (PVC) Al vezető(ke)t.
Na de egy sokszorozó után már egyen, úgyhogy elég valószínű ez a hibalehetőség. Na meg szerencséd van. A sima horganyzott kerítésháló rozsdál, vadháló meg nem. Legalábbis amiket erdőbe láttam. Az ereszedbe több anyag van.
Milyen sokszorozó? Láttál már szétszedve ilyen gyári szúnyogcsapdát? Szimpla 50Hz-es nagyfesztrafó (mint a mikrohullámú sütő trafója csak kicsiben) aminek a szekundere közvetlenül van a rácsra kötve. A rácson 1-3kV 50Hz van.
Szinte bármiből készülhet, mert nem kell komoly mechanikai szilárdság (kivéve "cekasz", -és hasonló összetételűek-, mert az korrodál a magas vastartalma miatt). Al-nál nem gond az a kis oxidréteg.
Azért egy szúnyogot táncsak ki tud nyírni egy sokszorozós is, Ami azért olcsóbb. A mikróban pedig ott van egy kondenzátor és egy dióda, nem kell sok egy kétszerezőhöz, és már közelítene ehhez.
Ahhoz soha nem fog közeledni. Sokat kipróbáltunk, de nem véletlenül az vált be a gyakorlatban tartós üzemre. 5 kV feszültség, rozsdamentes rács. Az ISO minősítéshez ez kellett. Még a fény hullámhossza sem mindegy. Ebben nincs kondenzátor és dióda sem, nem mikrohullámmal öl.
A hozzászólás módosítva: Máj 25, 2018
Az, hogy biztonsági transzformátoros életvédelem mond valamit? Szerinted miért használnak a gyárak "drága" transzformátort "olcsó" elektronika helyett?
Úgy értettem, hogy a mikróban a mikrótrafó kimenetét kétszerezve. Ma olvastam valahol, hogy az elektroncsővel, ami a magnetron lehet, a 2kV-ból 4kV-ot állít elő, ahelyett lenne még egy dióda, és a 4kV-ra értettem, hogy közelít az 5kV-hoz.
Én azt láttam rajta, hogy életveszélyes a drága is.
Az általad is belinkelt kapcsolásban 5 kV váltakozó feszültség "öl". Mitől lenne életveszélyes? Van egy külső rács, az nincs feszültség alatt. A beljebb lévő, feszültség alatt lévő rácshoz szándékosan be kell nyúlnod a külső rácson keresztül. Ezeket magasan lévő helyre szerelik be, nem könnyű elérni!
A hozzászólás módosítva: Máj 25, 2018
Szerintem a diódáidat az első akció után eldobhatod mert a kialakuló pillanatnyi (vagy épp hosszabb idejű) rövidzárlat ki fogja őket nyírni.
És 4kVDC 0,98µF kondival nem? Vagy 2kVAC? Engem a szúnyog zavar mindenhol, a molylepke pedig csak bent, mert megeszi a ruhát, és belehal a piámba. Esetleg a muslicák. Azért a szúnyogot, és muslicát táncsak öl egy sokszorozó is.
Én nem folytatom tovább, tavaly sem győztünk meg, most sem fogunk, tégy belátásod szerint.
Az a ~fél A?
Utánad írta granpa, hogy van neki 30 éve valami Japán 6V-os és működik. Amúgy meg komolyan kérdezem, hogy mi miért nem, és mi mihez elég. Mert nem tudom, de egy muslica, meg egy gyötrő szúnyog olyan kis törékeny, hogy nem kellhet neki sok. És ott van még a rácsok közti szélesség, ívhossz. Minden feszültségnél érvényes a 21kV/cm? Itt azt írják nem.
A hozzászólás módosítva: Máj 25, 2018
Látod, ez a baj. Nem tudod, mit olvasol. Milyen kérdés az, hogy minden feszültségnél?
A 21 kV/cm azt jelenti, hogy a levegő átütési feszültsége 21 kV centiméterenként, azaz 10 cm levegőé 210 kV, 0,1 cm -é (1 mm) pedig 2,1 kV nemde? A hozzászólás módosítva: Máj 25, 2018
Idézet: Sztrogoff nevű felhasználó keveri a szezont a fazonnal. „Minden feszültségnél érvényes a 21kV/cm? Itt azt írják nem.”
Szerintem arra gondol, esetleg nem lineáris.
Nem tudom, mire gondolt, pucuka leírta a lényeget. A 21 kV/cm tudtommal lemehet akár 10 kV/cm-re is (szennyezések, páratartalom stb.) de olyan, hogy csúcs, lineáris, effektív stb. értelmetlen kifelyezések átütési szilárdság esetén.
Dehogy nem. Pont azért kérdeztem, mert abból, hogy 21kV/cm az jön, hogy 1mm 2,1kV. De, ha igaz lett volna az, hogy 1cm-en 30kV, ahogy ott írták
Idézet: , akkor abból nem feltétlenül az következett volna, hogy 2,1kV 1mm. Igen, arra gondoltam, hogy akkor nemlineáris. „A levegő átütési szilárdsága távolról sem állandó. 10 cm átütéséhez 80-90 kVcsúcs kell. Amúgy a 20 kV/cm körüli érték az effektív érték, 1 cm-nél a levegő átütési szilárdsága 30 kV fölött van valamivel, csúcsértékben mérve.” A hozzászólás módosítva: Máj 26, 2018
Sziasztok!
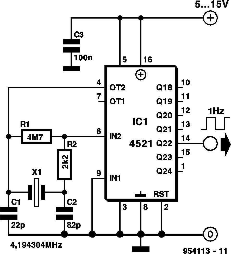
Szeretnék tippeket kérni azzal kapcsolatban, hogy egy 22 éves gépjármű eredeti fedélzeti óráját hogy lehetne megregulázni, hogy pontosan járjon. Elég sokat siet, egy hét alatt több mint 3 perc késést is összeszed. Szétszedtem a kijelző modult, amiben az óra áramköre is van. Az órának az órajelet másodperces egységekben egy CD4521 adja egy 4,194304 MHZ-es kvarccal. Szerintetek mivel próbálkozzak, hogy pontosítsak rajta? Érdemes lehet a kvarcot esetleg kicserélni, létezhet olyan, hogy 22 év után az extrém hőmérsékleti körülmények között egy kvarc "elöregszik" és pontatlan lesz? Vagy a C1/C2 kondenzátorokkal probálkozzak inkább? Esetleg érdemes lehet egy trimmer kondit betenni valamelyik helyett, azzal lehetne finomhangolni az órajelet? A hozzászólás módosítva: Máj 26, 2018
|
Bejelentkezés
Hirdetés |





