Fórum témák
» Több friss téma |
- Ez a felület kizárólag, az elektronikában kezdők kérdéseinek van fenntartva és nem elfelejtve, hogy hobbielektronika a fórumunk!
- Ami tehát azt jelenti, hogy a nagymama bevásárlását nem itt beszéljük meg, ill. ez nem üzenőfal! - Kerülendő az olyan kérdés, amit egy másik meglévő (több mint 17000 van), témában kellene kitárgyalni! - És végül büntetés terhe mellett kerülendő az MSN és egyéb szleng, a magyar helyesírás mellőzése, beleértve a mondateleji nagybetűket is!
Nem ez mintát vesz kirija vár egy kicsit megint mintát vesz kiirja....
mint a bicikli sebességmérője ugy akadozik
Tudtam én mindig, hogy furmányos népség a kínai, de hogy ennyire?
Az összes ilyen nekünk szánt digit multiméter mintavételezős, kínaiak is, a különbség, h mekkora időre van szüksége, h feldolgozza a jelet digitálissá.
Sziasztok!
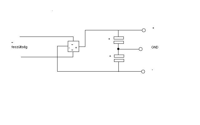
Ez így jó lenne szimmetrikus tápnak? Egy mélynyomó aluláteresztő szűrőjének kellene, és a trafó csak 1 szekunder tekercses. köszi
Nem, mivel csak szimpla a szekunder tekercsed. Valaki, valahol linkelt be egy kapcsolást ilyen esetre. Keress rá, hátha.
Szia! Köszia gyors választ!
Ezt a kapcsil csak példaképpen raktam össze, valójában egy 30W-os trafóhoz kell majd. Végül is a GND előállítására voltam kíváncsi.
Érdemesebb volna egy +-12voltos trafóval megcsinálni. A rajz lényegében ugyanez maradna csak a trafó középen meg lenne csapolva és az a földdel össze lenne kötve.
Azzal pedig számolj hogy az egyenirányítás után a feszültség gyök 2szeresére nő ezért ha a trafó 12-12voltos akkor a kimenet körülbelül 13-13volt lesz. Amit ha nem visel el a céláramkör akkor bizony kellenek 12voltos stabilizátor kockák is pozitív ÉS negatív ágra is. Szóval az áramköröd módosul majd egy kicsit nagyon
Miért van a 4017 nek két órajel bemenete?
Egyik cp0 másik~cp1 ami invertált.
Szia!
Van itthon egy trafó vasmagom az összeszorító kerettel együtt( mivel szétszedhető) . Fel lehet tekercseltetni, így "megcsapolva", hogy legyen +, -, és gnd kivezetésem?
Megkeresed a k9zepét a szekundernek lekaparod kis helyen a lakkot és ráforrasztassz megcsapolást
Fel csak sok sok sok meló. A méretezéséről nem tudok semmit. Nem éri meg a fáradságot szerintem.
Végül is jó ez a kondikkal kialakított földelés csak nem tudom hogy ha raksz bele stabilizátort akkor az hogy fog viselkedni ezzel a fajtával.
Az csak ott hibázik hogy nem lehet megtalálni a közepét halálpontosan. Ha mégis így tesz akkor lesz egy torz kimenetű trafója. Ami rosszabb mint volt.
Az egyik (cp1) bemenet negálva van ezért felfutó élre léptet egyet a számlálón. A másik (cp0) pedig lefutó élre számol. Természetesen azt használod amelyik kényelmesebb.
Mindezt úgy derítettem ki hogy beírtam a gugliba és elolvastam az adatlapját a két szép/nemszép szememmel.
Na mostmár kicsit összekavarodtam.
Akkor térjünk más vizekre. Mondjuk lesz egy egyetlen szekunder tekercsű hálózati trafóm. Hogyan csináljak neki GND pontot? (Mivel ez a legvalószínűbb, hogy megvalósul a tekercseltetés miatt)
A leg egyszerűbb, fogsz két kondit, sorbakötöd őket. Egyenirányítás után bekötöd a sorbakötött kondik 2 szélső lábát, a középsőt pedig ahol a kondik másik 2 lába találkozik, azt használod GND nek, A + iletve - pedig értelekm szerűen már megvan.
De amint látom, ezt már előttem is javasolták.
Igen, a kondi értékét nem tudom pontosan. Én általában 1000 és 5000uf között szoktam filtezni, attól fűggöen hogy hova kell.
Hello!
Uraim ébresztő!! Ennek a kapcsolásnak semmi értelme nincs. Így a két kondi között, csak váltóáramúlag lesz GND azaz hidegpont (Lévén, hogy a kondi mind két lába annak számít) De ezt a kapcsolást egyenáramúlag terhelni nem lehet! Csak ha van a trafónak közép kivezetése. Egy tekercsel, maximum kétszer egyutas kapcsolással készíthetsz +- tápot, csak annak terhelhetősége rossz, és a brumm feszültsége is magasabb. üdv! proli007
Ha arra vagy kíváncsi hogy hogy tekercseled fel a szekundert úgy hogy 3 kivezetés elegyen akkor letekered a meglévőt, megszámolod hogy hány menet volt az egyszerűség kedvéért legyen ez X.
Mivel visszatekerni nem tudsz majd ugyanannyit a pontatlanság miatt ezért vedd az Xet egy kicsivel kevesebbre így elkerülhető lesz hogy a végén előbb fogyjon el a drótorján. Aztán elkezded visszatekerni, kb x/2 menetet, ott csinálsz egy kivezetést és folytatod tovább megint x/2 menettel. moltam: ne hagyd szabadon inkább húzd le/fel. Mert ha csak üresen hagyod akkor a lebegés miatt önálló életre kelhet a számlálód.
Lehet hogy elméletileg szXr
, de már nem egy készülékben láttam így, (azért is mertem CSAK ajánlani) ahol nincs közép megcsapolása a trafónak, mindenesetre a TL082-es sub filter simán megy vele. Aztán meg hogy nem jó, erre csak azt tudom mondani:Így tanul az ember(mármint én ebből)
Na jó,még nincs veszve a haza.
És ha két szekunder tekercset tekercseltetnék? Abból lehet +, - és GND-t csinálni? (Nekem úgy kellene, hogy legyen egyenirányítottan +15V, -15V, és GND .)
Hello!
Idézet: „de már nem egy készülékben láttam így,” Lehet, csak fogalmad sincs, miért volt a készülékben így a két kondi. :yes: Mondom még egyszer, hogy a ezt a tápot, csak a pluszt, a mínuszhoz képest lehet egyenáramúlag terhelni. A GND-hez képest egyik ágat sem. A TL082-es kapcsolásodban az IC nem folyat áramot a GND felé, és csak váltóáramot erősít. (azaz a kimenete váltóáramúlag terhelt. Ezért nincs probléma vele. De ott is legalább két ellenállás kell a kondikra párhuzamosan, ami biztosítja a feszültség osztást. Különben az IC munkapontja (amit viszont innen nyer) mászkálhat. üdv! proli007
Én is gondolkoztam hogy a két kondi helyett ellenállás kéne mert kapacitiv osztó egyenen nem működik.Csak kitöröltem azt a hszt.
Hello!
Természetesen, csak akkor a feszültsége kétszerese lesz a mostaninak (azaz annyi lesz, mint a mostani +- között). HA ez neked megfelel, akkor oké. üdv! proli007
Sziasztok!
Még nem szereltem autó erősítőt, és nem tudom hogy hogyan oldjam meg a ki-bekapcsolását, mivel a fejegységen nincs Remot szál. Nyilván az erősítő az akksira lesz kötve a megfelelő felszereléssel. Ez azt jelenti direktbe kapja majd az áramot. A rádió mögött két áram szál van, az egyik direkt, a másik slusszkulcsra kap áramot(erről megy most a fejegység) valaki mondta, hogy ezt ráköthetem az erősítőn a remote helyre. Ha valaki tudna segíteni megköszönném. Előre is köszi
Hali...
Ez ugye váltó áramot jelent: Tápfeszültség: +-10 V ... +-45 V köszi.
Üdv!
Nem, ez azt jelenti, hogy van +10V, GND és -10V illetve ugyanez a helyzet a 45V-al.
Szia!
Szerintem azt jelenti, hogy a készülék szimmetrikus(+ gnd -) egyenáramú tápot igényel 10-45V-os tartományban!
A váltót ha szinuszos ~ jelölik.Ha +- akkor nem lehet váltó mert annak mindig változik a polaritása.Ez szimmetrikus táp 10-45v ig.Szerintem.
|
Bejelentkezés
Hirdetés |




mint a bicikli sebességmérője ugy akadozik







