Fórum témák
» Több friss téma |
- Ez a felület kizárólag, az elektronikában kezdők kérdéseinek van fenntartva és nem elfelejtve, hogy hobbielektronika a fórumunk!
- Ami tehát azt jelenti, hogy a nagymama bevásárlását nem itt beszéljük meg, ill. ez nem üzenőfal! - Kerülendő az olyan kérdés, amit egy másik meglévő (több mint 17000 van), témában kellene kitárgyalni! - És végül büntetés terhe mellett kerülendő az MSN és egyéb szleng, a magyar helyesírás mellőzése, beleértve a mondateleji nagybetűket is!
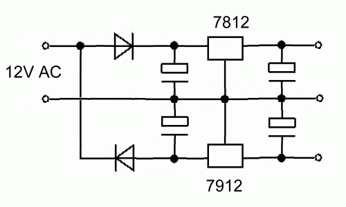
Hellotok! Azt szeretném kérdezni, hogy nem középkivezetéses transzformátor(jelen esetben adapter) AC feszültségéből hogy tudok +- szimmetrikus tápegységet csinálni. Az adapter 14V AC ad le. ebből kellene +-15 és +12V. Ezt egy gyári keverőből szereztem. És a másik pedig kellene nekem.
Köszönöm
Nem leszel boldog.
ebből a trafóból csak a 12 v ot tudod realizálni, azt is csak kis terheléssel, vagy más stabililizációs technikával. Igaziból neked egy 2X18v os trafó kellene, a megfelelő teljesítményen, a rajz erre 1: 1-ben passzol. A második kapcsolásodat fel sem fogtam, tényleg! Pedig csak 1952 óta foglalkozom elektronikával!
A második kapcs.(tap.jpg) egy gyári keverő rajzából emeltem. Én sem értem, hogy működik (ezért kérdeztem)de 1x14V AC adapterből +-12V-ot állít elő. Persze ahova elhelyeztem a voltmérőket, ott meg vannak toldva az eredeti kapcsolásban 7812 ill. 7912- vel. és így lesz +-12v nem középkivezetéses trafoból(adapter). Eddig úgy tudtam, hogy szimmetrikus trafoval lehet szimmetrikus tapegyseget csinálni. Mindezt azért akarom, hogy külső tápegységem legyen, a dobozba ne okozzon zavarokat, brummot adaptert használva. NEkem ezt kellene összekombinálni a tap2-es razba.
Köszi
Szia!
Valami hasonlót tudsz csinálni! Nem a legjobb, de kis áramokra jó lesz!
mi a véleméynetek erről Mérőműszer MX25201 3.5 digit AC:750V DC:1000V 20ADC 20AAC... és erről a műszerrőlMérőműszer MY 64 3.5 digit AC:700V 20A DC:1000V 20A -20-... az elektrokonthán van róluk részletes leírás.
Üdvözlök mindenkit!
Mikroelektronikát tanulok főiskolán, már csak ez az 1 tantárgy kellene a diplomámhoz. Több évet halasztanom kellett és mostanra már csak páran maradtunk és óra sincs a tárgyból, de még kötelező lerakni. A tanárunk nem tart konzultációt, de elvárja, hogy maguntól elsajátítsunk mindent. Az elmélettel nincs is gond, de a gyakorlati feladatokkal igen. Sajnos nincs olyan jegyzetem hozzá, ami a vizsgán lévő feladatokhoz megoldásként szolgálna, én meg nem vágom úgy a témát, hogy magamtól meg tudjam oldani, ezért írok most ide és alázatosan kérem a segítségeteket. Elküldenék egy-két feladatot csatolt fájlként, ha csak 1-et is megoldana valaki, nagyon megköszönném és hozzájárulna egy sikeres diplomához. A feladatok az alábbi témákat feszegetik: PAL16R4 Jedec fájl, tesztvektorok, 2716 EPROM tartalmának megadása, PLS100, PAL16L8 biztosítékainak kiégetése,... Előre is köszönöm a segítséget!
Aha, köszi. És ha 15V kell, akkor ahhoz 15V Ac-s adapter kell. Amihez kell 700mA-t vesz fel. Így a pufferkondikat mekkorára méretezzem? Kellenek 100n-ak is? Ezt a tápegységet akararom nem középkiágazásos trafoval, hanem adapterrel megoldani. Én az eredeti kapcs. rajzot küldöm. Köszönöm eddig is.
IC18=7812 on Heatsink IC19=7815 on Heatsink IC20=7915 on Heatsink T1=230V//2X15Vac >30VA F1=500mA SLOW BLOW FUSE S6=2X2 ON-OFF SWITCH J18=3pin conn. 3.96mm pin step R160=2.7 Kohms C122-123=4700µF 40V C117-118-124-125-127-128-130-131=100nF C126-129-132=19µF 25V ez a leirat szerint ennyi , de ezt el nem tudom képzeli 19u?? sztem 1900. szerintetek? LINK All the Resistors is 1/4W 1% metal film All the [nF] capacitors is 63-100v 5% MKT
Sziasztok!
Olyan kérdésem lenne, hogy hogyan lehetne könnyen számítógépre rögzíteni autómatikusan a vezetékes telefonon folytatott beszélgetéseket? Ilyen kapcsolási rajz létezik? Egyátalán nelhetséges? Bár minden lehetséges csak akarni kell Idézet: „C126-129-132=19ľF 25V ez a leirat szerint ennyi , de ezt el nem tudom képzeli 19u?? sztem 1900. szerintetek?” Teljesen mindegy, mert boltban egyiket sem kapsz. A hozzá legközelebbi érték 22 uF, ezt kell beleraknod.
Szia!
15V-ra legalább 14-15V AC feszültség kell! A a +-15V-os ágakon 0.7A fesz fel, legalább 30VA-es trafóra lesz szükséged! Az alkatrészek jók lesznek a rajzon, kellenek a 100nF-ek is, én csak az egyszerűség miatt nem rajzoltam be őket! C126-129-132=10µF 25V 22µF is jó!
Egy telefont szétszedni a mikrofonról hangszórórol levenni Hangszóróról a hangkárnyába vezetni a két szálat a line in bemenetre a mikrofonról a mic bemenetre és a hangszóróról a két vezetéket lekötni és egy opotkapu led jére ráforrasztani az opotkapu tranzisztorának collectorát bemenetre állitott ltp port egyik bit jére a emittert a földre és ha minden igaz amikor a telefon csörög akkor lehuzza a földre azt a bitet és a gépre irt progi elkezdi felvenni a beszélgetést.Ha pedig amikor felveszed akkor kell rögziteni nem akarod hogy benne legyen a semmi
akkor egy mikrokapcsit rakj a kagyló alá ha felvezed a bitet nem huzza f9ldre és már veszi is fel a progi.(csak progi kéne Csak tipp nembiztos hogy igy lehet.
Hm.... ez nem rossz elképzelés...
Esetleg azt meg leht oldani, hogy ugye az internet is ugyanazon a vezetéken jön... csak a modem modulálja - demoduálja ![]() Esetleg nem leht valahogy megcsinálni, hogy innen a modemtől szedem le a jelet? (a telefon meg 2 helységgel arrébb van)
Persze, teszel oda még 1 telefont, így a kettő egyszerre fog csörögni, felveszed odaát, aztán amit a két fél beszélget, azt te hallani fogod a 2. telefon hangszórójában. Oda teszel egy mikrofont, azt a pc-re kötöd. Meg kell lennie Egy led-nek a modemen, ami azt jelzi, ha fel van véve a telefon. Ezt rákötöd optoval a gépen az LPT-re, aztán innen meg már csak program kérdése (mármint az, hogy amikor jelet kap lpt-n, akkor elkezdje a felvételt.) )Persze ehhez a 2. telefont is fel kell venni, amit úgy tudsz megoldani, hogy szintén modem led +opoto+relé ezzel a telefon kapcsolóját kapcsolod, azt amivel azt érzékeli, hogy fel van-e véve.
Ez akkor is működik, ha te hívsz valakit. Nemtudom érted-e, mert mostanság elég ködösen fogalmazok, ha nem akkor írj.
Szia!
Nagyjából értem, szerintem majd ezt fogom megvalósítani
Hello mindenkinek!
Hogy kell ezt a keverőkapcsolást módosítani, hogy 10kohm-os lineáris potikat tudjak használni? üdv
Szia!
Nem túl lényeges, mivel egyenáramúlag le van választva a tranzisztorról! Maradhat minden úgy! Mit szeretnél vele keverni? Szerintem egy egyszerű műveleti erősítőssel jobban jársz!
Mert minden adott hozzá, és ez egyszerűbb.
1 dinamikus mikrofon, és egy vonal szintű jelet szeretnék összekeverni. köszönöm: Müszi
Üdv!
Szeretnék egy kis segítséget kérni: építettem egy autóba való világítás hosszabbító masinériát! Szépen működik a dolog... műhelyasztalon (LED-el), de ha beakarom építeni a kocsiba, akkor kiveri a biztosítékot Valaki tudna segíteni, hogy hogyan kéne bekötnöm?
hali
nem tudja valaki, hogy a három fázisú hálózatoknál használt jelölések a kábelekre: R,S,T melyik szavaknak a rövidítése?
Üdv!
Bővebben: Link
Üdv!
Valaki ért az alábbiakhoz? PAL16R4, Jedec fájl, 2716 EPROM, PLS100, PLS153, PAL16L8, Memory Mapper vagy esetleg EEPROM jellegű szendvics GATE-es FET tranzisztor?
Hello!
Nem szavak jelölése, hanem csak három egymást követő betű mint ahogy motoroknál az U V W. üdv! proli007
Hello!
Nem vagyok egy GK varázsló, de én így kötném be. üdv! proli007
a kicsiban is leddet használsz vagy izzot?
mert ha izzot használsz akkor annak joval nagyobb a fogyasztása mint a lednek!! és ezért meg kellene növelned a biztositék kapacitását
Üdv!
Köszi proli007, majd ha hazaértem a suliból, majd kipróbálom! karesz.j.r. : milyen biztosíték ami eddig volt a kocsiba belsőtér világítás bizti az 10A-es, ha beépítem ezt a kis ketyerét akkor nem hinném, hogy meg kellene növelnem?!
köszönöm a segítséget de ezek a betűk angol szász szavaknak a rövidítései, amik valahol megtalálhatóak egy 1930 körűl kiadott elektrotechnikai szakkönyven. Csak én nem találtam meg ezt a könyvet és neten sincs róla semmi.
Hello!
Én ish kezdő kérdésekkel állnék elő. van egy se v630-i telóm.Ahoz kaptam egy gagyibb headsetet. az elosztónál elszakadt . ezzel kapcsolatban lenne kérdésem h miképpen tudnám összerakni.előre is köszönöm a válaszokat.ha vmit nem értetek válaszolok
A tranzisztor egy áram erősítő. Három lába van: a középső a bázis a két szélső pedig a Collektor és az Emitter. A Collektor és az Emitter között akkor fojik áram, ha a B-ba vezetsz áramot :google:
Te aztán derék vagy! Egy 3 éves HSZ-re reagáltál... No de sebaj, a szándék a fontos!
Sziasztok
Nemigazán értek a számítógépekhez, de sajnos nincs pénzem hogy kifizessem a javítást. Ezért megkérdezem nem e tudtok valami tanácsot adni: Elsőnek elsötétült majd újraindult a gépem, aztán már dolgozni nem lehetett emiatt. Most pedig már csak annyira kapcsol be hogy 1s-ként 3s-es sípoló hangot ad ki, a monitoron pedig csak a sötétség van... Mi baja lehet? Mit kell kicserélni vagy venni hozzá? Mit tehetnék én? Előre is köszönöm a válaszokat! |
Bejelentkezés
Hirdetés |












ami eddig volt a kocsiba belsőtér világítás bizti az 10A-es, ha beépítem ezt a kis ketyerét akkor nem hinném, hogy meg kellene növelnem?! 




