Fórum témák
» Több friss téma |
- Ez a felület kizárólag, az elektronikában kezdők kérdéseinek van fenntartva és nem elfelejtve, hogy hobbielektronika a fórumunk!
- Ami tehát azt jelenti, hogy a nagymama bevásárlását nem itt beszéljük meg, ill. ez nem üzenőfal! - Kerülendő az olyan kérdés, amit egy másik meglévő (több mint 17000 van), témában kellene kitárgyalni! - És végül büntetés terhe mellett kerülendő az MSN és egyéb szleng, a magyar helyesírás mellőzése, beleértve a mondateleji nagybetűket is!
Szia!
A fehér vonal felirat felőli oldalán van az egyes láb.
Hát ha már megvan a villanybojelered, akkor valakitől kérj egy multimétert és mérd meg az áramfelvételét majd ebből számítsd ki a teljesítményét. P=U*I. Hanem, típusa alapján vagy másképp próbáltad keresni a google-ban?
Jó estét! Ha egy 1 W - os ellenállást 3 W - os ellenállással helyettesítek abból lehet probléma?
Üdv!
Az éjszakai áram csak annyi, hogy alapból nappalin megy és ha kap egy impulzust akkor átvált éjszakaira. Mindíg lesz melegvized, csak van amikor olcsóbban fűtt.
Szia!
Hát, ez nem biztos, hogy így van, mert ha a kedvezményes tarifájú áramról megy a bojler, akkor csak abban az esetben kap áramot, amikor a szolgáltató azt engedi. Azért van felszerelve a hangfrekvenciás kapcsoló. Nagyobb teljesítményű fűtőszál beszerelésével gyorsítani lehet a felfűtési időtartamot, csak a kismegszakítójának kell bírni.
Sziasztok
Szeretnék egy (illetve több) fényerőszabályzót építeni és a kérdés a következő: ugye egy triacos fényerőszabályzónak nem kell nagy hűtőfelület? Én az alábbi fényerőszabályzót akaro használni olyan 200-300 wattig kb. Bővebben: Link
6 évig szereltem fűttést amit éjszakairól megy. A hangfrekvencia az éjszakai illetve nappali áramot kapcsol egy relével.
A bojler is így működik. ui: tudom 6 év viccesnek hangzik a 23 éves koromra, de apám cégénél 16 évesen már a villanyórában "nyúlkáltam".
Helló.
Lenne egy olyan kérdésem, hogy ha a pwm vezérléssel szeretném vezérelni a motort akkor az úgy jó ha a +B és a -B-t szaggatja meg? Én úgy gondolom, hogy így jó lesz, van is egy as2214 és egy as2333-as ic-m ezekkel megoldható a pwm vezérlés vagy ahhoz már mikrokontroller kell? Egyébként megcsináltam nagyjából a nyáktervet az adatlap alapján mindössze a pnp tranyókkal párhuzamosan kötött kondikat hagytam le. Mivel ez életem első nyákterve lehet felteszem, hogy elmondhassa mindenki milyen hiba van benne. A lehető legjobban csinálnám meg ha már van segítség.
Több, főleg erősítő kapcsolásánál olvastam, hogy pl. a FET-eket össze kell válogatni. Valaki le tudná írni, mit is jelent ez?
Szia!
Gyakorlatilag áramerősítési tényezőre kell a tranzisztorokat összeválogatni, lehetőleg több munkaponti beállításban. A feteknél ezt meredekségnek hívják. Itt Bővebben: Link bővebben írnak a tranzisztor párbaválogatásáról. Erősítőknél a komplementer párokat érdemes egymáshoz összeválogatni.
Sziasztok!
Olyan kérdésem lenne hogy hogyan csináljam azt meg hogy a hifimre kívülről is tudjak neki vinni jelet. A hifimen nincsen mikrofon és egyéb bemenet. Arra gondoltam hogy amelyik paneljén van a hangerő szabályozó (digitális) arra ráforrasztanék egy jack aljzatot oda ahova a deckről meg a cdről illetve a rádióról megy a jel. Szerintetek ez így működne? Nem tudom hogy ott milyen feszültség szint van de fontos lenne a hangerő szabályozás. Ha valakinek van ötlete kérem ossza meg velem. Üdv
Szia!
Én meg villanyszerelő vagyok több, mint 20 éve. Szerinted a bojler kapcsain mindig van feszültség, akár ad kedvezményes áramot a szolgáltató, akár nem? DÉMÁSZ területen a bojler akkor kap áramot hivatalosan, ha a központ engedi. Milyen szolgáltató területén van ez a "váltókapcsolás"?
EON, régi Dádász.
Akkor miért van, hogy nappal is van meleg víz, este meg az éjszakairól megy?
Köszi!
Most már világos. Csak azt nem tudom, ha nekem kell pl 10 db válogatott FET, menjek be a boltba és kezdjem el méregetni vagy vegyek 100 db-ot és abból csak lesz 10 db jó Mások, hogyan oldják ezt meg?
Szia!
200-300 W-nál még nem kell hűtés. Ha már sütős a TO-220 tok füle, akkor már kell. Persze áramtalanított áramkörnél nézd a hőmérsékletet!
Direkt erősítőkbe árulnak párba válogatott tranzisztorokat . Jobb helyeken (netes boltok is) kapsz ilyet.
A bojler egy hőtárolós forróvíztároló. A felmelegített vizet hosszú ideig képes jelentős hőveszteség nélkül tárolni. Úgy, mint az elektromos hőtárolós kályha. Abból egy ventilátor fújja ki a meleget. Felmelegszik-tárol-visszahűl-újra felmelegszik. Természetesen szabályzással működnek, a kívánt hőfokot így állítják be.
Tudom, de a kis lámpa világít ha melegít. És olyan még nem volt, hogy nap közben nem kapcsolt volna be...
De mindegy neked van igazad.
Olyan már nincs, hogy "éjszakai áram". Mikor a szolgáltatónak van fölös kapacitása, akármikor adhat áramot, persze kedvezményes tarifával.
Szerintem fejezzük be ezt a vitát.
ui.: nem mind1 hogy hívjuk? Én csak azért hívtam "éjszakai áramnak" mert egy kedves fórumozó így nevezte és így válaszoltam, hogy értse. Idézet: „A hangfrekvencia az éjszakai illetve nappali áramot kapcsol egy relével.” Csak ezzel volt a baj. Csak az "éjszakait" kapcsolja.
Sziasztok
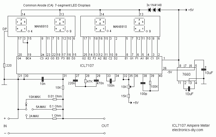
Egy árammérőt szeretnék megvalósítani pic-el. A hardwer része érdekelne a legjobban. A progi úgy van megírva hogy Az ADC1 bemenet 0,5v bemenő jelnél mér 5 a-t. Első elgondolásom az volt, hogy egy 1ohmos 5W-os ellenállást rakok a pozitív ágba, a kimenő részt bevezetem a pichez a bemenő részt meg összekötöm a pic testével. Valahogy így gondoltam: Segítségeteket előre is köszönöm.
Ez a rajz már érthetőbb(mint a PIC-esben), és még elvileg működhetne is, csak nagy teljesítményű(ill. méretű) ellenállások kellenének, és az is nagyon fontos, hogy az áramköröd semmiféle kapcsolatba ne legyen a mérendő áramkörrel, valamint a polaritás váltás sincs megoldva. ami veszélyezteti a PIC bemenetet(az ICL +--ba mér!).
Ha az 1ohm ellenállást a 2A max méréshatárral nézem, akkor az ellenállás teljesítményére 4W(illetve nagyobb, mert ennyi folyna, a 2A esetében) ez is elég nagy darab. Ha minden feltétel adott, akkor jó is lehet.
Itt egy alap kapcsolás. Ez csak pozitív áramot tud mérni, de a test lehet közös a mérendő áramkörrel, valamint az ellenálllás lehet huzalból és nagy áramokat is lehet mérni nagy felbontással(0-5V tartományra erősítve a keletkező mV-okat.) A tápágban nincs 100n-s kondi rajzolva, azok alapértelmezettek minden esetben!
A 24V táp és a terhelés csak szemléltetés, bármilyen hasonló áramköri elrendezés működik. A PIC AD bemenete előtt a szokásos RCR tag is alapértelmezett. (1k-> 100...1µF v -> 1k ->)
Ugyan ezen az elven volt a másik rajz csak ott volt egy poti a 10K ellenállásnál. Mikor bekapcsoltam a tápom biztije el is szált.
Amit te rajzoltál az nem ugyanaz! Említettem volt, hogy ott nem szabad közös pontnak lenni, a testnek sem!
hali. egy sima piezzo, mint pl ami a PC-be van, ki-e tud adni 45KHz frekvenciájú hangot?
|
Bejelentkezés
Hirdetés |




vagy vegyek 100 db-ot és abból csak lesz 10 db jó


