Fórum témák

» Több friss téma
Fórum » Elektronikus kapcsoló
 
Témaindító: hemlock, idő: Nov 22, 2008
Témakörök:
Lapozás: OK   2 / 2
(#) somz96 hozzászólása Nov 28, 2008 /
 
Sziasztok! Szeretném a segítségeteket kérni egy subládába való kapcsolásban. A kapcsolásnak úgy kellene működni, hogy mikor a házimozi erősítőről megkapná a vonal bemeneti jelet akkor kapcsoljon be a szub erősítő, és mikor kikapcsolom a házimozi erősítőt, akkor a jel elvesztése miatt kapcsoljon ki a sub. remélem jól fogalmaztam. Előre is köszi a segítséget.
(#) vicsys válasza somz96 hozzászólására (») Nov 28, 2008 /
 
(#) somz96 válasza vicsys hozzászólására (») Nov 28, 2008 /
 
Köszi
(#) CsekmeCsaba hozzászólása Dec 19, 2008 /
 
Sziasztok
Van egy központi zár egységem és az mikor ad egy impulzust (relével nyomó gombos kapcsolóként is működik) és ezt kihasználva keresek egy olyan kapcsolást ami egy kapcsoló vagyis ha jön a jel akkor be kapcsoljon és ha megint jön egy le akkor ki kapcsoljon.
Előre is köszönöm a segítséget.
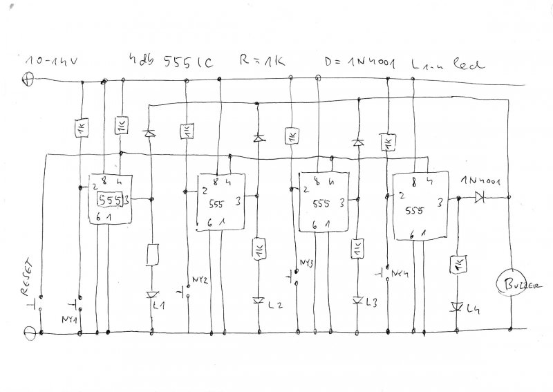
(#) berjoska válasza hemlock hozzászólására (») Dec 20, 2008 /
 
itt megoldásod, jó építést

rajz.jpg
    
(#) proba válasza CsekmeCsaba hozzászólására (») Dec 20, 2008 /
 
Egy szinte akármilyen számláló ic ezt csinálja ,ha van neki Q1/QA kimenete.(pl 74C90...93 cd4040 cd4060 esetleg egy JK tár ,csak a bemenetek védelmét kell megoldani.
Esetleg a honnét induljon lehet probléma.
(#) moltam válasza CsekmeCsaba hozzászólására (») Dec 20, 2008 /
 
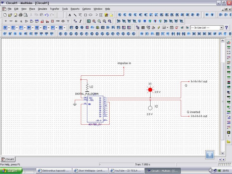
Ha kéznél van 4017 akkor ez bár lábpocséklás.
Remélem jó
Ha relét akarsz kapcsolgatni akkor a kimenetre egy tranyó bázisát áramkorláttal és az emittert kösd - ra a kollettort a relé tekercse egyik csatijára a másik csatiját kösd a + ra.
(#) hbe hozzászólása Feb 12, 2010 /
 
Sziasztok!


Van egy olyan problémám amin már sokat agyaltam de nem találtam megoldást.
Szeretném megkérdezni tőletek hátha beugrik valakinek a megoldás.

Hogyan oldható meg az (ic-vel, tranzisztorral...) hogy van egy bemenet meg egy kimenet, ha a bemenetre kapcsolok feszültséget (+5v) akkor a kimeneten megszűnik a feszültség, viszont ha a bemeneten kikapcsolom a feszt. akkor a kimeneten megjelenik a feszültség.

Lényegében ami a bemeneten van (+5v) az kimeneten fordítva van tehát nincs feszültség.
Ha viszont a bemeneten nincs feszültség akkor a kimeneten van (+5v).

Várom az ötleteket!

Üdvözlettel!
hbe
(#) bgsf válasza hbe hozzászólására (») Feb 12, 2010 /
 
szia! itt egy egyszerű kapcsolás, de ha pont 5V kell a kimeneten akkor egy tranyós kapcsolás is kell hozzá. De ha csak H vagy L szint kell akkor ez is megfelel!
(#) hbe válasza bgsf hozzászólására (») Feb 13, 2010 /
 
Köszi! Majd be kell szereznem az ic-t, és kipróbálom.

Üdv!
hbe
Következő: »»   2 / 2
Bejelentkezés

Belépés

Hirdetés
XDT.hu
Az oldalon sütiket használunk a helyes működéshez. Bővebb információt az adatvédelmi szabályzatban olvashatsz. Megértettem