Fórum témák
» Több friss téma |
Rátettem, de csak recsegő hang jön ki bellőle. Én vétettem egy nagy hibát. Most orvosolom és meglátom mi lesz.
Üvölt a kicsike! Megvan a hiba. 5V-rol is úgy működik mint 3.7-ről. Minden működik ahogyan kell. A bázis és a + táp közé nem tudom de valahogy 1K került.
A hozzászólás módosítva: Máj 7, 2013
A végkifejlett példány egy bc107-el készült el, ami 473 bétával büszkélkedik, táp 3.7 V aksi. Universalis panelre került, mert smd ellenállások is vannak az alján, olyan pontosan rajzolni meg nem tudok. Mutatok képet is róla.
Szia! 3,7V tápnál cseréld az R3 56k-t 47k-ra!
A bázisnak? Kondinak gondolom nem kell cserélni. Annak az 56k-nak gondolom a szerepe, hogy feltöltse a kondit. Már ki is cseréltem, könnyebb volt cserélni, mert pont smd volt.
A hozzászólás módosítva: Máj 7, 2013
Igen, a bázis és a táp közötti ellenállásról van szó. Az R3 mutatja.
Szerintetek a balance potit ha igazából nem szeretném használni (tehát 0 állása legyen) milyen ellenállással helyettesítsem?
Szia! Adott kapcsolás dönti el. A balansz szabályzásra több megoldás is létezik.
Erre igazán nem gondoltam
Elvileg 22k+22k osztóval imitálhatod a középre állított potenciométert. Jobb lenne azért egy trimmert beáldozni és tapasztalati úton vagy méréssel beállítani a csatornák egyensúlyát.
Lehet elég amatőr a kérdés, de adott egy Sony STR DE598as házimozi. Ennek a 6,3jack kimenetéről vettem le úgy jelet másik erősítőnek, hogy közbe a gyári végfokok is megkapják. A kérdésem az lenne, hogy több erősítőt kellene rákötnöm, és elbírná e a házimozi előfoka.
Üdv! Őszintén bevallva nem tudtam hova írni ezt a kérdésemet, de kb ide passzol a legjobban. Van egy ilyen keverőm.Tudom nem sokat ér ilyenre futotta. Van a dj-nek a mikrofonja/mikrofon bemenete. Szeretnék házilag készíteni egy olyas valamit mint a zenekari keverő, de úgy hogy készítenék emellé a keverő mellé valami olyat, hogy fogadjon legalább 3-4 mikrofont, mindegyiknek passzivan lehessen állítani magas, közép, mély, volume, és akkor a master volum a keverőmön lévő tolo-poti lenne. Ugyanebbe a kis dobozkába szeretnék még tenni kimenetet, ami balanced. Szinte egy teljes zenekari keverő jönne ki csak kicsit olcsóbban, mert evel a keverővel az a baj hogy csak egy mikrofon megy bele, na meg nem erre a célra lett kitalálva. Szerintetek ez megvalósítható?
Szia! Itt a témája.
Legjobban egy használt gyári keverő felújításával járnál. A saját építésű drágább lesz, és a zajtalan, gerjedésmentes működésért rengeteget kell dolgozni, kísérletezni.
Hát akkor marad, hogy most a közeljövőben veszek egy aktív crossovert, utána akkor egy valamilyen olcsóbb behringert venni. Láttam elég türhető áron. Na de ez itt off, köszönöm! Kíváncsi voltam megvalósítható-e, de mint leírtad nehéz és meg a fránya gerjedésre is figyelni.
A mechanikai kivitelezés bonyolultságát nem is említve. Szánj rá 10 percet, a csatlakozók, potik, IC-k és a trafó árát szorozd ki! Látni fogod, csak az építés öröméért érdemes belevágni.
Üdv , tudom nem a legszebb rajz , de ilyen előfokot szeretnék összerakni , persze ha megoldható. Remélem érhető a rajz. Valakinek valami ötlete ?
A hozzászólás módosítva: Máj 15, 2013
Van egy ötletem, tedd fel ide a rajzot, hagy lássuk!
Kérlek fűzz hozzá magyarázatot! Mit jelentenek az előjelek?
Bemegy a jel stereoba /pl pc-ből / , a ki jelzésnél ahol 3 szál van az megy az erősítőbe , ahol 2 szál van az megy aktív sub hangváltóba, ha megoldható , persze potival , meg ha megoldható valami kisebb hangszínnel.
Ezek szerint egy 2.1-es hangrendszert szeretnél. A PC hangkártya kimenetre LM1036 IC-t kötve (témáját, rajzát a Fórumon megtalálod) a hangerő, hangszín és a balansz szabályzás egycsapásra megoldódik. Az aktív szub szűrőjére közvetlen viheted az LM1036 kimenetét. A szub szűrők szinte kivétel nélkül a sztereó csatornák összegzésével kezdődnek. Bővebben: Link
Akkor ezzel a LM1036 -al megoldható? Mert ha igen az jó lenne , de ahoz tervezni kéne nyákot , amit sajnos nem tudok :S
Mert akkor ha jól értem , lesz bemenő 1 stereo jel , és lesz 2 kimenő stereo jel , amiből az 1ik stereo jel mehet az aktív sub váltóba. Jól értem ?
Az LM1036-hoz itt keress nyomtatott áramkört!
Lesz tehát egy sztereó be és kimeneted. A sztereó kimenetre kösd rá a szubszűrőt. Ha rajzilag nehéz eligazodnod, akkor készítek neked egy huzalozási ábrát a panelfotók alapján.
Erre gondoltam , érdemes lenne megépíteni ?
Én megépítettem, tökéletesen teszi a dolgát.
Nem véletlenül született 65 oldalnyi hozzászólás az IC-vel kapcsolatban
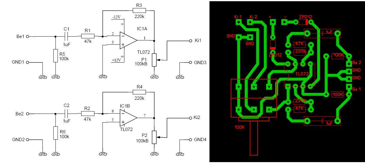
Sziasztok! Megtenné valaki, hogy rá néz erre a tervre,hogy van-e benne hiba? Köszönöm.
Szia! A Zener diódákhoz fűzz valami magyarázatot, mi a céljuk? Így nem az igazi.
Szia. Arra gondoltam, hogy a zener záró irányba ugye 12 voltot enged átfolyni. Vagy felesleges? Ha stabil +/- 12 voltot adok neki ,akkor nem kell a zener. Úgy jó lenne?
|
Bejelentkezés
Hirdetés |






Elvileg 22k+22k osztóval imitálhatod a középre állított potenciométert. Jobb lenne azért egy trimmert beáldozni és tapasztalati úton vagy méréssel beállítani a csatornák egyensúlyát. 






