Fórum témák
» Több friss téma |
Amennyiben a tápfeszültség nem több +/-18V-nál nem szükségesek a Zener diódák. A tápokra viszont tehetnél 100µF + 100nF-ot.
Szia. Közben megtaláltam a kapcsolási rajzhoz való nyáktervet. Már meg is építettem és tökéletesen működik. Köszi a segítségedet.
Tudna valaki ajánlani egy előerősítő IC-t, amely hasonló TL082-höz, de annál jobban erősít? Aktív szűrőhöz kellene erősítő elé. Jelenleg egy végzi a vágást, és további 3db TL082 erősít, +- 13V-ról, de még így sem vezérli ki megfelelően a végfokot, ami TDA 7294-el épült, tehát egy mobil ki tudná vezérelni.
Megoldás lenne, ha mindent hagynék ahogy van és nagyobb feszültséget adnék nekik? Max. mennyi mehetne rá? A hozzászólás módosítva: Júl 23, 2013
Egy műveleti erősítő erősítését két ellenállás egymáshoz való viszonyával lehet beállítani. Magyarán, cserélni kellene benne két ellenállást, hogy nagyobb legyen a feszültségerősítése. Ha van rajzod róla, tedd fel, és meg is mondják melyiket, milyenre kell cserélned.
Köszönöm! Mellékeltem a kapcsolást. A felső rajz az előerősítő rész, amiből a panelon 3db van egymás után kötve, majd következik az alsó rész, amely elvégzi a szűrést (nagyon szépen és meredeken vág, csak épp kicsit gyenge a jel).
Miket kellene betennem, cserélnem, változtatnom? Módosítás: Utánanéztem, bár rendes leírást nem találtam még, így kérem erősítsetek meg, de a kimenet és az invertált bemenet közé kellene tenni egy ellenállást. Így van egy képlet, hogy Auv = Uki / Ube = - R csat / R bemeneti. A hozzászólás módosítva: Júl 23, 2013
Láttam mit javasoltál neki, de nekem szerencsére nem az erősítő panelon vannak a gondok. A szűrőt ha lekötöm és csak natúrba rákötöm a telefont, akkor elég brutálisan szól.
A rajz felső részén lévő kapcsolás nem erősít hanem jelentősen leosztja a beérkező jelet.
Le tudod másolni innen az IC1 invertáló erősítőt?
Megpróbáltam leszedni ami nem kell. Ez így használható?
Az általad nyíllal jelölt kimenet mehet a Be2 pontra.
Az R3 jelű potenciométer erősítést állít, alkalmas a hangerő szabályzására is. A poti érték és a bemeneti soros ellenállás hányadosa adja az erősítés mértékét. Az áramköröd egyszeres, vagy +/- tápot kap? A rajzod 100k ellenállásai egyszeres tápra utalnak. Ez esetben a műveleti erősítő neminvertáló (+) bemenete nem a testre, hanem 100k/100k feszültségosztóra menjen - mint korábban is.
Igazából próbáltam már +/- tápról és egyszeres tápról is. Amikor a +/- táppal próbáltam felhajtottam az IC megfelelő lábát és arra kötöttem a negatív feszt, a többi maradt a rajz szerint.
Melyik táp lenne az ideális? Részemről jobb lenne az egyszeres, ha lesz így is elég erősítése. Csatoltam mindkettő rajzát, szeretném a végső véleményed kérni. Technikailag melyik a szebb / talán jobb minőségű kialakítás? Az aluláteresztő szűrő maradhat úgy ahogy az előző rajzon volt? A hozzászólás módosítva: Júl 23, 2013
A szimmetrikus (+/-) táp jobban illik a műveleti erősítős kapcsoláshoz.
Az aluláteresztő után már nem kell mégegyszer erősítened. A felesleges IC tag kimenetét kösd az invertáló (-) bemenetére a nem invertáló bemenetet pedig a testre. Ezzel teljesen passzív állapotba kerül, nem zavarja a többi működését.
Köszönöm szépen, nagyon sokat segítettél!
Egy jóféle előerősítő kapcsolást tudna ajánlani valaki kondenzátor mikrofon kapszulához?
Viszonylag sok alkatrészes is lehet, a lényeg, hogy jól szóljon és vonalszintű kimenet legyen.
Szia!
Esetleg nem elektret mikrofonhoz kellene előerősítő?
Üdv! Ilyenhez kellene: http://www.hestore.hu/prod_10022505.html
Mutatok egy egyszerűt. A keresési találatok közt van még több jó kapcsolás Olyat keress, ahol két kivezetéses kapszula szerepel a rajzon.
Ha jól látom a kapszulára 3 helyen csatlakozik a kapcsolás. Az enyémen csak 2 kivezetés van. Így is tudom használni? Mit hova kellene kötni?
Találtam egy nagyon szimpatikusat: http://circuit-diagram.hqew.net/Electret-Microphone-Pre$2damp-based-NE5532_12012.html Itt pont kedvencemet alkalmazzák, amit tegnap este már sikerült jól beállítani elvben. A hozzászólás módosítva: Júl 24, 2013
Melyik ezek közül az ami igazán jó és nagy a kimeneti jel? (közvetlen mehet az erősítőre)
Szerintem először próbáld ki az egytranzisztorost. Ha nem elég nagy a kimenő jelszintje, akkor készítsd el a kéttranzisztorosat.
Igen, az 1k-os ellenállást nem a harmadik lábra, hanem a miki +kimenetére kötöd. A 10u-os kondi az egyenfeszt az áramkör bemenete felé leválasztja
Köszönöm mindkettőtöknek a segítséget, próbálkozok velük.
Még egy kérdés a műveleti erősítőkkel kapcsolatban. A visszacsatolás a kimenetről a bemenetre egy ellenállással történik, ez állítja be a munkapontot / erősítést. Ezzel párhuzamosan szoktak kötni egy pF nagyságrendű kondit. Ez mi célt szolgál? Elhagyható?
A kondenzátorok frekvenciafüggő visszacsatolást és erősítést okoznak. Egy egyszerű erősítőnél nem kell ilyen kondenzátor, de inkább mutass egy konkrét rajzot.
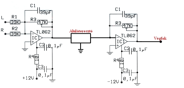
Például ennél. Tegnap ollóztam össze, elvileg itt nem kéne szűrni semmit sem.
A nagy sávszélességű műveleti erősítők begerjedhetnek nagyfrekvenciás tartományban. Ezt akadályozzák meg a kondenzátorok.
Ezek nem gerjedésgátlók, hanem csökkentik az erősítést a nagyobb frekvenciás tartományban azzal, hogy a magasabb frekvenciáknak kisebb ellenállást jelentenek. Így megnő a negatív visszacsatolás mértéke a magas hangoknál, ezért nem erősít annyira a magas tartományban. Egy szub-szűrőnél ez nem hátrány.
Ezek az alul áteresztők MHz-es tartományban vágnak, nem pedig a hangfrekis tartományban.
Értem, köszönöm, tehát akkor a zavarokat szűrik. Csak amiatt volt fontos, hogy mennyire térhetek el a megadott értéktől, de ezek szerint egy kicsit lehet.
A hozzászólás módosítva: Júl 24, 2013
Igen, a 39 pF eléggé kis kapacitás, de nem hinném, hogy nélküle begerjedne az erősítő. Bővebben: Link
|
Bejelentkezés
Hirdetés |














