Fórum témák
» Több friss téma |
Hello! A TDA7265-ös erősitőmhöz keresek előerősitőt.
Köszi szépen tökéletesen megfelel.
Ja és még az árát durvén meg tudnád mondani?
És hogy mekkora a tápfesz
Az IC ára a Hqvideo-nál:
kb 700Ft
Kösz és a tápfeszt is meg tudná vki mondani ?
:yes: El is fáradtam egy kicsit
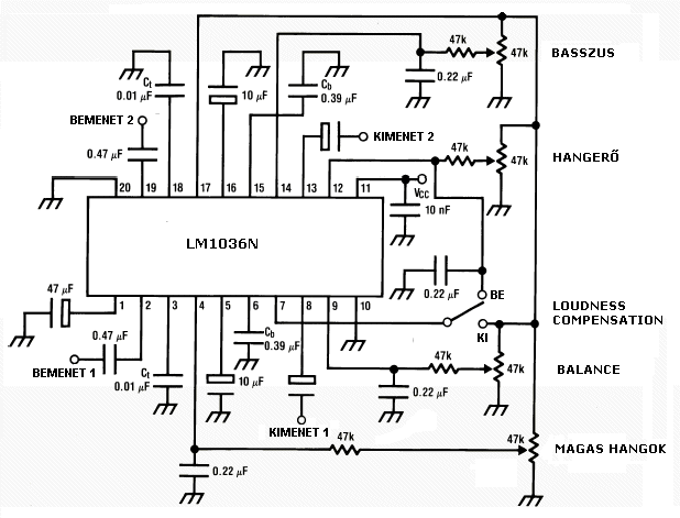
Megcsináltam a kapcsolást, de nem jól működik, búg. Nem tom mi lehet a gond az igaz hogy 0,9µF- helyett csak 0,47µF-et kaptam, de ez remelem nem gond és néhol nem rendes kondikat használtam hanem elektrolitokat. Ezek renélem nem okozzák a gondom. Tudna vki segitteni.
Hello! Ezzel az ic-vel már én is dolgoztam. Az előerősítőbe mindegyik potit beraktad, mert ha csak a hangerőszabályozot, akkor azért búg. Mindegyik potit be kell rakni, vagy ha nem akarsz hangszínt szabályozni,akkor értelem szerűen 2-2 ellenállást be kell rakni. Valamint egyik régebbi hobbyelektronikában megtalálható egy komlett cikk, hozzá nyákrajzal stb...
Hi
Ugye a tápszűrő koniról nem feletkeztél el??
Na itt a megoldás! Sokáig gondolkoztam mire rájötte hogy a régi táp amit hazsnáltam nem biztos hogy jól van szűrve. Szétszedtem és észrevettem hogy egyátalán nincs szűrve. Rákötöttem egy számitógéptápra és már ment is
Akkor szerintem kikapcsolja a hangerő szabályozást, és maxon megy.
LOUDNESS a neve annak az "üzemmódnak"! Annyit tesz, hogy mindent a maximálisra felnyom... (De most nézem, hogy a TDA 1524 esetében ez van írva: " A hangszínszabályozás fiziológiai. Ha erre nincs szükség, akkor a Loudness pontot kössük 0V-ra")
ŐŐŐ Ez is feszvezérelt előerölködő ugye? Jobb, mint a TDA1524? Amint néztem ez dettó ugyanazt tudja!
Hello! Nem akartam en is ezért uj témát nyitni de keresek egy jó előerősitő kapcsolást. Ha vkinek lenne es elküldené az jó lenne. Köszi!
Pff. Megnéztem mindkettő IC adatlapját( LM1036, TDA 1524) és majd kitéptem a hajam, hogy mért nem néztem az elött jobban körül, mielött még megépítettem volna az erőlködőmet... A TDA1524-el felépített előfoknak min 10x akkora a kimeneti zaja, mint az LM-esnek...
Ja, és ez az az adat, amit beismer a gyártó Tanulság:NÉZZ SZÉT MIELÖTT BÁRMIT IS MEGÉPÍTESZ!!!!!!!!!!!!!!!!!!
Nem akartam új topicot, ezért itt kérdezem: Ha van egy négy csatornás erősítőm, 2x(2x20W), és ehhez beépítek két darab sztereó előfokot (LM1036), akkor szabályozhatom egy potiról mind a két előfokot? Az LM1036 ugye egyenáramokat kerget a potikon, csak azt nem tudom, hogy két független sztereó előfok ilyen vezérlése működik-e egy darab potiról. Ha igen, az jó, mert akkor egy 6 vagy 8 csatornás erősítőt is tudnék vezérelni egyszerre (hangerő, mély, magas, balansz), és nem kellene tekerőrengeteggel beépíteni a doboz homlokfalát. Aki többet ért hozzá, remélem tudja, hogy lehet-e így csinálni. Köszi szépen.
2 db lm1036 -ot max 1 db stereo potival tudod egyszerre szabályozni.
két áramkört :no: ne kössük össze 1 potival, mert ott az IC meg purcanhat.. és csak költenél rá. üdv
hello! nemtudod véletlenül hogy melyik HE-ben található?
üdv
tessék itt van
Köszi Szabi, akkor ez nem nyert. Még egy akadékoskodás: 50k potikat írnak az LM1036-tal épített előfokhoz. Nekem megvan a gyári doboz, egy régebbi Rotel erősítőé, benne a gyári potikkal, amik viszont 100k-sak. Nagyon gáz azokkal vezérelni?
hüm-hüm...
Nem értek hozzá,de: Szerintem a potik csúszkáján a leosztott referencia fesz van...ergo, innen (ha nem terhel be nagyon a többi IC) levehető a vezérlő fesz. Tehát szerintem több is ráköthető! Ha nagyon "terhelne" az IC, akkor egy tranyós kapcsolással kiegészítve-elvileg- illeszthető lesz akár 6 db IC is... Idézet: „...ne kössük össze 1 potival, mert ott az IC meg purcanhat...” (az lehet, de szerintem nem)
50-100kilós potin keresztül? Nem hiszem. Főleg, ha csak egyenfesz van rajta. Tökmindegy honnét kerül rá (akár pl. DA átalakítóról is jöhet)
Minél több bemenetet huzigálsz 1 potival, annál kisebb értékű legyen a poti. Semmi gond nem lehet a 100k-ssal, hiszen minden bemenettel sorban ott van még 47k, ezeket ne hagyd el!
|
Bejelentkezés
Hirdetés |





Ja, és ez az az adat, amit beismer a gyártó
Tanulság:




